КурАнт (561257), страница 2
Текст из файла (страница 2)
Предельная мошность, пропускаемая волноводом:
Епред=30 кВ/см – напряженность электрического поля пробоя.
Допустимая мощность -- предельная мощность пропускания, умноженная на коэффициент запаса электрической прочности. Она учитывает неоднородности, вызывающие местные концентрации электрического поля, климатические факторы и наличие стоячей волны. Допустимая мощность Рдоп равняется: Рдоп = (1/3…1/5) * Рпред.
Рдоп = 1.52 кВт.
При повороте волновода на 900, производить скругление изгиба не требуется, так как данная антенна работает в узкой полосе частот.
2. Расчет круглого волновода.
При вращении одной части волновода относительно другой должна сохраняться осевая симметрия поля. Это обеспечивается в круглых волноводах с волной типа E01 и H01.
Из-за сложности возбуждения волны Н01 в круглом волноводе в чистом виде (одновременно возбуждаются волны типа Н11, Е01, Н21,Е11) использование вращающихся сочленений на основе данного типа волны не получило широкого практического применения. В результате во вращающихся сочленениях как правило используется волна E01.
Диаметр основного круглого волновода сочленения D определяется из условия распространения волны Е01 (D>0,76) и затухания высших типов волн (D<0,97), т.е.
6.46 см. < D < 8.25 см.
D = 8.116 см. R = 4.058 см.
Проверка круглого волновода на максимальную пропускаемую мощность не производится, так как в прямоугольном волноводе с волной Н10 электрический пробой наступает быстрее, чем пробой в круглом волноводе при любом типе волны.
3. Дроссельно-фланцевые соединения.
Для соединения отрезков волноводных линий передачи используются дроссельные соединения в круглых, вращающихся друг относительно друга волноводах и контактные фланцевые соединения в прямоугольных волноводах.
В качестве дроссельной секции в круглом волноводе применяется полуволновая замкнутая линия, состоящая из двух параллельных четвертьволновых участков. Использование притертого фланца при тщательной обработке и соблюдении параллельности фланцевых поверхностей позволяет получить в месте соединения двух неподвижных друг относительно друга отрезков волноводных линий хороший электрический контакт.
4. Переход от прямоугольного волновода к круглому.
Для согласования волнового сопротивления прямоугольного волновода с круглым волноводом используются индуктивные диафрагмы, которые впаиваются с двух сторон в прорези в узких стенках прямоугольного волновода, емкостные диафрагмы в виде кольцевого выступа в круглом волноводе, индуктивные штыри, впаиваемые в прорези в широкой стенке прямоугольного волновода. Их положение и размеры подбираются экспериментально.
5. Подавление паразитных типов волн:
При переходе от прямоугольного волновода с волной Н10 к круглому волноводу в последнем возникают волны: рабочая - Е01 и более низкая паразитная - Н11. Волна Н11 имеет несимметричную структуру поля и её энергия в круглом волноводе равна
1%, поэтому необходимы специальные устройства для гашения этой волны (допустимое содержание паразитных волн составляет 0,1%). В конструкциях таких сочленений для подавления паразитных волн широко применяют «гасящие объемы» и резонансные кольца.
«Гасящий объем» представляет собой круглый волновод, включаемый последовательно с возбуждающим прямоугольным и основным круглым волноводами сочленения. Если длину волновода сделать кратной целому числу полуволн типа Е01, то входное сопротивление волноводов для волны Е01 будет мало, и эта волна без затухания будет распространяться в основном круглом волноводе. Если одновременно сделать длину волновода кратной нечетному числу четвертей длин волн для волны Н11, то входное сопротивление гасящего волновода для этой волны будет велико, и волна Н11 в основном круглом волноводе распространяться не будет. Следовательно, длина «гасящего объема» определяется из условий: l = ; l = 3 ,
где 1 = 16.99 см; 1 = 11.32см – длины волн в волноводе.
После подстановки получаем: l = 8.493 см.
Диаметр гасящего волновода определяется из соотношения:
d = 7.52 см.
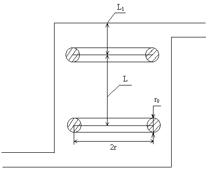
Принцип действия резонансных колец заключается в следующем: линии вектора E перпендикулярны кольцу, поэтому при точной ориентировке кольца в волноводе в нем не возбуждаются токи и волна Е10 распространяется без потерь. В то же время волна Н11 возбуждает в кольце токи, имеющие резонанс при длине кольца, равной длине волны в воздухе. Текущие в кольце токи возбуждают в волноводе волну типа Н11 с фазой поля, сдвинутой на 1800 по отношению к фазе возбуждающего поля. Поэтому в круглом волноводе за кольцом поля волны Н11 взаимно уничтожаются.
r0 = 0.159 см. - радиус круглой проволоки для изготовления колец.
r = 1,65 см – внутренний радиус кольца.
L=(2n + 1) - расстояние между фильтрующими кольцами; n=1,2….
L = 14.5 см.
Расстояние от кольца до дна основного круглого волновода выбирается из конструктивных соображений. Так как оно больше четверти длины волны Н11, то практически не влияет на резонансную частоту кольца.
L1 = 5.75 см. - расстояние от кольца до дна основного круглого волновода.
Список использованной литературы:
-
«Расчет антенн СВЧ. Пособие к курсовому проектированию по антенно-фидерным устройствам. Часть II ».Под ред. Д.И. Воскресенского. МАИ,1973 г.
-
«Апертурные антенны СВЧ». Л.И. Пономарев. МАИ, 1983 г.
-
«Расчет и конструирование вращающихся сочленений». В.Г. Воропаева. МАИ, 1962 г.
-
«Справочник по элементам волноводной техники». Фельдштейн, Явич. Сов.радио, 1967 г.
-
«Антенны и устройства СВЧ». Д.И. Воскресенский, В.Л. Гостюхин,
Л.И. Пономарев, В.М. Максимов. МАИ, 1999 г.
0>














