Электрошоковое средство защиты (561255)
Текст из файла
Электрошоковое средство защиты
Я хочу предложить вашему вниманию электрошоковое средство самозащиты. Изделие весьма эффективно, в том числе и в психологическом плане.
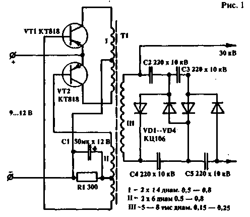
Основу прибора составляет преобразователь постоянного напряжения (рис.1). На выходе прибора я применил умножитель на диодах КЦ-106 и конденсаторах 220 пф х 10 кв. Питанием служат 10 аккумуляторов Д-0,55. С меньшими - результат чуть хуже. Можно применять и батареи "Крона" или "Корунд". Важно иметь 9- 12 вольт. Аккумуляторы удобны только тем, что их можно заряжать.
Puc.1
Очень важным элементом является трансформатор, который я изготовил из ферритового сердечника (ферритовый стержень от радиоприемника диаметром 8 мм), но эффективнее работал трансформатор из феррита от ТВС - из "П"-образного я изготовил брусок.
Правила намотки высоковольтной обмотки взял из журнала "Радио" за 1992 год ("Электрическая спичка") - через каждую тысячу витков прокладывал изоляцию. Для межвитковой изоляции применил ленту ФУМ (фтороплат). На мой взгляд, другие материалы менее надежны. Экспериментируя, я пробовал изоленту, слюду, применял провод ПЭЛ-ШО. Трансформатор служил недолго - обмотки "прошивало".
Корпус изготовил из пластмассовой коробки подходящих размеров - пластмассовая упаковка от электропаяльника. Размеры оригинала: 190 х 50 х 40 мм (см. фото). В корпусе сделал перегородки из пластмассы
Puc.2
между трансформатором и умножителем, а также между электродами со стороны пайки - меры предосторожности во избежание прохождения искры внутри схемы (корпуса),что также предохраняет трансформатор. С наружной части под электродами расположил небольшие "усики" из латуни для уменьшения расстояния между электродами - разряд образуется между ними. В моей конструкции расстояние между электродами - 30 мм, а длина короны - 20 мм. Искра образуется и без "усов" - между электродами, но есть опасность пробоя трансформатора, образования ее внутри корпуса. Идею "усов" я подсмотрел на "фирменных" моделях.
Во избежание самовключения при ношении целесообразнее применять выключатель движкового типа.
Хочу предупредить радиолюбителей о необходимости осторожного обращения с изделием как в период конструирования и наладки, так и с готовым аппаратом. Помните, что он направлен против хулигана, преступника, но, в то же время, против человека. Превышение пределов необходимой обороны наказывается по закону.
A.ВОРОБЬЕВ, г.Курск
ДОРАБОТКА ЭЛЕКТРОШОКОВОГО УСТРОЙСТВА ЗАЩИТЫ
Хочу предложить технологию намотки высоковольтного трансформатора для схемы электрошока из статьи А.Воробьева [1].
Каркас сделан из фломастера длиной 50 мм, в который точно входит ферритовый сердечник диаметром 8 мм. Щечки размером 40 х 40 мм вырезаны из обычной пластмассы и склеены дихлорэтаном. Для изоляции вместо дефицитного фторопласта использована межэлектродная изоляция от конденсатора из лампы дневного света 4 мкФ х 300 В толщиной 0,035 мм, которую я заранее нарезал точно по ширине каркаса. При питании от "Кроны" высоковольтная обмотка содержит 10 000 витков провода ПЭВ-2 диаметром 0,15 мм. После намотки каждых трех слоев я промазывал обмотку 'широкой кистью эпоксиднои смолой, слегка разведенной ацетоном, чтобы смола была не очень вязкой, и в 2 слоя прокладывал изоляцию. Далее, не дожидаясь отвердения, продолжал намотку. Между высоковольтной и остальными обмотками расположена изоляция - 6 слоев с эпоксидкой. Готовый трансформатор обмотан одним слоем стеклоткани и залит смолой. Выводы высоковольтной обмотки нужно вывести через отверстия в щечках у начала и конца обмотки. При работе в течении 10 минут с максимально разведенными контактами трансформатор не пробивало.
Транзисторы КТ818 я заменил на КТ816 с любой буквой и небольшими пластинчатыми радиаторами, что уменьшило вес и размер аппарата. Диоды КЦ106 - желательно с буквами В, Г. Размер корпуса при питании от "Кроны" без учета "усов" -135 х 58 х 36 мм. Вес - около 300 грамм.
Литература
1. А-Воробьев. Электрошоковое средство защиты//Радио-любитель. - 1994. - N 3. - С.46.
А.АНЦИФЕРОВ, 117261, г.Москва, ул.Вавилова, 84/4-11. Тел. 132-53-61.
Характеристики
Тип файла документ
Документы такого типа открываются такими программами, как Microsoft Office Word на компьютерах Windows, Apple Pages на компьютерах Mac, Open Office - бесплатная альтернатива на различных платформах, в том числе Linux. Наиболее простым и современным решением будут Google документы, так как открываются онлайн без скачивания прямо в браузере на любой платформе. Существуют российские качественные аналоги, например от Яндекса.
Будьте внимательны на мобильных устройствах, так как там используются упрощённый функционал даже в официальном приложении от Microsoft, поэтому для просмотра скачивайте PDF-версию. А если нужно редактировать файл, то используйте оригинальный файл.
Файлы такого типа обычно разбиты на страницы, а текст может быть форматированным (жирный, курсив, выбор шрифта, таблицы и т.п.), а также в него можно добавлять изображения. Формат идеально подходит для рефератов, докладов и РПЗ курсовых проектов, которые необходимо распечатать. Кстати перед печатью также сохраняйте файл в PDF, так как принтер может начудить со шрифтами.














