Миниатюрный радиопередатчик на туннельном диоде (561250)
Текст из файла
Миниатюрный радиопередатчик на туннельном диоде
Среди большого семейства радиопередатчиков можно выделить те устройства, которые имеют простое схемное решение, малое количество деталей и при всем этом обладают достаточно хорошими характеристиками.
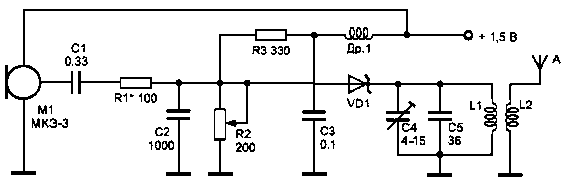
Схема простого микропередатчика изображена на рис. Основу этого устройства составляет схема высокочастотного генератора на туннельном диоде. Ток, потребляемый генератором от источника питания, составляет примерно 15 мА и зависит от типа туннельного диода. Тип туннельного диода может быть выбран, по усмотрению радиолюбителя, с током потребления не более 10-15 мА (например, диод АИ201А). Генератор сохраняет свою работоспособность при напряжении источника питания 1 В и выше при соответствующем выборе рабочей точки резистором R2. Дроссель Др1 наматывается на резисторе МЛТ 0,25 проводом ПЭВ 0,1 и содержит 200-300 витков. Чтобы провод не соскакивал с резистора, он периодически смазывается клеем "Момент", БФ-2 или другим. Индуктивность дросселя должна быть 100-200 мкГн. Дроссель может быть заводского изготовления. Катушка колебательного контура L1 выполнена без каркаса и содержит 7 витков провода ПЭВ 1,0 мм. Диаметр катушки 8 мм, длина намотки 13 мм. Катушка связи L2 так же, как и L1 - бескаркасная, намотана проводом ПЭВ 0,35 мм, 3 витка, диаметр катушки 2,5 мм, длина намотки - 4 мм. Катушка L2 располагается внутри катушки колебательного контура L1. Настройка передатчика сводится к установке рабочей точки туннельного диода путем вращения движка подстроечного резистора R2 до появления устойчивой генерации и подстройке частоты колебаний конденсатором С4. Антенной является отрезок монтажного провода длиной примерно в четверть длины волны. Глубину модуляции можно изменять подбором сопротивления резистора R1. Сигнал этого передатчика можно принимать на телевизионный приемник. Значительно упростить конструкцию радиомикрофона можно при использовании малогабаритных конденсаторных микрофонов, включаемых непосредственно в колебательный контур высокочастотного генератора. Возможная схема такого передатчика представлена на рис.
Как известно, конденсаторный микрофон выполнен в виде развернутого конденсатора с двумя плоскими неподвижными электродами, параллельно которым закреплена мембрана (тонкая фольга, металлизированная диэлектрическая пленка и т.п.), электрически изолированная от неподвижных электродов. Выступая элементом контура, конденсаторный микрофон осуществляет частотную модуляцию. В остальном описание схемы и настройка передатчика аналогичны вышеприведенной схеме. Мощность излучения вышеприведенных устройств составляет доли единиц мВт. Соответственно, и радиус действия этих устройств составляет единицы - десятки метров.
Характеристики
Тип файла документ
Документы такого типа открываются такими программами, как Microsoft Office Word на компьютерах Windows, Apple Pages на компьютерах Mac, Open Office - бесплатная альтернатива на различных платформах, в том числе Linux. Наиболее простым и современным решением будут Google документы, так как открываются онлайн без скачивания прямо в браузере на любой платформе. Существуют российские качественные аналоги, например от Яндекса.
Будьте внимательны на мобильных устройствах, так как там используются упрощённый функционал даже в официальном приложении от Microsoft, поэтому для просмотра скачивайте PDF-версию. А если нужно редактировать файл, то используйте оригинальный файл.
Файлы такого типа обычно разбиты на страницы, а текст может быть форматированным (жирный, курсив, выбор шрифта, таблицы и т.п.), а также в него можно добавлять изображения. Формат идеально подходит для рефератов, докладов и РПЗ курсовых проектов, которые необходимо распечатать. Кстати перед печатью также сохраняйте файл в PDF, так как принтер может начудить со шрифтами.














