lec06 Защита от механ воздействий и помех (560718), страница 4
Текст из файла (страница 4)
Методы разводки «длинных» линий связи. В быстродействующих системах, в которых задержка определяется только задержками в цепях связей, основную проблему может составить способ разводки линий между отдельными ИС. В настоящее время существует три способа разводки: радиальный, с промежуточными отводами, комбинированный.
При радиальном способе разводки каждую ИС-нагрузку подключают к ИС-источнику сигнала индивидуальной связью, при этом ИС-источник сигнала должна иметь выходное сопротивление, равное z0/n, где n – число нагруженных на нее ИС. При большом n потребуется ИС-источник сигнала с недостижимо малым выходным сопротивлением. Другой недостаток радиального способа - необходимость наличия отдельной линии связи для каждой нагрузки. Поэтому радиальный метод рекомендуют только для небольшого количества нагрузок.
При способе разводки с промежуточными отводами ИС-нагрузки подключают к связи-магистрали и далее к ИС-источнику сигнала через короткие проводники, при этом нагрузочные ИС должны иметь высокие входные сопротивления, иначе они будут перегружать линии связи.
Комбинированный способ обеспечивает согласование в любой точке линии связи путем разводки сигналов на нагрузки, размещенные по разным направлениям. При этом число проводников меньше, чем при радиальном способе, а выходное сопротивление источника сигналов допускается сравнительно высоким. Если на линии связи находятся всего две нагрузки, то ИС-источник сигнала можно пометить в любой точке вдоль нее.
Наводки по цепям питания и методы их уменьшения. При использовании одного источника напряжения питание к элементам подводится с помощью двух проводников: прямого и обратного. Часто на элементы необходимо подавать напряжение от нескольких источников с разными номиналами. В этом случае для уменьшения количества шин питания обратные проводники объединяют в одну шину, которую соединяют с корпусом изделия и называют шиной «земля ». В статическом состоянии по цепям питания протекают стационарные токи.
При работе блоков и устройств РЭА, когда происходит выключение одних элементов и включение других, ток потребления по шинам питания изменяется, что приводит к нежелательным падениям напряжения и паразитным наводкам. В больших системах изменение тока в шине питания вследствие переключения элементов незначительно, так как в любой момент времени число включенных элементов примерно одинаково.
В шинах питания, подводящих энергию к более мелким устройствам, переключение элементов может приводить к значительному изменению тока потребления от источника напряжения. Так как шины питания имеют паразитную емкостную и индуктивную связь с сигнальными шинами, то при переключении элементов на сигнальных связях наводятся сравнительно большие помехи. При определенных условиях эти помехи могут вызвать ложное срабатывание схем. Кроме того, изменение тока в шине питания приводит к возникновению в ней переходного процесса. Переходный процесс приводит к колебанию напряжения, приложенного к элементам, что может изменять режим его работы и параметры выходных сигналов.
Для уменьшения наводок, связанных с падением напряжения на шинах питания и «земля» и переходными процессами в них, используют различные методы.
Применение индивидуальных сглаживающих конденсаторов (ИСК). ИСК устанавливают между шинами питания и «земля» непосредственно возле точек присоединения электронных устройств к этим шинам. ИСК является как бы индивидуальным источником питания схемы, максимально приближенным к ней физически. В микроэлектронной аппаратуре используются два вида ИСК, устанавливаемые непосредственно у каждой микросхемы и устанавливаемые на группу микросхем в пределах одной ячейки, модуля.
Первый тип ИСК предназначен для сглаживания импульсных помех в момент переключения микросхемы за счет локализации цепи протекания бросков тока в цепи микросхема - ИСК. В качестве таких ИСК используют обычно обладающие малой собственной индуктивностью керамические конденсаторы. Емкость ИСК выбирают, исходя из условия равенства заряда, накапливаемого конденсатором за время переключения микросхемы, заряду, переносимому выбросом тока за время переключения элемента.
Второй тип ИСК, устанавливаемый на группу микросхем, предназначен для компенсации бросков тока в системе электропитания. Это обычно электролитические конденсаторы большой емкости, обеспечивающие исключение резонансных явлений в цепях питания.
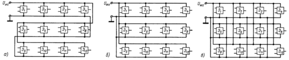
Уменьшение общих участков протекания токов элементов по шинам питания. Этот метод заключается в установке дополнительных перемычек в шинах питания и «земля», которые уменьшают длину общих участков протекания токов элементов. На рис. 6.2.4 представлены три варианта соединения элементов шиной питания и «земля». В первом варианте (а) переключение элемента, например Э12 (изменение тока потребления схемы), приводит к возникновению паразитной наводки в остальных одиннадцати элементах по шине питания и «земля». Во втором варианте (б) эта помеха в худшем случае воздействует только на четыре элемента, а в третьем варианте (в) помеха еще более уменьшается за счет введения дополнительных перемычек (распараллеливания).
Рис. 6.2.4.
Помехоподавляющие фильтры. Эффективным схемным средством ослабления внешних помех по сетям питания является использование помехоподавляющих фильтров.Фильтры характеризуются частотой среза и коэффициентом фильтрации, равным отношению сигнала на входе и выходе фильтра. Зная спектр частот полезного сигнала и помехи, и задаваясь определенным ослаблением помехи (в идеале - до нуля), проектируют соответствующие схемы фильтров.
Сетевые фильтры предназначены передавать на выход (в прибор) только частоту сетевого напряжения и подавлять помехи от источника электропитания. Для защиты аппаратуры от перенапряжений в схему сетевого фильтра обычно вводят газоразрядники, варисторы, стабилитроны, предохранители.
Использование металлического листа в качестве «земли». Этот метод применим для элементов второго уровня конструктивной иерархии РЭА (субблоков, блоков, панелей) и заключается в установке в эти конструктивные элементы сравнительно толстого металлического листа, к которому припаивают обратные провода от всех закрепленных ячеек или модулей.
Использование сплошных металлических прокладок в качестве шин питания. Этот метод применим в случае использования многослойных печатных плат для устройств сверхбыстродействующих РЭА. В таких платах отдельные слои изготовляют с максимально большой площадью металла и применяют их в качестве шин питания, эти слои размещают внутри многослойной платы. При использовании сплошных металлических слоев значительно уменьшаются собственное индуктивное сопротивление шин питания, общие участки протекания токов различных элементов и увеличивается взаимная емкость между шинами питания.
Применение экранов в РЭА. При прохождении мощных сигналов по цепям связи последние становятся источниками электромагнитных полей, которые, пересекая другие цепи связи, могут наводить в них дополнительные помехи. Источниками электромагнитных помех могут быть также мощные промышленные установки, транспортные коммуникации, двигатели и т.д. Устройства, чувствительные к статическим магнитным полям (например, магнитные элементы с разомкнутым магнитопроводом), могут неустойчиво работать даже от таких слабых полей, как магнитное поле Земли.
Экраны включаются в конструкцию для ослабления нежелательного возмущающего поля в некотором ограниченном объеме до приемлемого уровня или для локализации, где это возможно, действие источника полей. Возможны два варианта защиты. В первом случае экранируемая аппаратура размещается внутри экрана, а источник помех вне его, во втором - экранируется источник помех, а защищаемая от помех аппаратура располагается вне экрана. Первый вариант обычно используют при защите от внешних помех, второй - внутренних.
В РЭА функции экранов чаще всего выполняют кожухи, панели и крышки приборов блоков и стоек, при выборе материалов и расчете толщины которых кроме соображений эффективности экранирования необходимо учитывать требования обеспечения механической прочности, жесткости, надежности соединения отдельных элементов.
Отверстия и щели в экранах уменьшают эффективность экранирования, поэтому их необходимо исключать или сводить к минимуму. Однако полностью от них избавиться невозможно. Отверстия вводятся в кожух для установки соединителей, элементов управления, индикации, обеспечения нормального теплового режима. Эффективность экрана не ухудшится, если в его конструкции выполнены отверстия, максимальные размеры которых не превышают 1/2 минимальной длины волны экранируемого сигнала. Чтобы помеха не проникала через вентиляционные отверстия, на внутренних поверхностях кожухов с отверстиями может закрепляться металлическая сетка.
По принципу действия различают электростатическое, магнитостатическое и электромагнитное экранирования.
Электростатическое экранирование применяется при внутренних помехах с одних функциональных модулей аппаратуры на другие. При введении между модулями заземленного экрана высокой проводимости источник помех окажется подсоединенным на землю через паразитную емкость, желательно как можно большую, а входы и выходы схем - на соответствующие паразитные емкости (обычно много меньшие), что должно учитываться схемотехником при оценке параметров и характеристик схемы. Экранирующий эффект заключается в шунтировании на корпус большей части паразитной емкости, имеющейся между источником и приемником наводок.
В качестве экранов могут служат детали шасси и каркасов, обшивки стоек, панелей, субблоков, кассет, специальные листовые металлические прокладки на монтажной стороне плат, блоков, субблоков, и т. д.
С целью улучшения экранировки особо чувствительных к помехам цепей (например, для передачи синхроимпульсов) на обеих сторонах печатных плат сигнальные и заземленные экранные проводники чередуют таким образом, чтобы против сигнальной линии, проходящей с одной стороны платы, всегда располагалась заземленная линия с другой стороны платы. При этом каждая сигнальная линия оказывается окруженной тремя заземленными линиями, в результате чего достигается не только эффективная экранировка сигнальной линии от внешних помех, но и для полезного сигнала обеспечивается подобная волноводу цепь от источника до нагрузки.
Экранирование применяется также для проводов входной и выходной линий, при этом чаще всего оказывается достаточным экранировать только входную цепь. Для устранения гальванической помехи по земле экраны проводов необходимо заземлять в одной точке. При выполнении линий передачи печатным способом вводятся экранирующие трассы, коммутируемые с шиной нулевого потенциала и выполняющие функции экранов проводов.
Магнитостатическое экранирование. Задача экранирования сводится к уменьшению или полному устранению индуктивной связи между источником и приемником помехи. Если магнитный поток пересекает контур, образуемый проводником, то в контуре наводится помеха. Для полного устранения или уменьшения напряжения помехи, наводимой в контуре, необходимо:
- поместить контур в экран;
- ориентировать его так, чтобы магнитные силовые линии поля не пересекали контур, а проходили вдоль него;
- уменьшить площадь контура.
Магнитные экраны выполняют как из ферромагнитных, так и немагнитных металлов. Ферромагнитные материалы с большой магнитной проницаемостью обладают малым магнитным сопротивлением, в результате чего линии магнитного поля будут шунтированы материалом экрана, и пространство внутри экрана не будет подвергаться воздействию магнитного поля. Магнитное экранирование тем эффективнее, чем больше магнитная проницаемость экрана и толще экран. При выборе материала экрана необходимо помнить, что магнитная проницаемость с увеличением частоты поля уменьшается, и это сказывается на эффективности экранирования. Ферромагнитные материалы эффективно защищают аппаратуру в диапазоне частот от 0 до 10 кГц.
Действие экрана из немагнитного металла основано на вытеснении внешнего магнитного поля из внутреннего пространства прибора материалом экрана. Внешнее переменное магнитное поле создает индукционные вихревые токи в экране, магнитное поле которых направлено навстречу внешнему полю внутри экрана. У экранов из немагнитных металлов эффективность экранирования повышается с увеличением толщины и проводимости материала экрана. Магнитное поле частотой выше 10 МГц достаточно надежно экранируется, если на диэлектрический кожух наносится медное или серебряное покрытие толщиной не более 100 мкм. Толщина немагнитного экрана может в несколько раз превысить толщину ферромагнитного, обеспечивающего на фиксированной частоте одинаковое ослабление. Использование ферромагнитного материала позволяет значительно снизить массу экрана. При экранировании магнитного поля заземление экрана не обязательно, поскольку оно не влияет на качество экранирования.
Однако перед тем как конструировать экран, необходимо предусмотреть все меры, чтобы избавиться от помехи более простым и дешевым способом. Например, уменьшение площади контура, пересекаемого силовыми линиями магнитного поля, получают укладыванием сигнальных проводников непосредственно по заземленным монтажным панелям модулей.
Электромагнитное экранирование охватывает диапазон частот от 1 кГц до 1 ГГц. Действие электромагнитного экрана основано на отражении электромагнитной энергии на границах диэлектрик-экран и ее затухании в толще экрана. Затухание в экране объясняется тепловыми потерями на вихревые токи в материале экрана, отражение - несоответствием волновых параметров материала экрана и окружающей среды. Для нижней границы частотного диапазона первостепенное значение приобретает отражение, для верхней границы - поглощение электромагнитной энергии.
Электромагнитное экранирование выполняется как немагнитными, так и магнитными металлами. Немагнитные металлы высокой проводимости можно эффективно использовать в низкочастотной части спектра, ферромагнитные материалы высокой магнитной проницаемости и электрической проводимости - во всем частотном диапазоне электромагнитного поля. Толщина экрана должна быть по возможности наибольшей. Для частот менее 1 МГц хорошие результаты дают медные и алюминиевые экраны, а при частотах выше 1 МГц - экраны из стали. Однако наилучшие результаты можно получить при применении многослойных экранов - последовательно чередующихся слоев магнитных и немагнитных металлов. Возможны различные варианты материалов слоев: медь – пермаллой - медь, пермаллой - медь, медь – сталь - медь и др. Введение воздушных промежутков между слоями (20-40 % суммарной толщины экрана) улучшит эффективность экранирования. При защите аппаратуры от внешнего поля материал с низкой магнитной проницаемостью помещают наружу, с высокой - внутрь. Если экран защищает источник электромагнитного поля, то материал с низкой магнитной проницаемостью должен быть внутренним слоем, а с высокой - наружным.
Немагнитные материалы экранов
| Материал | Плотность, кг/м3 | Сопротивление, Ом·мм2/м | Относительная стоимость |
| Алюминий | 2700 | 0,028 | 0,29 |
| Латунь | 8700 | 0,06 | 0,85 |
| Медь | 8890 | 0,0175 | 0,6 |
| Магний | 1740 | 0,042 | 0,36 |
| Серебро | 10500 | 0,018 | 34,0 |
| Цинк | 7140 | 0,059 | 0,17 |















