Книга хз0561.1-из интернета (559875), страница 49
Текст из файла (страница 49)
Ри. 5.10. Схема защитного заземления в сети с изолированной нейтралью
1 – трансформатор, 2 – сеть, 3 – корпус токоприемника, 4–обмотка электродвигателя, 5–заземлитель. 6– сопротивление заземления нейтрали (условно)
ти к промышленным работам и робототехническим комплексам установлены ГОСТ 12.2.072–82.Контроль за обеспечением оборудования средствами защиты от механического травмирования и за их исправностью возложен на службу главного механика предприятий и на механиков подразделений.
5.5. СРЕДСТВА ЭЛЕКТРОБЕЗОПАСНОСТИ
П
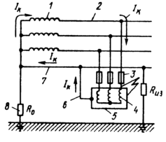
Рис. 5.11. Схема зануления в трехфазной четырехпроводной сети с заземленной нейтралью
1 – трансформатор, 2 – сеть, 3 – предохранитель, 4 – обмотка электродвигателя, 5–корпус электродвигателя, 6–зануляющий проводник, 7–нулевой защитный проводник, 8–сопротивление заземления нейтрали
овышение электробезопасности в установках достигается применением систем защитного заземления, зануления, защитного отключения и других средств и методов защиты, в том числе знаков безопасности и предупредительных плакатов и надписей. В системах местного освещения, в ручном электрофицированном инструменте и в некоторых других случаях применяют пониженное напряжение.Требования к устройству защитного заземления и зануления электрооборудования определены ПУЭ*, в соответствии с которыми они должны устраиваться при номинальном напряжении 380 В и выше переменного и 440 В и выше постоянного тока. В условиях работ в помещениях с повышенной опасностью и особо опасных они должны выполняться в установках с напряжением питания > 42 В переменного и > 110 В постоянного тока. Защитному заземлению или занулению подлежат металлические части электроустановок, доступные для прикосновения человека, которые могут оказаться под напряжением в результате повреждения изоляции.
Защитное заземление представляет собой преднамеренное электрическое соединение металлических частей электроустановок с землей или ее эквивалентом (водопроводными трубами и т п ). Схема защитного заземления представлена на рис. 5.10.
При пробое изоляции токоведущих частей на корпус, изолированный от земли, он оказывается под фазовым напряжением Uф. В этом случае ток, проходящий через человека,
I4=Ucp/(R4+Rсиз)
где R4 – сопротивление тела человека; Rсиз – сопротивление средств индивидуальной защиты; при их отсутствии Rсиз = 0.
При наличии заземления вследствие отекания тока на землю напряжение прикосновения уменьшается и, следовательно, ток, проходящий через человека, оказывается меньше, чем в незаземленной установке. Чтобы напряжение на заземленном корпусе оборудования было минимальным, ограничивают сопротивление заземления. В установках 380/220 В она должна быть не более 4 Ом, в установках 220/127 В–не более 8 Ом. Если мощность источника питания не превышает 100 кВА, сопротивление заземления может быть в пределах 10 Oм.
В качестве заземляющих устройств электроустановок в первую очередь должны быть использованы естественные заземлители Возможно применение железобетонных фундаментов промышленных зданий и сооружений При отсутствии естественных заземлителей допускается применение переносных заземлителей, например, ввинчиваемых в землю стальных труб, стержней, уголков. После заглубления в землю они должны иметь концы длиной 100…200 мм над поверхностью земли, к которым привариваются соединительные проводники. Категорически запрещается использовать в качестве заземлителей трубопроводы с горючими жидкостями и газами
Зануление состоит в преднамеренном соединении металлических нетоковедущих частей оборудования, которые могут оказаться под напряжением вследствие пробоя изоляции, с нулевым защитным проводником (рис. 5.11). При замыкании любой фазы на корпус образуется контур короткого замыкания, характеризуемый силой тока весьма большой величины, достаточной для «выбивания» предохранителей в фазных питающих проводах. Таким образом электроустановка обесточивается. Предусматривается повторное заземление нулевого проводника на случай обрыва нулевого провода на участке, близком к нейтрали. По этому заземлению ток стекает на землю, откуда попадает в заземление нейтрали, по нему во все фазные провода, включая имеющий пробитую изоляцию, далее на корпус. Таким образом образуется контур короткого замыкания.
З
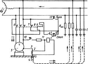
Рис 512 Принципиальная схема устройства защитного отключения:
1–реле максимального тока, 2–трансформатор тока. 3–проводник, 4–заземлитсль; 5– электродвигатель. 6–пускатель, 7–блок-контакты. 8–сердечник. 9–катушка пускателя; 10, 12, 13 – кнопки, 11 – вспомогательное сопротивление
ащитное отключение электроустановок обеспечивается путем введения устройства, автоматически отключающего оборудование – потребитель тока при возникновении опасности поражения током. Схемы отключающих автоматических устройств весьма разнообразны. Во всех случаях система срабатывает на превышение какого-либо параметра в электрических цепях технологического оборудования (силы тока, напряжения, сопротивления изоляции). На рис. 5.12 представлена схема защитного отключения с использованием реле максимального тока.Повышение электробезопасности достигается также путем применения изолирующих, ограждающих, предохранительных и сигнализирующих средств защиты.
Изолирующие электрозащитные средства делятся на основные и дополнительные. Основные изолирующие электрозащитные средства способны длительное время выдерживать рабочее напряжение электроустановки, и поэтому ими разрешается касаться токоведущих частей, находящихся под напряжением, и работать на этих частях. К таким средствам относятся: в электроустановках напряжением до 1000 В – диэлектрические резиновые перчатки, инструмент с изолирующими рукоятками и указатели напряжения до 1000 В (ранее назывались токоискателями); в электроустановках напряжением выше 1000 В – изолирующие штанги, изолирующие и электроизмерительные клещи, а также указатели напряжения выше 1000 В.
Дополнительные изолирующие электрозащитные средства обладают недостаточной электрической прочностью и поэтому не могут самостоятельно защищать человека от поражения током. Их назначение – усилить защитное действие основных изолирующих средств, вместе с которыми они должны применяться. К дополнительным изолирующим средствам относятся: в электроустановках напряжением до 1000 В –диэлектрические галоши, коврики и изолирующие подставки; в электроустановках напряжением выше 1000 В –диэлектрические перчатки, боты, коврики, изолирующие подставки.
Ограждающие средства защиты предназначены для временного ограждения токоведущих частей (временные переносные ограждения, щиты, ограждения-клетки, изолирующие накладки, изолирующие колпаки).
Сигнализирующие средства включают запрещающие и предупреждающие знаки безопасности, а также плакаты: запрещающие, предостерегающие, разрешающие, напоминающие. Чаще всего используется предупреждающий знак «Проход запрещен».
Предохранительные средства защиты предназначены для индивидуальной защиты работающего от световых, тепловых и механических воздействий. К ним относят: защитные очки, противогазы, специальные рукавицы и т. п.
5.6. СРЕДСТВА ЗАЩИТЫ ОТ СТАТИЧЕСКОГО ЭЛЕКТРИЧЕСТВА
Величина потенциалов зарядов искусственного статического электричества на ременных передачах и лентах конвейеров может достигать 40 кВ, при механической обработке пластмасс и дерева до 30 кВ, при распылении красок до 12 кВ. При соответствующих условиях происходит пробой воздушной прослойки, сопровождающийся искровым разрядом (пробивное сопротивление абсолютно сухого воздуха составляет 3000 кВ/м), что может инициировать взрыв или пожар.
Основные мероприятия, применяемые для защиты от статического электричества производственного происхождения, включают методы, исключающие или уменьшающие интенсивность генерации зарядов, и методы, устраняющие образующиеся заряды. Интенсивность генерации зарядов можно уменьшить соответствующим подбором пар трения или смешиванием материалов таким образом, что в результате трения один из смешанных материалов наводит заряд одного знака, а другой –другого. В настоящее время создан комбинированный материал из найлона и дакрона, обеспечивающий защиту от статического электричества по этому принципу.
Изменением технологического режима обработки материалов также можно добиться снижения количества генерируемых зарядов (уменьшение скоростей обработки, скоростей транспортирования и слива диэлектрических жидкостей, уменьшение сил трения).
При заполнении сыпучими веществами или жидкостями диэлектриками резервуаров на входе в них применяют релаксационные емкости, чаще всего в виде заземленного участка трубопровода увеличенного диаметра, обеспечивающего стекание всего заряда статического электричества на землю.
Образующиеся заряды статического электричества устраняют чаще всего путем заземления электропроводных частей производственного оборудования. Сопротивление такого заземления должно быть не более 100 Ом. При невозможности устройства заземления практикуется повышение относительной влажности воздуха в помещении. Возможно увеличить объемную проводимость диэлектрика, для чего в него вносят графит, ацетиленовую сажу, алюминиевую пудру, а в жидкие диэлектрики – специальные добавки. Для ряда машин и агрегатов нашли применение нейтрализаторы статического электричества (коронного разряда, радиоизотопные, аэродинамические и комбинированные). Во всех типах этих устройств путем ионизации воздуха вблизи элемента конструкции, накапливающего заряд статического электричества, образуются ионы, в том числе со знаком, противоположным знаку заряда, что и вызывает его нейтрализацию.
К средствам индивидуальной защиты от статического электричества относятся электростатические халаты и специальная обувь, подошва которой выполнена из кожи либо электропроводной резины, а также антистатические браслеты.
Значительно большую опасность представляет атмосферное статическое электричество, эффективным средством защиты от которого является молниезащита. Она включает комплекс мероприятий и устройств, предназначенных для обеспечения безопасности людей, предохранения зданий, сооружений, оборудования и материалов от взрывов, загораний и разрушений, возможных при воздействии молний.
Для всех зданий и сооружений, не связанных с производством и хранением взрывчатых веществ, а также для линий электропередач и контактных сетей проектирование и изготовление молниезащиты должно выполняться согласно «Инструкции по устройству молниезащиты зданий и сооружений» РД 34.21.122–87.
По степени защиты зданий и сооружений от воздействия атмосферного электричества молниезащита подразделяется на три категории. Категория молниезащиты определяется назначением зданий и сооружений среднегодовой продолжительностью гроз, а также ожидаемым числом поражений здания или сооружения молнией в год.
Ожидаемое годовое число поражений молнией прямоугольных зданий и сооружений
N= (S+ 6hзд)(L-6hзд)-7,7h2здn10-6,
для сосредоточенных зданий и сооружений (башен, вышек, дымовых труб и т. д.)
N= 9πh2здn10-6,
где S, L–ширина и длина зданий, м (для зданий и сооружений сложной конфигурации в плане при расчете N в качестве S и L принимают ширину и длину наименьшего описанного прямоугольника); h^ –наибольшая высота здания или сооружения, м; п –среднегодовое число ударов молний в 1 км2 земной поверхности (удельная плотность ударов молний в землю) в месте расположения зданий или сооружений.
Рис. 5.13. Зоны защиты различных видов молниеотводов: а–одиночный стержневой; б–двойной стержневой; в–тросовый
Информацию о средней за год продолжительности гроз можно получить в местном отделении Росгидромета либо воспользоваться картой СССР, представленной в РД 34.21.122–87.
Здания и сооружения, отнесенные к I и II категориям молниезащиты, должны быть защищены от прямых ударов молнии, вторичных проявлений молнии и заноса высокого потенциала через наземные (надземные) и подземные металлические коммуникации. Здания и сооружения, отнесенные к III категории молниезащиты, должны быть защищены от прямых ударов молнии и заноса высокого потенциала через наземные (надземные) металлические коммуникации.
Для создания зон защиты применяют одиночный стержневой молниеотвод; двойной стержневой молниеотвод; многократный стержневой молниеотвод; одиночный или двойной тросовый молниеотвод. В качестве примера на рис. 5.13 приведена конфигурация и размеры зон защиты некоторых типов молниеотводов.















