Куросовой готово - 2016 (559864), страница 2
Текст из файла (страница 2)
коэффициент запаса надежности крепления каната,
;
1,3 – коэффициент напряжения кручению.
расстояние от головки винта до барабана (м),
Выбираем зажим 8 ОСТ 24.090.51-80
Принимаем БОЛТ М10х30 ГОСТ 7805–70. Материал болта – ВСт3;
– внутренний диаметр резьбы болта (м),
;
По табл. 6.10 и 6.12 ([2], с. 115)
– предельное напряжение.
Прочность болта достаточна, условие выполняется.
5.Выбор двигателя механизма
Номинальная мощность двигателя (кВт):
где
– номинальная мощность двигателя при данном режиме работы;
– статическая мощность механизма при постоянном режиме работы:
где Q – номинальная грузоподъемность крана (т); Q=1 т;
Qп = m – масса крюковой подвески, Qп= 68 кг;
ускорение свободного падения (м/с2),
м/с2;
где
КПД редуктора, по табл. 5.1 ([1], с.127) для двухступенчатого редуктора на подшипниках качения
;
КПД муфты, для упругих компенсирующих муфт
КПД барабана, табл. 1.18 ([1], с.23) для барабана, для стальных канатов, на подшипниках качения
примем
По таблице III.3.7 ([1], с.315) выбираем крановый электродвигатель MTF 011–6УХЛ2 ГОСТ 185-70 с короткозамкнутым ротором 50Гц, 220/380 500В для тяжёлого режима работы (ПВ=60%) ближайший в ряду двигатель:
n = 910 об/мин – частота вращения;
Тmax = 4 Н∙м – максимальный пусковой момент двигателя;
Jp = 0,021 кг∙м2 – момент инерции ротора;
m = 51 кг – масса двигателя.
6. Выбор редуктора и уточнение фактической скорости подъёма груза
6.1 Общее передаточное число механизма
Передаточное число механизма
Частота вращения барабана
6.2 Расчётная мощность редуктора
Расчётная мощность редуктора определяется по формуле
Рр = Кр∙Рст.
Кр – коэффициент, учитывающий условия работы редуктора для приводов механизма подъёма крана Кр = 1 (стр.40)
Рр = 1 ∙ 1,2 = 1,2 кВт
По таблице III.4.2 выбираем:
Редуктор цилиндрический двухступенчатый крановый типоразмера Ц2-300: Uф = 50,94, Рбыстр. в. = 1,67 кВт
Отклонение передаточного числа редуктора от расчётного:
Фактическая скорость груза:
где nфб – фактическая скорость барабана
где Uф – передаточное число редуктора = 50,94
Обозначение редуктора Ц2-300-50,94-11-1УХЛ2
7. Выбор тормоза и муфты
7.1 Выбор тормоза
Тт. ≥ Кт.∙Ттст.
где: Тт. – осевое усилие, создающее тормозной момент
Кт. – коэффициент запаса торможения, при тяжёлом режиме работы Кт.=2
Тт.ст.– статический момент при торможении
тогда:
Тт. = 2∙13=26 Н∙м
По таблице III.5.11 выбираем:
Тормоз колодочный электромагнитный переменного тока ТКТ-200/100:
Тт. = 40 Н∙м
Dшкива = 200 мм
B – ширина колодки = 90 мм
γ – угол торможения = 70о
Проверка тормоза на удельное давление:
где Fn – нормальная сила колодки
где f ′ - коэффициент трения для данного тормоза, для асбестовой ленты, f ′=0,35
lк – длина колодки
B – ширина колодки
[P] - для стопорных тормозов = 0,6 МПа
Р = 0,034 МПа < [P]= 0,6 МПа
следовательно, удельное давление тормоза в пределах допустимого
Тормоз колодочный электромагнитный переменного тока ТКТ-200/100-1-У ТУ 3178-003-11523712-94:
7.2 Выбор муфты
Номинальный момент муфты:
Тм. ≥ Тм. расч.
где: Тм. расч. – расчётный момент муфты
Тм. расч. = Тм.ном.∙К1∙К2
где К1 – коэффициент, учитывающий степень ответственности механизма
по таблице 1.35 [1] для механизма подъёма груза К1=1,3
К2 – коэффициент, учитывающий режим работы механизма по таблице 1.35 [1] для весьма тяжёлого режима работы К2 = 1,5
Выбираем муфту втулочно-пальцевую с тормозным шкивом
МУВП Т200-250-22-1-35-1 УХЛ2 ГОСТ 21424-93
8. Проверка тормоза по времени торможения, ускорению и пути торможения
Время торможения:
где Тт = 197 Н∙м
Ттст = 16,09 Н∙м
– коэффициент, учитывающий влияние вращающихся масс, расположенных на втором и последнем валах, = 1,1 – 1,25
J1 – момент инерции вращающихся масс на валу двигателя
J1=Jр.дв.+ Jм. = 0,11+0,1 = 0,21 кг∙м2
Ускорение при торможении:
aт = aп рекомендуемое ускорение 0,2 – 1 м/с2
Путь торможения по нормам ГГТН
Sф ≤ Smax
по таблице 1.22 для тяжёлого режима работы:
т.е. путь торможения соответствует допустимому.
9. Проверка двигателя на пусковой момент по времени пуска и остановки
Время пуска определяется при подъёме груза:
где Тср.п. – средний пусковой момент двигателя
Тст. – статический момент при пуске двигателя
Ускорение при пуске:
допустимое ускорение при пуске 0,2 – 0,8 м/с2
10. Проверка двигателя на нагрев по среднеквадратичному моменту
Условие отсутствия нагрева:
Рср. ≤ Рдв.
где Рср. – среднеквадратичная мощность
где Тср.п. = 105,2 Н∙м
Σtп – суммарное время пуска
Тст.i – момент статических сопротивлений
Tу – время установившегося движения
Σt – суммарное время включения двигателя
Для определения Тср. воспользуемся обощённым графиком загрузки механизмов: рисунок 1.1а (стр.16)
При тяжёлом режиме работы, согласно графику, механизм подъёма груза работает:
Q1 = (Q+Qп) = 1068 кг – 2 раза
Q2 = 0,75(Q+Qп) = 801 кг – 4 раза
Q3 = 0,2(Q+Qп) = 213,6 кг – 1 раз
Q4 = 0,05(Q+Qп) = 53,4 кг – 3 раза
Определяем натяжение ветви каната, набегающего на барабан, при подъёме:
при опускании:
Момент статических сопротивлений, при подъёме:
ηм.i определяем по рис. 1.2 по форм. 1.1
по рис. 1.2 ηм.1 = 0,9, ηм.2 = 0,85, ηм.3 = 0,7, ηм.4 = 0,5
при опускании:
Время пуска, при подъёме:
при опускании:
Таблица 1 - Моменты, развиваемые двигателем и время его пуска
| Наименование показателя | Обозна- чение | Единица измере-ния | Результаты расчёта при массе груза, кг. | |||
| 1068 | 801 | 213,6 | 53,4 | |||
| КПД | η | - | 0,9 | 0,85 | 0,7 | 0,5 |
| Натяжение каната у барабана при подъёме груза | Fпб | Н | 2645,7 | 1984,3 | 529,1 | 132,3 |
| Момент при подъёме груза | Тпст. | Н∙м | 16,9 | 12,6 | 3,4 | 0,8 |
| Время пуска при подъёме | tпп. | c | 0,29 | 0,27 | 0,25 | 0,24 |
| Натяжение каната у барабана при опускании груза | Fопб. | Н | 2593 | 1944,8 | 518,6 | 129,7 |
| Момент при опускании | Топст. | Н∙м | 13,4 | 10 | 2,7 | 0,7 |
| Время пуска при опускании | tопп | с | 0,21 | 0,22 | 0,23 | 0,24 |
где Нср. – средняя высота подъёма груза
Нср. = (0,5…0,8)Н = (0,5…0,8)∙9 = 4,5…7,2 м
Принимаем Нср. = 5,8 м
следовательно, условие отсутствия перегрева выполняется
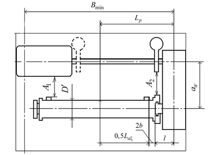
Уточнение кинематической схемы механизма
Размеры барабана:
Диаметр барабана, Dб = 292 мм
Длина барабана, Lб = 700 мм
Размеры редуктора Ц2-300:
Длина редуктора, L = 620 мм
Ширина редуктора, B = 300 мм
Расстояние между осями быстроходного и тихоходного валов, А = 300 мм
Размеры двигателя:
Длина двигателя, L = 585 мм
Ширина двигателя, В = 210 мм
Размер тормоза от оси вращения до крайнего положения Т=197мм, общая длина 475мм
Максимальный размер зубчатой муфты 200мм
Проверяем возможность П образной схемы
Расстояние между валами редуктора 300мм
Расстояние между зубчатой муфтой и тормозом 300 - 197 – 200/2 = 3мм
Расстояние между барабаном и двигателем
300 – 210/2 – 300/2 = 45мм
Следовательно, применяем П-образную схему.
Выбираем муфту между редуктором и барабаном
Подбираем муфту упругую втулочно-пальцевую МУВП 2000-75-1 УХЛ, для соединения вала редуктора и вала барабана
d = 75 мм, D = 250мм, L = 288мм, количество пальцев 6шт.
Список используемой литературы
1. Кузьмин А.В, Марон Ф.Л. Справочник по расчётам механизмов ПТМ. Мн.: Высшая школа, 1983г. – 350с.
2. Казак С.А., Дусье В.Е., Кузнецов Е.С. Курсовое проектирование ГПМ: Учебное пособие для студентов машиностроительной специальности вузов. М.: Высшая школа, 1989г. – 319с.
3. Александров М.П., Решетов Д.М. ''ПТМ. Атлас конструкций''.
4. https://www.engineer-oht.ru – решение задач по ПТМ
28
















