Практика_Галка (559488), страница 3
Текст из файла (страница 3)
3. Расстояние между оборудованием в агрегатах горизонтально-ковочных машин (см. рис. 3—5)
| Усилие ГКМ, тс | Paзмеры, мм | ||||
| А | А1 | Б | a | б | |
| 160—630 | 4000 | 1500 | 800 | ||
| 800—1600 | 750 | 5500 | 6000 | 2000 | 1000 |
| 2000—3150 | 8000 | 2500 | 1500 | ||
Расположение оборудования при поперечном грузопотоке применяют в кузнечных цехах в основном при массовом и крупносерийном производствах поковок с использованием штамповочных прессов или штамповочных автоматов. При этом используют две основные схемы расположения штамповочных прессов.
По первой схеме (рис. 6) штамповочные линии, состоящие из нагревательной установки, штамповочного и обрезного прессов, размещают в одном пролете перпендикулярно продольной его оси с образованием двух боковых проездов. При такой схеме все нагревательные установки расположены по прямой линии вдоль одного бокового проезда, а обрезные прессы — вдоль другого бокового проезда. Таким образом, по одному проезду подают заготовки, а по другому удаляют поковки.
Т
акое расположение оборудования позволяет установить штамповочные прессы усилием до 4000 тс и прессы для обрезки облоя на траншейных фундаментах. При этом в траншейном фундаменте могут быть расположены транспортеры для непрерывного удаления поковок и облоя.
Рис. 5. Схемы расположения оборудования в агрегатах горизонтально-ковочных машин с горизонтальным расположением ручьев штампа усилием по 1250 тс:
а — для изготовления поковок из коротких заготовок: 1 — тара; 2 — механическая рука с магнитным приспособлением; 3 — питатель; 4 — шкаф управления; 5 — транспортер; 6— индукционный нагреватель; 7—конденсаторные батарей; в—механизм для подачи заготовок в штамповое пространство; 9 — горизонтально-ковочная машина; 10 — шкаф управления; 11 — расположение тары при работе из коротких заготовок; 12 — транспортер; 13 — расположение тары при работе из относительно длинных заготовок; б — для изготовления поковок из относительно длинных заготовок: 1 — шкаф управления; 2 — бункер с заготовками; 3 — индукционный нагреватель щелевого типа; 4 — конденсаторные батареи; 5 — транспортирующее устройство; 6 — горизонтально-ковочная машина; 7 — шкаф управления: 8 — расположение тары при работе из коротких заготовок; 9 — транспортер; 10 — расположение тары при работе из относительно длинных заготовок; 11 — манипулятор
П
о второй схеме (рис. 7) штамповочные линии, совмещенные с термическими агрегатами, расположены в поперечном направлении многопролетного здания, а нагревательные установки — по прямой линии вдоль проезда, который примыкает к складу нарезанных заготовок; термические агрегаты примыкают к складу готовой продукции. Такое расположение оборудования (как и по первой схеме) позволяет устанавливать штамповочные прессы и прессы для обрезки облоя на траншейных фундаментах. При этом исключаются межоперационные перевалки полуфабрикатов.
Рис. 6. Схемы поперечного расположения штамповочных прессов в однопролетном здании:
1
— нагревательная установка; 2 — ковочные вальцы; 3 — штамповочный пресс; 4 — пресс для обрезки облоя; 5 — ящик для поковок; 6—ленточный фундамент прессов для обрезки облоя; 7 — ленточный фундамент штамповочных прессов.
По первой и второй схемам штамповочные прессы и прессы для обрезки облоя устанавливают в линиях так, чтобы заготовки и полуфабрикаты в процессе штамповки перемещались через боковые окна.
При поперечном грузопотоке расположение оборудования в штамповочных линиях осуществляется по трем вариантам.
Рис. 7. Схемы поперечного расположения штамповочных линий, совмещенных с термическими агрегатами в многопролетном здании:
1 — индукционный изгреватель: 2 — штамповочный пресс; 3 — пресс для обрезки облоя; 4 — камера для выравнивания температуры у поковок; 5 — закалочная печь; 6 — закалочный бак; 7 — печь для отпуска; 8—камера охлаждения
Наиболее рационально расположение оборудования в штамповочной линии, приведенной на рис. 7, где индукционный нагреватель находится напротив бокового окна штамповочного пресса по оси штампа и нагретая заготовка подается к первому ручью штампа. В этом варианте передача заготовки, полуфабриката и поковки происходит через боковые окна штамповочного и обрезного прессов. Такая схема расположения оборудования в штамповочной линии удобна тем, что операторам не нужно делать лишних поворотов и наклонов корпуса.
Рис. 8. Схемы расположения штамповочных линий с установкой индукционных нагревателей перпендикулярно напольному конвейеру:
1 — штамповочный пресс, 2 — обрезной пресс с боковыми окнами, 3 — индукционный нагреватель; 4 — конвейер
В случаях, когда индукционный нагреватель невозможно расположить по схеме, показанной на рис. 7, их устанавливают перпендикулярно конвейеру, как это показано на рис. 8.
На рис. 9 показана схема штамповочных линий, где индукционные нагреватели расположены так, чтобы нагретая заготовка поступала по лотку на столик, находящийся слева от передней стороны штамповочного пресса. При такой схеме расположения индукционного нагревателя оператор, прежде чем взять нагретую заготовку, должен повернуться влево и наклониться. Кроме того, неудачно расположены обрезные прессы, так как полуфабрикат подается к передней стороне пресса, а не через боковое окно. Хотя на практике и применяется такая схема расположения оборудования в штамповочных линиях, но она менее рациональна, чем схемы, приведенные на рис. 7 и 8. Расстояния между оборудованием и элементами здания приведены в табл. 4
Р
ис. 9. Схемы расположения оборудования в штамповочных линиях с подачей нагретых заготовок со стороны расположения рабочего места:
1 — вибрационный бункер, 2 — индукционный нагреватель, 3 — лоток, 4 — кривошипный штамповочный пресс; 5 — пластинчатый конвейер, 6 — обрезной пресс
Расположение автоматических штамповочных линий и агрегатов. В многопролетных зданиях их размещают относительно оси пролетов в поперечном направлении.
4. Расстояние между оборудованием в линиях штамповочных прессов при поперечном грузопотоке (см. рис. 6 и 7)
| Усилие прессов, тс | Размеры, мм | ||||
| А | а | б | в | г | |
| До 1000 1600—2500 | 7 000 8 000 | 6000 | 2000 | 1000 1500 | 2000 |
| 3150-4000 6300—8000 10 000—12000 | 10 000 12 000 14 000 | 3000 | 2000 2500 3000 | 3000 | |
| 16 000—20000 | 16 000 | 4000 | 4000 | 4000 | |
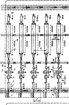
5. Расстояние между оборудованием в линиях вертикальных многопозиционных автоматов «Вагнер» (см. рис. 10)
| Усилие автомата, тс | Размеры, мм | |||||||
| А | а | 6 | в | г | д | е | ж | |
| 400 | 6000 | 800 | 1000 | 1000 | >1500 | 800 | 1500 | 1000 |
| 630 | 8000 | |||||||
| 800 | 1500 | 2000 | 1500 | |||||
| 1250 | 10000 | 1000 | 1500 | 1000 | ||||
| 1600 | 2000 | 2500 | 2000 | |||||
| 2000 | 12000 | |||||||
На рис. 10 приведены схемы расположения штамповочных линий, совмещенных с
термическими агрегатами, основанные на базе многопозиционных прессов типа «Вагнер». Расстояния между оборудованием и элементами здания приведены в табл. 5.
На рис. 11 приведены схемы расположения горизонтальных многопозиционных автоматов. Расстояния между оборудованием и элементами здания приведены в табл. 6.
Р
ис. 10. Схемы расположение автоматических штамповочных линий, основанных на базе вертикальных многопозиционных автоматов типа «Вагнер”
1- механизированный стеллаж и роликовьй транспортер; 2 — шкафы управления; 3 — индукционный нагреватель; 4 — многопозиционный автоматический пресс; 5 — кольцепрокатный стан, 6 — пресс для калибровки; 7 — камера для выравнивания температуры; 8 — агрегат для термической обработки; 9 — шкафы управления, 10 — камера для охлаждения поковок
Рис. 11. Схемы расположения горизонтальных многопознционных автоматов:
1
— механизированный стеллаж и роликовый транспортер; 2 — шкафы управления: 3 — индукционный нагреватель; 4 — горизонтальный многопозиционный автомат; 5 — тара для поковок
6 Расстояние между оборудованием в агрегатах горизонтальных мгогопозиционных автоматов (см. рис. 11)
| Усилия автомата, тс | Paзмеры, мм | ||||
| А | а | 6 | в | г | |
| 200 | 6 000 | 800 | 800 | 4000 | >1500 |
| 800 | 8 000 | ||||
| 1200 | 6000 | ||||
| 1600 | 1000 | 1000 | 1000 | ||
| 2000 | |||||
| 2500 | 12 000 | ||||
Расположение коммуникаций цеха. При проектировании новых цехов с расположением штамповочных линий поперек пролета рекомендуется предусматривать по колоннам вдоль пролетов здания проходные антресоли, под которыми располагаются магистральные трубопроводы сжатого воздуха, производственного водопровода и газа. Силовой бронированный кабель прокладывается открыто вдоль антресолей для удобства обслуживания. Подводка указанных выше энергий к оборудованию осуществляется под полом.















