Курсач доделаный (558038)
Текст из файла
Рассчитаем необходимые сопротивления базового делителя:
Выберем из стандартного ряда сопротивлений R1=5.1[кОм], R2=3.9[кОм]
Оконечный каскад нагружен на сопротивление Rн=200[Ом].
Проводимость нагрузки равна:
Рассчитаем необходимое сопротивление резистора в цепи коллектора.
Выберем из стандартного ряда сопротивлений Rк=68 [Ом].
Рассчитаем эквивалентную проводимость:
Найдем разделительную емкость Ср и емкость в эмиттерной цепи Сэ При уровне частотных искажений
:
Выберем из стандартного ряда емкостей Cp=0.1[мкФ], Сэ=4,7[мкФ]
Рассчитаем развязывающий RC фильтр.
Выберем из стандартного ряда сопротивлений Rф=330[Ом].
Выберем из стандартного ряда емкостей Сф=0,33[мкФ]
Рассчитаем верхнюю и нижнюю частоты каскада:
Нижняя граничная частота:
Верхняя граничная частота:
Покажем график АЧХ каскада на нижней частоте:
Покажем график АЧХ каскада на верхней частоте:
Определим входную проводимость и емкость
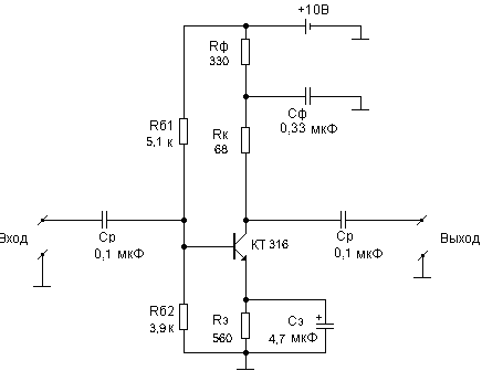
Окончательная схема каскада приведена на рисунке рис. 5.1
Рис. 5.1
6. Расчет первого каскада.
Первый каскад нагружен на оконечный каскад с сопротивлением Rн=1/gвх=1/4,274*10-3= 233.9 [Ом] и емкость Сн=31,91[пФ].
Рассчитаем необходимое сопротивление резистора в цепи коллектора.
Этой проводимости соответствует сопротивление
.
Выберем из стандартного ряда сопротивлений Rк=68[Ом].
Рассчитаем эквивалентную проводимость:
Найдем разделительную емкость Ср и емкость в эмиттерной цепи Сэ:
Выберем из стандартного ряда емкостей Cp=0.1[мкФ], Сэ=4,7[мкФ]
Рассчитаем развязывающий RC фильтр.
Выберем из стандартного ряда сопротивлений Rф=330[Ом].
Выберем из стандартного ряда емкостей Сф=0,33[мкФ]
Рассчитаем верхнюю и нижнюю частоты каскада:
Нижняя граничная частота:
Верхняя граничная частота:
Покажем график АЧХ каскада на нижней частоте:
Покажем график АЧХ каскада на верхней частоте:
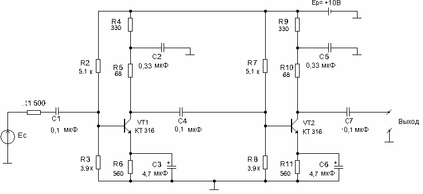
Окончательная схема каскада приведена на рисунке рис. 6.1
Рис. 6.1
Нахождение верхней и нижней граничной частоты
Найдем из графиков нижнюю и верхнюю частоту усилителя по уровню 0,707 для этого перемножим графики АЧХ каскадов:
Нижняя граничная частота:
Верхняя граничная частота:
7. Расчет входной цепи
Коэффициент передачи входной цепи в области средних частот определяется параметрами первого каскада:
Значение параметра
обычно лежит в пределах 0,05…0,2
Коэффициент передачи входной цепи:
Проверим обеспечение коэффициента усиления:
Ko=K1*K2*Koвх=8,66*8,66*0,7=53
Верхняя граничная частота входной цепи в этом случае:
Требуемая верхняя граничная частота входной цепи:
Проверим выполнение неравенства
.
8. Заключение.
В результате выполненной работы был получен широкополосный усилитель с коэффициентом усиления Ko=53 и с нижней граничной частотой
, верхней граничной частотой
- это соответствует с запасом заданию КР. В процессе работы производился анализ различных схем реализации усилительного устройства, расчет его параметров и элементов. В результате была разработана схема усилителя, отвечающая требованиям технического задания.
Список литературы.
1. «Биполярные транзисторы» Справочник / К. М. Брежнева, Е. И. Гантман, Т. И. Давыдова и др. Под ред. Б. Л. Перельмана.- М.: Радио и связь, 1981.- 656 с., ил.
2. «Расчет усилительных устройств» Учебное пособие к практическим занятиям под редакцией Ю.Т. Давыдова. – М.: Издательство МАИ, 1993.
3. «Проектирование широкополосных усилителей» Учебное пособие. – М.: Издательство МАИ. 1992.
4. Расчет усилительных устройств: Методические указания к курсовой работе по усилительным устройствам/ Авт. – сост. Ю.Ю. Мартюшев. – М.: МАИ, 1989. -36 с.: ил.
5. Конспект лекций по курсу «Схемотехника АЭУ» .
22
Характеристики
Тип файла документ
Документы такого типа открываются такими программами, как Microsoft Office Word на компьютерах Windows, Apple Pages на компьютерах Mac, Open Office - бесплатная альтернатива на различных платформах, в том числе Linux. Наиболее простым и современным решением будут Google документы, так как открываются онлайн без скачивания прямо в браузере на любой платформе. Существуют российские качественные аналоги, например от Яндекса.
Будьте внимательны на мобильных устройствах, так как там используются упрощённый функционал даже в официальном приложении от Microsoft, поэтому для просмотра скачивайте PDF-версию. А если нужно редактировать файл, то используйте оригинальный файл.
Файлы такого типа обычно разбиты на страницы, а текст может быть форматированным (жирный, курсив, выбор шрифта, таблицы и т.п.), а также в него можно добавлять изображения. Формат идеально подходит для рефератов, докладов и РПЗ курсовых проектов, которые необходимо распечатать. Кстати перед печатью также сохраняйте файл в PDF, так как принтер может начудить со шрифтами.
















