СНиП 2.06.07-87 (1989) (556929), страница 7
Текст из файла (страница 7)
8. Верх стен шлюзов, направляющих и причальных сооружений или их парапетов, способных воспринимать навал судов, при расчетном наивысшем уровне воды не должен быть ниже верхнего привального бруса наибольшего расчетного судна при полной загрузке и не ниже нижнего привального бруса расчетного судна в порожнем состоянии, а для судов на воздушной подушке и подводных крыльях - при движении их на подушке или крыльях.
Возвышение площадок, расположенных вдоль стен камер шлюзов, причальных и направляющих сооружений над расчетным наивысшим судоходным уровнем воды должно быть для шлюзов на сверхмагистральных водных путях не менее 2 м, магистральных - не менее 1 м; на водных путях местного значения - не менее 0,5 м. В многокамерных шлюзах, имеющих боковые водосливы, это возвышение должно отсчитываться от наивысшего уровня воды в камере, который устанавливается при работе водослива, возвышение сооружений и частей шлюза, входящих в напорный фронт гидроузла, должно соответствовать требованиям, предъявляемым к сооружениям напорного фронта.
9. Ширина площадок, указанных в п. 8, должна назначаться из условий размещения на них различных коммуникаций и обеспечения одностороннего проезда автотранспорта, но не менее 4,5 м.
Допускается уменьшение ширины площадок до 2 м для шлюзов на сверхмагистральных водных путях при условии обеспечения подъезда автотранспорта к каждой голове шлюза, а также шлюзов на водных путях местного значения, если на них не предусматривается заезд автотранспорта.
Ширина площадок причальных линчи должна быть не менее 2 м.
10. Габарит по высоте в пределах площадок для проезда автомашин должен приниматься не менее 4,5 м, для прохода людей - не менее 2,5 м.
11. На стенах камер и голов шлюза с лицевых сторон должны быть устроены парапеты высотой не менее 1,1 м, рассчитанные на навал судна, или охранные ограждения, отнесенные от лицевой грани на расстояние, исключающее навал на них судов.
Верхней части лицевой грани стен или парапетов должно быть придано очертание, исключающее зависание судна привальным брусом, а кордон должен быть облицован металлом.
ПРИЛОЖЕНИЕ 4
Обязательное
ТРЕБОВАНИЯ К КОМПОНОВКЕ ШЛЮЗОВ В ГИДРОУЗЛАХ И НА СУДОХОДНЫХ КАНАЛАХ
1. Шлюзы а составе гидроузла на сверхмагистральных и магистральных водных путях, а также на судоходных каналах, как правило, должны быть однокамерными. Многокамерные шлюзы и шлюзы с разъездными бьефами допускаются при надлежащем обосновании.
2. Подходные каналы шлюзов, сопрягаемые с руслом реки, водохранилищем или каналом, следует проектировать с учетом возможных переформирований русла, исключения заиления входа и попадания в него льда и шуги.
Входы в подходные каналы из реки следует, как правило, располагать на вогнутом, прижимном берегу.
3. В районе сопряжения подходных каналов шлюзов с рекой или водохранилищем наибольшие продольные скорости течения недолжны превышать 2,5 м/с для сверхмагистральных и магистральных водных путей и 2 м/с - для водных путей местного значения; а подходных каналах продольные скорости должны быть не более 0,8 м/с. Нормальная к оси судового хода составляющая скорости течения для водных путей всех категорий в районе входа в подходные каналы должна быть не более 0,4 м/с, непосредственно в створе входа и в самом канале не должна превышать 0,25 м/с, а в пределах причальных стенок на ширине 1,5bs от лицевой грани причала и глубине, равной осадке расчетного судна, как правило, отсутствовать полностью.
Скорости течения воды в районе сопряжения каналов с водохранилищем или рекой не должны превышать допускаемых скоростей при наиболее неблагоприятном для судоходства гидравлическом режиме работы гидроузла.
4. При отсутствии данных о скорости течения воды для предварительного проектирования направление судового хода при выходе подходного канала в реку или водохранилище допускается назначать под углом к основному течению на этом участке, не превышающем:
на сверхмагистральных и магистральных
водных путях ......................25°
на водных путях местного значения ...... 30°
5. В составе гидроузлов шлюзы следует располагать, как правило, в нижнем бьефе. Расположение однокамерных или верхней камеры многокамерных шлюзов в верхнем бьефе гидроузла допускается при надлежащем обосновании, при неблагоприятных инженерно-геологических и топографических условиях в нижнем бьефе или по условиям, диктуемым транспортной магистралью, пересекающей судоходные сооружения.
Черт. 1. Схема судоходного шлюза с подходами
1 - ось судового хода; 2 - шлюз; 3 - радиусы поворота судна
6. Судоходная трасса шлюза (черт. 1 ) должна быть прямолинейной на участке длиной не менее величины 1,1, определяемой по формуле
где ll - длина шлюза, включая головы;
la - длина верхнего (нижнего) участка подхода, определяемая по обязательному приложению 5;
ls - длина расчетного судна.
Длину прямолинейного участка lst допускается уменьшать в пределах участков верхнего и нижнего подходов по согласованию с Минречфлотом РСФСР или управлениями речного флота союзных республик на величину не более 2ls.
7. Ось прямолинейного участка подходного канала должна сопрягаться с осью судового хода в канале или водохранилище по кривой, очерченной радиусом r (радиус поворота судна), который должен быть не менее пяти длин расчетного судна или трех длин расчетного толкаемого состава.
8. Мостовые переходы транспортных магистралей пересекающие шлюзы, следует устраивать, как правило, через нижнюю или одну из средних (для многокамерного шлюза) голов.
9. Участки каналов на длине подхода к шлюзу la должны иметь ограждения во всех случаях, когда высота поперечной и косой (с углом более 45° ) ветровой волны у причалов шлюзов может быть более 0,6м с расчетной обеспеченностью по суммарной продолжительности в навигационный период для водных путей, %:
сверхмагистральных и магистральных ......... 2
местного значения .................. 5
10. Прямолинейный участок между двумя шлюзами, располагаемыми последовательно на судоходном канале (черт. 2, а), должен быть по условиям расхождения судов не менее величины lc1, определяемой по формуле
где l1,l2,l3 - длины участков, определяемые согласно требованиям обязательного приложения 5.
При размещении двух шлюзов на криволинейном участке канала (черт. 2, б) расстояние между ними должно быть не менее величины lc2, определяемой по формуле
где ls, - длина расчетного судна;
lr, - длина криволинейной вставки, очерченной радиусом г.
Черт. 2. Схема размещения последовательно располагаемых шлюзов на судоходном канале
а - на прямолинейном участке; б - на криволинейном участке канала
11. В местах расположения на подходах к шлюзам сосредоточенных заборов или выпусков воды из других гидротехнических сооружении должно быть предусмотрено уширение подходов, которое назначается в зависимости от величины дрейфа, испытываемого судном под влиянием поперечного течения, скорости которого при наинизшем судоходном уровне не должны превышать 0,25 м/с. Сопряжение уширенного и нормального сечений канала выполняется плавно на длине не менее 20 уширений в каждую сторону от границ водосбросных (водозаборных) сооружений.
ПРИЛОЖЕНИЕ 5
Обязательное
ТРЕБОВАНИЯ К ГАБАРИТАМ И КОМПОНОВКЕ ПОДХОДОВ К ШЛЮЗАМ
1. Размеры и очертания подходов к шлюзам в плане должны обеспечивать расхождение шлюзуемых судов при двустороннем движении. На период временной эксплуатации шлюза при строительстве гидроузла допускается устройство подходов для одностороннего движения с разъездами или без них при условии обеспечения необходимой пропускной способности.
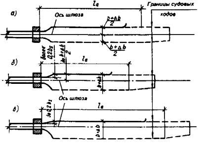
2. Подходы к шлюзам по взаимному расположению их оси и продольной оси шлюза подразделяют на следующие:
симметричные (черт. 1,а) - оси подходного канала и шлюза совпадают;
Черт. 1. Схема подходных каналов к шлюзу
а - симметричный; б - полусимметричный; в - несимметричный
полусимметричные (черт. 1, б) - ось подходного канала смешена относительно оси шлюза в сторону от причальной линии таким образом, что расстояние между лицевой гранью устоев головы шлюза и причальной линией находится в пределах от 0,2 расчетной ширины судна до расстояния, соответствующего симметричному подходу;
несимметричные (черт. 1, в) - ось подходного канала расположена по отношению к оси шлюза так, что причальная линия продолжает лицевую грань устоев головы шлюза или смещена от нее на расстояние не более 0,2 расчетной ширины судна.
3. Ширину судового хода подходных участков с прямолинейным движением на уровне расчетной осадки при наинизшем расчетном судоходном уровне следует принимать не менее величины b, определяемой по следующим формулам:
для однониточных шлюзов
b = 1,3(bs1 + bs2); (1)
для двухниточных шлюзов
b = 1,3(bs1 +bs2 + bs3), (2)
где bs1,bs2,bs3 - ширины расходящихся расчетных судов.
Ширину судового хода подходных участков двухниточных шлюзов следует принимать не менее расстояния между лицевыми гранями внешних стен камер смежных шлюзов.
В подходном канале двухниточного шлюза при размещении причальной линии на продолжении межкамерного пространства ширина судового хода к каждой нитке определяется как для однониточного шлюза из условия обеспечения расхождения двух судов.
4. Расчетная глубина судового хода подходных каналов при расчетном наинизшем судоходном уровне должна приниматься не менее 1,3 статической осадки расчетного судна в полном грузу.
При надлежащем обосновании допускается учитывать дополнительно запас на заносимость подходов.
5. Длина верхнего (нижнего) участка подхода (черт. 2), в пределах которого предусматривается расхождение встречных судов, должна быть не менее величины la, определяемой по формуле
la = l1+l2+l3, (3)
где l1 - длина участка, равная 0,5 ls;
l3 - длина участка, равная
;
l2 - длина участка, на котором судно при встречном движении переходит с оси шлюза на ось судового хода в канале, определяемая по формуле
здесь ls - длина расчетного судна;
r - радиус траектории центра тяжести судна (радиус поворота судна), принимаемый не менее трех длин расчетного судна;
с - смешение оси судового хода в канале относительно оси шлюза при выходе или входе судна.
Величина смещения c определяется по формулам:
при симметричном подходе
с = 0,6bs+0,5Db; (5)
при полусимметричном подходе
с = 1,9bs+0,5Db-am, (6)
для подхода, в котором
0,75bs <am £ 1,Зbs + 0,25Db,
и с = am -0,7bs (7)
для подхода, в котором
1,3bs + 0,25Db <аm < 1,3bs + 0,5Db;
















