Лабораторная работа (555336)
Текст из файла
Лабораторная работа №
«Исследование апериодического усилителя непрерывных сигналов.»
Работу выполнили студенты группы Рк-204: Тарасов Иван, Иванов Алексей, Миронов Сергей, Диаз Николай.
Цель работы: Теоретическое и экспериментальное исследование мало сигнального транзисторного апериодического усилителя. Условие малости сигнала позволяет ограничиться изучением линейных искажений возникающих при усилении
Применялся лабораторный макет №2
Задание: 1) Снять и построить амплитудные характеристики усилителя при двух значениях нагрузки, построить графики и определить по ним коэффициенты усиления К0. Выбрать амплитуду сигнала для последующих измерений (в близи середины линейного участка).
2) Экспериментально исследовать влияние различных элементов (сопротивления нагрузки, емкости разделительного конденсатора, емкости в цепи эмиттера, емкости нагрузки, емкости фильтра) усилителя на частотную характеристику (АЧХ). По результатам эксперимента на одном графике построить нормированные АЧХ, определить граничные частоты и их зависимость от значений элементов схемы усилителя.
Структурная схема установки
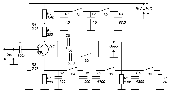
Принципиальная схема макета
-
Fвх=10 кГц
| Uвх, V | 0 | 0,005 | 0,01 | 0,015 | 0,02 | 0,025 | 0,03 | 0,035 | 0,04 | 0,045 | 0,055 | 0,06 | 0,06 | 0,09 | 0,1 |
| П1 | 0 | 0,66 | 0,72 | 0,92 | 1,2 | 1,33 | 1,45 | 1,45 | 1,5 | 1,56 | 1,6 | 1,61 | 1,62 | 1,67 | 1,7 |
| П2 | 0 | 0,32 | 0,5 | 0,54 | 0,63 | 0,68 | 0,71 | 0,76 | 0,79 | 0,81 | 0,83 | 0,84 | 0,87 | 0,94 | 0,96 |
Таким образом, видно, что при уменьшении сопротивления нагрузки коэффициент усиления снижается.
Линейный участок начинается на уровне Uвх= В
К1=
2. Uвх=200mV
| F, кГц | 0,02 | 0,05 | 0,1 | 0,2 | 0,5 | 1 | 2 | 10 | 200 | |
| Uвых, мили В | Cф ↓ | 35 | 120 | 270 | 440 | 520 | 480 | |||
| Cэ ↓ | ||||||||||
| Cр ↓ | ||||||||||
| Cп ↑ | ||||||||||
| Rп ↑ | ||||||||||
Граничные частоты:
| Uвых.гр.=Umax*0.7 | Fгр (кГц) | |
| Cф ↓ | ||
| Cэ ↓ | ||
| Cр ↓ | ||
| Cп ↑ | ||
| Rп ↑ |
Характеристики
Тип файла документ
Документы такого типа открываются такими программами, как Microsoft Office Word на компьютерах Windows, Apple Pages на компьютерах Mac, Open Office - бесплатная альтернатива на различных платформах, в том числе Linux. Наиболее простым и современным решением будут Google документы, так как открываются онлайн без скачивания прямо в браузере на любой платформе. Существуют российские качественные аналоги, например от Яндекса.
Будьте внимательны на мобильных устройствах, так как там используются упрощённый функционал даже в официальном приложении от Microsoft, поэтому для просмотра скачивайте PDF-версию. А если нужно редактировать файл, то используйте оригинальный файл.
Файлы такого типа обычно разбиты на страницы, а текст может быть форматированным (жирный, курсив, выбор шрифта, таблицы и т.п.), а также в него можно добавлять изображения. Формат идеально подходит для рефератов, докладов и РПЗ курсовых проектов, которые необходимо распечатать. Кстати перед печатью также сохраняйте файл в PDF, так как принтер может начудить со шрифтами.















