Заполненная лабораторная работа №1 (542151)
Текст из файла
Московский Энергетический Институт
(технический университет)
Кафедра электротехники и интроскопии
Лабораторно-практическое занятие № 1.
Изучение особенностей генераторов
постоянного тока.
| Группа: | ФП-05-03 |
| Студент: | Лежнев А.С. |
| Бригада: | ____________ |
| К работе допущен: | ____________ |
| Работу выполнил: | ____________ |
| Работу сдал: | ____________ |
МОСКВА 2005
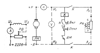
Цель работы: изучение основных эксплуатационных особенностей генератора постоянного тока в зависимости от способа его возбуждения.
Объект изучения: В работе исследуется генератор постоянного тока П-32, работающий при токе якоря 10-12 А и напряжении 160-190 В. якорь генератора приводится во вращение асинхронным двигателем.
Внутренняя хар-ка :
Холостой ход.
| Iхх, А | 0 | 0.1 | 0.2 | 0.3 | 0.4 | 0.6 | 0.8 | 1.0 |
| Е(Iв), В | 0 | 25 | 48 | 62 | 79 | 96 | 105 | 111 |
Iв = 0.8 А
| 1 | 2 | 3 | 4 | 5 | 6 | 7 | |
| U,В | 105 | 101 | 99 | 95 | 90 | 87 | 82 |
| I,А | 0 | 0.4 | 1.18 | 1.8 | 2.4 | 2.9 | 3.4 |
Iв = 0.4 А
| 1 | 2 | 3 | 4 | 5 | 6 | 7 | |
| U,В | 75 | 73 | 71 | 70 | 69 | 67 | 63 |
| I,А | 0 | 0.3 | 0.85 | 1.38 | 1.8 | 2.25 | 2.65 |
Внешняя хар-ка (цепь с параллельным возбуждением).
| Iя, А | 0 | 0.38 | 1 | 1.46 | 2 | 2.39 | 2.7 |
| Iв, А | 0.66 | 0.64 | 0.59 | 0.56 | 0.52 | 0.49 | 0.46 |
| U, B | 95 | 91 | 87 | 80 | 75 | 70 | 65 |
Характеристики
Тип файла документ
Документы такого типа открываются такими программами, как Microsoft Office Word на компьютерах Windows, Apple Pages на компьютерах Mac, Open Office - бесплатная альтернатива на различных платформах, в том числе Linux. Наиболее простым и современным решением будут Google документы, так как открываются онлайн без скачивания прямо в браузере на любой платформе. Существуют российские качественные аналоги, например от Яндекса.
Будьте внимательны на мобильных устройствах, так как там используются упрощённый функционал даже в официальном приложении от Microsoft, поэтому для просмотра скачивайте PDF-версию. А если нужно редактировать файл, то используйте оригинальный файл.
Файлы такого типа обычно разбиты на страницы, а текст может быть форматированным (жирный, курсив, выбор шрифта, таблицы и т.п.), а также в него можно добавлять изображения. Формат идеально подходит для рефератов, докладов и РПЗ курсовых проектов, которые необходимо распечатать. Кстати перед печатью также сохраняйте файл в PDF, так как принтер может начудить со шрифтами.
















