37-54 (540716), страница 4
Текст из файла (страница 4)
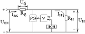
На структурных схемах:
-
РЭ – регулирующий элемент;
-
У – усилитель постоянного тока;
-
RH – нагрузка;
-
ИОН – источник опорного напряжения, т.е. это источник неизменного во времени и с широком интервале температур напряжение;
-
RБ – баластный резистор.
Общий принцип действия стабилизатора напряжения заключается в воздействии на РЭ управляющей схемы, состоящей из усилителя У и источника ИОН. В функцию усилителя входит усиление разности напряжения на RH и ИОН и подача усиленного сигнала на РЭ.
В схеме параллельного стабилизатора напряжения (СН) стабилизация напряжения на нагрузке осуществляется, как и в параметрическом СН, путем изменения напряжения на RБ за счет изменения тока РЭ. При неизменном входном напряжении постоянству напряжения нагрузки соответствует постоянство напряжения на RБ. Изменению тока нагрузки от 0 до IHmax соответствует изменение тока РЭ от IHmax до 0.
В схеме последовательного СН стабилизация напряжения на нагрузке осуществляется изменением напряжения на РЭ, т.е изменением сопротивления РЭ, а ток РЭ равен IH.
Наличие РЭ в обеих схемах СН обуславливает потери энергии в них. Сравним эти схемы по КПД, исходя из одинаковых условий работы по UBX, UН и IH, а также учитывая, что потеря энергии в усилителе и ИОН значительно меньше, чем в RБ и РЭ. Для параллельного СН определяющими являются потери в RБ и РЭ, т.е.
Для последовательного СН определяющими являются потери в РЭ:
, т.е. на величину UBXIP меньше, чем в схеме параллельного СН.
Т.о., КПД последовательных СН существенно выше, чем параллельных. В связи с этим последовательные СН нашли большее распространение. Достоинством параллельных СН является их некритичность к перегрузкам по току и КЗ в нагрузке. В настоящее время разработано большое количество схем электронной защиты от КЗ и перегрузок для последовательных СН.
50. Простейший транзисторный стабилизатор.
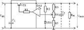
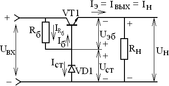
Схема простейшего последовательного компенсационного СН имеет вид:
В этой схеме роль ИОН выполняет стабилитрон VD1, а роль сравнивающего РЭ выполняет транзистор VT1. Выходное напряжение UH = UCT – UЭБ.
эквивалентная схема
При отсутствии дестабилизирующих факторов транзистор работает в активном режиме, напряжение UЭБ составляет 0,1 – 0,3 В для германиевых и приблизительно 1В для кремниевых транзисторов, т.е. UH приблизительно равно UCT.
Принцип действия СН следующий:
Пусть UH уменьшилось. В этом случае напряжение UЭБ, равное UСТ - UH, увеличивается, ток базы повышается, UКЭ уменьшается на столько, что UH увеличивается до первоначального значения.
Аналогично работает схема при повышении UH.
Параметры СН определим с помощью его схемы замещения.
1. выходное сопротивление – оно равно выходному сопротивлению эмиттерного повторителя и при достаточно больших rK и RБ составляет:
.
2. коэффициент стабилизации по напряжению можно рассчитать по следующей приближенной формуле:
.
Отношение
, где
- коэффициент использования входного напряжения. С его учетом получаем:
. И для рассмотренной схемы КСТ U приблизительно равняется от 150 до 300.
Для реальных схем IRБ << IH, поэтому
. Величина сопротивления RБ рассчитывается по формуле:
.
51. Построение регулирующих элементов ПСН.
Рассмотренная схема простейшего ПСН используется на токе нагрузки до 300мА. При больших токах нагрузки возникают трудности получения больших коэффициентов стабилизации, т.к. приходится уменьшать сопротивление RБ, а коэффициент
(мощность транзисторов) сравнительно мал.
Усиление тока УПТ (усилитель постоянного тока) достигается применением составных транзисторов.
IБ VT1:
Эта схема имеет недостаток, заключающийся в достаточно большом напряжении UКЭ3: UКЭ3 = UКЭ1 + UБЭ2 + UБЭ3, что обуславливает большие потери в транзисторе VT3.
Для уменьшения этих потерь применяют схему симметричного РЭ:
Для симметричного РЭ: UКЭ3 = UКЭ1 + UБЭ2 может достигать минимального значения в 1 – 1,5 В, чем достигается значительное повышение КПД ПСН по сравнению с несимметричной схемой РЭ.
52. Стабилизаторы напряжения на основе ОУ.
Высокие качественные показатели имеют ПСН, в качестве УПТ которых применены ОУ в интегральном исполнении. Улучшение параметров ПСН при применении в них ОУ обуславливается высоким коэффициентом усиления ОУ и глубокой ООС, охватывающей стабилизатор.
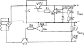
Принципиальная схема ПСН на основе ОУ имеет вид:
РЭ выполнен на транзисторе VT1, в качестве УПТ применен ОУ DA1.
Неинвертирующий вход ОУ подключен к параметрическому стабилизатору на резисторе R2 и стабилитроне VD1, служащему источником опорного напряжения. С делителя R3, R4, R5 снимается часть выходного напряжения, которое в ОУ сравнивается с опорным напряжением. Выход ОУ подключен к базе VT1, включенного по схеме с ОК, что обуславливает более низкое выходное сопротивление ПСН, чем при включении VT1 по схеме с ОЭ.
Резистор R1 служит для ограничения выходного тока ОУ, а с помощью резистора R4 можно регулировать выходное напряжение ПСН.
На входе стабилизатора включается конденсатор С1 большой емкости для сглаживания пульсации входного напряжения при условии питания его от выпрямителя.
Работа приведенной схемы осуществляется следующим образом: потенциал эмиттера VT1 равен выходному напряжению, следовательно, для нормальной работы транзистора VT1 потенциал его базы должен быть выше на 0,6 – 1 В, чем выходное напряжение. В результате питание ОУ должно быть на 2 – 3 В больше потенциал базы и на 3 – 5 В больше выходного напряжения. Поэтому плюс питания ОУ подключен не к стабилизированному плюсу выходного напряжения, а к плюсу входного напряжения, которое также должно быть выше выходного на 3 –5 В, что обуславливает достаточно большие потери на РЭ.
Вторая причина подключения «+» питания ОУ не к «+» выходного напряжения заключается в том, что при этом стабилизатор не запустится, т.к. без питания ОУ не выдает выходного напряжения и транзистор VT1 остается запертым. В номинальном режиме, когда выходное напряжение равно заданному, напряжение между выходами ОУ приблизительно равно 0. предположим, что выходное напряжение по какой-либо причине уменьшилось. Напряжение на неинвертирующем входе, равное напряжению стабилизации VD1, останется практически неизменным, а на инвертирующем входе уменьшится, т.е. его потенциал станет ниже потенциала на неинвертирующем входе.
Отрицательное приращение напряжения на инвертирующем входе усиливается операционным усилителем и инвертируется, поэтому изменение выходного напряжения ОУ имеет положительный знак, т.е. потенциал базы VT1 увеличивается, токи базы, коллектора, эмиттера возрастают, UКЭ падает, а выходное напряжение стабилизатора увеличивается до прежнего заданного значения.
Аналогично происходит стабилизация выходного напряжения при его повышении, только приращения токов и напряжений имеют противоположный знак. Для дополнительного сглаживания пульсаций параллельно делителю R3 – R5 устанавливают конденсатор емкостью в несколько десятков мкФ. Из условия U0 = 0 в номинальном режиме работы ПСН найдем величину выходного напряжения:
Из схемы ПСН видно, что регулирование выходного напряжения не может быть ниже UОП, т.к. в этом случае VD1 перестанет стабилизировать напряжение.
53. Двухполярные ПСН на основе ОУ.
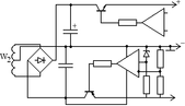
Для питания ОУ и устройств на них применяются, как правило, двухполярное напряжение. Для его получения могут использоваться 2 одинаковых ПСН, построенных по рассмотренной схеме:
Для такого сдвоенного ПСН необходимы потенциально развязанные обмотки трансформатора и 2 выпрямительных моста, т.е. аппаратурные затраты достаточно велики. Несколько снизить их позволяет построение второго ПСН по схеме стабилизации минусовой шины питания.
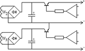
В таком ПСН стабилизация напряжений положительной и отрицательной полярностей осуществляется независимо, т.к. при снижении одного из напряжений второе остается неизменным. Такое регулирование имеет недостаток: в этом случае общая шина перестает быть средней точкой выходного напряжения, т.е. половиной общего суммарного выходного напряжения. От такого недостатка избавлены ПСН, построенные по схеме «ведущей – ведомой». Такая схема имеет меньшие аппаратурные затраты и позволяет одним переменным резистором регулировать одновременно обе полярности выходного напряжения.
Эта схема отличается от предыдущей тем, что у нижнего по схеме ведомого ПСН отсутствует ИОН, а делитель в цепи инвертирующего входа состоит из двух одинаковых по величине резисторов, включенных на полное выходное напряжение. В номинальном режиме потенциал средней точки делителя R7 – R8 будет равен потенциалу общей шины, т.е. 0. Т. о., UДИФ2 = U02 = 0. При уменьшении отрицательного UВЫХ2 потенциал инвертирующего входа DA2 становится положительным. Это напряжение усиливается и инвертируется, поэтому UВЫХ DA2 становится более отрицательным; токи базы, коллектора, эмиттера увеличиваются, UКЭ VD2 падает, а UВЫХ увеличивается до номинального значения.
При уменьшении положительного UВЫХ1 из-за внешних факторов или за счет регулировки резистором R4 потенциал средней точки делителя R7 – R8 становится отрицательным. Это напряжение усиливается и инвертируется ОУ DA2. его выходное напряжение становится более отрицательным. В результате UБЭ2 падает, его токи базы, коллектора, эмиттера уменьшаются, а UКЭ2 возрастает до тех пор, пока потенциал средней точки делителя R7 – R8 не станет равным 0. это произойдет при UВЫХ1 = UВЫХ2.















