37-54 (540716), страница 2
Текст из файла (страница 2)
Далее процессы повторяются
Частота импульсов СМВ:
Процесс перезаряда конденсатора С через резистор R под действием источника напряжения в интервале [ t1; t2 ] описывается уравнением:
(2) , где
- постоянная времени перезаряда конденсатора С.
Подставляем значения напряжений в формулу (2):
Учтем, что в момент времени t2:
, найдем длительность импульса tИ = t2 – t1:
Для большинства ОУ UВЫХ- = UВЫХ+, тогда:
Регулирование частоты СМВ может осуществляться изменением сопротивления резистора R или изменением величины
.
42. Несимметричный мультивибратор на основе ОУ.
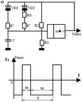
Он характеризуется тем, что длительность импульса не равна длительности паузы. Это достигается введением различных постоянных времени перезаряда во время импульса и паузы. Схема несимметричного мультивибратора и диаграмма его выходного напряжения имеет вид:
Различные постоянные времени получаются при введении неодинаковых по величине резисторов
и
, тогда при «+» полярности UВЫХ открыт диод VD1 и постоянная времени равна
, а при «-» полярности ток приводит диод VD2 и
. UВЫХ при
<
имеет вид, приведенный на рис. е. Длительности tП и tИ вычисляются по уравнению (7) с подстановкой
и
соответственно, а частота по формуле:
. Регулировка скважности импульсов может осуществляться установкой переменного резистора вместо
(на рис. д пунктиром). При этом tИ = const.
Дополнительный резистор RД необходим для ограничения выходного тока DA1 при
= 0. Регулирование скважности при постоянной частоте импульсов может осуществляться по схеме(Ж):
43. Одновибраторы на основе ОУ.
Одновибратором (ОВ) называется генератор импульсов прямоугольной формы с двумя состояниями, одно из которых неустойчивое, а другое – устойчивое.
Исходное состояние – устойчивое, в нем ОВ может находиться сколь угодно долго, поэтому его называют режимом ожидания, а ОВ еще и ждущим МВ (мультивибратором).
В неустойчивое состояние ОВ переходит при воздействии внешнего короткого запускающего импульса и находится в этом состоянии в течение длительности импульса tИ, определяющегося параметрами внешних навесных элементов (резисторов и конденсаторов), затем ОВ вновь переходит в устойчивое состояние. Наиболее распространенная схема ОВ и диаграммы его работы имеют вид:
Основой этой схемы служит схема по рис. а, который параллельно конденсатору С подключен к диоду VD1, за счет чего и создается ждущий режим работы. Для указанной на рис. з полярности подключения диода VD1 запускающий импульс должен быть «+» полярности.
В исходном состоянии напряжение на выходе ОУ равно – UВЫХ, поэтому:
А напряжение UС равно падению напряжения на открытом диоде, т.е. UС приблизительно равно 0.
При подаче в момент времени t1 запускающего импульса «+» полярности, ОУ переводится в состояние с UВЫХ = UВЫХ+, в этом случае
, а конденсатор С начинает заряжаться через резистор R с полярностью, уже указанной на рис. з.
Напряжение UС асимптотически стремится к величине UВЫХ+, но при малейшем повышении им напряжения UR1 схема переходит в устойчивое состояние с напряжением на выходе ОУ UВЫХ = - UВЫХ-. Под воздействием этого напряжения конденсатор С разряжается до нуля в интервале времени [t2 , t3 ], называемым временем восстановления tВ в исходное состояние. В течение длительности tИ напряжение UС изменяется по формуле:
В момент времени t2, т.е. по окончании импульса,
, откуда находим длительность импульса:
В течение интервала [t2, t3] UС изменяется по формуле (2), где
, а
, откуда:
В момент времени t3, UС(t3) = 0, откуда:
При UВЫХ+ = UВЫХ- , получим:
Сравним формулы (13) и (16), в них:
Для сокращения tB параллельно резистору R вводят цепочку
VD2 и в этом случае
(разряда):
или вводят транзистор, параллельно конденсатору С вместо диода VD1.
44. Блокинг-генераторы.
Блокинг-генераторы предназначены для формирования импульсов тока прямоугольной формы, относительно большой величины (до 2А) и малой длительности (от единиц мкс до нескольких сотен). Они применяются в схемах развертки электронного луча по экрану электронно-лучевых приборов, в схемах формирования управляющих импульсов тиристорами и т.д.
Блокинг-генератор представляет собой однокаскадный усилитель, охваченный глубокой ПОС с помощью импульсного трансформатора. Выходной импульс формируется при насыщенном состоянии транзистора, в котором он удерживается в течение длительности импульса цепью ПОС.
Срез импульса формируется при выходе транзистора из насыщения вследствие уменьшения тока базы, либо из-за увеличения тока коллектора. В соответствии с этим различают две разновидности блокинг-генераторов: с времязадающим конденсатором в цепи ПОС и с насыщающимся трансформатором. Наибольшее распространение нашел блокинг-генератор с конденсатором в цепи ОС, схема которого имеет вид:
Транзистор VT1 включен по схеме с ОЭ, ПОС осуществляется через вторичную базовую обмотку WБ с коэффициентом трансформации nБ = WK / WБ, конденсатор С и резистор R, ограничивающие ток базы. Резистор RБ необходим для создания цепи перезаряда конденсатора С и задания IБ в режиме покоя. Выходной сигнал снимается либо с коллектора VT1, либо, в случае необходимости потенциального разделения генератора и нагрузки, или изменения величины напряжения на RH, с нагрузочной обмотки WH, связанной с WК коэффициентом трансформации: nН = WK / WН. Диод VD1 необходим для исключения попадания на нагрузку напряжения «-» полярности, возникающего при выключении транзистора. Диод VD2 и резистор R1 защищают транзистор VD1 от перенапряжений.
Диаграммы работы блокинг-генераторов:
На интервале времени [t0, t1 ] транзистор закрыт, перенапряжение на его коллекторе равно –EK, напряжения на обмотках равны 0. этот режим транзистора определен запирающим напряжением на конденсаторе С, возникающим на нем во время формирования импульса. До момента t1 конденсатор перезаряжается от цепи. Общая шина +ЕК, обмотка WБ, С, R и – (- ЕК ). В момент времени t1 UC приблизительно = 0 и начинается отрывание VT1. из-за наличия ПОС процесс отпирания VT1 протекает лавинообразно и называется процессом регенерации или прямым блокинг-процессом. В момент времени t1 напряжение UБЭ становится отрицательным и начинают протекать токи базы и коллектора, а UКЭ уменьшается по абсолютной величине, появляется напряжение на коллекторной обмотке WK, оно трансформируется в WБ. За счет позировки обмоток (рис.а) на WБ формируется напряжение, вызывающее увеличение IБ. Его рост вызывает увеличение IК, уменьшение UКЭ и увеличение UW k и UWб. Процесс заканчивается в момент времени t2 переходом транзистора VT1 в режим насыщения.
Для развития регенеративного процесса необходимо выполнить условие насыщения транзистора, т.е.
(1).
Ток IK равен сумме приведенных к коллекторной обмотке трансформатора токов базы и нагрузки:
На этапе регенерации
, где UW k – напряжение на WК, rBX – входное сопротивление транзистора, а
. Подставим (2) в (1), с учетом формул для IБ и IН и найдем условие, необходимое для развития прямого блокинг-процесса:
Длительность фронта импульса, tФ = t2 – t1 в блокинг-генераторе составляет доли микросекунды. В течение интервала [t2, t3 ] = tИ транзистор находится в насыщении, т.е.
, а IК , протекающий через WK, равен сумме трех составляющих: приведенного к коллекторной обмотке тока нагрузки
и тока базы
, а также тока намагничивания
, т.е.
(4).
обусловлен приложенным к обмотке напряжением EK формой петли гистерезиса сердечника и индуктивностью LK обмотки WK. Величину LK выбирают так, чтобы амплитуда
. При этом
изменяется почти по линейному закону, что обуславливает постоянство величины UH в течение tИ. В интервале tИ конденсатор С заряжается от цепи +WБ – общая шина – эмиттерный переход VT1 – С – R – (- WБ ).
IБ убывает по экспоненциальному закону. Длительность импульса зависит от величин R, rBX, C, nБ,
.
В момент времени t3 транзистор выходит из насыщения, а в интервале [t3; t4 ] = tСРЕЗА приблизительно = tФРОНТА развивается обратный блокинг-процесс, заканчивающийся запиранием транзистора. Закрытое состояние поддерживается запирающим напряжением конденсатора С, прикладывающимся через R и WБ к VT1.
При запирании VT1 на WK возникает ЭДС самоиндукции, препятствующее уменьшению
, диод VD2 открывается и энергия, запасенная в магнитном поле импульсного трансформатора рассеивается на R1.
Ток
уменьшается с постоянной времени LK / R1 и в момент времени t5 становится равным 0. величина выброса напряжения на WK:
. Величину R1 выбирают небольшой порядка десятков Ом из соображения снижения UВЫБР.
Без цепи VD2 – R1 UВЫБР достигает нескольких десятков Вольт. Транзистор вновь открывается, когда UC приблизительно = 0.















