18-36 (540714), страница 3
Текст из файла (страница 3)
28. Многокаскадные усилители с R-C связью. Схема двухкаскадного усил-ля с R-C связью на тр-рах, включенных по схеме с ОЭ
Резисторы Rэ предназначены для термостабилизации каска-дов. Их шунтирование конденсаторами Cэ не позволяет умен-ся коэф-ту усиления по перем току. Схема задания потенциала базы с помощью делителя напряж-я (R1,R2) наз-ся схемой с фиксир-ым потенциалом базы. Расчет эл-тов усил-ля ведется из условия обеспечения требуемых значений Ki, Ku, Rвх, Rвых, коэф-т нелин-ых искажений Кг в заданной полосе частот делителя от fн до fв при заданных коэф-ах частотных искажений Мн и Мв. Величины емкостей разделительных конденсаторов Ср1, Ср2, Ср3 и конд-ров в цепях эмм-ов Сэ1, Сэ2 выбираются такими, чтобы в полосе рабочих частот их сопротивление было очень мало и им можно было пренебречь. В общем случае включение разделит-ых конд-ов приводит к снижению коэф-та усиления в обл-ти НЧ(низких частот). С умен-ем частоты усиливаемого сигнала, сопрот-е конденсаторов Сэ увел-ся. Это приводит к появлению заметного падения напряж-я от перем-ой составляющей тока, являющимся напряж-ем ООС(отрицательной обратной связи), что снижает Кu усил-ля. В обл-ти ВЧ(высоких частот) необходимо учитывать снижение β с увел-ем частоты, умен-ие емкостного сопрот-я колл-го перехода, а также емкость нагрузки Сн. АЧХ(амплитудно-частотная характеристика) усил-ля с RC связью имеет вид
Rвх многокаскадного усил-ля опр-ся Rвх одного каскада, Rвых – Rвых последнего. Коэф-т усил-я частотных и нелинейных искажений усил-ля находятся как произведение этих пар-ов всех каскадов.
29. Усилители постоянного тока (УПТ). УПТ предназначены для усиления медленно изменяющихся во времени сигналов, частота к-ых м/б близка к нулю. Поэтому в УПТ связь м/у каскадами осущ-ся непоср-но или элементами, обеспечивающими связь по пост-му току. АЧХ(амплитудно-частотная характеристика) УПТ имеет вид:
Отсутствие в УПТ разделительных конденсаторов или трансформаторов приводит к тому, что все изменения пост-го напряж-я на выходе одного каскада, воспринимаются и усиливаются всеми последующими каскадами. В рез-те внеш-го и внут-го фактор, вызывающий изменения пост-ых потенциалов на входе усил-ля, может создать на его выходе эффект равноценный действию полезного сигнала. Самопроизвольное отклонение напряж-я на выходе усил-ля от начального значения наз-ся дрейфом усилителя. Причины дрейфа усил-ля: 1. нестабильность напряж-я источников питания; 2. темпер-ая и временная нестабильность пар-ров тр-ров и резисторов; 3. низкочастотные шумы и помехи. Опред-ие величины дрейфа производится при закороченном входе УПТ путем измерения изменения ∆Uвых дрейфа, за опред-ый промежуток времени. Для сравнения различ-х усил-лей используется понятие приведенного дрейфа
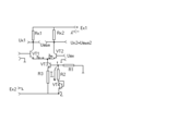
℮др=∆Uвых др/Кu, где Кu – коэф-т усиления УПТ. Величина ℮др ограничивает чувствительность УПТ, т.к. min-ый вх-ой сигнал усил-ля должен быть >℮др. Схема двухкаскадного однотактного УПТ имеет вид: (рисW).Тр-ры в усил-ле включены по схеме с ОЭ, а колл-ры и базы тр-ров соседних каскадов соединены непосредственно. Для выравнивания потенциала колл-ра VT1 и базы VT2 в цепь эмм-ра VT2 включен резистор Кэ2. Одновременно рез-ры Rэ1 и Rэ2 осущ-ют термостабилизацию начального режима каскадов усил-ля.
Источник Uкомп.вх необходим для того, чтобы при ℮др=0, Uбп1 соответ-но требуемому значению напряж-я в режиме покоя и тока ч/з источник сигнала были =0. Нагрузка Rн включена м/у колл-ром VT2 и средней точкой делителя R3, R4. Это необх-мо для того, чтобы Uн было =0, при ℮др=0. Коэф-т усиления по напряжению. Rк║rвх≈Rк, rвх>>Rг. KU1≈βe1[Rк1║rвх2/rвх1]≈βe1∙Rк1/βe1∙Rэ1=Rк1/Rэ1. KU2≈βe2[Rк2║(Rн+R3║R4)]/rвх2≈[Rк║(Rн+R3║R4)]/Rэ2≈(Rк2║Rн)/
/Rэ2 при условии Rн>>R3║R4. Ku=Ku1∙Ku2=Rк1/Rэ1∙(Rк2║Rн)/Rэ2. С ростом числа каскадов, потенциал базы от каскада к каскаду становится более отриц-ым, поэтому Rэ необх-мо увеличивать, а Rк – умень-шать. Это приводит к умен-ю коэф-та усиления каскада с увеличением его номера. Поэтому и из-за темп-ого дрейфа получение больших Кu в однотактных УПТ затруднено.
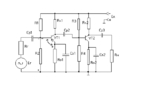
30. Дифференциальные усилительные каскады.(ДУК) Существенное умен-ие дрейфа УПТ достигается в параллельно-балансных или диф-ых усилительных каскадах. Наиболее распространенная схема ДУК имеет вид:
ДУК строится в виде сбалансированного моста, 2 плеча к-ого образованы резисторами Rк1, Rк2, а 2 других – тран-ами VT1, VT2. Uвых снимается м/у колл-ами тр-ров, т.е. с диагонали моста или с колл-ров относительно общей шины. Элементы VT3, VT4, R1, R2, R3 и источник напряж-ия Ек2 пред-ет собой источник стабильного тока Iэ. Iэ опр-ет сумму эмм-ых токов Iэ1 и Iэ2, тр-ров VT1, VT2. Тр VT4 в диодном включении используется в кач-ве элем-та температурной конфинцации. Определим напряж-е м/у точками 1-2. Учтем, что Iб3<<Iэ, поэтому I’3≈Iк=Iэ. Тогда Uбэ3+IэR3=I1R2+Uбэ4. I1=(Eк2-Uбэ4)/(R1+R2)≈Eк2/(R1+R2). Из этого ур-я найдем Iэ: Iэ=[I1R2+(Uбэ4-Uбэ3)]/R3. Величина произведения I1 на R2 в этом выр-ии >> разности (Uбэ4-Uбэ3), поэтому вел-на Iэ опр-ся в основном R2, R3, I1. Зависящее от темп-ры Uбэ4 и Uбэ3 входят в выр-ие для Iэ в виде разности, поэтому зависимость Iэ от темп-ры проявл-ся незначительно. Диф-ый каскад может усиливать сигналы 2-х ист-ков Uвх1 и Uвх2 и одного источника. В посл-ем случае вх-ой сигнал подается на базу одного из тр-ров при заземленной базе другого или непосред-но м/у базами обоих тр-ров, при этом входного диф-го каскада наз-ют дифференциальным. Питание диф-го каскада осущ-ся от 2-х послед-но соединенных источников Ек1 и Ек2 с общим напряж-ем питания = Еп=Ек1+Ек2. Если сопротив-я резисторов Rк1, Rк2 равны, а тр-ры VT1, VT2 идентичны по параметрам, то наступает баланс диф-го каскада, т.е. напряж-е на колл-ах VT1=VT2, а Uвых, снимаемое м/у колл-ми, = нулю. Высокая стабильность вых-ых пар-ров диф-го каскада при изменении напряж-я пита-ния, темп-ры и др-их факторов обуславливается тем, что при одинаковом дрейфе в обоих усилительных каналах напряжения на колл-рах изменятся на одну и ту же величину.
31. Операционные усилители.(ОУ) ОУ – усил-ль, с помощью к-го можно строить узлы аппаратуры с пар-ми практически зависящими только от свойств цепи ООС(отрицательной обратной связи), подключенной к ОУ. Операционными они названы потому, что первоначально использовались главным образом для выполнения разл-ых матем-их операций над аналоговыми величинами (сложение и т.п.) в аналоговых выч машинах. В наст-ее время осн-е назначение ОУ – это построение схем с фиксированным Кu и точно синтезированной передаточной хар-кой. ОУ исп-ся для построения стабилизаторов напряжения, генераторов аналогового и импульсного сигнала, активных фильтров, масштабирующих, логариф-щих, диффер-щих, интегрир-щих и др усилителей. ОУ общего назначения могут использоваться примерно в 150 схемах включения. Основной ОУ явл УПТ(усилитель постоянного тока) с верхним каскадом усиления по диф-ой схеме. ОУ имеют 2 входа: неинвертир-ий и инвертирующий. Эти названия обус-ловлены соотношениями знаков приращения вх-ых и вых-ых сигналов. Промежуточные каскады усиления как правило также строятся по балансной схеме и предназначены для получения большого Кu. Вых-ой каскад согласует большое Rвых каскадов усиления с низкоомной нагрузкой. Обычно он вып-ся по 2-х тактной схеме. ОУ получает питание от 2-х симметричных источников, обеспечивающих одинак-ую по величине положит-ую и отриц-ую амплитуды Uвых. Условное графическое обозначение(УГО):
треугольники в УГО обращены одной из вершин вправо, что символизирует направление передачи сигнала.
32. Основные хар-ки и пар-ры ОУ(Операционный усилитель). ОУ хар-ются усилительными, вх-ми, вых-ми, энегретическими, дрейфивыми, частотными и скоростными пар-рами и хар-ками. Амплитудная хар-ка – это зависимость величины вых-го сигнала от вел-ны вх-го. Ее представляют в виде 2-х кривых, отклоняющихся к инвертирующему и неинвер-му входам. Хар-ки снимают при подаче сигнала на один из входов при нулевом сигнале на другом. Рисунок далее. Наклонным уч-кам соотв-ет пропорциональная зав-сть Uвых от Uвх. Угол наклона опр-ся коэф-ом усиления КU=dUвых/dUвх знач-е к-го может достигать 105…106. Гориз-ые уч-ки соотв-ют полностью насыщенному или закрытому состоянию тр-ров вых-го каскада. Уровни напряжений U+выхm,U-выхm – явл-ся пар-ми ОУ и близки к напряж-ю источников питания. Состояние, когда Uвых=0 при Uвх=0 нах-ся балансом ОУ. Для реальных ОУ при Uвх=0, Uвых≠0. Вх-ое напряж-ие Uсм.о при к-ом Uвых=0 наз-ся напряж-ем смещения нуля. Оно м/б любой полярности и опр-ся разбросом пар-ров элем-ов диф-го усилителя ОУ
Наличие конечного Rвх у ОУ опр-ет протекание Iвх. Rвх и Iвх явл-ся пар-ми ОУ. Для защиты ОУ м/у его входами включают встречно-параллельно 2 диода:
















