Тех ср-ва - курс_проект (539292)
Текст из файла
1. Задание на курсовой проект
Вычисление передаточной функции объекта управления.
Выбор датчика уровня, автоматического регулятора, исполнительного механизма совместно с регулирующим органом.
Расчет коэффициента расхода дроссельного регулирующего органа.
Оценки выбранных средств КИП и А как динамических элементов системы управления.
Структура системы управления.
Синтез САУ методом ЛАФЧХ. Оценки показателей качества САУ.
Моделирование системы в среде Mathlab(Simulink). Структура САУ. Графики переходных функций по каналам управления и возмущения.
Графики переходных функций замкнутой САУ.
Сравнение результатов аналитического синтеза и моделирования.
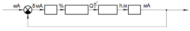
Блок-схема системы автоматического регулирования уровня приведена на рис. 1:
Рис. 1 Функциональная схема системы автоматического регулирования уровня Исходные данные: h0 = 4 [м], Qп0 = 3000 [л/час], d = 0,3 [м].
По заданию h0 = 4 [м] номинальный режим по уровню воды.,
Qп0 = 3000 [л/час] номинальное значение поступающего расхода при
,
d = 0,3 [м] диаметр бака напорного.
площадь сечения цилиндрического бака напорного
Расчет Kр.о.: (Kр.о - регулирующие органы)
Wp.
16,667 . 10-6
0,96.10-4
679p + 1
2
Wp.
0,32
679p + 1
0,32 – устоявшееся значение
Расход Qп принимаем в 2 раза больше номинального, т.к. для того чтобы была зона регулирования нужно подать расход, поэтому выбираем клапан с Cv в 2 раза больше: Cv = 6, чтобы обеспечить возможность регулирования.
Выбираем запорно-регулирующий клапан односедельный фланцевый клапан с ЭИМ 25ч945нж с DN = 25, Cv = 6,3.
Таблица 1
Таблица 2
Таблица 3
Таблица 4
Указанным требованиям соответствует датчик Метран 100-ДГ 1541.
Характеристики
Тип файла документ
Документы такого типа открываются такими программами, как Microsoft Office Word на компьютерах Windows, Apple Pages на компьютерах Mac, Open Office - бесплатная альтернатива на различных платформах, в том числе Linux. Наиболее простым и современным решением будут Google документы, так как открываются онлайн без скачивания прямо в браузере на любой платформе. Существуют российские качественные аналоги, например от Яндекса.
Будьте внимательны на мобильных устройствах, так как там используются упрощённый функционал даже в официальном приложении от Microsoft, поэтому для просмотра скачивайте PDF-версию. А если нужно редактировать файл, то используйте оригинальный файл.
Файлы такого типа обычно разбиты на страницы, а текст может быть форматированным (жирный, курсив, выбор шрифта, таблицы и т.п.), а также в него можно добавлять изображения. Формат идеально подходит для рефератов, докладов и РПЗ курсовых проектов, которые необходимо распечатать. Кстати перед печатью также сохраняйте файл в PDF, так как принтер может начудить со шрифтами.
















