курсовая электроника-ВИХ (538699), страница 3
Текст из файла (страница 3)
R
Ослабление сигнала
20 дБ/дек
k0
UВХ
UВЫХ
C
Полоса пропускания
lg
гр =1/T
Рис. 4 Простейший низкочастотный фильтр и его логарифмическая АЧХ
При использовании двойного логарифмического масштаба характеристика может быть построена из двух отрезков. Горизонтальный отрезок определяет полосу пропускания, а наклонный отрезок определяет эффективность ослабления сигнала нежелательных высоких частот. Граница полосы пропускания определяется по формуле гр =1/T, где - гр =2 f гр - круговая частота, а - T постоянная времени фильтра.
Пример расчета простейшего фильтра.
При использовании простейшего фильтра величина резистора R должна быть на порядок больше выходного сопротивления датчика, так как нас интересует напряжение на его выходе.
R = (10 ÷ 20) Rвых. д.
Входное сопротивление датчика можно определить по формуле:
Rвх = UП2 / PL=14,79 Ом.
Если пренебречь потерями в датчике, то можно считать, что его выходное сопротивление будет примерно таким же, как и входное. Выбираем величину резистора R фильтра 150 Ом.
Задаем границу полосы пропускания фильтра 5 Гц, - в десять раз меньше несущей частоты - 50 Гц. Тогда гр =2 f гр = 2 5 = 31,4. Постоянная времени фильтра величина обратная T =1/ гр = 1/31,4 = 0,03184.
Величина конденсатора определяется по формуле C = T/R = 0,03184/150 =212,26 10-6 Ф = 212,26 мкФ. Поскольку величина конденсатора получается чрезмерно большой, необходимо увеличить величину резистора в 1000 раз.
Принимаем величину резистора R=150 кОм, тогда C = T/R = 0,03184/150000 = 0,212 10-6 Ф = 0,212 мкФ.
Если бы отфильтрованный сигнал поступал на стрелочный измерительный прибор, обладающий достаточной инерционностью, то применение простейшего фильтра со срезом АЧХ 20 дБ/дек было бы вполне оправданным. В нашем случае сигнал должен поступить в аналого-цифровой преобразователь с тем, чтобы в цифровой форме измеренные величины могли быть обработаны микропроцессорной системой. Проникновение высокочастотных помех в аналого-цифровой преобразователь недопустимо, поэтому для лучшей фильтрации необходимо применить активный фильтр.
Активные фильтры.
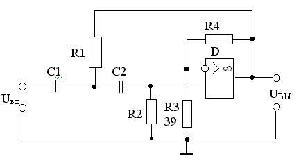
Название активный фильтр происходит потому, что в них используются активные элементы. В качестве активных элементов используются операционные усилители в интегральном исполнении. Схема простого активного фильтра низких частот второго порядка рассмотрена на рис. 5.
Этот фильтр называется фильтром второго порядка, так как описывается характеристическим уравнением второго порядка. Его передаточная функция имеет следующий вид:
1 + R4 / R3
W(p) =
1 + p C2 (R1 + R2) – p C1 R1 R4 / R3 + p2 C1 C2 R1 R2
Рис. 5 Схема активного ФНЧ второго порядка.
Операционный усилитель DA1 работает в линейном режиме. При расчете исходно задаются частота среза fср = ωср/2π и коэффициент усиления К0 в полосе пропускания, который не должен превышать 3.
Например, дано fср = 1000 Гц, К0 = 1,5.
Чтобы определить значения R1, R2, R3, R4, C1, C2 примем R1 = R2 = R, C1 = C2 = C. При этом fср = 1/(2πСR).
Рекомендуется емкость С определять по формуле:
С = 10/ fср = 10/1000 = 10 нФ.
R = 1/(2π fср С) = 1/(2π·1000·10·10-9) = 105/2π = 15920 Ом
Округляем до табличного значения R = R1 =R2 =15 кОм.
Для определения значений R3 и R4 запишем формулу для определения коэффициента усиления в полосе пропускания К0 = 1 + R3/R4 = 1,5 , откуда получим R3/R4 = 1,5 – 1 = 0,5
Выбираем R3 = 27 кОм, R4 = 47 кОм.
Если требуется fср = 100 Гц, то достаточно увеличить R до 150 кОм, оставив остальное
неизменным.
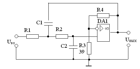
Если в ФНЧ конденсаторы С1 и С2 заменить резисторами, а резисторы R1, R2 – конденсаторами, то получим ФВЧ, схема которого представлена на рис. 6.
Рис. 6 Схема активного ФВЧ второго порядка.
Отсюда можно определить несущую частоту, которая не менее, чем в 10 раз должна быть больше частоты среза. Значение несущей частоты используется при выборе и расчете генератора для питания измерительной цепи с датчиком.
Контроль размеров детали в приспособлении носит статический характер, поэтому время переходного процесса от того момента, кода деталь зафиксирована в контрольно-измерительном приспособлении, до момента, когда сигнал на выходе фильтра примет установившееся значение и может быть зафиксирован микропроцессорной системой, Tпер может быть определен по формуле:
Tпер = 1 / fгр = 0,188 с
Погрешность измерения будет складываться из нескольких величин, одна из которых будет определяться наличием высокочастотного сигнала на выходе фильтра. Эта погрешность определяется ослаблением сигнала вне полосы пропускания. Для данного фильтра второго порядка ослабление сигнала вне полосы пропускания составляет -40 дБ/дек, т.е. на частоте в десять раз превышающей частоту среза уровень сигнала на выходе фильтра будет в 100 ниже, чем на входе.
Для микропроцессорной системы сбора информации такая точность может оказаться недостаточной. Уменьшить эту погрешность можно двумя путями. Во-первых, можно уменьшить границу полосы пропускания фильтра в 20 – 50 раз по сравнению с несущей частой. И во-вторых, можно применить фильтр более высокого порядка. Так, например, эффективность фильтра 4 порядка составляет –80 дб/дек..
Для лучшего понимания здесь приведена таблица ослабления сигнала в дБ/дек, которая показывает реальное уменьшение амплитуды сигнала на выходе различных фильтров при частоте в 10 раз превосходящей частоту среза.
Таблица
| Порядок фильтра | ДБ/дек | Ослабление амплитуды сигнала на частоте в 10 раз большей, чем частота среза |
| 1 | -20 | 0,1 |
| 2 | -40 | 0,01 |
| 3 | -60 | 0,001 |
| 4 | -80 | 0,0001 |
3.6.Выбор аналого-цифрового преобразователя.
Выбор аналого-цифрового преобразователя (АЦП) определяется параметрами входных сигналов, а также требованиями, которым должны удовлетворять основные характеристики АЦП. Типовые схемы АЦП, методика выбора и расчета основных параметров преобразователя приведены в книгах:
-
Э.И. Гитис, Е.А. Пискунов. Аналого-цифровые преобразователи. Москва, «Энергоиздат», 1981 г.
-
А.К. Марциниявичус, Э.К. Богданскис. Быстродействующие интегральные микросхемы ЦАП и АЦП и измерение их параметров. Москва, «Радио и связь», 1988 г.
Сущность аналого-цифрового преобразования сигнала состоит в быстром и точном измерении величины аналогового сигнала и последующее представление его в цифровой форме - обычно в позиционный двоичный код (ПДК). Процессы квантования и кодирования представляют собой основную операцию аналого-цифрового преобразования. Приборы, в которых измеренная аналоговая величина преобразуется в дискретную (как правило, в код), называются аналого-цифровыми преобразователями.
К основным параметрам АЦП следует отнести максимальное входное напряжение Umax, число разрядов кода n, разрешающую способность ∆ и погрешность преобразования.
Разрешающая способность АЦП – входное напряжение, соответствующее единице в младшем разряде выходного кода ЕМР:
Uвх
∆
= ,
2n – 1
где 2n – 1 – максимальный вес входного кода,
Uвх = Umax - Umin.
Например, при Umax = 10 В, n = 12,
10
∆
= = 2,45 мВ.
212 - 1
Чем больше n, тем меньше ∆ и тем точнее выходным кодом может быть представлено входное напряжение.
Относительное значение разрешающей способности:
∆ 1
θ
= = .
Umax 2n – 1
Таким образом, ∆ - наименьшая различимая ступенька входного сигнала. Сигнал меньшего уровня АЦП не зарегистрирует. В соответствии с этим разрешающую способность отождествляют с чувствительностью АЦП.
Погрешность преобразования имеет статическую и динамическую составляющие.
Статическая составляющая включает в себя методическую погрешность квантования ∆к (дискретности) и инструментальную погрешность от не идеальности элементов преобразователей. Погрешность квантования ∆к обусловлена самим принципом представления непрерывного сигнала квантованными уровнями, отстоящими друг от друга на выбранный интервал. Ширина этого интервала и есть разрешающая способность преобразователя. Наибольшая погрешность квантования составляет половину разрешающей способности, а в общем случае
Umax
∆
к = ± 0,5∆ = ± 0,5 .
2n – 1
Относительная наибольшая погрешность квантования:
1
δ
к = ± 0,5 .
2n – 1
Инструментальная погрешность не должна превышать погрешность квантования. При этом полная абсолютная и полная относительная статические погрешности соответственно равны:
Umax 1
∆
ст = ± , δст = ±
2n – 1 2n – 1
Полная относительная статическая погрешность может быть определена в виде:
∆ст ∆ст 100
δ
= · 100% = · 100% = %
Umax - Umin N · ∆ N















