курсовая электроника-ВИХ (538699), страница 2
Текст из файла (страница 2)
На структурной схеме можно отобразить пояснения, соответствующие заданию студента.
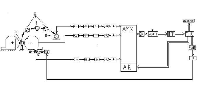
В качестве примера рассмотрим структурную схему управления технологическим процессом обработки цилиндрических деталей на бесцентрово-шлифовальном станке.
Рис.1 Структурная схема системы управления технологическим процессом.
На схеме введены обозначения: I – деталь на позиции обработки, II – деталь в процессе транспортировки, III – деталь на позиции измерения, Д1, Д2, Дn –датчики, ИЦ – измерительные цепи, - усилитель электрических сигналов,
- демодулятор (выпрямитель), АЦП – аналого-цифровой преобразователь, МХ – коммутатор (мультиплексор), ШФ – шинный формирователь, МПС – микропроцессорная система, ЦАП – цифро-аналоговый преобразователь, ИУ исполнительное устройство, Ф – фильтр, БК – повторитель.
После включения питания устройство устанавливается в исходное состояние. На бесцентрово-шлифовальном станке в позиции I обрабатывается цилиндрическая деталь между режущими кромками ведущего и шлифовального кругов. Затем деталь транспортируется в зону III контроля, где с помощью датчика Д1 осуществляется измерение диаметра. С помощью измерительной цепи ИЦ, усилителя и демодулятора сигнал с датчика унифицируется в виде напряжения. С помощью других датчиков Д2, Д3 … Дn осуществляется измерение других параметров.
Для преобразования аналоговых унифицированных сигналов в цифровую форму они по командам МПС через мультиплексор МХ подаются поочередно на АЦП. МПС обрабатывает сигналы с датчиков по заданной программе, формирует решения по результатам анализа характера отклонения, места и причины отклонения, формирует управляющие сигналы, которые через ЦАП и усилитель поступают на исполнительное устройство ИУ, воздействующее на винт IV подачи шлифовальной бабки.
Раздел 3
Синтез элементов структурной схемы устройства.
3.1. Выбор датчика.
В курсовой работе перед студентом не ставится задача расчета датчика. В литературе приводится описание разнообразных датчиков контроля и регулирования (см. Д.И. Агейкин и др. Датчики контроля и регулирования. Справочные материалы. М. 1965, П.В.Новицкий Электрические измерения неэлектрических величин, «Энергия», Ленинград, 1975). Студенту необходимо аргументированно выбрать датчик, соответствующий метрологической задаче.
Датчиком называется конструктивная совокупность одного или нескольких измерительных преобразователей и сопутствующих им конструктивных элементов, размещаемая непосредственно на объекте измерения и удаленная от измерительных цепей.
Выбор типа датчика зависит от измеряемого параметра, диапазона измерения, точности измерений и условий, при которых осуществляется измерение.
С помощью датчиков могут быть измерены следующие основные величины:
линейное перемещение, угловое перемещение, линейная скорость, линейное ускорение, угловое ускорение, сила, температура, свет, время.
При выборе датчика основное внимание уделяется получению линейной зависимости между входной и выходной величинами.
3.2. Выбор измерительной цепи
Выбор измерительной цепи осуществляется в соответствии с табл.1 (см. колонку «измерительная цепь»).
Назначение измерительной цепи – преобразовать изменение параметра R,L,C в электрический ток или напряжение.
Генераторные датчики образуют на выходе ток или напряжение. Поэтому для дальнейшего использования следует этот сигнал только усилить.
Иначе обстоит дело с параметрическими датчиками. Для получения от них тока или напряжения они включаются в измерительную цепь, питаемую внешним источником энергии. Как правило, измерительные цепи выполняются в виде мостовых. Измерительный мост является средством преобразования параметрических измерений в датчике в пропорциональный электрический сигнал.
В автоматических самоуравновешивающихся системах выбирают уравновешенные мосты.
Преимущественно в САК и САУ выбирают неуравновешенные мосты. (см. Чаман В.С. «Датчики и системы автоматического контроля размеров в машиностроении», М, 1973) (92).
В пояснительной записке необходимо показать подключение датчика к измерительной цепи и определить величину выходного сигнала.
3.3. Выбор усилителя и его расчет
Определяется параметрами источника входных сигналов (датчик, измерительная цепь) и АЦП (см. табл.1).
Типовые схемы измерительных усилителей и их расчет приведены в книге:
Гутников В.С. Интегральная электроника в измерительных устройствах. Ленинград, "Энергоатомиздат", 1988г.
Сигнал с выхода неуравновешенного моста обычно усиливают с помощью дифференциальных усилителей.
При этом напряжение небаланса моста должно быть усилено до величины, которая соответствует максимальному входному напряжению аналого-цифрового преобразователя (см. табл.1).
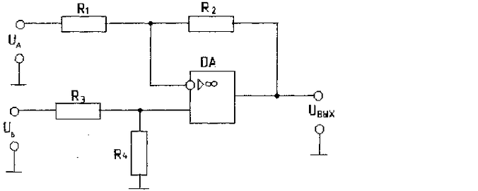
Простейший дифференциальный усилитель, предназначенный для работы в диапазоне частот от нуля Герц, показан на рис. 2.
Рис.2 Простейшая схема дифференциального усилителя.
В современной электронике основным "строительным материалом "являются интегральные схемы. Для преобразования аналоговых сигналов, являющихся носителями информации, используются операционные усилители (ОУ). Характеристики ОУ таковы, что в большинстве практических схем можно придерживаться следующих предположений:
Коэффициент усиления напряжения без обратной связи Кvou бесконечно велик (200000),
Входное сопротивление равно бесконечности (2 МОм),
Выходное сопротивление равно нулю (75 Ом)
Указанные в скобках значения параметров относятся к популярному ОУ 140УД7.
Желательно, чтобы сопротивления между инвертирующим входом и землей и между неинвертирующим входом и землей были одинаковы.
Верхний предел для сопротивлений резисторов, включаемых между каждым из входов и землей, ограничивается значением около50 кОм. Верхний предел резистора R2 желательно ограничить значением порядка 10 МОм.
В справочных данных на ОУ обычно предполагается, что напряжения питания равны _+15 В. Например, ОУ 140УД7 будет удовлетворительно работать в диапазоне напряжений питания от +_ 3 В до +_ 18 В.
Напряжение на выходе усилителя может быть определено по формуле:
Ubыx = UBхR4/(R3+R4)(1+R2/R1) -UAR2/R1, где UBх = UB - UA.
Если принять: R3/R4 = R1/R2, то: Ubыx = (UB-UA)R2/R1. Если выходные сопротивления источников сигналов UА и UВ равны и включаются последовательно с R1 и R3 то, целесообразно принять R1 = R3 и R2 = R4.
Недостатками рассмотренной схемы являются низкие входные сопротивления и регулировка коэффициента усиления путем одновременного изменения сопротивлений R2 и R4.
Усовершенствованные дифференциальные усилители, называемые инструментальными, имеют высокие входные сопротивления и обеспечивают установку заданного коэффициента усиления с помощью одного изменяемого сопротивления R1:
Рис.3 Типовая схема инструментального усилителя.
Если R7 /R5 = R6/R4 , то
R6 R2 + R3
U
вых = (Ub – Ua) · · + 1
R4 R1
Р
егулировка коэффициента усиления осуществляется резистором R1.
При проектировании может оказаться, что схема не обеспечивает необходимый коэффициент усиления. Поэтому ее необходимо дополнять другими каскадами усиления. В многокаскадном усилителе коэффициент усиления всего усилителя определяется как произведение коэффициентов усиления каждого каскада: Кu=К1К2КЗ...Кn.
Например, инструментальный усилитель обеспечивает усиление в 1000 раз. Однако в соответствии с заданием усиление должно составить 8000 раз. Следовательно, к выходу инструментального усилителя следует подключить дополнительный каскад с усилением в 8000/1000=8 раз.
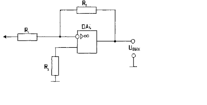
Для недостающего усиления применим схему инвертирующего усилителя изображенную на рис.3.
Рис 4.Дополнительный каскад усилителя.
В инвертирующих усилителях коэффициент усиления определяется отношением Кu = R2/R1. Примем R2 = 100 кОм, тогда R1 = 100 / 8 = 12,5 кОм. Просматривая стандартный ряд величин резисторов Е12 и Е24, убеждаемся, что нужная нам величина отсутствует. Выбираем из ряда Е24 два резистора с номинальным сопротивлением 6,2 кОм и соединяем их последовательно. Это необходимо отразить на принципиальной схеме. Таблица с типичными значениями компонентов для инвертирующего усилителя, изображенного на рис. 3:
Таблица 2.
| Кu | R2 | R1 | R3 |
| -1 | 100 к | 100 к | 47 к |
| -10 | 100 к | 10 к | 10 к |
| -100 | 1 М | 10 к | 10 к |
| -1000 | 10 М | 10 к | 10 к |
В соответствии с табл. 2 значения компонентов усилителя на рис. 4 будут: R2 = 100 кОм, R1 = 12,4 кОм, R3 = 12,4 кОм.
Аналоговый выходной сигнал усилителя рассчитан на подачу на вход АЦП . Уровень этого сигнала должен быть согласован с входным диапазоном АЦП. Чаще всего используются входные диапазоны 0 …10 В и 0 …5 В.
В пояснительной записке необходимо показать принципиальную электрическую схему усилителя и расчет значений его компонентов.
3.4. Выбор демодулятора.
Демодулятор обычно устанавливают на выходе усилителя. Поэтому приведенный ко входу усилителя дрейф нуля пренебрежимо мал. Демодулятор обеспечивает получение постоянного (медленно меняющегося) напряжения или тока. В зависимости от того, какой параметр переменного напряжения надо измерить, различают демодуляторы среднего значения, амплитудные, действующего значения, фазовые и частотные. Ограничимся демодуляторами среднего значения.
Пассивные демодуляторы среднего значения содержат выпрямитель и фильтр низких частот. Схему выпрямителя среднего значения можно выбрать в книге П.В.Новицкого – «Электрические измерения неэлектрических величин», Л. 1975 г. стр. 243, рис 8.15.
Данная схема является нефазочувствительной (НФЧВ). Для уменьшения погрешности выпрямителя следует избегать работы диодов на начальном участке ВАХ – при малых выпрямленных напряжениях и токах.
Активные демодуляторы среднего значения содержат в своём составе усилитель. Схему выпрямителя среднего значения можно выбрать в книге П.В.Новицкого – «Электрические измерения неэлектрических величин», Л. 1975 г. стр. 244, рис 8.17.
Фазочувствительные демодуляторы применяют для получения постоянного напряжения, величина и знак которого зависят не только от входного напряжения, но и от фазного сдвига между входным и опорным (коммутирующим) напряжениями. Двухполупериодный кольцевой диодный демодулятор представлен на схеме показанной в книге П.В.Новицкого – «Электрические измерения неэлектрических величин», Л. 1975 г. стр. 249, рис 8.23.
3.5. Выбор и расчет фильтра
Для того, чтобы сигнал на выходе фазочувствительного выпрямителя не содержал гармоник несущей частоты, его пропускают через низкочастотный фильтр с границей полосы пропускания равной максимальной частоте исследуемого сигнала. Простейший низкочастотный фильтр может быть получен с помощью RC цепочки, показанной на рис. 4. Такой фильтр называется фильтром первого порядка. Он пропускает низкие частоты от нуля до частоты = 2fгр = 1/T. За пределами полосы пропускания имеет место ослабление сигнала 20 децибел на декаду, т.е. при увеличении частоты в 10 раз амплитуда сигнала уменьшится в 10 раз.
Для большей наглядности амплитудно-частотная характеристика такого звена строится в двойном логарифмическом масштабе. По горизонтальной оси откладывается логарифм круговой частоты - , а по вертикальной – логарифм коэффициента передачи, измеряемый в децибелах.
20 lg k (дБ)
3 дБ
0
1/T















