Лабораторная работа 1 по авт.системы (538258)
Текст из файла
Лабораторная работа №1
Структура и свойства искусственного нейрона и его программная реализация
Нейронные сети - это сети, состоящие из связанных между собой простых элементов-нейронов.
В основу концепции положена идея о том, что нейроны можно моделировать довольно простыми автоматами, а вся сложность мозга, гибкость его функционирования и другие важные качества определяются связями между нейронами
Каждая связь представляется как совсем простой элемент, служащий для передачи сигнала.
Нейронные сети обладают следующими свойствами:
-
однородность системы(элементы одинаковы и чрезвычайно просты, все определяется структурой связи).
2) надёжность системы из ненадежных элементов и использование простых аналоговых элементов.
-
при разрушении случайно выбранной части системы она сохраняет свои свойства.
Предполагается, что широкие возможности в системе связей компенсируют бедность выбора элементов, их надежность и возможные разрушения частей связи.
Используемая в нейроинформатике идеальная схемотехника представляет собой язык описания нейронных сетей и их обучения. При программной и аппаратной реализации выполненные на этом языке описания переводятся на более подходящие языки другого уровня.
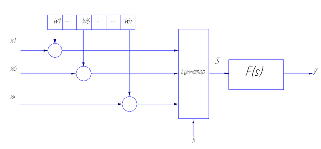
Самым важным элементом является сумматор, который вычисляет скалярное произведение вектора входного сигнала X на вектор параметров.
Он называется адаптивными сумматоров из-за наличия вектора настраиваемых параметров b
Линейный преобразователь сигнала получает скалярный выходной сигнал Х и переводит его в заданную нелинейную функцию f(x)
Точка ветвления служит для рассылки одного сигнала по нескольким адресам. Она получает скалярный входной сигнал и передает его на все свои выходы
Стандартный формальный нейрон состоит из входного сумматора, нелинейного преобразователя и точки ветвления на выходе.
Функции активации нейрона
-
линейная
-
ступенчатая
-
сигноидальная
или
- математическая модель нейрона
W1….W6…Wn - вес связи
b - значение смещения
S - результат суммирования (аргумент функции активации)
x1…x6…xn - коэффициент входного вектора(входной сигнал)
y - выход нейрона(определяется видом функции активации)
Каждый вход умножается на соответствующий вес, все произведения суммируются и подаются на вход функции активации
Характеристики
Тип файла документ
Документы такого типа открываются такими программами, как Microsoft Office Word на компьютерах Windows, Apple Pages на компьютерах Mac, Open Office - бесплатная альтернатива на различных платформах, в том числе Linux. Наиболее простым и современным решением будут Google документы, так как открываются онлайн без скачивания прямо в браузере на любой платформе. Существуют российские качественные аналоги, например от Яндекса.
Будьте внимательны на мобильных устройствах, так как там используются упрощённый функционал даже в официальном приложении от Microsoft, поэтому для просмотра скачивайте PDF-версию. А если нужно редактировать файл, то используйте оригинальный файл.
Файлы такого типа обычно разбиты на страницы, а текст может быть форматированным (жирный, курсив, выбор шрифта, таблицы и т.п.), а также в него можно добавлять изображения. Формат идеально подходит для рефератов, докладов и РПЗ курсовых проектов, которые необходимо распечатать. Кстати перед печатью также сохраняйте файл в PDF, так как принтер может начудить со шрифтами.
















