СНиП 2.05.03-84 (с изм. 1 1991) (524589), страница 73
Текст из файла (страница 73)
Таблица 9
| g | Значение коэффициента c при m | ||||
| 0,5 | 0,67 | 1,0 | 2,0 | 2,5 и более | |
| 0,25 | 1,014 | 1,063 | 1,166 | 1,170 | 1,192 |
| 0,5 | 1,016 | 1,075 | 1,214 | 1,260 | 1,300 |
| 1,0 | 1,017 | 1,081 | 1,252 | 1,358 | 1,416 |
| 2,0 | 1,018 | 1,085 | 1,275 | 1,481 | 1,516 |
| 5,0 | 1,018 | 1,088 | 1,292 | 1,496 | 1,602 |
| 10,0 | 1,018 | 1,088 | 1,298 | 1,524 | 1,636 |
| Св. 10 | 1,018 | 1,089 | 1,303 | 1,552 | 1,580 |
5. Расчет по устойчивости пластинок стенки сплошных изгибаемых элементов, имеющих поперечные ребра и одно продольное ребро в сжатой зоне, следует выполнять:
первой пластинки — между сжатым поясом и продольным ребром — по формуле
где w1 - коэффициент, принимаемый по табл. 2;
sx , sy , txy - напряжения, определяемые по п. 2;
sx,cr, sy,cr, txy,cr критические напряжения, определяемые согласно п. 4;
второй пластинки — между растянутым поясом и продольным ребром — по формуле (10), принимая при этом w2 = 1.
5.1. Приведенное критическое продольное нормальное напряжение sx,cr,ef следует определять по формуле (11), при этом коэффициент упругого защемления следует принимать:
первой пластинки: элементов с болтовыми соединениями — c = 1,3; таких же и сварных элементов при объединении с железобетонной плитой — c = 1,35; прочих сварных элементов — по табл. 10;
второй пластинки — c = 1.
Таблица 10
| g | 0,5 | 1,0 | 2,0 | 5,0 | 10 и более |
| c | 1,16 | 1,22 | 1,27 | 1,31 | 1,35 |
5.2. Приведенное критическое поперечное нормальное напряжение sy,cr,ef первой пластинке следует определять по формуле
где i - коэффициент, принимаемый равным 1,0 при
и 2,0 при 0,7 > m > 0,4;
c - коэффициент упругого защемления, принимаемый по табл. 11 для элементов, объединенных с железобетонной плитой, и для балок с болтовыми соединениями, по табл. 12 — для сварных балок.
Таблица 11
| m | 0,5 | 0,8 | 1,0 | 1,5 | 2,0 и более |
| c | 1,07 | 1,18 | 1,31 | 1,52 | 1,62 |
Таблица 12
| g | Значение коэффициента c при m | |||||||
| 0,5 | 0,6 | 0,9 | 1,0 | 1,5 | 2,0 | 2,5 | 3,0 | |
| 2 | 1,06 | 1,07 | 1,13 | 1,17 | 1,31 | 1,32 | 1,29 | 1,25 |
| 4 | 1,06 | 1,07 | 1,14 | 1,19 | 1,38 | 1,44 | 1,43 | 1,39 |
Приведенное критическое поперечное нормальное напряжение sy,cr,ef при воздействии сосредоточенной нагрузки, когда действующие напряжения определяются по формуле (6), следует вычислять по формуле (15) с умножением на коэффициент 1,55; если при этом а > 2h1 + 2lef, то надлежит принимать
.
Приведенное критическое поперечное нормальное напряжение sy,cr,ef во второй пластинке следует определять по формуле (12), при этом следует принимать: c = 1; z — по табл. 8; z — по табл. 6 при r = 0,35.
5.3. Приведенное критическое касательное напряжение txy,cr,ef следует определять по формуле (13), при этом для первой пластинки вместо коэффициента защемления должен быть принят коэффициент
, для второй пластинки — c = 1.
6. Расчет по устойчивости пластинок стенки сплошных изгибаемых элементов, имеющих поперечные ребра и несколько продольных ребер жесткости, следует выполнять:
первой пластинки — между сжатым поясом и ближайшим ребром — по формуле (14) и формулам (11), (15) и (13) для sx,cr,ef, sy,cr,ef, txy,cr,ef соответственно;
для последующих сжатых пластинок — по формулам для первой пластинки, принимая коэффициент защемления c = 1;
для сжато-растянутой пластинки — по формуле (10), принимая w1 = 1, и формулам (11), (15) и (13) для sx,cr,ef, sy,cr,ef, txy,cr,ef как для второй пластинки по п. 5.
Расчет по устойчивости пластинки растянутой зоны стенки следует выполнять по формуле
где
sy,cr , txy,cr - критические поперечное нормальное и касательное напряжения, определяемые по sy,cr,ef и txy,cr,ef согласно указаниям п. 4, при этом приведенное критическое поперечное нормальное напряжение sy,cr,ef следует определять по формуле
где d — коэффициент, принимаемый по табл. 13.
Таблица 13
| Тип | Значения коэффициента d при | |||||||
| 0,4 | 0,5 | 0,6 | 0,7 | 0,8 | 1,0 | 1,5 | 2,0 | |
| Примыкающая к растянутому поясу | 1240 | 1380 | 2520 | 1650 | 1820 | 2240 | 3860 | 6300 |
| Промежуточная | 920 | 970 | 1020 | 1060 | 1100 | 1190 | 1530 | 2130 |
П р и м е ч а н и е. а и hef следует определять по п. 1.
Приведенное критическое касательное напряжение txy,cr,ef следует определять:
для пластинки, примыкающей к растянутому поясу, — по формуле
, (18)
для промежуточной растянутой пластинки — по формуле
, (19)
где d — меньшая сторона отсека (а или hef);
m1 — коэффициент, принимаемый равным m при а > hef и 1/m при а < hef .
7. Расчет по устойчивости пластинок стенки сплошных сжато-изгибаемых элементов (балки жесткости пролетного строения распорной системы, арки или пилона) при сжатии сечения по всей высоте следует выполнять по формуле
где sх — максимальное продольное нормальное напряжение на границе пластинки от продольной силы N и изгибающего момента Мm, принимаемого в соответствии с п. 2;
w1 — коэффициент, определяемый по табл. 2;
sy , sx — поперечное нормальное и среднее касательное напряжения, определяемые согласно п. 2;
sx,cr , sy,cr , txy,cr - критические напряжения, определяемые по sx,cr,ef , sy,cr,ef , txy,cr,ef согласно указаниям п. 4.
При действии на части высоты сечения растягивающих напряжений расчет следует выполнять как для стенки сплошных изгибаемых элементов (см. пп. 4—6).
ПРИЛОЖЕНИЕ 17*
Обязательное
КОЭФФИЦИЕНТЫ ДЛЯ РАСЧЕТА НА ВЫНОСЛИВОСТЬ
Таблица 1*
Эффективные коэффициенты концентрации напряжений b
для расчета стальных конструкций мостов на выносливость
| Расположение расчетного сечения | Коэффициент b | |
| и характеристика конструкции | 16Д | 15ХСНД, 10ХСНД, 390-14Г2АФД, |
| 1. По основному металлу после дробеметной очистки или с необработанной прокатной поверхностью у деталей с прокатными или обработанными фрезерованием, строжкой кромками в сечениях вне сварных швов и болтов | 1,0 | 1,0 |
| 2. То же, с кромками, обрезанными газовой машинной резкой: | ||
| а) нормального качества | 1,1 | 1,2 |
| б) чистовой (смыв-процесс, резка с | 1,0 | 1,0 |
| 3. По основному металлу деталей в сечениях: | ||
| а) нетто по соединительным болтам составных элементов, а также у свободного отверстия (черт. 1) | 1,3 | 1,5 |
| б) нетто у отверстия с поставленным в него высокопрочным болтом, затянутым на нормативное усилие (черт. 2) | 1,1 | 1,3 |
| в) брутто по первому ряду высокопрочных болтов в прикреплении фасонки к не стыкуемым в данном узле сплошным балок и элементам решетчатых ферм (черт. 3) | 1,3mf | 1,5mf |
| г) то же, в прикреплении к узлу или в стыке двухступенчатых элементов, у которых: | ||
| непосредственно перекрытая часть сечения (2Аn) составляет, %, не менее: 80 общей площади сечения, в том числе при двусторонних накладках - 60 (черт. 4) | 1,4mf | 1,6mf |
| непосредственно перекрытая часть сечения (2Аn) составляет, %, не менее: 60 общей площади сечения, в том числе при двусторонних накладках - 40 (см. черт. 4) | 1,5mf | 1,7mf |
| д) то же, в прикреплении к узлу или в стыке с односторонними накладками двухступенчатых элементов, у которых непосредственно перекрытая часть сечения (2Аn) составляет (черт. 5), % общей площади сечения: | ||
| 60 и более | 1,6mf | 1,8 mf |
| менее 60 | 1,7mf | 1,9mf |
| е) то же, в прикреплении к узлу или в стыке с односторонними накладками одностенчатых элементов (черт. 6) | 2,2mf | 2,5mf |
| 4. По основному металлу деталей в сечении по границе необработанного стыкового шва с усилением, имеющим плавный переход (при стыковании листов одинаковой толщины и ширины) | 1,5 | 1,8 |
| 5. По основному металлу деталей в сечении по зоне перехода к стыковому шву, обработанному в этом месте абразивным кругом или фрезой при стыковании листов: | ||
| а) одинаковой толщины и ширины | 1,0 | 1,0 |
| б) разной ширины в сечении по более узкому листу | 1,2 | 1,4 |
| в) разной толщины в сечении по более тонкому листу | 1,3 | 1,5 |
| г) разной толщины и ширины в сечении по листу с меньшей площадью | 1,6 | 1,9 |
| 6. По основному металлу элемента, прикрепляемого внахлестку, в сечении по границе лобового углового шва: | ||
| а) без механической обработки этого шва при отношении его катетов b:a³2 (при направлении большего катета b вдоль усилия) | 2,3 | 3,2 |
| б) то же, при отношении катетов b:a=1,5 | 2,7 | 3,7 |
| в) при механической обработке этого шва и отношении катетов b:a³2 | 1,2 | 1,4 |
| г) то же, при отношении катетов b:a=1,5 | 1,6 | 1,9 |
| 7. По основному металлу элемента, прикрепляемого внахлестку фланговыми угловыми швами, в сечениях по концам этих швов независимо от их обработки | 3,4 | 4,4 |
| 8. По основному металлу растянутых поясов балок и элементов ферм в сечении по границе поперечного углового шва, прикрепляющего диафрагму или ребро жесткости: | ||
| а) без механической обработки шва, но при наличии плавного перехода от шва к основному металлу при сварке: | ||
| ручной | 1,6 | 1,8 |
| полуавтоматической под флюсом | 1,3 | 1,5 |
| б) при механической обработке шва фрезой | 1,0 | 1,1 |
| 9. Сечения составных элементов из листов, соединенных непрерывными продольными швами, сваренными автоматом, при действии усилия вдоль оси шва | 1,0 | 1,0 |
| 10. По основному металлу элементов в местах, где обрываются детали: | ||
| а) фасонки, привариваемые встык к кромкам поясов балок и ферм или втавр к стенкам и поясам балок, а также к элементам ферм, при плавной криволинейной форме и механической обработке перехода от фасонки к поясу, при полном проплавлении толщины фасонки | 1,2 | 1,4 |
| б) оба пояса на стенке двутаврового сечения при условии постепенного уменьшения к месту обрыва ширины и толщины пояса, присоединения стенки к поясам на концевом участке с полным проплавлением и механической обработкой перехода поясов к стенке | 1,3 | 1,6 |
| в) один лист пакета пояса сварной балки при уменьшении к месту обрыва толщины с уклоном не круче 1:8 и ширины листа со сведением ее на нет с уклоном не круче 1:4 и с механической обработкой концов швов | 1,2 | 1,4 |
| г) накладная деталь для усиления ослабленного отверстиями сечения элемента (компенсатор ослабления) при симметричном уменьшении ее ширины со сведением на нет, с уклоном не круче 1:1 и с механической обработкой концов швов | 1,2 | 1,4 |
| 11. По основному металлу элементов проезжей части в сечениях по крайнему ряду высокопрочных болтов в прикреплении: | ||
| а) диагонали продольных связей к нижнему поясу продольной балки, а также «рыбки» к нижнему поясу поперечной балки | 1,1 | 1,3 |
| б) фасонки горизонтальной диафрагмы к нижнему поясу продольной балки | 1,3 | 1,5 |
| в) «рыбки» к верхнему поясу продольной балки | 1,6 | 1,8 |
| 12. По оси стыкового шва с полным проплавлением корня шва: | ||
| а) при автоматической и полуавтоматической сварке под флюсом и ручной сварке, с контролем с помощью ультразвуковой дефектоскопии (УЗД) | 1,0 | 1,0 |
| б) то же, без контроля УЗД | 1,2 | 1,4 |
| 13. По расчетному сечению углового шва: | ||
| а) лобового шва, выполненного сваркой: | ||
| ручной | 2,3 | 3,2 |
| автоматической и полуавтоматической под флюсом | 1,9 | 2,4 |
| б) флангового шва | 3,4 | 4,4 |
| в) продольного соединительного шва составного элемента на участке его прикрепления к узлу при непосредственном перекрытии стыковыми накладками или узловыми фасонками лишь части сечения | 1,5 | 1,7 |
| г) продольного поясного шва балки | 1,7 | 1,9 |
| 14. По основному металлу листа настила ортотропной плиты в зоне перехода к монтажному стыковому шву, выполненному односторонней автоматической сваркой под флюсом: | ||
| а) с наложением первого слоя ручной сваркой на флюсомедной подкладке, без механической обработки усиления | 2,4 | 2,7 |
| б) то же, с механической обработкой усиления с обратной стороны стыка | 1,6 | 1,8 |
| в) на стеклотканево-медной подкладке с примиенением гранулированной металлохимической присадки, без механической обработки усиления | 1,5 | 1,65 |
| 15. По основному металлу листа настила отротропной плиты в зоне перехода к потолочному угловому шву его монтажного соединения с поясом главной балки или фермы внахлестку: | ||
| а) выполненному ручной сваркой | 6,4 | 7,1 |
| б) то же, с применением монтажной полосовой вставки, привариваемой встык к кромкам ортотропных плит, прикрепляемых внахлестку к поясу балки | 3,8 | 4,2 |
| 16. По основному металлу листа настила ортротропной плиты в зоне перехода к его монтажному стыковому соединению с поясом главной балки или фермы, выполненному односторонней автоматической сваркой под флюсом: | ||
| а) с наложением первого слоя ручной сваркой на флюсомедной подкладке, с механической обработкой усиления с обратной стороны стыка, при одинаковой толщине стыкуемых листов | 1,6 | 1,8 |
| б) то же, при разной толщине стыкуемых листов | 1,8 | 2,0 |
| в) на стеклотканево-медной подкладке с применением металлохимической присадки, без механической обработки усиления, при одинаковой толщине стыкуемых листов | 1,5 | 1,65 |
| г) то же, при разной толщине стыкуемых листов | 1,7 | 1,9 |
| 17. По основному металлу в зоне узла пересечения продольного ребра ортотропной плиты с поперечным в одноярусной ортотропной плите: | ||
| а) продольное ребро проходит через V-образный вырез с выкружками на концах радиусом 15-20 мм в стенке поперечного ребра и приварено к ней с одной стороны двумя угловыми швами | 2,2 | 2,4 |
| б) продольное ребро проходит через вырез в стенке поперечного ребра и в опорной пластинке и приварено к ней угловыми швами | 1,3 | 1,5 |
| 18. То же, в двухъярусной ортотропной плите: | ||
| а) тавровое продольное ребро соединяется с поперечным высокопрочными болтами через отверстия, просверленные в полке продольного и поясе поперечного ребер | 1,2 | 1,3 |
| б) тавровое продольное ребро соединяется с поперечным специальными прижимами | 1,1 | 1,2 |
| 19. По основному металлу листа настила и продольных ребер ортотропной плиты по границе швов в зоне цельносварного монтажного поперечного стчка ортотропной плиты: | ||
| а) при совмещенных в одном сечении стыках листа настила и продольных ребер, без механической обработки усиления швов | 2,2 | 2,5 |
| б) с разнесенными от стыка листа настила стыками продольного ребра, без механической обработки усиления швов | 2,2 | 2,4 |
| в) с разнесенными от стыка листа настила обработанными стыками продольного ребра, с механической обработкой усиления с обратной стороны стыка листа настила | 2,1 | 2,3 |
| 20. То же, в комбинированном стыке - сварном листа настила, болтовом в ребрах: | ||
| а) с устройством прямоугольных скругленных вырезов в продольных ребрах, без полного проплавления их концевых участков, без механической обработки усиления стыкового шва листа настила | 2,8 | 3,1 |
| б) с устройством обработанных полукруглых выкружек в продольных ребрах, с полным проплавлением их концевых участков, с механической обработкой усиления шва с обратной стороны стыка листа настила | 2,1 | 2,3 |
| в) с обрывом продольных ребер вблизи стыка листа настила и постановкой вставки между их торцами, без механической обработки усиления стыкового шва листа настила | 1,9 | 2,1 |
П р и м е ч а н и я: 1. mf — коэффициент, учитывающий влияние сдвигов по контактам соединяемых элементов и принимаемый по табл. 3 в зависимости от числа поперечных рядов болтов n в соединении.
2. Параметр n определяется:
числом поперечных рядов болтов в прикреплении данного элемента к фасонке или стыковой накладке, когда этот элемент обрывается в данном узле (п. 3, г, д, е);
общим числом поперечных рядов болтов в прикреплении фасонки к непрерывному элементу (п. 3, в).
Черт. 1. Расположение проверяемого на выносливость расчетного сечения А—А по основному металлу в сечениях нетто
по соединительным болтам составных элементов,
а также у свободного отверстия
Черт. 2. Расположение проверяемого на выносливость расчетного сечения А—А по основному металлу в сечениях нетто
у отверстия с поставленным в него высокопрочным болтом,
затянутым на нормативное усилие
Черт. 3. Расположение проверяемого на выносливость расчетного сечения А—А по основному металлу в сечении брутто по первому ряду высокопрочных болтов в прикреплении фасонки
к нестыкуемым в данном узле поясам сплошных балок
и элементам решетчатых форм
Черт. 4. Расположение проверяемого на выносливость расчетного сечения А—А по основному металлу в сечении брутто
по первому ряду высокопрочных болтов в прикреплении к узлу или в стыке двухстенчатых элементов
Черт. 5. Расположение проверяемого на выносливость расчетного сечения А—А по основному металлу в сечении брутто по первому ряду высокопрочных болтов в прикреплении к узлу или в стыке двухстенчатых элементов с односторонними накладками
Черт. 6. Расположение проверяемого на выносливость расчетного сечения А—А по основному металлу в сечении брутто по первому ряду высокопрочных болтов в прикреплении к узлу или в стыке одностенчатых элементов с односторонними накладками
Таблица 2
Эффективные коэффициенты концентрации напряжений для расчета
на выносливость стальных канатов висячих, вантовых и предварительно напряженных стальных пролетных строений
| Устройства, закрепляющие или отклоняющие канаты | Коэффициент bs |
| 1. Анкеры клинового типа | 1,1 |
| 2. Анкеры с заливкой конца каната в конической или цилиндрической полости корпуса сплавом цветных металлов или эпоксидным компаундом | 1,3 |
| 3. Анкеры со сплющиванием концов круглых проволок, защемлением их в анкерной плите и заполнением пустот эпоксидным компаундом с наполнителем из стальной дроби | 1,1 |
| 4. Отклоняющие канат устройства, в том числе стяжки и сжимы, имеющие круговое очертание ложа, скругление радиусом 5 мм у торцов (в месте выхода каната) и укороченную на 40 мм (по сравнению с длиной ложа) прижимную накладку: | |
| при непосредственном контакте каната со стальным ложем и поперечном давлении | 1,2 |
| при контакте каната со стальным ложем через мягкую прокладку толщиной t ³ 1 мм и поперечном давлении | 1,2 |
| 5. Хомуты подвесок; стяжки и сжимы без отклонения каната при поперечном давлении: | |
| q £ 1 МН/м (1 тс/см) и непосредственном контакте с канатом | 1,1 |
| q £ 2 МН/м (2 тс/см) и контакте с канатом через мягкую прокладку толщиной t ³ 1 мм | 1,1 |
В табл. 2 обозначено:
N — усилие в канате, МН (тс);
r — радиус, м (см), кривой изгиба каната в отклоняющем устройстве
Таблица 3*
| n | 1-3 | 4-6 | 7-8 | 9-10 | 11-15 | 16 и более |
| mf | 1,00 | 1,05 | 1,12 | 1,16 | 1,20 | 1,23 |
ПРИЛОЖЕНИЕ 18*
Обязательное
РАСЧЕТ ОРТОТРОПНОЙ ПЛИТЫ ПРОЕЗЖЕЙ ЧАСТИ
ПО ПРОЧНОСТИ И УСТОЙЧИВОСТИ
1. Метод расчета ортотропной плиты должен учитывать совместную работу листа настила, подкрепляющих его ребер и главных балок.
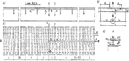
2. Ортотропную плиту допускается условно разделять на отдельные системы — продольные и поперечные ребра с соответствующими участками листа настила (см. чертеж).
Коробчатое пролетное строение
а — продольный разрез; б — план; в — поперечный разрез; г — ребро нижней плиты; 1, 2, 3, ... i — номер поперечного ребра верхней плиты
усилия в ортотропной плите при работе НА ИЗГИБ МЕЖДУ ГЛАВНЫМИ БАЛКАМИ
3. Изгибающие моменты в продольных ребрах ортотропной плиты следует определять по формуле
Мsi = М1 + М, (1)
M1 — изгибающий момент в отдельном продольном ребре полного сечения, включающего прилегающие участки листа настила общей шириной, равной расстоянию а между продольными ребрами (см. чертеж, в), рассматриваемом как неразрезная балка на жестких опорах; момент определяется от нагрузки, расположенной непосредственно над этим ребром;
М — изгибающий момент в опорном сечении продольного ребра при изгибе ортотропной плиты между главными балками, определяемый при загружении поверхности влияния нагрузкой, прикладываемой в узлах пересечения продольных и поперечных ребер.
Нагрузку, передаваемую с продольных ребер на узлы пересечения с поперечными ребрами, следует определять с помощью линии влияния опорной реакции неразрезной многопролетной балки на жестких опорах.
В пределах крайних третей ширины ортотропной плиты автопроезда и в ортотропной плите однопутных железнодорожных пролетных строений с ездой поверху следует принимать М = 0.
Ординаты поверхности влияния для вычисления изгибающего момента М в опорном сечении продольного ребра над «средним» поперечным ребром l (см. чертеж, а) следует определять по формуле
, (2)*
где M1i - принимаемые по табл. 1 (с умножением на l) ординаты линии влияния изгибающего момента в опорном сечении продольного ребра над «средним» поперечным ребром l при расположении нагрузки над поперечным ребром i;
l — пролет продольного ребра (см. чертеж, б);
L — пролет поперечного ребра (см. чертеж, в);
u — координата положения нагрузки от начала поперечного ребра.
Таблица 1
| Номер поперечного | Ординаты линии влияния | ||||
| ребра i | 0 | 0,1 | 0, | 0,5 | 1,0 |
| 1 | 0 | 0,0507 | 0,0801 | 0,1305 | 0,1757 |
| 2 | 0 | -0,0281 | -0,0400 | -0,0516 | -0,0521 |
| 3 | 0 | 0,0025 | -0,0016 | -0,0166 | -0,0348 |
| 4 | 0 | 0,0003 | 0,0016 | 0,0015 | 0,0046 |
| 5 | 0 | -0,0001 | 0 | 0,0014 | 0,0025 |
| 6 | 0 | 0 | 0 | 0,0001 | 0,0012 |
В табл. 1 обозначено:
z - параметр, характеризующий изгибную жесткость ортотропной плиты и определяемый по формуле
,
где Isl - момент инерции полного сечения продольного ребра относительно горизонтальной оси (см. чертеж в);
a - расстояние между продольными ребрами;
Is - момент инерции полного поперечного ребра — с прилегающим участком настила шириной 0,2 L, но не более l — относительно горизонтальной оси х1 (см. чертеж, а).
П р и м е ч а н и е. В табл. 1 принята следующая нумерация поперечных ребер i: ребра 2—6 расположены на расстоянии l одно от другого в каждую сторону от «среднего» поперечного ребра 1 (см. чертеж, a).
4. В железнодорожных пролетных строениях лист настила ортотропной плиты проезжей части следует рассчитывать на изгиб, при этом прогиб листа настила не проверяется.
При устройстве пути на балласте наибольшие значения изгибающих моментов в листе настила над продольными ребрами следует определять по формулам:
в зоне под рельсом
My = -0,1 na2 ; (3)
в зоне по оси пролетного строения
My = -0,08 na2 , (4)
где n — нагрузка на единицу длины, принимаемая по п. 2 обязательного приложения 5*.
РАСЧЕТ ЭЛЕМЕНТОВ ОРТОТРОПНОЙ ПЛИТЫ
ПО ПРОЧНОСТИ
5. Для проверки прочности элементов ортотропной плиты необходимо получить в результате расчетов в предположении упругих деформаций, стали в сечениях I, II, III и точках А, В, С, А1, В1, D1, указанных на чертеже, нормальные напряжения в листе настила, продольных и поперечных ребрах, а также касательные напряжения в листе настила, от изгиба ортотропной плиты между главными балками sxp, syp и txyp и совместной работы ее с главными балками пролетного строения sxc, syc и txyc.
6. Проверку прочности растянутого при изгибе ортотропной плиты крайнего нижнего волокна продольного ребра следует выполнять в зоне отрицательных моментов неразрезных главных балок в сечении I—I посредине пролета l среднего продольного ребра (см. чертеж, а — точка A) по формулам:
ysxc + m1c1sxp £ Ry m ; (5)
sxc + sxp £ m2 Ryn m , (6)
где Ry, Ryn — расчетное и нормативное сопротивления металла продольного ребра;
m — коэффициент условий работы, принимаемый по табл. 60*;
m1, m2 — коэффициенты условий работы; для автодорожных и городских мостов, а также для автодорожного проезда совмещенных мостов их следует принимать по табл. 2*; для железнодорожных и пешеходных мостов, а также для железнодорожного проезда совмещенных мостов m1 = 1 / ‘ ; при этом проверка по формуле (6) не выполняется;
c — коэффициент влияния собственных остаточных напряжений, принимаемый c1 = 0,9 — для крайнего нижнего волокна продольного ребра, выполненного из полосы, прокатного уголка или прокатного тавра, и c1 = 1,1 — для продольного ребра в виде сварного тавра;
y, ‘ — коэффициенты, определяемые по пп. 4.28* и 4.26*.
Таблица 2*
| sxc / sxp | Значения коэффициентов m1 и m2 | |
| m1 | m2 | |
| 0 | 0,55 | 1,40 |
| 0,25 | 0,40 | 1,50 |
| 0,45 | 0,25 | 1,60 |
| 0,65 | 0,13 | 1,60 |
П р и м е ч а н и е. Коэффициенты m1 и m2 для промежуточных значений sxc/sxp следует определять линейной интерполяцией.
7. Проверку прочности сжатого при местном изгибе ортотропной плиты крайнего нижнего волокна продольного ребра следует выполнять в зоне положительных моментов неразрезных главных балок в опорном сечении II—III среднего продольного ребра (см. чертеж а — точка В) по формуле
sxp
ysxc + c2 ¾ £ Ry m , (7)
‘
где y, ‘ — коэффициенты, определяемые по пп. 4.28* и 4.26*;
c2 - коэффициент влияния собственных остаточных напряжений, принимаемый c2 = 1,1 — для крайнего нижнего волокна ребра, выполненного из полосы, прокатного уголка или прокатного тавра, и c2 = 0,9 — для ребра в виде сварного тавра;
m - коэффициент условий работы, принимаемый по табл. 60*.
8. Проверку прочности крайнего нижнего волокна поперечной балки следует выполнять в сечении III—III посредине ее пролета (см. чертеж в — точка С) по формуле
syp
¾ £ Ry m , (8)
‘
где ‘ — коэффициент, определяемый по формулам (143) и (144);
m — коэффициент условий работы, принимаемый по табл. 60*.
9. Расчет по прочности листа настила следует выполнять в точках А1, В1, D1 (см. чертеж б) по формулам:
txy £ Rs m , (10)
где sx = sxc + m4 sxp ; sy = syc + m4 syp ;
txy = txyc + txyp ;
m - коэффициент условий работы, принимаемый по табл. 60*;
m3 — коэффициент, равный 1,15 при sy = 0 или 1,10 при sy ¹ 0;
m4 — коэффициент условий работы, принимаемый равным 1,05 — при проверке прочности листа настила в точке A1 ортотропной плиты автодорожных и городских мостов и 1,0 — во всех остальных случаях.
При выполнении данной проверки допускается принимать в качестве расчетных загружения, при которых достигает максимального значения одно из действующих в данной точке ортотропной плиты напряжений sx, sy или txy.
РАСЧЕТ ЭЛЕМЕНТОВ ОРТОТРОПНОЙ ПЛИТЫ
ПО УСТОЙЧИВОСТИ
10. Местная устойчивость листа настила между продольными ребрами, продольных полосовых ребер, свесов поясов тавровых продольных и поперечных ребер должна быть обеспечена согласно пп. 4.45* и 4.47, а стенки тавровых ребер — согласно обязательному приложению 16*. При этом следует выбирать наиболее невыгодную комбинацию напряжений от изгиба ортотропной плиты между главными балками и совместной ее работы с главными балками пролетного строения.
11. Общая устойчивость листа настила, подкрепленного продольными ребрами, должна быть обеспечена поперечными ребрами.
Момент инерции поперечных ребер Js (см. п. 3) сжатой (сжато-изогнутой) ортотропной плиты следует определять по формуле
, (11)*
где a — коэффициент, определяемый по табл. 2, а*;
y — коэффициент, принимаемый равным: 0,055 при k = 1; 0,15 при k = 2; 0,20 при k ³ 3;
k — число продольных ребер рассчитываемой ортотропной плиты;
L — расстояние между стенками главных балок или центрами узлов геометрически неизменяемых поперечных связей;
l — расстояние между поперечными ребрами;
Jsl — момент инерции полного сечения продольного ребра (см. п. 3);
sxc — действующие напряжения в листе настила от совместной работы ортотропной плиты с главными балками пролетного строения, вычисленные в предположении упругих деформаций стали;
sx,cr,ef — напряжение, вычисленное по табл. 68* по значению sx,cr = sxc.
Таблица 2а*
| w | 0 | 0,1 | 0,2 | 0,3 | 0,4 | 0,5 |
| a | 0 | 0,016 | 0,053 | 0,115 | 0,205 | 0,320 |
Окончание таблицы 2а*
| w | 0,6 | 0,7 | 0,8 | 0,9 | 0,95 | 1 |
| a | 0,462 | 0,646 | 0,872 | 1,192 | 1,470 | 2,025 |
Допускается также определять sx,cr,ef по следующей формуле
sx,cr,ef =
.
П р и м е ч а н и е. Коэффициент w определяется по формуле
, где j0 следует находить по табл. 3* п. 12 при lef = l.
Для сжатой ортотропной плиты, не воспринимающей местной нагрузки, в формуле (11)* коэффициент a следует принимать равным 2,025, что обеспечивает равенство расчетной длины lef продольных ребер расстоянию между поперечными ребрами l.
12*. Расчет по общей устойчивости ортотропной плиты в целом (сжатой и сжато-изогнутой) при обеспечении условия (11)* следует выполнять по формуле
sxc £ j0 Ry m , (12)*
где sxc — см. п. 11*;
j0 — коэффициент продольного изгиба, принимаемый по табл. 3* в зависимости от гибкости l0;
m — коэффициент условий работы, принимаемый по табл. 60* п. 4.19*.
Таблица 3*
| Коэффициент j0 для стали марок | |||
| Гибкость | 16Д | 15ХСНД | 10ХСНД , |
| 0 | 1,00 | 1,00 | 1,00 |
| 41 | 1,00 | 1,00 | 1,00 |
| 44 | 1,00 | 1,00 | 0,96 |
| 50 | 1,00 | 0,92 | 0,88 |
| 53 | 1,00 | 0,87 | 0,83 |
| 60 | 0,95 | 0,76 | 0,72 |
| 70 | 0,83 | 0,64 | 0,59 |
| 80 | 0,73 | 0,56 | 0,49 |
| 90 | 0,64 | 0,50 | 0,43 |
| 100 | 0,59 | 0,44 | 0,38 |
| 110 | 0,53 | 0,39 | 0,33 |
| 120 | 0,47 | 0,34 | 0,28 |
| 130 | 0,41 | 0,30 | 0,25 |
| 140 | 0,36 | 0,26 | 0,22 |
| 150 | 0,32 | 0,23 | 0,20 |
| 160 | 0,29 | 0,21 | 0,17 |
| 170 | 0,26 | 0,19 | 0,16 |
| 180 | 0,23 | 0,17 | 0,14 |
| 190 | 0,21 | 0,15 | 0,13 |
| 200 | 0,20 | 0,14 | 0,11 |
Гибкость следует определять по формуле
, (13)*
где lef - расчетная (свободная) длина продольных ребер, определяемая из выражения lef = l
. Коэффициент w находят из табл. 2а* по значению
;
Js , Jsl и l - см. п. 3;
a - расстояние между продольными ребрами;
lh - толщина листа настила;
x - коэффициент, принимаемый равным 1,0 —для ортотропной плиты нижнего пояса и по табл. 4* — для плиты верхнего пояса коробчатых главных балок;
A - площадь полного сечения продольного ребра;
- (здесь Jt — момент инерции полного сечения продольного ребра при чистом кручении).
Таблица 4*
| f / i | Коэффициент x |
| 0 | 1,00 |
| 0,01 | 0,75 |
| 0,05 | 0,70 |
| 0,10 | 0,66 |
f — прогиб продольного ребра между поперечными ребрами;
i — радиус инерции полного сечения продольного ребра.
Сжато-изогнутую ортотропную плиту железнодорожных мостов на общую устойчивость следует проверять по формуле (167), принимая гибкость по формуле (13)* при x = 1,0.
13. Тавровые продольные ребра (см. чертежи, в, г) сжатой ортотропной плиты нижнего пояса коробчатых главных балок при изгибно-крутильной форме потери устойчивости следует рассчитывать по формуле (12)*, принимая коэффициент продольного изгиба j0 в зависимости от гибкости l1.
Гибкость l1 следует определять по формуле
, (14)
где Ip = Iy + Iz + A (hw - e)2 ;
l — см. п. 3;
hw — высота стенки ребра толщиной tw (см. чертеж, г);
е — расстояние от центра тяжести полки шириной bf, толщиной tf до центра тяжести таврового продольного ребра (см. чертеж, г);
Iy, Iz — соответственно момент инерции сечения таврового продольного ребра относительно горизонтальной оси у и вертикальной оси z;
;
;
A = bf tf + hw tw .
Для обеспечения местной устойчивости элементов таврового сечения продольного ребра толщина полки и стенки должна удовлетворять требованиям п. 4.45*:
при bf > 0,3 hw продольное ребро полного сечения следует считать двутавром, при bf = 0 — тавром;
при 0 < bf £ 0,3 hw требования к толщине стенки определяются по линейной интерполяции между нормами для двутавра и тавра (bf = 0).
ПРИЛОЖЕНИЕ 19
Обязательное
УЧЕТ ПОЛЗУЧЕСТИ, ВИБРОПОЛЗУЧЕСТИ БЕТОНА
И ОБЖАТИЯ ПОПЕРЕЧНЫХ ШВОВ
В СТАЛЕЖЕЛЕЗОБЕТОННЫХ КОНСТРУКЦИЯХ
1. При учете ползучести бетона в статически определимых конструкциях необходимо определить уравновешенные в пределах поперечного сечения (далее — внутренние) напряжения и соответствующие деформации.
Эпюры относительных деформаций и внутренних напряжений
от ползучести бетона
Для конструкции, состоящей из стальной балки со сплошной стенкой и объединенной с ней в уровне проезда железобетонной плиты (см. чертеж), внутренние напряжения от ползучести бетона в общем случае надлежит определять по следующим формулам:
на уровне центра тяжести бетонной части сечения (растяжение)
sb,kr = -a sbl ; (1)
в крайней фибре нижнего пояса стальной балки (растяжение или сжатие)
; (2)
в крайней фибре верхнего пояса стальной балки (сжатие)
; (3)
в стержнях крайнего ряда ненапрягаемой арматуры плиты при Еr = Ers = Est (сжатие)
















