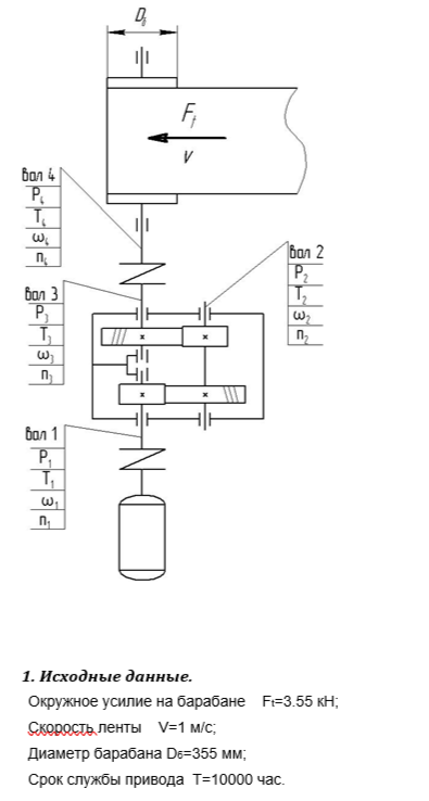
Для студентов МГТУ им. Н.Э.Баумана по предмету Детали машин (ДМ)Привод цепного транспортёра с двухступенчатым цилиндрическим соосным однопоточным мотор-редукторомПривод цепного транспортёра с двухступенчатым цилиндрическим соосным однопоточным мотор-редуктором
4,9951118
2023-09-042023-09-04СтудИзба
Курсовая работа АВМ: Привод цепного транспортёра с двухступенчатым цилиндрическим соосным однопоточным мотор-редуктором вариант 45
Описание
В папке следующие файлы: (сборочный чертеж мотор-редуктора, общий вид, вал, зубчатое колесо, муфта упруго-предохранительная, приводной вал, привод ленточного конвейера, Спецификация редуктора, Спецификация приводного вала, Спецификация привода, Спецификация муфты), РПЗ со всеми расчетами



Характеристики курсовой работы
Предмет
Учебное заведение
Семестр
Номер задания
Вариант
Программы
Просмотров
15
Качество
Идеальное компьютерное
Размер
1,34 Mb
Список файлов
Вал.cdw
Колесо.cdw
Муфта.cdw
Пояснительная записка.doc
Привод.cdw
Приводной вал.cdw
Редуктор.cdw
Спецификация муфты.spw
Спецификация привода.spw
Спецификация приводного вала.spw
Спецификация редуктора.spw

Спасибо за покупку! Я буду очень рад, если поставишь справедливую оценку купленному файлу