Для студентов МГТУ им. Н.Э.Баумана по предмету Сопротивление материаловЗадача 4.1Задача 4.1
4,97514426
2021-12-182024-09-04СтудИзба
Вариант 18 - Прямой изгиб - Задача 4.1
Задача 4.1 вариант 18
-22%
Описание
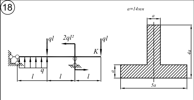
Типовой расчет по сопротивлению материалов №3 "Статически определимые балки", задача № 4.1, зачтено
Условие:
Решение:
Показать/скрыть дополнительное описание
Условие:


Типовой расчет по сопротивлению материалов МГТУ 3 семестр домашнее задание кручение сжатие растяжение.
Характеристики решённой задачи
Предмет
Учебное заведение
Семестр
Номер задания
Вариант
Теги
Просмотров
44
Качество
Фото рукописных листов
Размер
1,24 Mb
Список файлов
Вариант 18 Балки 277.pdf

Спасибо за покупку! Я буду очень рад, если поставишь справедливую оценку купленному файлу :3 Ищи больше работ в моём профиле, там много нужного тебе!