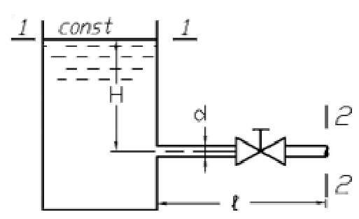
Для студентов по предмету Механика жидкости и газа (МЖГ или Гидравлика)Определить напор Н, который необходимо поддерживать в резервуаре, чтобы расход воды, пропускаемый по трубопроводу диаметром d=50мм, равнялся Q=12л/сОпределить напор Н, который необходимо поддерживать в резервуаре, чтобы расход воды, пропускаемый по трубопроводу диаметром d=50мм, равнялся Q=12л/с
5,0054
2021-10-142021-10-14СтудИзба
Определить напор Н, который необходимо поддерживать в резервуаре, чтобы расход воды, пропускаемый по трубопроводу диаметром d=50мм, равнялся Q=12л/с. Угол открытия крана α=100, длина трубы l=20м. Скоростным напором в резервуаре пренебречь. Построи
Описание
Определить напор Н, который необходимо поддерживать в резервуаре, чтобы расход воды, пропускаемый по трубопроводу диаметром d=50мм, равнялся Q=12л/с. Угол открытия крана α=100, длина трубы l=20м. Скоростным напором в резервуаре пренебречь. Построить линию удельной энергии и пьезометрическую линию (удельной потенциальной энергии)

Характеристики решённой задачи
Программы
Просмотров
28
Качество
Идеальное компьютерное
Размер
101,94 Kb
Список файлов
