Для студентов МГТУ им. Н.Э.Баумана по предмету Электротехника (ЭлТех)Модульное ДЗ №1 по электротехникеМодульное ДЗ №1 по электротехнике
5,0052
2020-12-232020-12-23СтудИзба
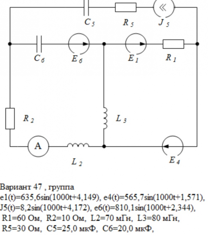
ДЗ 1: Модульное ДЗ №1 по электротехнике вариант 47
Описание

Показать/скрыть дополнительное описание
Типовой расчет по электротехнике МГТУ 6 семестр домашнее задание.
Характеристики домашнего задания
Предмет
Учебное заведение
Номер задания
Вариант
Просмотров
64
Размер
661,89 Kb
Список файлов
fedotov_a_a_iu4-32b_1.pdf

Спасибо за покупку! Я буду очень рад, если поставишь справедливую оценку купленному файлу :3 Ищи больше работ в моём профиле, там много нужного тебе!