Для студентов МГТУ им. Н.Э.Баумана по предмету Инженерная графикадеталировка №60деталировка №60
5,0052
2013-10-052013-10-05СтудИзба
ДЗ: деталировка №60 вариант 60
Описание
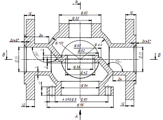
Готовая деталировка №60 (истребитель СИД из звёздных войн (шутка)). Выполнено в инвенторе. Пример чертежа корпуса:
![]()

Характеристики домашнего задания
Предмет
Учебное заведение
Семестр
Вариант
Просмотров
747
Качество
Файлы различного качества
Размер
19,89 Mb
Список файлов
60
60
60_detalir_3D_modeli_i_sborka
Пружина сжатия1.iam
Пружина сжатия11.ipt
Сборка2.0001.iam
Сборка2.iam
в сборке немного не так вставлена втулка из-за того, что в корпусе кверх ногами центр сделан.txt
втулка.ipt
клапан.ipt
корпус 1 (центр должен быть строго наоборот, в чертежах исправлено).ipt
корпус 2.ipt
крышка.ipt
основание.ipt
тарелка.ipt
цилиндр.0001.ipt
шток.ipt
60_detalirovanie_inventor
OldVersions
klapan.0003.idw
korpus.0001.idw
korpus_big_new.0002.idw
krishka.0001.idw
pruzina.0002.idw
stock.0001.idw
tarelka.0001.idw
vtulka.0001.idw
zilindr.0001.idw
klapan.idw

Зарабатывай на студизбе! Просто выкладывай то, что так и так делаешь для своей учёбы: ДЗ, шпаргалки, решённые задачи и всё, что тебе пригодилось.
Начать зарабатывать
Начать зарабатывать