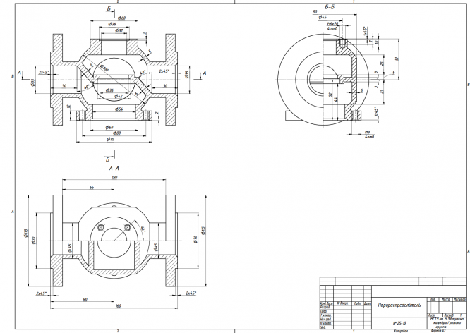
Для студентов МГТУ им. Н.Э.Баумана по предмету Инженерная графикаДеталировка 25-10 (Парораспределитель)Деталировка 25-10 (Парораспределитель)
5,00522
2019-07-222019-07-22СтудИзба
ДЗ 25: Деталировка 25-10 (Парораспределитель) вариант 10
Описание
В архиве абсолютно всё в инвенторе 2016
UPD: Описания, к сожалению, не осталось, но по корпусу понятно, я думаю
UPD: Описания, к сожалению, не осталось, но по корпусу понятно, я думаю

Характеристики домашнего задания
Предмет
Учебное заведение
Семестр
Номер задания
Вариант
Просмотров
751
Размер
9,81 Mb
Список файлов
Втулка.dwg
Клапан.dwg
Клапан.pdf
Корпус.dwg
Корпус.pdf
Крышка 2.dwg
Крышка 2.pdf
Крышка.dwg
Крышка.pdf
Прокладка.dwg
Прокладка.pdf
Пружина.dwg
Тарелка.dwg
Цилиндр.dwg
Цилиндр.pdf
Шток.dwg
втулка.ipt
клапан.ipt
корпус 1.ipt
корпус 2.ipt
крышка 2.ipt
крышка.ipt
прокладка.ipt
пружина.ipt
цилиндр.ipt