raz1_1 (1268621)
Текст из файла
Раздаточный материал
ОБЩАЯ ХАРАКТЕРИСТИКА. УСЛОВНОЕ ГРАФИЧЕСКОЕ ОБОЗНАЧЕНИЕ. НАЗНАЧЕНИЕ ВЫВОДОВ
О
бщая характеристика
Ядро
-
8-битовый микропроцессор;
-
встроенный тактовый генератор;
-
максимум 32 линии ввода-вывода;
-
Булевский процессор;
-
совместимость с ТТЛ и КМОП логическими уровнями;
Память
-
64 КБ адресное пространство внешней памяти программ;
-
64 КБ адресное пространство внешней памяти данных;
-
128-байтовое внутреннее ОЗУ;
Периферия
-
два 16-битовых программируемых счетчика-таймера;
-
программируемый последовательный порт, работающий в режиме UART или сдвигового регистра;
Система прерываний
-
5 источников прерываний;
-
два уровня приоритета;
Управление энергопотреблением:
-
холостой режим (Idle Mode);
-
режим микропотребления (Power Down Mode)
Табл.1.1. Некоторые данные микроконтроллеров семейства 80С51
| Тип | Память программ, байт | Внутренняя память данных, байт | Линий ввода/ вывода | Тактовая частота Fosc, МГц | Максимальная производительность, MIPS | Ток потребления, мА при Fosc = 12 МГц |
| 80C31BH | - | 128 | 32 | 3,5 16 | 16/12=1.33 | 20/5/0,05 |
| 80C51BH | 4K ROM | 128 | 32 | 3,5 16 | 16/12=1.33 | 20/5/0,05 |
| 87C51 | 4K EPROM | 128 | 32 | 3,5 20 | 20/12=1.66 | 20/5/0,05 |
| AT89C51 | 4K Flash | 128 | 32 | 0 24 | 24/12=2 | 20/5/0,04 |
| AT89C52 | 8K Flash | 256 | 32 | 0 24 | 24/12=2 | 25/6,5/0,1 |
| C8051F410/1/2/3 | 32/16 Flash | 256 +2048 | 24 | 0 50 | 50 | 12/8/0,051) |
| 1) При тактовой частоте 50 МГц | ||||||
Таблица 1.2. Назначение выводов
| № вывода | Обозначение | Назначение | Тип |
| 1 – 8 | P1.0 – P1.7 | 8-разрядный двунаправленный порт P1. Имеет внутреннюю подпитку от источника +5 В. Если записать все «1» – на выходе высокий уровень; только при этом можно использовать порт для ввода. Альтернативные функции: Младший байт адреса (A0 – A7) при программировании РПЗУ, ЭРПЗУ (PROM, EPROM) | Вход/ выход |
| 9 | RST | Вывод для сброса МК. Высокий уровень на этом выводе сбрасывает в исходное состояние микроконтроллер. Если запущен генератор, требуется 2 машинных цикла; 19 – для сброса портов. Имеет внутреннюю подпитку. | Вход |
| 10 – 17 | P3.0 – P3.7 | 8-разрядный двунаправленный порт P3. Имеет внутреннюю подпитку от источника +5 В. Если записать все «1» – на выходе высокий уровень; только при этом можно использовать порт для ввода. Альтернативные функции: RXD – вход приемника последовательных данных; TXD – выход передатчика последовательных данных; INT0 – вход внешнего прерывания 0; INT1 – вход внешнего прерывания 1; T0 – вход счетчика-таймера 0; T1– вход счетчика-таймера 1; WR – выход стробирующего импульса при записи во внешнюю память данных; RD – выход стробирующего импульса при чтении из внешней память данных; | Вход/ выход Вход Выход Вход Вход Вход Вход Выход Выход |
| 18 | BQ2 | Выводы для подключения кварцевого резонатора | Выход |
| 19 | BQ1 | Вход | |
| 20 | 0 V | Вывод для подключения к шине нулевого потенциала (общий вывод) | |
| 21 – 28 | P2.0 – P2.7 | 8-разрядный двунаправленный порт P1 с внутренней подпиткой от источника +5 В. Если записать все «1» – на выходе высокий уровень; только в этом случае порт можно использовать для ввода. Альтернативные функции: Старший адресный байт (A8 – A15) при доступе к внешней памяти. Кроме того, используется при программировании и проверке внутренней памяти программ. | Вход/ выход |
| 29 | PSEN | Строб чтения из внешней памяти программ (Program Store Enable) | Выход |
| 30 | ALE | Строб фиксации младшего байта адреса при доступе к внешней памяти. Альтернативные функции: При программировании РПЗУ – сигнал PROG | Выход Вход |
| 31 | EA | External Access Enable. Разрешение доступа к внутренней памяти программ. «1» – внутренняя память разрешена. Альтернативные функции: При программировании РПЗУ – Upp (12, 75 В). | Вход |
| 32 – 39 | P0.7 – P0.0 | 8-разрядный двунаправленный порт P0 с открытым стоком. Допускает нагрузку 8 входов LS TTL. Если записать все «1», то образуется высокоомный вход; только в этом случае порт можно использовать для ввода. Альтернативные функции: Мультиплексированная шина младшего байта адреса/данных при доступе к внешней памяти. Шина данных при программировании внутренней памяти программ. | Вход/ Выход |
| 40 | +5V (Vcc) | Вывод для подключения источника питания |
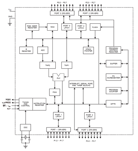
У
прощенная структурная схема AT89C51/52
Упрощенная структура C8051F410/11/12
Карта РСФ 80С51 (80С52)
| F8H | FFH | ||||||||
| F0H | B* 00000000 | F7H | |||||||
| E8H | EFH | ||||||||
| E0H | ACC* 00000000 | E8H | |||||||
| D8H | DFH | ||||||||
| D0H | PSW* 00000000 | D7H | |||||||
| C8H | T2CON* 00000000 | RCAP2L00000000 | RCAP2H00000000 | TL200000000 | TH200000000 | CFH | |||
| C0H | C7H | ||||||||
| B8H | IP* 1 XXX00000 | BFH | |||||||
| B0H | P3* 11111111 | B7H | |||||||
| A8H | IE* 2 0XX00000 | AFH | |||||||
| A0H | P2* 11111111 | A7H | |||||||
| 98H | SCON* 00000000 | SBUF XXXXXXXX | 9FH | ||||||
| 90H | P1* 11111111 | 97H | |||||||
| 88H | TCON* 00000000 | TMOD 00000000 | TL0 00000000 | TL1 00000000 | TH0 00000000 | TH1 00000000 | 8FH | ||
| 80H | P0* 11111111 | SP 00000111 | DPL 00000000 | DPH 00000000 | PCON 0XXX0000 | 87H |
Дополнительные РСФ 80C52; * – РСФ с побитовой адресацией; 1 – XX000000 для 80C52;
2 – 0X000000 для 80C52
ЛИТЕРАТУРА ПО ДИСЦИПЛИНЕ МПС (Часть 1)
-
Боборыкин А.В., Липовецкий Г.П. и др. Справочник. Однокристальные микроЭВМ. М.: МИКАП, 1994. – 400 с.
-
Проектирование цифровых устройств на однокристальных микроконтроллерах/ В.В. Сташин и др. – М.: Энергоатомиздат, 1990. – 224 с.
-
А.Г. Горюнов, С.Н. Ливенцов. Архитектура микроконтроллера INTEL 8051. [Электронный ресурс]. URL: portal.tpu.ru›Кафедры›ФТИ›books_eafu1/Tab/MCS51.pdf – 10.02.2014.
-
www.8052.com
-
М. Предко. Руководство по микроконтроллерам. Том 1. Москва.: ПОСТМАРКЕТ, 2001. – 416 с.
-
www.silabs.com C8051F41x.pdf, Data Sheets C8051F410/1/2/3, Silicon Labs.
-
Macro Assembler and Utilities for 8051 and Variants/ User’s Guide 07. 2000 – Keil Software, Inc.
6
Характеристики
Тип файла документ
Документы такого типа открываются такими программами, как Microsoft Office Word на компьютерах Windows, Apple Pages на компьютерах Mac, Open Office - бесплатная альтернатива на различных платформах, в том числе Linux. Наиболее простым и современным решением будут Google документы, так как открываются онлайн без скачивания прямо в браузере на любой платформе. Существуют российские качественные аналоги, например от Яндекса.
Будьте внимательны на мобильных устройствах, так как там используются упрощённый функционал даже в официальном приложении от Microsoft, поэтому для просмотра скачивайте PDF-версию. А если нужно редактировать файл, то используйте оригинальный файл.
Файлы такого типа обычно разбиты на страницы, а текст может быть форматированным (жирный, курсив, выбор шрифта, таблицы и т.п.), а также в него можно добавлять изображения. Формат идеально подходит для рефератов, докладов и РПЗ курсовых проектов, которые необходимо распечатать. Кстати перед печатью также сохраняйте файл в PDF, так как принтер может начудить со шрифтами.
бщая характеристика
















