РГЗ №2 - Анализ линейной электрической цепи при гармоническом воздействии - Вариант ХХХ (1267109)
Текст из файла
МИНИСТЕРСТВО ОБРАЗОВАНИЯ И НАУКИ РОССИЙСКОЙ ФЕДЕРАЦИИ
НОВОСИБИРСКИЙ ГОСУДАСТВЕННЫЙ ТЕХНИЧЕСКИЙ УНИВЕРСИТЕТ
КАФЕДРА ОБЩЕЙ ЭЛЕКТРОНИКИ
Расчётно-графическое задание №2
Анализ линейной электрической цепи
при гармоническом воздействии
| ОЦЕНКА | ||
| Выполнение | Защита | Общая |
Группа: РС8-51
Выполнил: Гончиков А.Н.
Проверил: Сапсалёв А.В.
Дата:
Новосибирск 2006
| Вычисленные значения | |||||||||||
| Z1 | Z2 | Z3 | U020 | I1 | I2 | I3 | |||||
| Алгебраическая форма | Показательная форма | ||||||||||
| 70-20i | -50i | 90i | |||||||||
| Баланс мощностей | Показания ваттметра | ||||||||||
| Pген | Qген | Pпотр | Qпотр | PW1 | PW2 | ||||||
| 7.991 | 6.953i | 7.754 | 6.938i | -6.376 | 14.376 | ||||||
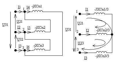
ИСХОДНАЯ СХЕМА
Параметры:
e1= 28.28*sin(200*t+150) B
e2= 42.43*sin(200*t+120) B
L3= 0,350 Гн
C2= 83.33 мкФ
R1= 70 Ом
Lk1= 0,100 Гн Намотка катушки правая
Lk2= 0,250 Гн Намотка катушки левая
M(1-2)= 0,150 Гн
СH= 166,667 мкФ Соединение треугольник
1.Произвести разметку зажимов индуктивно связанных катушек. Составить системы уравнений по законам Кирхгофа в дифференциальной форме для мгновенных значений и в алгебраической форме для комплексных амплитуд.
а) Дифференциальная форма
Схема №1
По первому закону Кирхгофа: ∑ij = 0
1 узел
-i1-i2-i3=0
2узел
i1+i4+i5=0
3узел
i2-i5+i6=0
4узел
i3-i4-i6=0
По второму закону Кирхгофа: ∑Ui = ∑e
1 контур
2 контур
3 контур
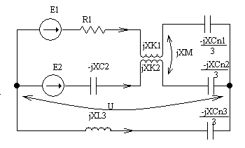
б) Алгебраическая форма
Схема №2
По первому закону Кирхгофа
0 узел
I1+I2+I3=0
1 узел
I1+I4+I5=0
2 узел
I2-I5+I6 =0
3 узел
I3+I4-I6=0
По второму закону Кирхгофа
Первый контур
jXL*I1+jXk1*I1-jXm*I3-jXLn*I5+jXc*I2 = E1-E2
Второй контур
-jXc*I2-jXLn*I6-jXk3*I3+jXm*I1-R3*I3 = E2
Третий контур
jXLn*I4+jXLn*I6+jXLn*I5 = 0
2.Рассчитать токи в ветвях методом комплексных амплитуд. Записать мгновенные значения токов.
Схема №3
Схема №4
Проверка по законам Кирхгофа
Первый закон
0 узел
0,337-0,054i-0.109+0.497i-0.228-0.443i = 0
1 узел
0.337-0.054i-0.149+0.184i-0.188-0.13i = 0
2 узел
-0.109+0.497i-0.04-0.313i+0.149-0.184i = 0
3 узел
-0.228-0.443i+0.188+0.13i+0.04+0.313i = 0
Второй закон
Первый контур
70*(0.337-0.054i)+20i*(0.337-0.054i)+30i*(-0.109+0.497i)+30i*(-0.149+0.184i)-30i(0.337-0.054i)-50i*(-0.109+0.497i)+60i*(0.109+0.497i) = -2.317-15.984i
Второй контур
-60i*(-0.109+0.497i)+50i*(-0.109+0.497i)+30i*(0.337-0.054i)+30i*(-0.04-0.313i)-70i*(-0.228-0.443i) = -17.318+9.998i
Третий контур
30i*(0.188+0.13i-0.04-0.313i-0.149+0.184i) = 0
Мгновенные значения токов
i1 =
i2 =
i3 =
i4 =
i5 =
i6 =
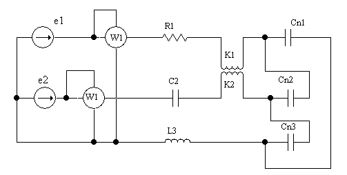
3.Составить баланс мощностей и определить показания ваттметров для исходной схемы.
Показания ваттметров
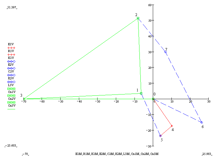
4.Построить для исходной схемы топографической диаграмму напряжений, совместив её с векторной диаграммой токов.
Расчёт потенциалов
Векторные диаграммы были построены в программе MathCAD.
Векторная диаграмма токов
Векторная диаграмма напряжений
Характеристики
Тип файла документ
Документы такого типа открываются такими программами, как Microsoft Office Word на компьютерах Windows, Apple Pages на компьютерах Mac, Open Office - бесплатная альтернатива на различных платформах, в том числе Linux. Наиболее простым и современным решением будут Google документы, так как открываются онлайн без скачивания прямо в браузере на любой платформе. Существуют российские качественные аналоги, например от Яндекса.
Будьте внимательны на мобильных устройствах, так как там используются упрощённый функционал даже в официальном приложении от Microsoft, поэтому для просмотра скачивайте PDF-версию. А если нужно редактировать файл, то используйте оригинальный файл.
Файлы такого типа обычно разбиты на страницы, а текст может быть форматированным (жирный, курсив, выбор шрифта, таблицы и т.п.), а также в него можно добавлять изображения. Формат идеально подходит для рефератов, докладов и РПЗ курсовых проектов, которые необходимо распечатать. Кстати перед печатью также сохраняйте файл в PDF, так как принтер может начудить со шрифтами.
















