Отчет по ЛР №15 - Исследование переходных процессов в цепи с двумя реактивными элементами (1267065)
Текст из файла
Министерство образования и науки Российской Федерации
Новосибирский государственный технический университет
Кафедра Общей электротехники
Отчёт по лабораторной работе №15
по ОТЦ
“Исследование переходных процессов в цепи
С двумя реактивными элементами”
Факультет: РЭФ
Группа: РТС9-32
Студенты: Бутич Р.
Ганичева И.
Калашникова В.
Преподаватель: Афанасьев В.В.
Новосибирск 2005
Цель работы: Исследовать переходные процессы в цепи RLC при питании её от источника прямоугольных импульсов. Установить влияние параметров цепи на характер переходного процесса.
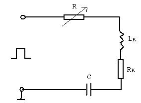
Цепь:
Выходные параметры генератора Параметры цепи
| E1 | f |
| В | Гц |
| 2 | 1000 |
| R | C | LK | RK |
| Ом | мкФ | мГн | Ом |
| 100 | 0,033 | 10.7 | 42.2 |
1) Построить осциллограммы напряжений
Осциллограмма напряжений Uвх(t)
| Масштаб | |
| мс/дел | В/дел |
| 0,2 | 1 |
Осциллограмма напряжений UR(t)
| Масштаб | |
| мс/дел | В/дел |
| 0,2 | 1 |
Осциллограмма напряжений UC(t)
| Масштаб | |
| мс/дел | В/дел |
| 0,2 | 1 |
2) По кривой напряжения UR(t) определить период Тсв и
,коэффициент затухания б
Тсв=100*10-3сек Im(t1)=0.3 Im(t2)=0.2
3)Рассчитать по известным параметрам контура и сравнить их со значение,
полученными экспериментально.
4)Установить и записать величину R ,при которой в цепи имеет место апериодический
процесс. Зарисовать в масштабе осциллограммы напряжений
При R=4кОм
Осциллограмма напряжений UR(t)
| Масштаб | |
| мс/дел | В/дел |
| 0,2 | 1 |
Осциллограмма напряжений UC(t)
| Масштаб | |
| мс/дел | В/дел |
| 0,2 | 1 |
Вывод: В данной работе мы исследовали переходные процессы в цепи RLC.
Получили кривые изменений токов и напряжений в переходном режиме.
Практические расчёты сошлись с теоретическими.
Характеристики
Тип файла документ
Документы такого типа открываются такими программами, как Microsoft Office Word на компьютерах Windows, Apple Pages на компьютерах Mac, Open Office - бесплатная альтернатива на различных платформах, в том числе Linux. Наиболее простым и современным решением будут Google документы, так как открываются онлайн без скачивания прямо в браузере на любой платформе. Существуют российские качественные аналоги, например от Яндекса.
Будьте внимательны на мобильных устройствах, так как там используются упрощённый функционал даже в официальном приложении от Microsoft, поэтому для просмотра скачивайте PDF-версию. А если нужно редактировать файл, то используйте оригинальный файл.
Файлы такого типа обычно разбиты на страницы, а текст может быть форматированным (жирный, курсив, выбор шрифта, таблицы и т.п.), а также в него можно добавлять изображения. Формат идеально подходит для рефератов, докладов и РПЗ курсовых проектов, которые необходимо распечатать. Кстати перед печатью также сохраняйте файл в PDF, так как принтер может начудить со шрифтами.
















