Отчет по ЛР №5 - Моделирование биполярного транзистора в режиме большого сигнама (1267039)
Текст из файла
Министерство образования и науки Российской Федерации
Новосибирский Государственный Технический Университет
Отчет к лабораторной работе № 5
по электронике
«Моделирование биполярного транзистора
в режиме большого сигнала»
Выполнил: Проверил: Митич В.В.
Факультет: РЭФ
Группа: РКС10-32 отметка о защите:
Студенты: Николаев В.В.
Дата: << >> 2005г.
Новосибирск
2005
Цель работы
Изучить методику экспериментального определения параметров транзистора модели Эберса-Молла. Рассчитать входные и выходные характеристики.
Рис. 1. Эквивалентная схема транзистора в модели Эберса-Молла
Iэ, Iк, Iб – токи эмиттера, коллектора и базы, соответственно;
I1, I2 – инжектируемые токи эмиттерного и коллекторного переходов;
α∙I1, αI∙I2 – собираемые токи эмиттерного и коллекторного переходов;
α – коэффициент передачи тока эмиттера в активном режиме;
αI – коэффициент передачи тока коллектора в инверсном режиме;
Uэб, Uкб – напряжения на эмиттерном и коллекторном переходах.
1. Экспериментальная часть
1. Снятие зависимости β = ƒ(|Uкэ|)
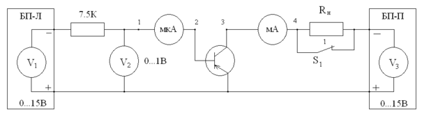
Рис. 2. Схема экспериментальной установки
Uкэ = -12 В Iбр = 77,5 мкА
Iкр = 2 мА Uбэр `= 0,22 В
| Uкэ, В | -12 | -9 | -5 | -1 | -0.5 |
| Iк, мА | 2 | 1.9 | 1.7 | 1.6 | 1.5 |
| β | 25.806 | 24.516 | 21.935 | 20.645 | 19.355 |
Рис. 3. График зависимости Iк = ƒ(|Uкэ|) при Iб = Iбр = const
Рис. 4. График зависимости β = ƒ(|Uкэ|) при Iб = Iбр = const
2. Определение обратных токов транзистора
Рис. 5. Схема установки для измерения Iкэо
Iкэо = 38 мкА,
Uкэ = -12 В, β(Uкэ) = 25.806, φТ = 0.026 В
3. Расчетная часть
3.1. Нахождение аппроксимирующей прямой
2
5.806 = β0 + k · 12, k = 0.455
20.645 = β0 + k · 1; β0 = 20.19
β(Uкэ) = 20.19 + 0.455 · |Uкэ|
Рис. 6. График аппроксимирующей прямой
3.2. Зависимость α = ƒ(|Uкэ|)
| Uкэ, В | -12 | -9 | -5 | -1 | -0.5 |
| α | 0.9627 | 0.9608 | 0.9564 | 0.9538 | 0.9509 |
3.3. Значение αI
3.4. Коэффициенты уравнений Эберса-Молла
| Uкэ, В | -0.5 | -1 | -5 | -9 | -12 |
| α | 0.9509 | 0.9538 | 0.9564 | 0.9608 | 0.9627 |
| a11·10-6 | -1.5474 | -1.5426 | -1.5384 | -1.5314 | -1.5284 |
| a12·10-6 | -1.49 | -1.485 | -1.481 | -1.474 | -1.471 |
| a21·10-6 | -1.471 | -1.471 | -1.471 | -1.471 | -1.471 |
| a22·10-9 | 1.097 | 1.093 | 1.09 | 1.085 | 1.083 |
3.5. Семейство входных характеристик Iб = ƒ(|Uбэ|), при Uкэ = const
Uбэ = -0.1, -0.15, -0.2, -0.25 B; Uкэ = -1, -12 B
| Uбэ, В | -0.1 | -0.15 | -0.2 | -0.25 |
| Iб, ∙10-12 А [Uкэ = -12 B] | -1.39 | -9.571 | -65.49 | -448.061 |
| Iб, ∙10-12 А [Uкэ = -1 B] | -1.748 | -11.964 | -81.85 | -560.072 |
Рис. 7. График семейства входных характеристик
3.6. Семейство выходных характеристик Iк = ƒ(|Uкэ|), при Iб = const
Uкэ = -0.5, -1, -5, -12 B; Iб = Iбр/2, Iбр, 2Iбр
| Uкэ | -0.5 | -1 | -5 | -12 |
| Iк, ∙10-4 А [Iб = Iбр/2] | 8.304 | 8.823 | 9.861 | 10.38 |
| Iк, ∙10-3 А [Iб = Iбр] | 1.63 | 1.732 | 1.936 | 2.038 |
| Iк, ∙10-3 А [Iб = 2Iбр] | 3.23 | 3.432 | 3.836 | 4.038 |
Рис. 8. График семейства выходных характеристик
Rдин = 11.5/(2.038 – 1.63)∙10-3 = 2.821 ∙ 104 Ом
3.7. Выходная характеристика Iк = ƒ(|Uкэ|), при Iб = Iбр
без учета эффекта модуляции ширины базы
| Uкэ, В | -0.5 | -1 | -5 | -12 |
| Iк, мА | 2.038 | 2.038 | 2.038 | 2.038 |
Рис. 9. График выходной характеристики без учета
модуляции ширины базы
Вывод: в данной работе была изучена методика экспериментального определения параметров транзистора для модели Эберса-Молла, рассчитаны входные и выходные характеристики. Эта модель транзистора широко используется во многих пакетах компьютерного моделирования электрических цепей, т.к. она универсальна, в ней нет ограничений на величину токов и напряжений, с помощью нее моделируются все режимы работы транзистора.
Характеристики
Тип файла документ
Документы такого типа открываются такими программами, как Microsoft Office Word на компьютерах Windows, Apple Pages на компьютерах Mac, Open Office - бесплатная альтернатива на различных платформах, в том числе Linux. Наиболее простым и современным решением будут Google документы, так как открываются онлайн без скачивания прямо в браузере на любой платформе. Существуют российские качественные аналоги, например от Яндекса.
Будьте внимательны на мобильных устройствах, так как там используются упрощённый функционал даже в официальном приложении от Microsoft, поэтому для просмотра скачивайте PDF-версию. А если нужно редактировать файл, то используйте оригинальный файл.
Файлы такого типа обычно разбиты на страницы, а текст может быть форматированным (жирный, курсив, выбор шрифта, таблицы и т.п.), а также в него можно добавлять изображения. Формат идеально подходит для рефератов, докладов и РПЗ курсовых проектов, которые необходимо распечатать. Кстати перед печатью также сохраняйте файл в PDF, так как принтер может начудить со шрифтами.
















