Отчет по ЛР №2 - Исследование линейной электрической цепи постоянного тока (1267036)
Текст из файла
Министерство Образования Российской Федерации
Новосибирский Государственный Технический Университет
Кафедра Общей электроники
Отчет по лабораторной работе № 2
По ОТЦ
Исследование линейной электрической цепи
постоянного тока
Факультет: РЭФ
Группа: РТС9-81
Бобров К.И.
Преподователь: Касаткина Е.Г
Новосибирск, 2009
.
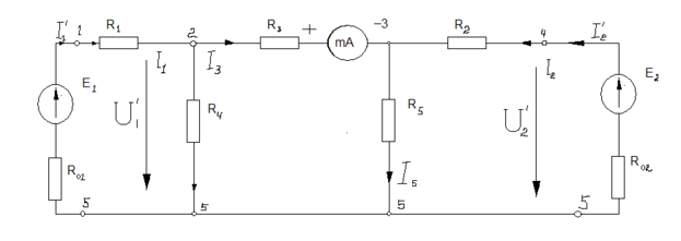
Цель работы: Изучит методы экспериментального исследования распределения токов и потенциалов в разветвленной цепи при воздействии нескольких ( в данном случае - двух) источников постоянного напряжения. Получить экспериментальное подтверждение принципов суперпозиции (наложение) и обратимости (взаимности). С помощью программы MathCAD найти токораспределение в заданной схеме.
Задание:
-
определить значение сопротивление резисторов R1…..R5 и напряжений холостого хода U01 и U02 (ЭДС E1 =U01 и E2 = U02 )источников.
-
найти распределение значений напряжений узлов (потенциалов) цепи.
-
проверить спроведливость принципа суперпозиции для цепи с двумя источниками напряжения.
-
проверить справедливость принципа взаимности (обратимости) для цепи с одним источником напряжения.
-
определить значения параметров активного двухполюсника.
-
найти линейную зависимость значений токов двухветвей схемы.
1)Измерить цифровым комбинированным прибором значение напряжений холостого хода.
| E1 | E2 | R01 | R02 | R1 | R2 | R3 | R4 | R5 |
| B | B | Oм | Ом | Ом | Ом | Ом | Ом | Ом |
| 12,8 | 9 | 12 | 0,5 | 79,3 | 450 | 52 | 99,8 | 147,9 |
2) Вычислить значения токов в резисторе R1 R2 и активных ветвей I1 I2
| I1! | I2! | I1 | I2 | I3 | I4 | I5 | |||||
| B | B | B | B | B | A*103 | A | мA | мA | мA | мA | мA |
| 12,5 | 6 | 4,7 | 9 | 0 | 13,3 | 1,5 | 81,97 | 9,56 | 25 | 60,12 | 31,78 |
21 мА –ток на миллиамперметре
1 закон Крхгофа:
I1=|
1-
2|/ R1=81,97 mA ; I4=|
2-
2|/ R4=60,12 mA
I2=|
3-
4|/ R2=9,56 mA ; I5=|
3-
5|/ R5=31,78 mA
1: I’1 – I1 =0
2: I1-I3-I4=0
3: I3+I2-I5=0
4: I’2-I2=0
4) Вычислить значения тока I3 путем наложения и сравнить полученный результат с табличным.
| I3` | I3`` | I3 |
| мА | мА | мА |
| 32 | -10 | 20 |
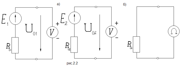
V. Определение значений параметров активного двухполюсника.
а)
б)
-
+
I3=32
VI. Нахождение линейной зависимости значений токов двух ветвей схемы.
| U4ix | I4iк |
В | мА |
| 8.98 | 58.5 |
I4=0.15
Характеристики
Тип файла документ
Документы такого типа открываются такими программами, как Microsoft Office Word на компьютерах Windows, Apple Pages на компьютерах Mac, Open Office - бесплатная альтернатива на различных платформах, в том числе Linux. Наиболее простым и современным решением будут Google документы, так как открываются онлайн без скачивания прямо в браузере на любой платформе. Существуют российские качественные аналоги, например от Яндекса.
Будьте внимательны на мобильных устройствах, так как там используются упрощённый функционал даже в официальном приложении от Microsoft, поэтому для просмотра скачивайте PDF-версию. А если нужно редактировать файл, то используйте оригинальный файл.
Файлы такого типа обычно разбиты на страницы, а текст может быть форматированным (жирный, курсив, выбор шрифта, таблицы и т.п.), а также в него можно добавлять изображения. Формат идеально подходит для рефератов, докладов и РПЗ курсовых проектов, которые необходимо распечатать. Кстати перед печатью также сохраняйте файл в PDF, так как принтер может начудить со шрифтами.
















