Дифференциальный усилитель (1266570)
Текст из файла
Дифференциальный усилитель - это широко известная схема, используемая для усиления разности напряжений двух входных сигналов. В идеальном случае выходной сигнал не зависит от уровня каждого из входных сигналов, а определяется только их разностью. Когда уровни сигналов на обоих входах изменяются одновременно, то такое изменение входного сигнала называют синфазным. Дифференциальный или разностный входной сигнал называют еще нормальным или полезным. Хороший дифференциальный усилитель обладает высоким коэффициентом ослабления синфазного сигнала (КОСС), который представляет собой отношение выходного полезного сигнала к выходному синфазному сигналу, при условии что полезный и синфазный входные сигналы имеют одинаковую амплитуду. Обычно КОСС определяют в децибелах. Диапазон изменения синфазного входного сигнала задает допустимые уровни напряжения, относительно которого должен изменяться входной сигнал.
Дифференциальные усилители используют в тех случаях, когда слабые сигналы можно потерять на фоне шумов. Примерами таких сигналов являются цифровые сигналы, передаваемые по длинным кабелям (кабель обычно состоит из двух скрученных проводов), звуковые сигналы (в радиотехнике понятие «балансный» импеданс обычно связывают с дифференциальным импедансом 600 Ом), радиочастотные сигналы (двухжильный кабель является дифференциальным), напряжения электрокардиограмм, сигналы считывания информации из магнитной памяти и многие другие. Дифференциальный усилитель на приемном конце восстанавливает первоначальный сигнал, если синфазные помехи не очень велики. Дифференциальные каскады широко используют при построении операционных усилителей, которые мы рассматриваем ниже. Они играют важную роль при разработке усилителей постоянного тока (которые усиливают частоты вплоть до постоянного тока, т.е. не используют для межкаскадной связи конденсаторы): их симметричная схема по сути своей приспособлена для компенсации температурного дрейфа.
На рис. 2.67 показана основная схема дифференциального усилителя. Выходное напряжение измеряется на одном из коллекторов относительно потенциала земли; такой усилитель называют схемой с однополюсным выходом или разностным усилителем и он распространен наиболее широко. Этот усилитель можно рассматривать как устройство, которое усиливает дифференциальный сигнал и преобразует его в несимметричный сигнал, с которым могут работать обычные схемы (повторители напряжения, источники тока и т. п.). Если же нужен дифференциальный сигнал, то его снимают между коллекторами.
Рис. 2.67. Классический транзисторный дифференциальный усилитель.
Чему равен коэффициент усиления этой схемы? Его нетрудно подсчитать: допустим, на вход подается дифференциальный сигнал, при этом напряжение на входе 1 увеличивается на величину uвх (изменение напряжения для малого сигнала по отношению ко входу).
До тех пор пока оба транзистора находятся в активном режиме, потенциал точки А фиксирован. Коэффициент усиления можно определить как и в случае усилителя на одном транзисторе, если заметить, что входной сигнал оказывается дважды приложенным к переходу база-эмиттер любого транзистора: Кдиф = Rк/2(rэ + Rэ). Сопротивление резистора Rэ обычно невелико (100 Ом и меньше), а иногда этот резистор вообще отсутствует. Дифференциальное напряжение обычно усиливается в несколько сотен раз.
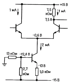
Для того чтобы определить коэффициент усиления синфазного сигнала, на оба входа усилителя нужно подать одинаковые сигналы ивх. Если вы внимательно рассмотрите этот случай (и вспомните, что через резистор R1 протекают оба эмиттерных тока), то получите Ксинф = - Rк/(2R1 + Rэ). Мы пренебрегаем сопротивлением rэ, так как резистор R1 обычно выбирают большим - его сопротивление составляет по крайней мере несколько тысяч ом. На самом деле сопротивлением Rэ тоже можно пренебречь. КОСС приблизительно равен R1(rэ + Rэ). Типичным примером дифференциального усилителя является схема, представленная на рис. 2.68. Рассмотрим, как она работает.
Рис. 2.68. Вычисление характеристик дифференциального усилителя.
Кдиф = Uвых/(U1 - U2) = Rк/2(Rэ + rэ):
Кдиф = Rк/(2R1 + Rэ + rэ);
КОСС ≈ R1/(Rэ + rэ).
Сопротивление резистора Rк выбрано так. чтобы коллекторный ток покоя можно было взять равным 100 мкА. Как обычно, для получения максимального динамического диапазона потенциал коллектора установлен равным 0,5 Uкк. У транзистора Т1 коллекторный резистор отсутствует, так как его выходной сигнал снимается с коллектора другого транзистора. Сопротивление резистора R1 выбрано таким, что суммарный ток равен 200 мкА и поровну распределен между транзисторами, когда входной (дифференциальный) сигнал равен нулю. Согласно только что выведенным формулам коэффициент усиления дифференциального сигнала равен 30, а коэффициент усиления синфазного сигнала равен 0,5. Если исключить из схемы резисторы 1.0 кОм, то коэффициент усиления дифференциального сигнала станет равен 150, но при этом уменьшится входное (дифференциальное) сопротивление с 250 до 50 кОм (если необходимо, чтобы величина этого сопротивления имела порядок мегаом, то во входном каскаде можно использовать транзисторы Дарлингтона).
Напомним, что в несимметричном усилителе с заземленным эмиттером при выходном напряжении покоя 0,5 Uкк максимальное усиление равно 20 Uкк, где Uкк выражено в вольтах. В дифференциальном усилителе максимальное дифференциальное усиление (при Rэ = 0) вдвое меньше, т.е. численно равно двадцатикратному падению напряжения на коллекторном резисторе при аналогичном выборе рабочей точки. Соответствующий максимальный КОСС (при условии, что Rэ = 0) также численно в 20 раз превышает падение напряжения на R1.
Упражнение 2.13. Убедитесь, что приведенные соотношения правильны. Разработайте дифференциальыи усилитель по вашим собственным требованиям.
Дифференциальный усилитель можно образно назвать «длиннохвостой парой», так как, если длина резистора на условном обозначении пропорциональна величине его сопротивления, схему можно изобразить в таком виде, как показано на рис. 2.69. «Длинный хвост» определяет подавление синфазного сигнала, а небольшие сопротивления межэмиттерной связи (включающие собственные сопротивления эмиттеров) - усиление дифференциального сигнала.
Рис. 2.69.
Смещение с помощью источника тока. Усиление синфазного сигнала в дифференциальном усилителе можно значительно уменьшить, если резистор R1 заменить источником тока. При этом действующее значение сопротивления R1 станет очень большим, а усиление синфазного сигнала будет ослаблено почти до нуля. Представим себе, что на входе действует синфазный сигнал; источник тока в эмиттерной цепи поддерживает полный эмиттерный ток постоянным, и он (в силу симметрии схемы) равномерно распределяется между двумя коллекторными цепями. Следовательно, сигнал на выходе схемы не изменяется. Пример подобной схемы приведен на рис. 2.70. Для этой схемы, в которой использованы монолитная транзисторная пара типа LM394 (транзисторы Т1 и Т2) и источник тока типа 2N5963, величина КОСС определяется отношением 100 000:1 (100 дБ). Диапазон входного синфазного сигнала ограничен значениями —12 и + 7 В: нижний предел определяется рабочим диапазоном источника тока в эмиттерной цепи, а верхний - коллекторным напряжением покоя.
Рис. 2.70. Увеличение КОСС дифференциального усилителя с помощью источника тока.
Не забывайте о том, что в этом усилителе, как и во всех транзисторных усилителях, должны быть предусмотрены цепи смешения по постоянному току. Если, например, для межкаскадной связи на входе используется конденсатор, то должны быть включены заземленные базовые резисторы. Еще одно предостережение относится в особенности к дифференциальным усилителям без эмиттерных резисторов: биполярные транзисторы могут выдержать обратное смещение на переходе база-эмиттер величиной не более 6 В. Затем наступает пробой; значит, если подать на вход дифференциальное входное напряжение большей величины, то входной каскад будет разрушен (при условии, что отсутствуют эмиттерные резисторы). Эмиттерный резистор ограничивает ток пробоя и предотврашает разрушение схемы, но характеристики транзисторов могут в этом случае деградировать (коэффициент h21э, шумы и др.). В любом случае входной импеданс существенно падает, если возникает обратная проводимость.
Применения дифференциальных схем в усилителях постоянного тока с однополюсным выходом. Дифференциальный усилитель может прекрасно работать как усилитель постоянного тока даже с несимметричными (односторонними) входными сигналами. Для этого нужно один из его входов заземлить, а на другой подать сигнал (рис. 2.71). Можно ли исключить «неиспользуемый» транзистор из схемы? Нет. Дифференциальная схема обеспечивает компенсацию температурного дрейфа, и, даже когда один вход заземлен, транзистор выполняет некоторые функции: при изменении температуры напряжения Uбэ изменяются на одинаковую величину, при этом не происходит никаких изменений на выходе и не нарушается балансировка схемы. Это значит, что изменение напряжения Uбэ не усиливается с коэффициентом Кдиф (его усиление определяется коэффициентом Ксинф, который можно уменьшить почти до нуля). Кроме того, взаимная компенсация напряжений Uбэ приводит к тому, что на входе не нужно учитывать падения напряжения величиной 0,6 В. Качество такого усилителя постоянного тока ухудшается только из-за несогласованности напряжений Uбэ или их температурных коэффициентов. Промышленность выпускает транзисторные пары и интегральные дифференциальные усилители с очень высокой степенью согласования (например, для стандартной согласованной монолитной пары n-p-n - транзисторов типа МАТ-01 дрейф напряжения Uбэ определяется величиной 0,15 мкВ/°С или 0,2 мкВ за месяц).
Рис. 2.71. Дифференциальный усилитель может работать как прецизионный усилитель постоянного тока с однополюсным выходом.
В предыдущей схеме можно заземлить любой из входов. В зависимости от того, какой вход заземлен, усилитель будет или не будет инвертировать сигнал. (Однако, из-за наличия эффекта Миллера, речь о котором пойдет в разд. 2.19, приведенная здесь схема предпочтительна для диапазона высоких частот). Представленная схема является неинвертирующей, значит, в ней заземлен инвертирующий вход. Терминология, относящаяся к дифференциальным усилителям, распространяется также на операционные усилители, которые представляют собой те же дифференциальные усилители с высоким коэффициентом усиления.
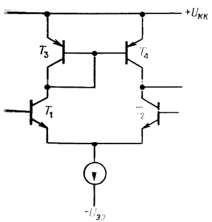
Использование токового зеркала в качестве активной нагрузки. Иногда желательно, чтобы однокаскадный дифференциальный усилитель, как и простой усилитель с заземленным эмиттером, имел большой коэффициент усиления. Красивое решение дает использование токового зеркала в качестве активной нагрузки усилителя (рис. 2.72). Транзисторы Т1 и Т2 образуют дифференциальную пару с источником тока в эмиттерной цепи. Транзисторы Т3 и Т4, образующие токовое зеркало, выступают в качестве коллекторной нагрузки. Тем самым обеспечивается высокое значение сопротивления коллекторной нагрузки, благодаря этому коэффициент усиления по напряжению достигает 5000 и выше при условии, что нагрузка на выходе усилителя отсутствует. Такой усилитель используют, как правило, только в схемах, охваченных петлей обратной связи, или в компараторах (их мы рассмотрим в следующем разделе). Запомните, что нагрузка для такого усилителя обязательно должна иметь большой импеданс, иначе усиление будет существенно ослаблено.
Рис. 2.72. Дифференциальный усилитель с токовым зеркалом в качестве активной нагрузки.
Дифференциальные усилители как схемы расщепления фазы. На коллекторах симметричного дифференциального усилителя возникают сигналы, одинаковые по амплитуде, но с противоположными фазами. Если снимать выходные сигналы с двух коллекторов, то получим схему расщепления фазы. Конечно, можно использовать дифференциальный усилитель с дифференциальными входами и выходами. Дифференциальный выходной сигнал можно затем использовать для управления еше одним дифференциальным усилительным каскадом, величина КОСС для всей схемы при этом значительно увеличивается.
Дифференциальные усилители как компараторы. Благодаря высокому коэффициенту усиления и стабильным характеристикам дифференциальный усилитель является основной составной частью компаратора - схемы, которая сравнивает входные сигналы и оценивает, какой из них больше. Компараторы используют в самых различных областях: для включения освещения и отопления, для получения прямоугольных сигналов из треугольных, для сравнения уровня сигнала с пороговым значением, в усилителях класса D и при импульсно-кодовой модуляции, для переключения источников питания и т.д. Основная идея при построении компаратора заключается в том. что транзистор должен включаться или выключаться в зависимости от уровней входных сигналов. Область линейного усиления не рассматривается - работа схемы основывается на том, что один из двух входных транзисторов в любой момент находится в режиме отсечки. Типичное применение с захватом сигнала рассматривается в следующем разделе на примере схемы регулирования температуры, в которой используются резисторы, сопротивление которых зависит от температуры (термисторы).
Характеристики
Тип файла документ
Документы такого типа открываются такими программами, как Microsoft Office Word на компьютерах Windows, Apple Pages на компьютерах Mac, Open Office - бесплатная альтернатива на различных платформах, в том числе Linux. Наиболее простым и современным решением будут Google документы, так как открываются онлайн без скачивания прямо в браузере на любой платформе. Существуют российские качественные аналоги, например от Яндекса.
Будьте внимательны на мобильных устройствах, так как там используются упрощённый функционал даже в официальном приложении от Microsoft, поэтому для просмотра скачивайте PDF-версию. А если нужно редактировать файл, то используйте оригинальный файл.
Файлы такого типа обычно разбиты на страницы, а текст может быть форматированным (жирный, курсив, выбор шрифта, таблицы и т.п.), а также в него можно добавлять изображения. Формат идеально подходит для рефератов, докладов и РПЗ курсовых проектов, которые необходимо распечатать. Кстати перед печатью также сохраняйте файл в PDF, так как принтер может начудить со шрифтами.
















