Семинар 5 (Вариант на 2017) Пожарная обстановка(5) (1254559), страница 5
Текст из файла (страница 5)
- допустимая плотность облучения без средств защиты
qкр= qдоп = 1050 Вт/м2 (таблица А3).
3. Искомая величина
минимальное безопасное расстояние r пожарного от горящего штабеля торфа
Решение,
1. Размеры факела пламени горящего штабеля торфа определяется согласно ВАРИАНТА 4:
высота пламени Н пл равна произведению высоты штабеля h = 1,5 м ,
умноженного на коэффициент Кф= 2 (табл.А1 для торфа брикетного):
Н пл = h . Кф =1,5 .2 =3 м,
ширина (длина) пламени равна длине штабеля L пл = lштабеля = 3 м.
2. Расположение критической точки относительно факела пламени и определение значений параметров a и b модели облучения : - поскольку высота пламени горящего торфа составляет Н пл =3 м , а критическая точка (КТ) должна выбираться в наиболее неблагоприятном месте на теле пожарного, т.е. ближе к центру пламени на высоте роста пожарного 1,5 м. Значит КТ оказывается напротив центра факела пламени (по его ширине и высоте) (Вариант а). Следовательно плоская прямоугольная ОБЩАЯ ПОВЕРХНОСТЬ ВСЕГО ФАКЕЛА пламени состоит из 4 (четырех) одинаковых прямоугольников , характеризуемых одинаковым ЧАСТНЫМ коэффициентом облученности ’, и каждый из этих прямоугольников имеет размеры
L= L пл /2 = 3 : 2 = 1, 5 м и H = Н пл /2 = 3 :2 =1,5 м,
с ОДИНАКОВЫМИ сторонами
* b = max {Н; L} = 1,5 м и
* a= min {Н ; L} = 1,5 м;
Прямоугольник (квадрат) характеризуется соотношением
b/ a = 1,5 / 1,5 = 1
3.Для Варианта а ПОЛНЫЙ коэффициент облученности равен
= 4’(b/ a ; r/a) = 4’
4. Величины eпр равна
= 1 : [ (1/0,7 + 1/0,5) - 1] = 0,412
5. Для человека по таблице А3 допустимая плотность облучения без средств защиты qкр = 1050 Вт/м2
6. Из формулы для qкр :
получают значение
ПОЛНОГО коэффициента облученности
= 0,0172.
Затем из соотношения = 4’ находят ’/40,0172/ 4 = 0,0043
-
Для ’ = 0,0043 при b/a = 1 по таблице 1 или по графику 2б (примерно, с некоторой точностью ) находим значение r/a = 6 и отсюда
r = 6 .1,5 ≈ 9,0 м
ОТВЕТ: минимальное безопасное расстояние для пожарного без специальных защитных средств (в рабочей робе), с которого он сможет гасить пожар длительное время, составляет 9 метров.
ВАЖНОЕ ЗАМЕЧАНИЕ !!! (к возможным вариантам Задачи 3)
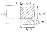
В случае, когда критическая точка (например,– голова пожарного, тушащего горящий объект, /здание, штабель и т.п./) находится ВЫШЕ нижнего среза, но НИЖЕ центра факела, имеет место Вариант в схемы облучения (см. рисунок)
По Варианту в параметры каждого модуля (прямоугольника) 1 и 2 определяются НЕЗАВИСИМО.
(Больший размер КАЖДОГО прямоугольника принимается в качестве величины b.)
для модуля (прямоугольника) 1 a 1 и b1, b1 / a 1
для модуля (прямоугольника) 2 a 2 и b 2 b2 / a 2
При решении ОБРАТНОЙ задачи на определение БЕЗОПАСНОГО РАССТОЯНИЯ r от факела, представленного 2-мя модулями (прямоугольниками) 1 и 2 , до критической точки облучения (например, головы пожарного) ИЗВЕСТНА допустимая плотность облучения для человека qдоп ( Вт/м 2).
В этом случае по известному qдоп может быть рассчитан ПОЛНЫЙ коэффициент облученности ВСЕГО факела пламени по формуле
Из известного соотношения между ПОЛНЫМ и составляющими его ЧАСТНЫМИ ’ коэффициентами облучения для Варианта в
’1 +2’2 = 2 (’1 +’2 )
при решении ОБРАТНОЙ задачи может быть образована и использована (применена) ПРОМЕЖУТОЧНАЯ величина ЧАСТНОГО коэффициента облучения ’ Σ, характерная для среднего (промежуточного) положения КТ, т.е. ниже центра и выше нижнего среза факела пламени (между Вариантами а и б).
Эта ПРОМЕЖУТОЧНАЯ величина ЧАСТНОГО коэффициента облучения ’ Σ, берется равной СУММЕ ЧАСТНОГО коэффициента облучения ’1для модуля (прямоугольника) 1 и ЧАСТНОГО коэффициента облучения ’2 для модуля (прямоугольника) 2 :
’ Σ = (’1 +’2 ) = /
При решении ОБРАТНОЙ задачи на определение БЕЗОПАСНОГО РАССТОЯНИЯ r от факела предлагается следующий подход, базирующийся на некоторых допущениях.
Для каждого модуля (прямоугольников) 1 и 2 по b1/a 1 и b2 /a2 по таблице (1) или графикам (2а и 2б) для вычисленного ’ Σ находим r1 / a1 и r2 / a2 , а затем r1 и r2 .
Считаем, в частности, что действие на человека-пожарного части факела от модуля (прямоугольника) 1 , характеризуемого размерами b1/a 1 и коэффициентом облучения ’ Σ , требует отодвинуть его на полученное расстояние r1 , а действие другой части факела от модуля (прямоугольника) 2 , характеризуемого размерами b2 /a2 и тем же коэффициентом облучения ’ Σ , требует его отодвинуть ЕЩЕ на расстояние r2 ДОПОЛНИТЕЛЬНО.
Таким образом, допустимое безопасное расстояние для пожарного r доп, должно определяться ( при принятых дополнительных допущениях, гарантирующих увеличенный запас безопасности), как СУММА найденных значений r1 и r2 :
r доп = r Σ = r1 + r2 .
Примечание.
ПОЛНЫЙ коэффициент облученности факела пламени равен ПРОИЗВЕДЕНИЕМ ОДИНАКОВЫХ ЧАСТНОГО коэффициента облученности ’ , характеризующих ОДИНАКОВЫЕ модули (прямоугольники) с ЕДИНЫМИ размерами b / a, из которых составляется полный факел пламени, на число этих одинаковых модулей:
по Варианту а - = 4’, по Варианту б - = 2’.
Поэтому при решении ОБРАТНЫХ ЗАДАЧ о безопасном расстоянии пожарных от
факела пламени по Вариантам а и б величину r / a ЛЕГКО И ЛОГИЧНО находят
по таблице (1) или графикам (2а и 2б) по вычисленным или известным значениям ’ и b/a.
По Варианту в ПОЛНЫЙ факел пламени составляется из СУММЫ РАЗНЫХ по размерам ( b1/a 1 и b2 /a2 ) модулей (прямоугольников) 1 и 2, и ПОЛНЫЙ коэффициент облученности факела пламени равен СУММЕ РАЗЛИЧНЫХ величин ’1 и’2 ЧАСТНЫХ коэффициентов облученности: 2 (’1 +’2 ).
Поэтому при решении ОБРАТНЫХ ЗАДАЧ о безопасном расстоянии пожарных от факела пламени по Варианту в приходится использовать ПРОМЕЖУТОЧНУЮ величину ЧАСТНОГО коэффициента облучения’Σ, характерного для среднего между Вариантами а и б положения КТ, т.е. ниже центра и выше нижнего среза факела.
И принимая для обеих модулей (прямоугольников) 1 и 2, составляющих ПОЛНЫЙ факел пламени, единую усредненную величину ’ Σ, и разные для них величины b1/a 1 и b2 /a2 , находить по таблице (1) или графикам (2а и 2б ) значения r1 и r2, но зато определять допустимое безопасное расстояние для пожарного rдоп, как СУММУ этих значений r1 и r2 : r доп = r1 + r2 .
Задача 4
Определить возможность (время) переброса огня между штабелями пиломатериалов, расположенных на расстоянии 10м. Штабели расположены параллельно друг другу. Размер штабелей: длина 20м, высота 3м. Горит весь штабель.
Исходные данные.
1. Источник пламени
-
штабель пиломатериалов длиной L = 20 м, высотой h =3м,
-
горящий материал древесина:
степень черноты пламени ист = 0,7 (таблица А1),
температура пламени Тист = 1373 о К ( таблица А1),
2. Облучаемый объект
-
напротив расположенный, параллельный штабель пиломатериалов,
-
облучаемый материал шероховатая древесина:
степень черноты доп = 0,91 (таблица А2),
температура воспламенения Тдоп = 568 о К ( таблица А1),
3. Расстояние между источником пламени и облучаемым объектом
r = 10 м.
4. Искомая величина
- ожидаемое время t возгорания облучаемого объекта (т.е. время переброса пламени от начала пожара на одном из штабелей до начала горения штабеля).
Решение
1. Размеры факела пламени горящего штабеля пиломатериалов определяется согласно ВАРИАНТА 4:
высота пламени Н пл равна произведению высоты штабеля h = 3 м ,
умноженного на коэффициент Кф= 2 (табл.А1 для древесины):
Н пл = h . Кф =3 .2 =6 м,
ширина (длина) пламени равна длине штабеля L пл = lштабеля = 20 м.
2. Расположение критической точки относительно факела пламени и определение значений параметров a и b модели облучения : - поскольку высота пламени горящего штабеля пиломатериалов составляет Н пл =6 м , а высота облучаемого штабеля 3 м, то критическая точка (КТ) на верхнем срезе облучаемого штабеля будет находиться напротив центра факела пламени (по его ширине и высоте) (Вариант а).
Следовательно плоская прямоугольная ОБЩАЯ ПОВЕРХНОСТЬ ВСЕГО ФАКЕЛА пламени состоит из 4 (четырех) одинаковых прямоугольников , характеризуемых одинаковым ЧАСТНЫМ коэффициентом облученности ’ и размерами сторон
















