ВКР Новиковой Е.В. (1236028), страница 2
Текст из файла (страница 2)
КПД определяет, какая часть мощности потребляемой от сети идет в нагрузку. Оставшаяся часть идет на нагрев проводов и сердечника. Эта мощность безвозвратно теряется.
Определим мощность потребляемую трансформатором от сети с учетом потерь:
. (1.2)
Мощность передается из первичной обмотки во вторичную обмотку через магнитный поток в магнитопроводе. Поэтому от значения Р1, мощности потребляемой от сети 220 В, зависит площадь поперечного сечения магнитопровода S.
Магнитопровод – это сердечник Ш – образной формы (в нашем случае), набранный из листов трансформаторной стали. На сердечнике будет располагаться каркас с первичной и вторичной обмотками.
Площадь поперечного сечения магнитопровода рассчитывается по формуле:
, (1.3)
где S — площадь, см2, P1 — мощность первичной сети, Вт.
, см2 .
По значению S определяется число витков w на один вольт по формуле:
. (1.4)
В нашем случае площадь сечения сердечника равна S = 10,4 см2.
, витка на 1 Вольт.
Рассчитаем число витков в первичной и вторичной обмотках.
Число витков в первичной обмотке на 220 вольт:
, витков . (1.5)
Число витков во вторичной обмотке на 2 вольта:
, витка, округляем до 10. (1.6)
В режиме нагрузки может быть заметная потеря части напряжения на активном сопротивлении провода вторичной обмотки. Поэтому для них рекомендуется число витков брать на 5-10 % больше рассчитанного. Возьмем
витков.
Величина тока в первичной обмотке трансформатора:
А. (1.7)
Ток во вторичной обмотке трансформатора:
А. (1.8)
Диаметры проводов первичной и вторичной обмоток определяются по значениям токов в них исходя из допустимой плотности тока, количества ампер на 1 квадратный миллиметр площади проводника. Для трансформаторов плотность тока, для медного провода, принимается 2 А/мм².
При такой плотности тока диаметр провода без изоляции в миллиметрах определяется по формуле:
. (1.9)
Для первичной обмотки диаметр провода будет:
. (1.10)
Принимаем диаметр провода 0,45 мм.
Диаметр провода для вторичной обмотки:
. (1.11)
Принимаем диаметр провода 4,5 мм.
Ввиду того, что регулирование частоты вращения подшипникового двигателя осуществляется изменением величины тока, проходящего через него, необходимо исследовать вольтамперные характеристики, являющиеся качественным показателем мощности системы.
Так, с помощью опыта холостого хода на переменном токе (таблица 1.1) было определено полное сопротивление первичной обмотки трансформатора.
Таблица 1. 1 – Опыт холостого хода на переменном токе
| Сила тока | Напряжение |
| 0,65 | 10 |
| 1,25 | 20 |
| 1,75 | 30 |
Полное сопротивление первичной обмотки трансформатора:
. (1.12)
Опыт холостого хода на постоянном токе (таблица 1.2) позволил получить значение активного сопротивления первичной обмотки, и, следовательно, рассчитать по известной формуле индуктивное сопротивление первичной обмотки и её индуктивность.
Таблица 1. 2 – Опыт холостого хода на постоянном токе
| Сила тока | Напряжение |
| 0,9 | 10 |
| 1,45 | 20 |
| 2,2 | 30 |
, (1.13)
, (1.14)
, (1.15)
. (1.16)
Зная удельное сопротивление меди, можно рассчитать сопротивление вторичной обмотки:
. (1.17)
Проведя опыт короткого замыкания получены вольт-амперные характеристики для первичной и вторичной обмоток (таблица 1.3):
Таблица 1. 3 – Вольт-амперные характеристики трансформатора
| U1,В | I1, А | I2, А | n=I2/I1 |
| 10 | 0,25 | 9,7 | 38,8 |
| 15 | 0,35 | 14,8 | 42,28 |
| 20 | 0,475 | 19,9 | 41,89 |
| 25 | 0,6 | 25,4 | 42,33 |
| 30 | 0,7 | 30,5 | 43,57 |
| 35 | 0,8 | 35,8 | 44,75 |
| 40 | 0,9 | 41 | 45,55 |
Расчетное напряжение удовлетворяет требованию падения напряжения на валу. Номинальный ток вторичной обмотки выше ожидаемого порога, поэтому с учетом сечения провода вторичной обмотке и допустимых токов в нем согласно [4], можно сделать вывод о том, что экспериментальный режим для трансформатора, является длительным режимом. Режим же остановки вала не является кратковременным, так как ток, при этом, вырастет выше допустимого тока обмотки приблизительно в 2,5 раза.
Был намотан трансформатор по вычисленным параметрам, внешний вид которого отражен на рисунке 1.4.
Рисунок 1.4 – Трансформатор МОТ, с намотанными первичной и вторичной обмотками
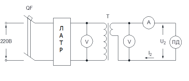
Силовая электрическая схема подключения двигателя с указанием приборов измерения тока и напряжения показана на рисунке 1.5.
Рисунок 1.5 – Схема электрическая принципиальная подключения подшипникового двигателя
1.2 Параметры исследованного двигателя
В ходе исследований было произведено множество экспериментов и испытаний установки подшипникового электродвигателя.
Изначально, был взят для исследований небольшой ротор из двигателя от пылесоса. Для чистоты эксперимента были сняты обмотки, провода и другие части конструкции, был оставлен лишь массивный ротор, для инерции, на валу которого установлены подшипники с заводской смазкой. По причине того, что токи в двигателе во много раз превышают падение напряжения на нем [15], которое изменяется в сравнительно малых пределах, для питания данного двигателя необходим трансформатор. Установив ротор с подшипниками на станине, к нему был подключен трансформатор со специально подобранными параметрами на первичной и вторичной обмотках. К валу двигателя был не жестко прицеплен соосный электродвигатель, для исследования генераторного эффекта при запуске подшипникового электродвигателя.
Наилучшие результаты были получены при испытаниях данной установки, заводской сборки.
После подбора оборудования было решено разработать конструкцию для удобства переноса, демонстрации и снятия характеристик. Была разработана конструкция стенда, показанная на рисунке 1.6.
Рисунок 1.6 – Фотография предварительной сборки стенда для исследования характеристик подшипникового двигателя
В результате экспериментов были выявлены следующие недостатки данной конструкции двигателя:
-
данная конструкция не обеспечивала надежную установку различных вариантов подшипниковых двигателей, в связи с различными размерами подшипников;
-
так как в качестве крепления были применены медные держатели (для уменьшения деформации подшипников при затяжке), которые были изготовлены из отрезка медного листа, тем не менее деформации наблюдались и это проявлялось в изменении характеристик подшипникового двигателя при изменении момента затяжки;
-
также, невозможность точного центрирования вала, в виду ручной гибки шин, приводило к ухудшению характеристик двигателя.
Кроме того, в ходе эксперимента, наблюдалось улучшение характеристик двигателя при работе в вертикальном положении вала. В ходе математического обоснования было выяснено, что это связанно с более равномерным распределением контактов шариков по всей окружности обоймы подшипника.
Окончательно, была спроектирована конструкция двигателя, представленная на чертеже ДР.140604.65.025.001 с указанием типоразмеров подшипников и вала.
1.3 Результаты исследования подшипникового двигателя
После сборки и наладки основных цепей стенда были проведены измерения и снятие характеристик подшипникового двигателя.
Ввиду того, что регулирование частоты вращения подшипникового двигателя осуществляется изменением величины тока, проходящего через него, необходимо исследовать вольтамперные характеристики, являющиеся качественным показателем мощности системы.
Двигатель испытывался в различных режимах. При пуске электродвигателя в масле, возникла проблема пуска: для пуска необходим начальный толчок, который было проблематично осуществить, в связи с недостаточной эргономичностью установки. Тем не менее, установившегося режима добиться не удалось, в связи с тем, что кривая линия тока «стекала» по поверхности подшипника. При попытке добавить в подшипники графитовую смазку ухудшились динамические характеристики двигателя: время разгона увеличилось, скорость вращения ротора уменьшилась в установившемся режиме. Таким образом, мы выяснили, что наилучшими качествами обладают заводские подшипники, без использования дополнительной смазки, которая приводит к скольжению тока по ней, и не имеет достаточной проводимости от шарика к шарику в обойме подшипника.
На рисунках 1.7 и 1.8 отображены вольтамперные характеристики и динамические характеристики разгона подшипникового двигателя, полученные в результате исследований.
















