ВКР Новиковой Е.В. (1236028), страница 4
Текст из файла (страница 4)
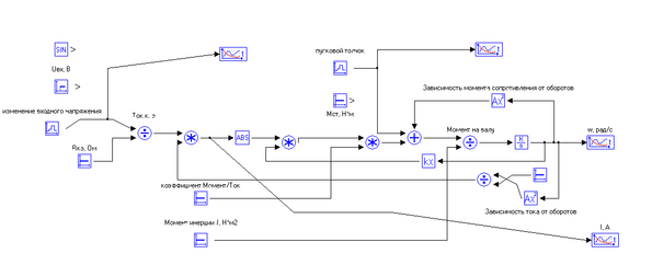
Коэффициент, показывающий отношение момента к току М = kI, включен в перемножитель, вместе с положительной обратной связью от звена, отражающего момент на валу.
Зависимость силы тока от частоты вращения аппроксимируется выражением:
. (3.5)
Не идеальность токовой характеристики связана с выбранной аппроксимацией зависимости тока от числа оборотов.
3.2 Результаты математического моделирования
Рисунок 3. 1 – Структурная схема математической модели подшипникового двигателя на переменном токе
Рисунок 3.2 – Скоростная характеристика двигателя на переменном токе (зависимость изменения скорости вращения ротора от времени)
Рисунок 3.3 – Результаты математического моделирования подшипникового двигателя (время-токовая характеристика) на переменном токе
Рисунок 3.4 – Структурная схема математической модели подшипникового двигателя на постоянном токе
Рис. 3.5 – Скоростная характеристика двигателя (зависимость изменения скорости вращения ротора от времени)
Рисунок 3.6 – Результаты математического моделирования (время - токовая характеристика) на постоянном токе
Рисунок 3.7 – Структурная схема математической модели подшипникового двигателя со ступенчатым изменением входного напряжения
Рисунок 3.8 – График изменения входного напряжения
Рисунок 3.9 – График время-токовой характеристики при ступенчатом изменении входного напряжения
Рисунок 3.10 – График толчка (при толчке ротора в положительную сторону, и в отрицательную)
Рисунок 3.11 – Скоростная характеристика двигателя (зависимость изменения скорости вращения ротора от времени)
4 РАСЧЕТ КАПИТАЛЬНЫХ ВЛОЖЕНИЙ НЕОБХОДИМЫХ ДЛЯ ИЗГОТОВЛЕНИЯ ЭКСПЕРИМЕНТАЛЬНОГО ОБРАЗЦА
Наиболее стандартными в плане методики оценки экономической эффективности являются проекты, целью реализации которых является получение доходов от оказания услуг. Однако большинство проектов, выполняемых студентами, обучающихся по направлению «Энергетика», преследуют иные цели, не связанные с непосредственным получением прибыли. В таких проектах экономический эффект может заключаться в предотвращении возможного ущерба, в экономии денежных средств на эксплуатацию оборудования, в уменьшении массогабаритных показателей того или иного устройства используемого в учебном процессе, в высвобождении денежных средств и т.д. Например, использование таких средств на предприятии или в учебном заведении обеспечивает экономию расходов, ускоряет производственные процессы, увеличивает производительность труда.
Под экономическим обоснованием внедряемого устройства понимается установление целесообразности внедрения нового устройства, в данном случае – подшипникового электродвигателя и обоснование экономической эффективности его внедрения при эксплуатации.
Любое внедряемое устройство и принятое при этом соответствующее ему техническое решение связано с затратами. Поэтому общая оценка экономической эффективности от внедрения должна производиться на основе стоимостных показателей.
При планировании и проектировании определяется общая (абсолютная) экономическая эффективность, как отношение эффекта ко всей сумме капитальных вложений. При выборе вариантов решения хозяйственных или технических задач определяется сравнительная (относительная) экономическая эффективность, показывающая, насколько один вариант эффективнее другого. При проектировании новых устройств, оборудованных ЭВМ, рассчитывается сравнительная экономическая эффективность, показывающая, насколько новый вариант технического решения эффективнее базового.
В процессе эксплуатации проектируемого объекта возникают регулярные расходы, связанные его обслуживанием и поддержанием в работоспособном состоянии. Такие расходы называются эксплуатационными или текущими. Наибольшее распространение получили следующие методы их расчета: метод непосредственного расчета по статьям и элементам затрат, или по нормам денежных затрат на измерители. Для различных производств состав статей эксплуатационных расходов имеет свои особенности. Однако можно ориентироваться на типовой состав эксплуатационных расходов, возникающих при использовании техники, и общие принципы их формирования. Типовой состав эксплуатационных расходов, возникающий при эксплуатации техники:
–затраты на электрическую энергию;
–затраты на эксплуатационные материалы;
–амортизационные отчисления;
–затраты на техническое обслуживание и ремонт;
–накладные расходы (общехозяйственные расходы и расходы по содержанию административно-управленческого персонала).
В любой статье расходов учитываются следующие экономические элементы затрат:
–расходы на оплату труда;
–амортизационные отчисления на полное восстановление;
–материальные затраты (в т. ч. затраты на электрическую энергию, топливо, материалы и т.д.);
-прочие расходы.
В данном расчете расходами на содержание и обслуживание устройства пренебрегаем, так как они представляют собой незначительную величину. Причиной этого является простота конструкции, высокая надежность и безопасность.
В ходе дипломной работы разработана установка подшипникового электродвигателя, для исследования изготовлен экспериментальный образец.
В состав капиталовложений на стадии разработки входят затраты на проектирование устройства и капитальные затраты на приобретение комплектующих изделий и материалов для изготовления.
Из классического определения стоимость создания изделия определяется из выражения:
(4.1)
где Кком - затраты связанные с использованием компьютерной техники; К - капитальные вложения для экспериментального образца; Спр - затраты на проектирование установки.
Теперь произведем расчет стоимости экспериментальной установки, используя цены на момент ее проектирования.
Затраты связанные с использованием компьютерной техники определяются по формуле, руб.
(4.2)
где tмм - машинное время на проектирование установки, tмм = 60 ч; Смаш - стоимость одного часа машинного времени компьютера.
Стоимость одного часа машинного времени рассчитывается по формуле,
(4.3)
где Сагод - расходы на приобретение и работу машины, Сагод =12990 руб. [14]; Собслгод - амортизационные отчисления, Собслгод = 2500 руб./год; Тгодработы - количество часов эксплуатации в год, Тгодработы =1000.
Подставив численные значения в формулу (4.3), определим стоимость одного часа машинного времени, равного
, руб/час
Найдем затраты связанные с использованием компьютерной техники по формуле (4.2):
, руб
Для того, чтобы рассчитать затраты на создание установки, необходимо определить стоимость покупных изделий, номенклатура и цена которых указана в таблице 4.1.
Таблица 4.1 – Номенклатура и цена изделий для экспериментальной установки
| Наименование | Цена, руб. | Кол-во | Сумма,руб. |
| Оружейное масло | 91 | 100 мл | 91 |
| Трансформатор 6170W1D657E | 1 | 1 шт | 450 |
| Станина | 100 | 1 шт | 100 |
| Провод намоточный ПЭЛ-2 1,6 мм | 13,5/1м | 10 м | 135 |
| Провод намоточный ПЭТВ-2 0,45 мм | 525/100м | 1 шт | 525 |
| Подшипниковый двигатель | 300 | 1 шт | 300 |
| Катушечный каркас | 5 | 2 шт | 10 |
| Итого (руб) | 1611 |
Таким образом, затраты К на приобретение комплектующих изделий для экспериментальной установки подшипникового электродвигателя составляет 1611 рублей.
Затраты на выплату заработной платы пцроектировщику устройства, и его сборщику сведены к минимуму, так как эта работа выполнялась в лабораториях кафедры «Электротехника», и не требовала привлечения стороннего персонала.
Определим затраты на оплату труда рабочего по формуле, руб.
(4.4)
где Т - трудоёмкость работ, час; В - заработная плата, руб./час; Кдоп - коэффициент доплаты, Кдоп= 0,3; Крк - районный коэффициент, Крк =0,3.
При расчете временных затрат на сборку и отладку экспериментальной установки существует множество факторов, влияющих на трудоемкость производства, некоторые из них отражены в таблице 4.2.
Таблица 4.2 – Факторы, влияющие на трудоемкость производства
| Название | Коэффициент трудоемкости | Затраченное время (час) | |
| Уяснение поставленных задач | 0,15 | 25 | |
| Выбор теоретической части | 0,15 | 35 | |
| Создание принципиальной схемы установки | 0,2 | 30 | |
| Разработка дизайна установки | 0,1 | 10 | |
| Сборка установки | 0,15 | 30 | |
| Отладка установки | 0,2 | 50 | |
| Оформление сопроводительной документации | 0,1 | 40 | |
| Итого: | 220 | ||
Определим стоимость одного часа работы по формуле, руб./час
руб./час, (4.5)
где Тмес- месячная норма рабочих часов, Тмес=168 часов, но если учитывать неполную занятость в процессе обучения, то принимаем половину указанного значения Тмес= 84 часа; Зар. плата – средняя ежемесячная заработная плата; Зар. плата = 2700 руб./месяц (возьмем за основу повышенную стипендию студента).
Подставив численные значения в формулу (4.4), определим заработную плату разработчика руб./час равную 32,14 руб./час.
















