Диплом (1235119), страница 4
Текст из файла (страница 4)
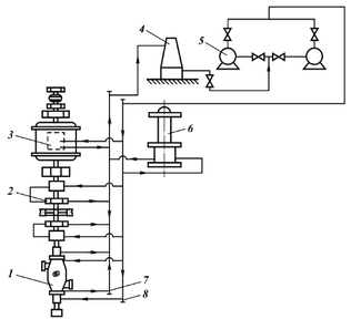
Маслобак 2 представляет собой емкость, на которой устанавливают указатель уровня масла, фланцы для присоединения трубопроводов и предохранительный клапан.
Маслофильтры 4 имеют два одинаковых фильтрующих патрона с сетками, включенными в маслосистему через трехходовой кран. Этот кран дает возможность пропускать масло через оба патрона одновременно или только через один из них, что позволяет заменять фильтрационные сетки без остановки агрегата. Степень засоренности фильтров можно контролировать по показаниям манометров, установленных до и после каждого их них.
Система водяного охлаждения масла состоит их маслоохладителя, представляющего собой трубчатый теплообменник, внутри которого по латунным трубкам циркулирует вода, а по межтрубному пространству проходит масло. В верхней части маслоохладителя имеются два крана для спуска воздуха из масляной и водяной камер. На патрубках входа и выхода масла устанавливают термометры. Температура масла на выходе из маслоохладителя должна быть в пределах 35-55 oC.
В последнее время на НПС широко применяют системы воздушного охлаждения масла. Холодный воздух подается центробежной воздуходувкой. Охлаждение масла достигается обдувкой пучка труб, по которым оно движется. Преимущество этой системы состоит в отсутствии жестких требований к герметизации водяных коммуникаций и очистки их от отложений, недостаток заключается в том, что воздух вследствие его меньшей плотности является плохим теплоносителем.
Масляные коммуникации состоят из напорных и сливных трубопроводов. На напорном трубопроводе перед подшипниками устанавливают регулирующие вентили или дроссельные шайбы, позволяющие увеличивать или уменьшать подачу масла к подшипникам.
Для смазки подшипников применяют минеральные масла, которые не должны содержать воду и механические примеси. Лучшими считаются такие сорта масла, которых температура незначительно влияет на вязкость.
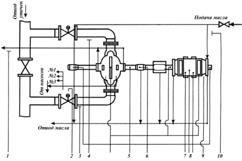
Система охлаждения подшипников (рисунок 2.4). Охлаждение подшипников основных насосов 1, промежуточного вала 2, маслоохладителя 6, воздухоохладителя электродвигателя 3 осуществляется посредством теплообменников, в которых циркулирует холодная вода. Эта вода подается из градирни 4 водяными насосами 5 по нагнетательно-распределительной линии 8. Нагретая вода возвращаются для охлаждения в градирню 4 по линии 7.
Рисунок 2.4. Система охлаждения подшипников перекачивающих агрегатов
1 – подшипники основного насоса; 2 – подшипники промежуточного вала; 3 – подшипники электродвигателя; 4 – градирня; 5 – водяной насос; 6 – маслоохладитель; 7 – обратная линия; 8 – нагнетательно-распределительная линия.
Расход охлаждающей воды подбирают таким образом, чтобы ее температура не превышала плюс 30-40 oC, так как при плюс 45 oC начинается интенсивное выпадение солей, сужающих поперечное сечение каналов теплообменника и ухудшающих теплообмен. Повышенные требования предъявляются так же к жесткости воды и наличию в ней механических примесей, их должно быть не более 25 мг/л.
-
Система сбора утечек от торцевых уплотнений
Утечки нефти могут происходить через концевые уплотнения вала насоса, однако их значение незначительно, а при использовании надежных торцевых уплотнений они сведены практически к нулю. Основные утечки происходят через систему разгрузки торцевых уплотнений насоса, поэтому для их сбора и возврата предусмотрена специальная система (рисунок 2.5). Утечки из линии разгрузки 2 насоса 1 поступают самотеком на прием подпорных насосов или в резервуар утечек 5. Периодически нефть из резервуара утечек закачивают насосами 4 в линию всасывания 3 основных насосов.
Рисунок 2.5. Система сбора утечек от торцевых уплотнений
1 – нефтеперекачивающий магистральный насос; 2 – линия разгрузки; 3 – линия всасывания; 4 – основные насосы линии всасывания; 5 – резервуар утечек.
-
Система средств контроля и защиты насосных агрегатов
Для обеспечения надежной и безопасной эксплуатации основного и вспомогательного оборудования НПС имеют разветвленную систему средств контроля работы, сигнализации и блокировки как отдельных перекачивающих агрегатов, так и станции в целом. Схема расположения точек измерения и автоматической защиты насосного агрегата представлена на рисунке 2.6.
Рисунок 2.6. Схема расположения точек измерения и автоматической защиты основного насосного агрегата
1 – датчик; 2, 3, 4 – манометры; 5 – вибросигнализатор; 6 – тепловая защита корпуса насоса; 7 – амперметр; 8 – счетчик; 9 – сигнализатор; 10 – электроманометр.
Подача масла контролируется электроконтактным манометром 10, контакты которого включены в пусковые цепи электродвигателя, что препятствует его включение при отсутствии в линии смазки. Кроме того, падение давления в маслосистеме также вызывает остановку электродвигателя.
Тепловая защита корпуса 6 насоса предотвращает его длительную работу «закрытую задвижку», а контроль за входящим и выходящим из электродвигателя воздухом защищает обмотку статора от перегрева (в летнее время) и образования конденсата (в зимнее время).
Эксплуатация электродвигателей, продуваемых воздухом при избыточном давлении, во взрывоопасных помещениях требует контроля. Сигнализатор 9 выдает разрешение на включение в работу агрегата. Герметичность торцевого уплотнения контролирует датчик 1, который обеспечивает защиту в случае резкого увеличения утечек. Вибрацию оборудования в процессе его работы регистрирует вибросигнализатор 5, который отключает агрегат при критических уровнях вибрации. Контроль за давлением всасывания и нагнетания насосов осуществляют с помощью манометров 3 и 4, причем применяют как механические, так и электроконтактные манометры. Счетчик 8 числа часов работы агрегата служит для равномерной загрузки агрегата, что способствует увеличению межремонтных сроков.
Давление в линии разгрузки контролируют с помощью манометра 2, а нагрузку электродвигателя фиксируют амперметром 7.
-
Система подготовки и подачи сжатого воздуха
Предназначается для питания пневмоприводов, контрольно-измерительных приборов и автоматики. Поскольку для нормальной работы этих устройств необходим воздух определенной концентрации, наружный воздух предварительно очищается фильтрами, охлаждается в теплообменнике водой и осушается на специальной установке.
На основании проведенного анализа во втором разделе можно сделать следующие выводы. НПС – сложный комплекс сооружений, необходимый для перекачки нефти по магистральному нефтепроводу. Станции перекачки включают в себя большое количество объектов и систем основного и вспомогательного назначения. Используемое оборудование и системы НПС несут за собой большие энергетические затраты. При этом некоторые системы сопровождают свою работу выделением энергетических ресурсов в виде побочного продукта, который является отходами производства. Применение таких отходов может значительно повысить эффективность использования энергии.
-
РАЗРАБОТКА СХЕМЫ УСОВЕРШЕНСТВОВАНИЯ ПРИТОЧНОЙ ВЕНТИЛЯЦИИ МАШИННОГО ЗАЛА С ИСПОЛЬЗОВАНИЕМ ТЕПЛА, ОТВОДИМОГО ОТ ЭЛЕКТРОПРИВОДОВ МНА НА ПРИМЕРЕ НПС №36
Актуальность усовершенствования приточной вентиляции машинного зала возросла в связи с нерациональным использованием тепловой энергии отводимой от электроприводов насосных агрегатов, и утилизируемой в окружающую среду. Это предполагает проектирование схемы полезного использования вторичного энергетического ресурса (ВЭР), а конкретно тепла, которое позволит повысить эффективность и снизить затраты предприятия на первичные энергетические ресурсы.
-
Описание существующей схемы охлаждения электроприводов в условиях НПС №36
Для бесперебойного и равномерного режима работы электродвигателей насосных агрегатов необходимо поддержание их оптимальной температуры. В настоящее время система охлаждения электроприводов насосов производится с помощью оборудования насосной системы охлаждения, аппаратов воздушного охлаждения и сетей оборотного охлаждения.
Подача антифриза осуществляется циркуляционными насосами ТР 150-350/4 Grundfos (1 рабочий, 1 резервный). Охлаждается жидкость в аппаратах воздушного охлаждения (АВГ) БМ-20-Ж-1,6-Б3/4-4-4 и по сетям.
В качестве охлаждающей жидкости в системе охлаждения электродвигателей применяется антифриз 65. Режим работы системы равномерный, круглосуточный. Работа системы охлаждения электродвигателя, поддержание температуры охлаждающей жидкости осуществляется в автоматическом режиме.
АВО управляются автоматически по значению температуры среды во входном коллекторе перед двигателями.
Антифриз от теплообменных аппаратов электродвигателя по обратному трубопроводу, через фильтры тонкой очистки попадает на циркуляционные насосы и по байпасным линиям проходит мимо АВО до достижения температуры антифриза 62,2 oС. При температуре больше 62,2 oС открываются шаровые краны и антифриз начинает проходить через аппарат воздушного охлаждения №1, при температуре более 65,2 oС – открываются шаровые краны на аппарате воздушного охлаждения №2, при температуре более 68,2 0С на аппарате №3, при этом вентиляторы охлаждения на аппаратах воздушного охлаждения остаются отключенными.
При достижении температуры более 80,2 oС включается вентилятор охлаждения на аппарате №1, при температуре более 85,2 oС - на аппарате №2, при температуре более 90,2 oС - на аппарате №3.
По мере охлаждения антифриза вентиляторы охлаждения отключаются: на аппарате №3 при температуре менее 86,2 oС, на аппарате №2 при температуре менее 81,2 oС, на аппарате №1 при температуре менее 75,2 oС.
Аппарат воздушного охлаждения №3 отсекается от системы закрытием шаровых кранов при охлаждении антифриза менее 62,2 oС, аппарат №2 – при охлаждении антифриза менее 59,2 oС, аппарат №1 – при охлаждении антифриза менее 56,2 oС.
В случае снижения давления в газовом пространстве мембранных расширительных баков ниже необходимого его повышения производится за счет компрессора.
-
Система приточно-вытяжной вентиляции магистральной насосной НПС №36
Система приточно-вытяжной вентиляции магистральной насосной (рисунок 3.1) предназначена для обеспечения не превышения 10 % НКПРП. Так же для поддержания температуры в магистральной насосной в пределах от плюс 15 оС до плюс 18 оС для нормальной работы оборудования.
Рисунок 3.1. Система приточно-вытяжной вентиляции магистральной насосной
Приточная вентиляция П1.1 работает постоянно (одна установка в работе, вторая в резерве П1.2). При неисправности рабочей установки резервная включается автоматически без задержки во времени. Вытяжная вентиляция В1.1 включается при температуре в рабочей зоне выше плюс 25 оС, выключается при температуре ниже плюс 18 оС, при этом В1.2 выключена.
При режиме загазованности выше 10 % от НКПРП приточная вентиляция П1 работает постоянно, вытяжная система В1.1 автоматически включается по сигналу от газоанализатора, при этом вытяжная система В1.2 отключена.
При уровне загазованности выше 30 % от НКПРП или длительном (более 10 минут) сохранении уровня загазованности более 10% НКПРП приточная вентиляция П1 работает постоянно, вытяжные системы В1.1 и В1.2 в работе.
Через 15 минут после снижения уровня загазованности ниже 10 % от НКПРП вытяжные вентиляторы В1.1 и В1.2 переводятся в штатный режим, при этом приточная система П1 работает постоянно.















