Диплом (1235119), страница 3
Текст из файла (страница 3)
Двигатели серии АТД монтируют в одном помещении с насосами, так как они изготавливаются во взрывозащищенном исполнении. Это достигается тем, что в корпусе двигателя поддерживается достаточное избыточное давление воздуха, исключающее проникновение в двигатель паров нефти. Однако при использовании асинхронных двигателей, мощность которых находится в пределах от 2,5 до 8,0 МВт, требуется установка в помещениях насосной дорогостоящих статических конденсаторов больших мощностей, а также комплекса высоковольтного оборудования, усложняющего схему электроснабжения. Основные характеристики АТД приведены в таблице 2.2.
Таблица 2.2
Основные характеристики АТД
| Марка | Номинальная мощность, кВт | Номинальное напряжение, кВ | КПД при номинальной нагрузке, % | Частота вращения вала, об/мин |
| АТД-800 | 8000 | 6 или 3 | 94,5 | 2980 |
| АТД-1000 | 1000 | 6 или 3 | 94,5 | 2980 |
| АТД-1600 | 1600 | 6 или 3 | 95,0 | 2980 |
| АТД-2000 | 2000 | 6 или 3 | 95,0 | 2980 |
| АТД-2500 | 2500 | 6 | 96,0 | 2980 |
| АТД-4000 | 4000 | 6 | 96,0 | 2985 |
| АЗМ-5000 | 5000 | 6 | 97,0 | 2985 |
| АС-6000 | 6000 | 6 | 96,5 | 2985 |
| АВ-8000 | 8000 | 6 | 96,6 | 2960 |
Так же в качестве приводов магистральных насосов применяются СТД. Синхронные электродвигатели обладают лучшими показателями устойчивости по сравнению с асинхронными, что особенно важно при случающихся падениях напряжения в сети. Основные характеристики двигателей серии СТД представлены в таблице 2.3.
Таблица 2.3
Основные характеристики асинхронных двигателей
| Марка | Номинальная мощность, кВт | Номинальное напряжение, кВ | КПД при номинальной нагрузке, % | Частота вращения вала, об/мин |
| СТДП-800-2 | 800 | 10 или 6 | 96,0 | 3000 |
| СТДП-1250-2 | 1250 | 10 или 6 | 96,5 | 3000 |
| СТДП-1600-20 | 1600 | 10 или 6 | 96,7 | 3000 |
| СТДП-2000-2 | 2000 | 10 или 6 | 96,7 | 3000 |
| СТДП-2500-2 | 2500 | 10 или 6 | 96,8 | 3000 |
| СТДП-3200-2 | 3200 | 10 или 6 | 97,1 | 3000 |
| СТДП-4000-2 | 4000 | 10 или 6 | 97,2 | 3000 |
| СТДП-5000-2 | 5000 | 10 или 6 | 97,3 | 3000 |
| СТДП-6300 | 6300 | 10 или 6 | 97,4 | 3000 |
| СТДП-8000-2 | 8000 | 10 или 6 | 97,6 | 3000 |
| СТДП-10000-2 | 10000 | 10 или 6 | 97,7 | 3000 |
| СТДП-12500-2 | 12500 | 10 или 6 | 97,7 | 3000 |
По стоимости синхронные электродвигатели, как правило, дороже, чем аналогичные асинхронные, однако имеют лучшие энергетические характеристики, что делает применение их эффективным. Считается, что КПД синхронного двигателя изменяется незначительно при нагрузках, близкой к номинальной мощности двигателя. При нагрузках, составляющих 0,5-0,7 от номинальной мощности, КПД синхронных двигателей значительно снижается. Это должно быть принято во внимание при сравнительном анализе конкурирующих вариантов как на стадии проектирования, так и при эксплуатации, в том числе модернизации насосного оборудования перекачивающих станций.
Практика эксплуатации нефтепроводов показала, что в условиях постоянно изменяющегося уровня загрузки трубопроводных систем целесообразно использовать регулируемые приводы насосных агрегатов. Путем регулирования числа оборотов рабочего колеса нагнетателя удается плавно менять его гидравлические и энергетические характеристики, подстраивая работу насоса к изменяющимся нагрузкам. Этим обеспечивается прежде всего экономия энергии, затрачиваемой на перекачку.
-
Вспомогательные системы насосных агрегатов
Для обеспечения нормальной эксплуатации магистральных насосных агрегатов с заданными параметрами необходимо функционирование следующих вспомогательных систем [5]:
-
разгрузки и охлаждения торцевых уплотнений;
-
смазки и охлаждения подшипников;
-
сбора утечек от торцевых уплотнений;
-
средств контроля и защиты насосных агрегатов;
-
подготовки и подачи сжатого воздуха;
-
оборотного водоснабжения и охлаждения воды воздухом.
-
Система разгрузки и охлаждения торцевых уплотнений
Данная система предназначена для защиты торцевых уплотнений каждого насосного агрегата от чрезмерных перегрузок по давлению и высоких температур, возникающих при выделении тепла трения. Торцевые уплотнения обеспечивают работу быстро вращающегося вала насосного агрегата в местах его выхода из корпуса нагнетателя, поэтому на них приходятся большие силовые нагрузки и сильный нагрев. Если не предусмотреть специальную систему разгрузки торцевых уплотнений и отвода выделяющегося тепла, то торцевые уплотнения быстро выйдут из строя.
Существует несколько схем разгрузки и охлаждения таких уплотнений, но все они действую по принципу организации принудительной циркуляции некоторой перекачиваемой нефти либо внутри корпуса нагнетателя, либо из корпуса нагнетателя наружу, но так, чтобы каждый раз путь жидкости пролегал через каналы в теле уплотнения. Таким образом достигается, с одной стороны, снижение перегрузки по давлению, а с другой – охлаждение уплотнения путем отвода тепла, выделяющегося при трении вращающегося вала о детали уплотнения.
При использовании групповой схемы разгрузки и охлаждения торцевых уплотнений некоторая часть перекачиваемой нефти за счет избыточного давления на линии всасывания нагнетателя сначала продавливается через каналы в теле торцевого уплотнения, а затем подается в резервуар сбора утечек, либо в коллектор насосной стороны всасывания. Уходящая нефть уносит с собой выделившееся тепло и разгружает уплотнения. Групповой схема называется потому, что нефть из всех насосов поступает в общий коллектор станции и затем снова подается в линию всасывания. Недостаток такой системы заключается в снижении КПД перекачивающих агрегатов вследствие значительных перетоков нефти по линии разгрузки, которые составляют 10-50 м3/ч.
Наиболее прогрессивны так называемые индивидуальные схемы охлаждения торцевых уплотнений. Они применяются для нагнетателей, снабженных торцевыми уплотнениями, выдерживающими высокие нагрузки по перепаду давлений, поэтому предназначены, главным образом, для охлаждения уплотнений. Это достигается созданием принудительной циркуляции нефти из полости нагнетания в полость всасывания насоса. Индивидуальной она называется потому, что встроена в каждый нагнетатель по отдельности. За счет разности давления между полостями нагнетания и всасывания часть нефти по специальному каналу возвращается из полости нагнетания в полость всасывания колес, при этом проходя через трубки в теле торцевого уплотнения и охлаждая его. Снижение КПД в случае использования индивидуальной схемы значительно ниже, чем в случае использования групповой схемы, поскольку расход циркулирующей нефти уменьшается до 2-4 м3/ч.
Так же существует еще более прогрессивная разновидность индивидуальной схемы охлаждения торцевых уплотнений, в которой используется разность давления в линии всасывания насоса и рабочего колеса (рисунок 2.2). В этой схеме часть нефти по отводу (байпасу) 4, расположенному в корпусе 2 нагнетателя и имеющему меньшее гидравлическое сопротивление, чем основной коллектор, направляется на входы рабочего колеса не по основному тракту, а через каналы в теле торцевых уплотнений 5. При этом способе охлаждения КПД насоса не изменяется поскольку нет возвратного перетока нефти из области нагнетания в область всасывания.
Рисунок 2.2 Схема охлаждения торцевых уплотнений
1 – отводная трубка; 2 – корпус всасывающего патрубка; 3 – клапан; 4 – байпас; 5 – торцевое уплотнение; 6 – уплотнение; 7 – полости всасывания колеса.
В настоящее время в нефтеперекачивающих насосах нашла применение импеллерная схема охлаждения торцевых уплотнений. Вместо обычных щелевых уплотнений устанавливается втулка с винтовой нарезкой, вращающаяся вместе с валом насоса. Импеллер захватывая нефть из полости всасывания и нагнетая ее туда же в обратном направлении по каналу, проложенному в теле уплотнения. Установившаяся циркуляция нефти обеспечивает необходимое охлаждения торцевого уплотнения. В этой схеме КПД насоса не снижается, так как исключены перетоки жидкости из области нагнетания в область всасывания.
-
Система смазки и охлаждения подшипников
Предназначена для смазки и охлаждения быстро вращающихся подшипников насосных агрегатов.
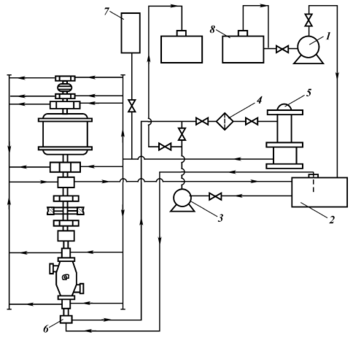
В системе смазки подшипников предусмотрена напорная (принудительная) подача масла к подшипникам и его безнапорный возврат в маслобак (рисунок 2.3).
Рисунок 2.3 Система смазки подшипников перекачивающих агрегатов
1 – шестеренчатый насос; 2 – маслобак; 3 – шестеренчатый насос; 4 – фильтр; 5 – маслоохладитель; 6 – основной насос; 7 – аккумулирующий бак; 8 – емкость.
Система состоит из маслобака 2, для заполнения которого предусмотрен насос 1, основного насоса 6, нагнетающего масло через фильтр 4 и маслоохладитель 5 в маслопроводы, ведущие к подшипникам агрегата. Обратно масло возвращается самотеком в маслобак 2. Отработанное масло перекачивается насосом 3 в емкость 8. Аккумулирующий бак 7 предназначен для подачи масла в аварийных ситуациях.















