ПЗ_Данилюк- (1234901), страница 5
Текст из файла (страница 5)
где
– температура наиболее нагретой точки обмотки, °С.
Формулы 2.1-2.2 учитывают только тепловой износ изоляции обмоток. При современных уровнях техники и технологии профессором В. П. Васиным в работах [9-10] предложена формула, учитывающая по мима термического износа, гидролиз и окислении изоляции, что наиболее полно отражает износ.
, 727\* MERGEFORMAT (.)
где
– температура наиболее нагретой точки обмотки, °С; – температурный интервал, при изменении на который износ изоляции обмоток изменяется в два раза; w – влагосодержание в изоляции, %; Kк.ч – кислотное число масла, мг КОН/г;
– концентрация кислорода в масле, %;
,
и
– базовые значения w, Kк.ч и
; α, β, γ – множители.
В работе [13] учеными ДВГУПС предложено дополнить систему тягового электроснабжения устройством пофазного контроля износа изоляции обмоток, получен патент на изобретение.
Для определения износа изоляции обмоток тяговых трансформаторов система содержит:
-
Датчики определения влагосодержания в масле (11)
-
Датчики температуры наиболее нагретых точек обмоток высшего напряжения и тяговых обмоток (12)
-
Датчики определения концентрации кислорода в масле (13)
-
Датчики определения кислотного числа трансформаторного масла (14) и др.
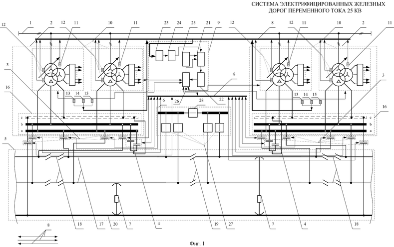
Принципиальная схема системы тягового электроснабжения переменного тока с устройством пофазного мониторинга износа изображена на рисунке 2.1.
Рисунок 2.2 – Система тягового электроснабжения переменного тока с устройством пофазного мониторинга износа
-
Оценка токов плеч питания подстанции Уссурийск
На тяговых подстанциях Спасск-Дальний, Сибирцево и Уссурийск обеспечен контроль потребления электрической энергии на вводах в распределительное устройство 110, 27,5 и 10 кВ, по которым не представляется возможным определить наиболее нагруженное плечо и обмотку трансформатора.
Определять обмотку с наибольшим износом изоляции при известном расходе электрической энергии подстанции возможно по коэффициентам распределения расхода электрической энергии по плечам питания подстанции трансформаторов, полученным посредством моделирования работы системы тягового электроснабжения железных дорог.
Коэффициент распределения расхода активной электрической энергии левого
и правого
плеч подстанции рассчитаны по формулам:
, 828\* MERGEFORMAT (.)
, 929\* MERGEFORMAT (.)
где
и
, – средний расход активной электрической энергии соответственно левого (л) и правого (п) плеча питания подстанции.
Коэффициент распределения расхода реактивной электрической энергии левого
и правого
плеч подстанции рассчитаны по формулам:
, 10210\* MERGEFORMAT (.)
, 11211\* MERGEFORMAT (.)
где
и
, – средний расход реактивной электрической энергии соответственно левого (л) и правого (п) плеча питания подстанции.
Для решения различных расчётных задач, связанных с выбором параметров, определением характеристик режимов и нагрузочной способности систем тягового электроснабжения и их отдельных элементов разработан комплекс программ для расчётов систем тягового электроснабжения (КОРТЭС) [14-21].
Комплекс КОРТЭС имеет гибкую структуру и включает в себя программные модули различного назначения, связанные общими базами данных и способами управления. Набор модулей может пополняться компонентами для решения специфических задач как в области проектирования систем электроснабжения, так и их эксплуатации [14].
Для расчета параметров системы тягового электроснабжения переменного тока 25 кВ комплекс КОРТЭС содержит следующие программы:
-
Управляющий программный модуль комплекса (KtMain).
-
Расчёты режимов нагрузки и пропускной способности системы 27,5 кВ (KA_PN).
-
Расчёты режимов нагрузки системы 27,5 кВ (KA_CN).
-
Редактор графиков движения поездов (KGrafDv).
-
Редактор параметров тяговой нагрузки (EdTrel).
-
Редактор параметров участков (Uchastk).
-
Редактор схем системы 27,5 кВ (KAUbas).
-
Тяговые расчёты Trelk.
Для запуска и управления работой комплекса используется программа KtMain. С её помощью осуществляется выбор решаемой задачи, текущего каталога данных, типа данных, имени рабочего файла, а также запуск необходимых программ [14].
Результатами расчётов являются расходы полной, активной и реактивной электроэнергии по всему участку, по отдельным подстанциям и по энергосистемам, питающим группы подстанций.
Коэффициенты распределения расхода электрической энергии по плечам питания тяговых подстанций определены посредством моделирования работы рассматриваемого участка в программном комплексе КОРТЭС.
Моделирование производилось следующем образом. В программе Uchastk построен продольный профиль пути рассматриваемого участка (см. рисунок 2.2).
Рисунок 2.3– Продольный профиль участка Свиягино – Надеждинская
В соответствии с исходными данными участка в программе Trelk [21] выполнены тяговые расчеты для поездов четного направления следования (Свиягино – Надеждинская), и нечетного (Надеждинская – Свиягино). Получен ток и скорость движения поезда на рассматриваемом участке. Пример результатов тяговых расчетов четного и нечетного направлений следования проездов соответственно для масс 6300 т и 2300 т представлены на рисунке 2.3.
Далее данные программы Trelk используются при моделировании режимов нагрузки и пропускной способности в программе KA_PN. Одними из резльтатов работы KA_PN являются нагрузка тяговых трансформаторов подстанций.
Моделирование в прогрмме KA_PN производилась при условии двустороннего питания тяговой сети; параллельного графика движения поездов (80 пар поездов следуют в четном и нечетном направлениях движения соответсвенно массаой 6300 и 2300 т с межпоезным интервалом 14 мин.). При параметрах тяговых подстанций (см. таблицу 2.1) получен расход электрической энергии по плечам питания за сутки (см. таблицу 2.2)
Таблица 2.14 – Параметры тяговых подстанций
| Наименование подстанции | Sкз, MBA | Тип трансформатора | Кол-во вкл. | Uxx, кВ | КУ правого плеча, кВАр | Sh, MBA |
| Спасск-Дальний | 1733 | ТДТНЖ 25000/110-69У1 | 1 | 27,5 | – | 0,135 |
| Сибирцево | 1028 | ТДТНЖУ 40000/110-У1 | 1 | 27,5 | 3077 | 7,03 |
| Уссурийск | 851 | ТДТНЖ 40000/110-71У1 | 1 | 27,5 | – | 8,22 |
Примечание: Sн – мощность нетяговых потребителей.
Рисунок 2.4 – График тока и скорости движения поезда на участке Свиягино – Надеждинская: а) четное; б) нечетное
Таблица 2.15 – Результаты моделирования расхода электрической энергии по плечам питания подстанций за сутки
| Наименование подстанции | Плечо | Wа, кВт·ч | Wр, кВАр·ч |
| Сибирцево | Левое | 157794 | 139759 |
| Правое | 133148 | 77178 | |
| Уссурийск | Левое | 314570 | 160852 |
| Правое | 212806 | 39339 |
Результаты моделирования по разным графикам движения поездов на участке, модулями напряжения холстяного хода (Uxx), смещением фазы Uxx относительно вектора напряжения системы позволили определить в каких пределах изменяются значения коэффициентов распределения расхода активной (Ка) и реактивной (Кр) электрической энергии по плечам подстанций.
Результаты определения коэффициентов распределения расхода электрической энергии по плечам питания подстанции сведены в таблицу 2.3.
Таблица 2.16 – Коэффициенты распределения расхода электрической энергии по плечам подстанций
| Наименование подстанции | Плечо | Kа | Kр |
| Сибирцево | Левое | 0,54 0,65 | 0,55 0,65 |
| Правое | 0,35 0,46 | 0,35 0,45 | |
| Уссурийск | Левое | 0,55 0,63 | 0,60 0,80 |
| Правое | 0,37 0,45 | 0,20 0,40 |
Результаты моделирования нагрузки плеч питания рассматриваемых тяговых подстанций сведены в таблицу 2.4.
Таблица 2.17 – Нагрузка плеч питания тяговых подстанций
| Наименование подстанций | Плечо питания | |
| Левое | Правое | |
| Сибирцево | Max | Min |
| Уссурийск | Max | Min |
Следовательно, на тяговой подстанции Спасск-Дальний плечо с большим расходом активной электрической энергии является правое, на подстанциях Сибирцево и Уссурийск – левое.
-
Оценка токов обмоток трансформатора подстанции Уссурийск
В работах [22-23] предложена методика определения обмотки с наибольшим износом изоляции:
-
по расходу электрической энергии плеч питания подстанции;
-
по среднему значению напряжения плеч;
-
по среднему значению тока плеч.
Согласно методике, наиболее нагруженная обмотка с максимальным износом изоляции является обмотка питающая плечо с большим расходом электрической энергии, меньшим значение напряжения и большим током.
Исходная схема подключения тяговых трансформаторов подстанции Уссурийск изображена на рисунке 3.1.
Рисунок 2.5 – Расчетная схема
В соответствии с коэффициентами распределения расхода электрической энергии по плечам питания подстанции, представленными в п. 2.3 настоящей работы определены наиболее нагруженные обмотки тяговых трансформаторов рассматриваемых подстанций (см. таблицу 2.5).
















