диплом (1234225), страница 9
Текст из файла (страница 9)
Эпюра N от q покрытия Эпюра М от q покрытия
Эпюра Q от q покрытия Эпюра N от q
Эпюра M от q Эпюра Q от q
Рисунок 2.14 Эпюры усилий в раме
-
Расчет ригеля
2.4.1 Подбор и проверка прочности сечения ригеля рамы
Усилия в ригеле принимаем из расчета рамы по программе SCAD Office: максимальный изгибающий момент (М) и соответствующие продольные (N) и поперечные (Q) силы в ригеле рамы
М = 1303,18 кН . м;
N = 0,984 кН;
Q = 234,011 кН.
Рисунок 2.15 Усилия, возникающие в ригеле
Так как N = 0,984 кН, намного меньше М = 1303,18 кН . м, то считаем ригель только на изгиб.
2.4.2 Проверка прочности по нормальным напряжениям
Ригель принят из двутавра I1000Б1
= 1303,18 кН . м – из расчета рамы по программе SCAD Office
Рисунок 2.16 Сечение ригеля
= 0,95 -коэффициент надежности по ответственности [9], т.к. II уровень ответственности здания
= 0,9 – коэффициент условия работы [18]
= 9011 см3 – момент сопротивления сечения, см. ГОСТ 26020-83 на прокат двутавра
Принимаем сталь для ригеля по ГОСТу 27772-88 - С255 [18]
Вывод: прочность по нормальным напряжениям обеспечена
2.4.3 Проверка прочности по касательным напряжениям
= 234,011 кН – из расчета рамы по программе SCAD Office
= 5234,00 см3 – статистический момент сечения относительно оси х-х
= 446000 см4 – момент инерции сечения относительно оси х-х
= 1,6 см – толщина стенки сечения
= 0,58
- расчетное сопротивление стали
Вывод: прочность по нормальным напряжениям обеспечена.
2.4.4 Проверка жесткости ригеля
Проверяем жесткость ригеля (прогиб):
- прогиб от нормативной нагрузки
Вывод: жесткость ригеля обеспечена.
-
Расчет колонны
-
Подбор и проверка устойчивости сечения колонны
-
Усилия в колонне принимаем из расчета рамы программе SCAD Office: максимальный изгибающий момент (М) и соответствующую продольную (N) силы в колонне рамы
М = 98,58 кН . м;
N = 234 кН.
Колонна внецентренно сжатая
Рисунок 2.17 Усилия, возникающие в колонне
Проверяем устойчивость колонны в плоскости рамы относительно х-х
где
- коэффициент продольного изгиба при внецентренном сжатии [18]
Для определения
нужно знать условную гибкость:
где
- предельная гибкость [18]
=12,34 см – радиус инерции относительно оси х-х
Рисунок 2.18 Сечение колонны
Расчетная длина колонны в плоскости рамы:
где
- коэффициент расчетной длины
n – коэффициент [15], т. к. рама однопролетная:
, т.к. тип жесткости Jp=2; Jc=1 (2.26)
Расчетная длина колонны из плоскости рамы:
Предельная гибкость колонны:
Определяем эксцентриситет:
Определяем относительный эксцентриситет:
Рисунок 2.19 Расстояние между стеновыми прогонами
Определяем приведенный эксцентриситет:
- коэффициент влияния формы сечения
где
- площадь сечения полки колонны (рисунок 2.20)
- площадь сечения стенки колонны
где
- коэффициент продольного изгиба при внецентренном сжатии, в зависимости от
и
Вывод: устойчивость колонны обеспечена.
Проверяем устойчивость колонны из плоскости рамы:
где с – коэффициент, т.к.
, то определяем согласно формуле:
где
– как центрально-сжатой колонны
Тип кривой устойчивости
Вывод: Устойчивость колонны из плоскости рамы обеспечена.
-
Расчет базы колонны
Усилия в колонне принимаем из расчета рамы по программе SCAD Office: максимальный изгибающий момент (М) и соответствующую продольную (N) силы в колонне рамы
М = 118,92 кН . м; N = 235,62 кН.
Рисунок 2.20 К расчету базы колонны
По конструктивным соображениям определяем ширину опорной плиты:
где
- ширина полки колонны = 200мм
- толщина траверсы, принимаемая 10 мм.
с – вылет консоли плиты, назначаемая в пределах 30-50 мм.
Принимаем в соответствии с ГОСТ 82-70*. В = 32 см.
Определяем длину плиты по формуле:
- расчетное сопротивление бетона фундамента, принимаемое по формуле:
Принят бетон для фундамента класса В15, для которого расчетное сопротивление бетона осевому сжатию
=8,5 мПа. Базу проектируем из стали С240 по ГОСТ 380-71*, сварка осуществляется электродами Э42.
Предварительно принимаем:
Принимаем L = 50 см (т.к. должно быть кратно 10)
Вычисляем краевые напряжения в бетоне:
Назначаем размеры фундамента 900х900 мм и уточняем коэффициент
Консольный участок – 1
Находим изгибающий момент:
Участок разделен на 3 стороны:
Находим изгибающий момент участка 2.
Толщина плиты базы:
Количество вертикальных швов – 4
= 180 мПа = 18 кН/м – расчетное сопротивление углового сварного шва
Э42 – тип электрода для стали С240
По таблице 50* [18] колонна относится к 3 группе. Применяем сталь С255 ГОСТ 27772-88 для г. Свободный I – климатического района.
-
Расчет анкерных болтов
Для анкерных болтов принимаем из расчета рамы по программе SCAD Office: минимальную продольную (N) силу и соответствующий изгибающий момент (М) (постоянная нагрузка и ветровая) [2].
Постоянная нагрузка от покрытия:
N покр = q покр . L/2 = 5,136 . 24/2 = 61,63 кН (2.45)
q покр = q . В = 0,856 . 6 = 5,136 кН/м (2.46)
Мсоотв = 25,75 кН . м
Рисунок 2.21 К расчету анкерных болтов
Усилия в растянутых болтах:
Следовательно, болты принимаем конструктивно
Площадь сечения 1 анкерного болта:
n = 2 – 2 болта в растянутой зоне
= 200 мПа = 20 кН/см2 – расчетное сопротивление фундаментного болта на растяжение
По конструктивным соображениям принимаем сечение базы 600х400 мм, толщиной 20 мм.
-
Расчет фланцевых соединений
Сечение ригеля: I1000Б1 ГОСТ 26020-93
Принимаем фланец: сталь 390 ГОСТ 27772
Ry = 380 мПа = 38
Принимаем толщину фланца tфл = 25 мм.
Принимаем болты: сталь марки 40х «Селект» ГОСТ 22356 [18].
Диаметр резьбы: dб = 24 мм, диаметр отверстия: d0 = dб+ (3-4 мм) = 28 мм.
Расчет фланца в узле сопряжения ригеля с колонной:
Находим растягивающее усилие, действующее на 1 болт - Nt
М = 103,7 кН . м – из расчета SCAD Office
Срезающее усилие, действующее на болт Ns = 234,48 кН - из расчета рамы
На болтовое соединение одновременно действуют изгибающий момент и продольная сила. Наибольшее усилие в болте проверяется по формуле 169 [18]:
Расположение болтов см. рис 19.
Несущая способность одного болта на срез:
где
- расчетное сопротивление растяжению высокопрочного болта
где
- нормативное сопротивление болта
- площадь сечения стержня болта по резьбе
- число расчетных срезов одного болта
- коэффициент условия работы фрикционного соединения, необходимых для восприятия расчетного условия и принимаемый равным 1, так как количество болтов 10
Несущая способность болта на растяжение:
где
- площадь сечения болта по резьбе [18]
-
Расчет фланца в коньке рамы
М = 1303 кН . м – из расчета SCAD Office
Находим растягивающее усилие, действующее на болт - Nt
Срезающее усилие, действующее на болт Ns = 17,28 кН - из расчета рамы
Несущая способность одного болта на срез:
Несущая способность болта на растяжение:
Окончательно принимаем количество болтов n = 10 шт. d = 24 мм, d0 = 28 мм.
-
Расчет столбчатого фундамента под колонну
2.6.1 Определение площади подошвы фундамента
Грунт: суглинок е = 0,7; IL = 0,4; γгр = γII = 18 кН/м3
Условное расчетное давление на грунт основания [27]:
R0 = 200 кН/м2
Принимаем нормативное значение удельного сцепления [27]:
Глубина заложения подошвы фундамента под колонну крайнего ряда определяется конструктивно.
Обрез фундамента находится на отметке -0,150 м.
FL = H = -1,650 м – отметка подошвы фундамента.
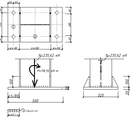
Рисунок 2.22 Нагрузки на фундамент
Глубина заложения подошвы фундамента:
d = FL – DL = 1,65 – 0,15 = 1,5 м. (2.57)
Определяем предварительные размеры подошвы фундамента:
где
= 20 кН/м2 – средний удельный вес фундамента и грунта на уступах фундамента
В плане подошва фундамента принимается прямоугольной формы (
).
Усилия в колонне определяем из расчета рамы по программе SCAD
N = 234,48 + 0,33 + 0,25 + 0,32 + 0,24 = 235,62 кH
М = 51,82 + 7,7 + 3,95 = 63,47 кН . м
Q = 17,28 + 1,31 + 1,04 + 0,9 + 0,65 = 21,18 кН
где
- длинная сторона подошвы фундамента в плоскости действия момента;
- короткая сторона подошвы фундамента в плоскости действия момента















