диплом (1234225), страница 4
Текст из файла (страница 4)
С – коэффициент солнечности климата, определяемый по [6], С=0,7;
Тогда еN=0,80,70,9=0,504.
Определим коэффициент светопропускания окон:
= 0,7 – для пластиковых окон с тройным остеклением;
= 1 нет солнцезащитных устройств;
= 0,75 · 0,7 · 1 · 1 · 1 = 0,525
Расчетная точка находится на расстоянии 1 м от наиболее удаленной от окна стены, а уровень условной рабочей поверхности УУРП = 0,8 м.
Определяем
Для окна высотой 2100 мм определим его длину:
Принимаем для обеспечения естественного освещения одно окно размерами 21001610 мм. Таким образом для естественного освещения достаточно не менее 9-ти световых проемов на одной стене.
Дополнительно к естественному, предусматривается искусственное освещение неоновыми лампами.
Таким же образом подбираются все компоненты по формуле Гусева и производится расчет.
Кз – коэффициент запаса, Кз=1,4; для рабочих кабинетов зданий управлений значение коэффициента естественного освещения (КЕО) –
= 0,8; mN = 0,9; С – коэффициент солнечности климата, С=0,7.
Тогда еN=0,80,70,9=0,504.
= 0,7 – для пластиковых окон с тройным остеклением;
= 1 убирающиеся регулируемые жалюзи.
1.1.4.3 Разработка эскиза плана этажа здания
На основе клаузурной (черновой) проработке планировочного решения здания завершается работа над эскизами планов здания. На планы наносятся элементы конструктивной системы, определяется дополнительный эвакуационный выход, расположение окон и дверей, их типы и размеры.
1.1.4.4 Построение разреза здания
Разрез здания выполняется на основе решения плана и с учетом принятой конструктивной системы.
Рисунок 1.5 Разрез здания
Рисунок 1.6 Разрез здания
1.1.4.5 Проверка условий эвакуации людей из здания
При проектировании общественных зданий с зальными помещениями без мест для зрителей по планировочному решению определяется наибольшее расстояние от любой точки зала до ближайшего эвакуационного выхода (двери) [17]. Это расстояние не должно превышать предельной величины, устанавливаемой в зависимости от степени огнестойкости и объёма зала. Фактические и нормативные параметры эвакуационных путей заносятся в таблицу 1.5.
Таблица 1.8 - Параметры путей эвакуации
| Наименование помещения на путях эвакуации | Степень огнестойкости здания | Плотность людского потока чел/м3. | Ширина путей эвакуации, м | Расстояние, м | ||
| СП | фактическая | СП | фактическая | |||
| №1 | II | 0,05 | 1,8 | 1,8 | 15 | 11,8 |
| №10 | II | 0,05 | 0,9 | 1,9 | 15 | 13 |
Рисунок 1.7 План эвакуации
1.1.4.6 Разработка фасада здания
Разработка архитектурного решения фасадов здания - завершающая и основная часть проектирования. Архитектура фасада выявляет художественные и конструктивные достоинства и недостатки здания, определяет его выразительность и цельность архитектурного образа.
В условиях проектирования общественного здания на основе принципов типизации, унификации, стандартизации и применения индустриальных элементов уникальность и выразительность фасада достигается оригинальным решением входа в здание, ритмическим и метрическим рядом оконных проемов, удачным сочетанием объемов различных частей здания при общем решении его архитектурной композиции.
Окончательная разработка эскизов фасадов здания представлена на рисунках 1.8,1.9.
1.1.4.7 Технико-экономические показатели объемно планировочного решения здания
Показатели по которым ведется оценка объемно-планировочного решения здания приведены а таблице 1.9.
Таблица 1.9 - Технико-экономическая оценка объемно-планировочного решения здания.
| Наименование показателей | Ед. изм. | Значение показателей по проекту |
| 864 | ||
| 847,66 | ||
| 9970,56 | ||
| Коэффициент рационального использования площади здания, к1=Fр/Fпол. | - | 1,02 |
| Коэффициент рационального использования строительного объема, к2=Vстр./Fпол. | - | 11,76 |
1.1.5 Генплан участка застройки
При решении генплана участка определяем площадь застройки здания согласно его назначению и объемно - планировочным решениям, площадь земельного участка с выделением функциональных зон. Здание размещено на участке в соответствии с заданной градостроительной ситуацией и допускаемой ориентацией. При разработке генерального плана учтены требования к земельному участку [5].
Земельный участок для строительства выбран с учетом особенностей генерального плана населенного пункта, с учетом транспортных связей с основными районам населенного пункта.
Сложившаяся планировочная структура данного участка позволила вписать в нее проектное решение здания с выполнением всех нормативных требований: технологических, противопожарных, санитарных. Для этого предусмотрены свободные подъезды с устройством подходов и авто парковки.
На генплане показываются все объекты с выделением плана основного здания. На генплане показываются зона озеленения; пешеходная и транспортная зоны, выносятся роза ветров и экспликация объектов.
Проектом предусмотрено благоустройство территории, прилегающей к проектируемому зданию:
- асфальтирование участка и подъездной дороги;
- озеленение территории в соответствии с действующими нормами посадкой деревьев и кустарников, устройством газона из многолетних трав на свободной от застройки территории;
- организация бетонированной площадки для установки мусоросборных контейнеров, оснащенных плотно закрывающимися крышками;
- у входной зоны предусмотрена установка урн.
Генеральный план показан на рисунке 1.10.
Рисунок 1.10 Генеральный план
1.2 Обоснование выбора конструктивных элементов здания
Выбрав на основе эскизного проектирования здания, принципиальное решение его элементов и конструкций приступают к обоснованию и уточнению размеров и разработке отдельных деталей конструкций [14].
1.2.1 Фундаменты
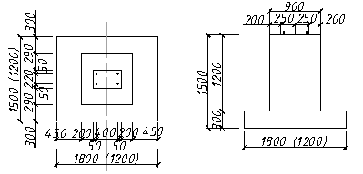
Фундамент под спортивный комплекс в г. Свободном железобетонный столбчатого типа по серии 1.412.1-4 (индивидуальные) ФМ-1, ФМ-2 и ФМ-3.
Рисунок 1.11 Фундаменты
Перед началом земляных работ производится очистка территории, снос старых строений, вынос наружных коммуникаций, разбивка основных геодезических осей здания, планировка территории.
Планировка работы и срезка растительного слоя выполняется бульдозером выполняют разметку места устройства фундамента.
Для устройства опалубки применяют деревометаллические щиты, имеющие многократную оборачиваемость. Готовые щиты завозят на объект автотранспортом, складируют на бровке траншеи. Пакет опалубных щитов подают в траншею монтажным краном. Крепления щитов между собой осуществляют крючьями, проволочными стяжками, прижимными скобами.
Армирование фундамента выполняется сетками и каркасами, которые подаются в опалубку монтажным краном или вручную. Установку арматурных изделий производят с учётом защитного слоя бетона. Перед бетонированием опалубку очищают от мусора, заделывают щели. Бетонная смесь транспортируется на объект в бетоновозах или на автосамосвалах выгружаются в ковши – бадьи, монтажным краном подается в опалубку. Бетонирование фундамента выполняется послойно 30/35см с последующим уплотнением глубинным вибратором ИВ-75 до появления на поверхности цементного молочка. При достижении бетоном 75% прочности – опалубку снимают. Практически опалубку снимают через три дня.















