ДП 140604.65. ПЗ 658 (1232986), страница 9
Текст из файла (страница 9)
Здесь используется математическая модель измерения активной электрической мощности, реализованная по нормативным и методическим документам по измерению, коммерческому и техническому учету электрической энергии и мощности, которая представляет собой среднюю за период времени измерения Т скорость перехода энергии электромагнитного поля в другие виды энергии (в частности, в механическую энергию движения электровоза с поездом) при любых формах кривых напряжения и тока:
, (4.1)
где
и
– функции кривых напряжения и тока любой формы;
– количество замеров за интервал времени T, кратный периоду питающего напряжения.
При цифровой обработке мгновенных значений сигналов тока и напряжения значение мощности усредняется по нескольким периодам промышленной частоты. Приращение активной электроэнергии за некоторый интервал времени рассчитывается путем численного интегрирования активной мощности за данный интервал.
Вследствие нелинейности нагрузки (электровоза) контактной сети
и
несинусоидальны и можно говорить о наличии высших гармонических составляющих в контактной сети, тогда токи и напряжения могут быть представлены в виде ряда Фурье.
Разложение в ряд Фурье периодических кривых произвольной формы производят графическим (графо-аналитическим) способом, который основан на замене определенного интеграла суммой конечного числа слагаемых. С этой целью период функции
(кривой тока или напряжения), равный
, разбивается на
равных частей
и интегралы заменяются суммами. Кривую напряжения произвольной (несинусоидальной) формы представим в виде ряда Фурье:
. (4.2)
Постоянная составляющая ряда определяется по следующей формуле:
,
или
, (4.3)
где
– текущий индекс; он пробегает значения от 1 до
;
– значение функции
при
, т.е. в середине
-го интервала.
Амплитуда синусной составляющей
-й гармоники ряда определяется по следующей формуле:
,
или
. (4.4)
Амплитуда косинусной составляющей
-й гармоники ряда определяется по следующей формуле:
,
или
. (4.5)
Здесь
и
– соответственно значения функций
и
при
, т.е. в середине
-го интервала.
Амплитуда каждой гармоники определяется по следующей формуле:
. (4.6)
Тангенс угла
, на который начало каждой гармоники, смещено по отношению к началу кривой
(начальная фаза гармоники):
,
откуда
. (4.7)
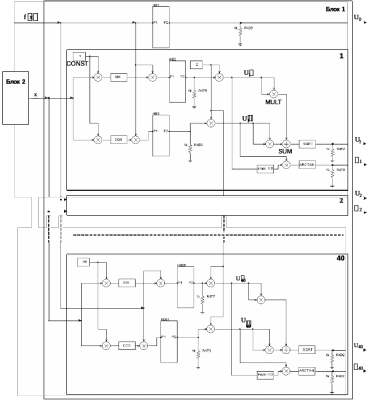
Алгоритм разложения в ряд Фурье кривых напряжения и тока при создании математической модели системы учета электрической энергии реализован в системе моделирования OrCAD 9.2 при помощи следующей модели блока реализации алгоритма (рисунок 4.2).
При составлении модели используются следующие элементы: ключ управляемый напряжением (Sbreak); интегратор (INTEG); импульсный источник напряжения (VPULSE); перемножитель (MULT); суммирование (SUM) и вычитание напряжений (DIFF); степенная функция (PWR); функции синуса (SIN), косинуса (COS) и арктангенса (ARCTAN); корень квадратный (SQRT) и другие.
Модель, схема которой представлена на рисунке 4.2, предназначена для получения постоянной составляющей, амплитуд синусной и косинусной составляющих
-й гармоники ряда, а также амплитуд и начальных фаз каждой гармоники ряда при разложении периодической несинусоидальной кривой напряжения (тока).
В блоке 1 при помощи иерархических структур реализован блок НВ (Hierarchy Block) реализации способа определения интеграла функции
за период частоты питающего напряжения на основе интегратора (INTEG). Развернутая схема блока НВ представлена на рисунке 4.3. Использование ключей S2 и S3, управляемых напряжением (Sbreak), установленных на входе и выходе интегратора и позволяет ограничивать период функции, поступающей на интегратор и выходящей из него. После определения интеграла функции за период питающего напряжения сети ключом S1 и функцией EPOLY осуществляется сброс интегратора на начальное значение. Далее происходит открытие ключа S3 и интегратор снова произведет расчет среднего значения функции за следующий период, по окончанию которого сработает ключ S2.
С применением иерархических блоков НВ, постоянных (CONST) – номеров гармоник (с 1-й по 40-ю), функций синуса (SIN), косинуса (COS) и перемножителей (MULT) производится вычисление, соответственно формулам (4.4) и (4.5), амплитуд синусной (
) и косинусной (
) составляющих каждой гармоники ряда Фурье.
В результате на выходе блока 1, в соответствии с формулой (4.3) определяется постоянная составляющая ряда (
), согласно формулам (4.6) и (4.7) определяется амплитуда (
) и начальная фаза (
)
-й гармоники ряда с использованием перемножителей (MULT), степенной функции (PWR), функций суммирования (SUM), корня квадратного (SQRT) и арктангенса (ARCTAN).
В блоке 2 модели, развернутая схема которого представлена на рисунке 4.4, производится определение текущего значения угла (
) сдвига начальной фазы первой и n-ой гармоник. Источники синусоидального напряжения образуют функцию тангенса текущего угла. Значение угла (
) определяется через функцию арктангенса (ARCTAN).
Рисунок 4.2 – Схема модели блока реализации алгоритма быстрого преобразования Фурье в программе OrCAD 9.2 (Блок 1)
Рисунок 4.3 – Схема модели блока реализации способа определения интеграла функции за период
Рисунок 4.4 – Схема модели блока реализации алгоритма быстрого преобразования Фурье в программе OrCAD 9.2 (Блок 2)
После соответствующих математических преобразований выражение (4.1) принимает следующий вид:
, (4.8)
где
– активная мощность n-ой (
) гармонической составляющей;
и
– действующие значения напряжения и тока n-ой гармонической составляющей;
– угол фазового сдвига между напряжением
и током
.
Полученная математическая модель электромагнитных процессов, протекающих в системе «контактная сеть – электровоз» с возможностью определения расхода электрической энергии на электровозах переменного тока позволяет проводить исследования стационарных и переходных процессов в различных режимах работы электровоза переменного тока. Математическая модель системы учета расхода электрической энергии позволяет определять расход электрической энергии на основе применения разложения кривых тока и напряжения в гармонический ряд Фурье, что является более достоверным при проведении измерений.
Изложенная методика математического моделирования динамических переходных процессов в силовых цепях электровоза и программная реализация обобщенной математической модели «контактная сеть – электровоз» применяется в учебном процессе на кафедре «Электротехника, электроника и электромеханика» Дальневосточного государственного университета путей сообщения.
4.3 Результаты экспериментальных исследований и математического моделирования по измерению расхода электрической энергии на электровозе
Вследствие того, что произвести измерение напряжения на токоприемнике электровоза было физически невозможно в связи с отсутствием измерительного трансформатора напряжения на высокой стороне трансформатора электровоза, измерение напряжения производилось с обмотки возбуждения тягового трансформатора, напряжение которой подается на выпрямительную установку возбуждения (ВУВ). Такое подключение позволяет избавиться от дополнительных искажений кривой напряжения, так как в режиме тяги обмотка возбуждения не нагружена в отличие от обмотки собственных нужд, которая нагружена вспомогательными машинами во всех режимах работы электровоза и питает цепи напряжения счетчиков электрической энергии электровоза.
Для проверки адекватности созданной обобщенной математической модели системы «контактная сеть – электровоз» был смоделирован режим работы электровоза в режиме тяги, аналогичный режиму работы реального электровоза. На чертеже ДП 140604.65 025 006 представлены кривые напряжения и тока в первичной обмотке тягового трансформатора электровоза, полученные при моделировании и работе реального электровоза в режиме тяги с фазовыми углами 110 эл.град. на 4-й зоне регулирования.
Критерием сравнения электромагнитных процессов, протекающих в модели и в силовых цепях реального электровоза, был выбран коэффициент искажения синусоидальности кривой напряжения как один из основных показателей, характеризующих форму периодически изменяющихся кривых.
Коэффициент искажения синусоидальности кривых напряжения, определенный по экспериментальной кривой (рисунок 4.5, а), составил 5,64 %, а по кривой моделирования (рисунок 4.5, б) – 6,20 %. Коэффициент искажения синусоидальности напряжения, определенный по экспериментальной кривой (рисунок 4.6, а), составил 5,48 %, а по кривой моделирования (рис. 4.6, б) – 5,97 %.
Результаты проведенного эксперимента показали достаточную сходимость процессов, протекающих в модели с электромагнитными процессами реального электровоза. Относительные погрешности составили 9,1 и 8,6 %, то есть, по величине не превышая допустимую погрешность при математическом моделировании в 10 %.
Таким образом, предложенная модель пригодна для проведения моделирования с целью исследования электромагнитных процессов при работе электровоза переменного тока.
Предлагаемые технические решения и виртуальный прибор для автоматизированной измерительной системы расхода электрической энергии, потребляемой электровозами переменного тока, позволяют непрерывно определять расход электрической энергии и коэффициент искажения синусоидальности кривой напряжения без использования промежуточных элементов обработки информации, что исключает влияние человеческого фактора.
Относительная погрешность результатов измерений расхода электрической энергии с помощью предлагаемой системы с информацией из маршрутного листа машиниста составила – 8,5 %.
Результаты проведенного эксперимента показали достаточную сходимость процессов, протекающих в модели с электромагнитными процессами реального электровоза, что говорит о пригодности созданной модели для проведения моделирования с целью исследования электромагнитных процессов при работе электровоза переменного тока.
5 Разработка инструкции по охране труда для пользователей персональных электронно-вычислительных машин
Охрана труда представляет собой систему законодательных актов, социально-экономических, организационных, технических и лечебно-профилактических мероприятий и средств, обеспечивающих безопасность, сохранение здоровья и работоспособность человека в процессе труда.
















