09 ПЗ 140604.65.ПЗ-658 Кленов Кирилл Игоревич (1231558), страница 4
Текст из файла (страница 4)
Фильтрующие устройства подавления гармоник
На нижеприведенном рисунке показаны все защитные элементы, которые можно условно разделить на входные и выходные. Входные элементы служат для подавления негативного влияния выпрямителя, выходные элементы предназначены для борьбы с проблемами, создаваемыми ШИМ–инвертором. К входным элементам относятся сетевые дроссели и сглаживающие дроссели. К выходным: дроссели du/dt; моторные дроссели; синус-фильтры.
Рисунок 2.3–Фильтрующие устройства в сети электропривода
Включение сетевых дросселей
Последовательное включение сетевых дросселей переменного тока является простейшим способом снижения уровня генерируемых нелинейными нагрузками высших гармоник во внешнюю сеть. Дроссель имеет малое значение индуктивного сопротивления на основной частоте 50 Гц и значительные величины сопротивлений для высших гармоник, что приводит к их ослаблению. Сетевые дроссели переменного тока позволяют уменьшить коэффициент гармоник в несколько раз, в зависимости от соотношения мощности питающего трансформатора, мощности нагрузки и параметров
дросселя. Так, при мощности питающего трансформатора 800 кВА подключенные к сети преобразователи частоты разной мощности внесут в нее разные гармонические искажения, например:
– ПЧ мощностью 315 кВт – 7,3 %;
– ПЧ мощностью 30 кВт – 2,9 %.
После установки линейных 2 % дросселей на входах ПЧ уровень гармонических искажений сети снизится и, соответственно, составит:
– для ПЧ мощностью 315 кВт с входным 2 %-м дросселем – 5,6 %;
– для ПЧ мощностью 30 кВт с входным 2 %-м дросселем – 0,8 %.
Рисунок 2.4 – Форма входного тока преобразователя частоты без дросселя и с сетевым дросселем
Преимущества применения сетевых дросселей типа:
– защищает преобразователь частоты от импульсных всплесков напряжения в сети;
– защищает преобразователь частоты от перекосов фаз питающего напряжения;
– уменьшает скорость нарастания токов короткого замыкания в выходных цепях преобразователя частоты;
– повышают срок службы конденсатора в звене постоянного тока.
Включение дросселей постоянного тока в преобразователях частоты
Дроссели постоянного тока в преобразователях частоты подключаются к специально выведенным клеммам в разрыв цепи постоянного тока. Некоторые модели преобразователей поставляются уже со встроенными
дросселями постоянного тока. Эффективность дросселей постоянного тока
в части снижения гармонических искажений напряжения сети примерно такая же, как и линейных дросселей переменного тока.
Рисунок 2.5 – Включение дросселя постоянного тока
Так, при мощности питающего трансформатора 800 кВА подключенные к сети преобразователи частоты разной мощности внесут в нее разные гармонические искажения, например:
– ПЧ мощностью 315 кВт – 7,3 %;
– ПЧ мощностью 30 кВт – 2,9 %.
Установленные 2 %-е дроссели постоянного тока снизят уровень гармонических искажений, соответственно, до уровня:
– для ПЧ мощностью 315 кВт с 2 %-м дросселем – 6,3 %;
– для ПЧ мощностью 30 кВт с 2 %-м дросселем постоянного тока – 1,3 %.
Моторные дроссели
Моторные дроссели имеют более высокую индуктивность и поэтому могут работать при большой длине кабеля и большой частоте переключений. Это чаще всего применяемое и успешное устройство, которое защищает двигатель от негативного влияния ШИМ преобразователя частоты.
Преимущества применения моторных дросселей:
– повышение надежности и долговечности мотора;
– ограничение крутизны нарастания напряжения du/dt;
– успешное подавление электромагнитных помех;
– уменьшение амплитуды перенапряжений на клеммах двигателя;
– снижение уровня шума двигателя.
Рисунок 2.6 – Кривые напряжения перед и за моторным дросселем
Синус-фильтры
Может применяться на выходе преобразователя частоты в случаях, когда двигатель не может выдержать воздействий повышенного напряжения, или моторный дроссель не уменьшает их достаточно, например, при длине моторного кабеля более 100 метров. Синус-фильтр - это фильтр LC, но с частотой резонанса меньше 50 % от частоты коммутации (несущей частоты ШИМ) инвертора, то есть приблизительно 1,2 кГц для 500 V двигателей. Фильтр удаляет несущую частоту, оставляя только рабочую выходную частоту, приближая форму выходного напряжения к синусоидальной, таким образом, устраняя все перенапряжения на обмотках двигателя.
При номинальной нагрузке привода на синус-фильтре будет падать напряжение около 30 V. Это нужно учитывать при выборе электродвигателя. Падение напряжения может быть частично скомпенсировано уменьшением точки ослабления поля в частотном преобразователе, и до этой точки на двигатель будет подаваться корректное значение напряжения, но на номинальной скорости напряжение будет пониженным.
Частота коммутации инвертора при использовании его с синус-фильтром не должна быть ниже 4 кГц. В противном случае возможен выход синус-фильтра из строя! Если частотный преобразователь имеет функцию автоматического снижения частоты ШИМ при увеличении нагрузки, то её нужно отключить или задать минимальную частоту ШИМ – 4 кГц. Так же при использовании фильтров SIN нельзя превышать выходную частоту инвертора более 70 Гц.
Преимущества применения синус–фильтров :
– значимое улучшение качества выходного напряжения (THDu<5%);
– повышение надежности и долговечности мотора;
– ограничение крутизны нарастания напряжения и перенапряжений на клеммах двигателя;
– возможность применения длинных неэкранированных кабелей, которые намного дешевле;
– ограничение экранных, подшипниковых токов и токов утечки на землю.
– устранение дополнительных потерь в двигателе и кабеле питания
снижение уровня шума двигателя. [12]
Рисунок 2.7 – Включение синус–фильтра
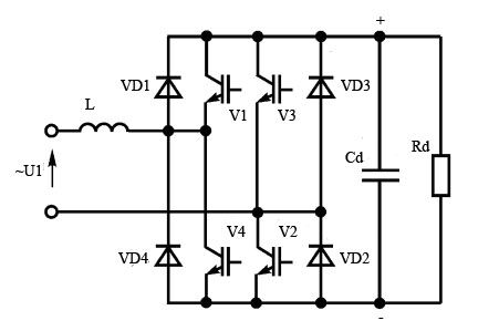
Активный выпрямитель напряжения
Такие выпрямители комплектуются полностью управляемыми вентилями с обратными диодами. С помощью широтно-импульсной модуляции реализуются режимы принудительного формирования сетевого тока. Форму тока приближают к синусоидальной с регулируемой начальной фазой, что и обеспечивает желаемый результат. При помощи коррекции коэффициента мощности возможно не только организовать потребляемый ток сети, совпадающий по форме и фазе с напряжением, но и обеспечить заданный уровень постоянного напряжения на конденсаторе. Активные выпрямители напряжения также называют управляемые выпрямители.
Рисунок 2.4.6–Управляемый выпрямитель напряжения.
Благодаря использованию режима ШИМ импульсное напряжение, формируемое активным выпрямителем на стороне переменного тока, имеет благоприятный гармонический состав, в котором основная гармоника и высшие гармоники существенно различаются по частоте. Это создает благоприятные условия для фильтрации высших гармоник тока, потребляемого из питающей сети, буферными реакторами.
Таким образом решается задача потребления из сети практически синусоидального тока.
3 РЕГУЛИРОВАНИЕ СИСТЕМЫ ВОДОСНАБЖЕНИЯ НАСОСНОЙ СТАНЦИИ ВТОРОГО ПОДЪЕМА ПРЕОБРАЗОВАТЕЛЕМ ЧАСТОТЫ И СТРЕДСТВА АВТОМАТИЗАЦИИ
3.1 Применение преобразователей частоты для регулирования частоты вращения электродвигателей
Основные сведения о частотно-регулируемом электроприводе.
Частотный преобразователь в комплекте с асинхронным электродвигателем позволяет заменить электропривод постоянного тока. Системы регулирования скорости двигателя постоянного тока достаточно просты, но слабым местом такого электропривода является сам электродвигатель. Он дорог и ненадежен. При работе происходит искрение щеток, под воздействием электроэрозии изнашивается коллектор. Такой электродвигатель не может использоваться в запыленной и взрывоопасной среде.
Асинхронные электродвигатели превосходят двигатели постоянного тока по многим параметрам: они просты по устройству и надежны, так как не имеют подвижных контактов. Они имеют меньшие по сравнению с двигателями постоянного тока размеры, массу и стоимость при той же мощности. Асинхронные двигатели просты в изготовлении и эксплуатации.
Основной недостаток асинхронных электродвигателей – сложность регулирования их скорости традиционными методами (изменением питающего напряжения, введением дополнительных сопротивлений в цепь обмоток).
Управление асинхронным электродвигателем в частотном режиме до недавнего времени было большой проблемой, хотя теория частотного регулирования была разработана еще в тридцатых годах. Развитие частотно-регулируемого электропривода сдерживалось высокой стоимостью преобразователей частоты. Появление силовых схем с IGBT-транзисторами, разработка высокопроизводительных микропроцессорных систем управления позволило создать современные преобразователи частоты доступной стоимости. [6]
Известно, что регулирование частоты вращения исполнительных механизмов можно осуществлять при помощи различных устройств: механических вариаторов, гидравлических муфт, дополнительно вводимыми в статор или ротор резисторами, электромеханическими преобразователями частоты, статическими преобразователями частоты.
Применение первых четырех устройств не обеспечивает высокого качества регулирования скорости, неэкономично, требует больших затрат при монтаже и эксплуатации.
Статические преобразователи частоты являются наиболее совершенными устройствами управления асинхронным приводом в настоящее время.
Принцип частотного метода регулирования скорости асинхронного двигателя заключается в том, что, изменяя частоту f1 питающего напряжения, можно в соответствии с выражением
неизменном числе пар полюсов p изменять угловую скорость магнитного поля статора.
Этот способ обеспечивает плавное регулирование скорости в широком диапазоне, а механические характеристики обладают высокой жесткостью.
Регулирование скорости при этом не сопровождается увеличением скольжения асинхронного двигателя, поэтому потери мощности при регулировании невелики.
Для получения высоких энергетических показателей асинхронного двигателя – коэффициентов мощности, полезного действия, перегрузочной способности – необходимо одновременно с частотой изменять и подводимое напряжение.
Закон изменения напряжения зависит от характера момента нагрузки Mс. При постоянном моменте нагрузки Mс=const напряжение на статоре должно регулироваться пропорционально частоте:
Для вентиляторного характера момента нагрузки это состояние имеет вид:
При моменте нагрузки, обратно пропорциональном скорости:
Таким образом, для плавного бесступенчатого регулирования частоты вращения вала асинхронного электродвигателя, преобразователь частоты должен обеспечивать одновременное регулирование частоты и напряжения на статоре асинхронного двигателя.
На объектах водоснабжения на данный момент практически все установленные электродвигатели – стандартного исполнения, и вполне успешно работают в составе частотно-регулируемого привода. Безусловно, они не предназначены для работы с ПЧ, однако, серьезных нарушений в их работоспособности не было обнаружено. Имеют место такие факторы как незначительное снижение сопротивления изоляции и нагрев статора АД, что не является серьезными проблемами. Следует отметить, что в России относительно небольшой опыт эксплуатации преобразователей, и проблемы применения типовых АД в настоящее время продолжают изучаться и анализироваться.
Структура и принцип работы преобразователя частоты.
Широкое применение имеет статический преобразователь частоты с промежуточным звеном постоянного тока. На рисунке 3.1 изображена структурная схема преобразователя частоты.
















