ВКР (1231544), страница 5
Текст из файла (страница 5)
В таблице 6.2 приведены параметры датчика напряжения
серии ДТХ – 600.
Таблица 6.2 – Параметры ДНХ – 600
| Наименование параметра | Значение |
| Диапазон измеряемых напряжений, В | 50 - 600 |
| Номинальный входной ток, мА | 10 |
| Выходной сигнал датчика, мА | 40 |
| Основная приведенная погрешность, % | 1 |
| Нелинейность, % | 0,1 |
| Пробивное напряжение между измеряемой и измерительной цепями, кВ, не менее | 3 |
| Полоса пропускания, Гц | 0-50000 |
| Источник питания, В | 15 |
| Ток потребления по цепи питания, мА, не более | 60 |
| Габариты, мм | 73,5х52,5х39 |
| Масса, г | 100 |
Расчет параметров принципиальной схемы:
Выберем С1=0,22 мкФ (К77-1 - 63 В).
Выберем емкость С2 = 0,022 мкФ (К77-1 200В).
Выберем R4 из ряда Е96 10,7 кОм (С2-29В – 0,125).
Выберем R5 из ряда Е192 193 кОм (С2-29В – 0,125).
Выбираем ОУ типа A747C. Параметры ОУ представлены в таблице 2.4
Таблица 6.3 - Параметры ОУ A747C
| Наименование параметра | Значение |
| Напряжение питания Eпит, В | ±15 |
| Максимальное выходное напряжение Uвыхmax, В | 11,5 |
| Скорость нарастания выходного напряжения v,не менее В/мкс | 0,3 |
| Минимальное сопротивление нагрузки Rн.min, кОм | 2 |
| Допустимое дифференциальное напряжение Uодоп, В | 7 |
| Выходное сопротивление Rвыхоу, не более , Ом | 150 |
| Входное сопротивление Rвхоу, не менее, МОм | 4 |
| Ток потребления Iпот, мА | 3,3 |
По данным расчета построим амплитудо – частотную (рисунок 6.3) и фазо – частотную характеристики (рисунок 6.4).
Рисунок 6.3 – Амплитудо - частотная характеристика
Рисунок 6.4 – Фазо - частотная характеристика
Генератор треугольного напряжения. Схема генератора на частоту 13 кГц на рисунке 6.5 и диаграммы его работы приведены на рисунке 6.6.
Рисунок 6.5 - Схема генератора треугольного напряжения
Рисунок 6.6 - Диаграмма роботы генератора треугольного напряжения
Выбираем ОУ типа А747. Параметры ОУ представлены в таблице 6.4.
Таблица 6.4 - Параметры ОУ А747
| Наименование параметра | Значение |
| Напряжение питания Eпит, В | ±15 |
| Максимальное выходное напряжение Uвыхmax, В | 11,5 |
| Скорость нарастания выходного напряжения v, В/мкс | 8 |
| Минимальное сопротивление нагрузки Rн.min, кОм | 2 |
| Допустимое дифференциальное напряжение Uодоп, В | 6 |
| Выходное сопротивление Rвыхоу, не более , Ом | 150 |
| Входное сопротивление Rвхоу, не менее, МОм | 4 |
| Ток потребления Iпот, мА | 5 |
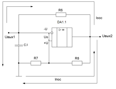
При работе схемы максимальное дифференциальное напряжение достигает в момент переключения и составляет
г
де χ - коэффициент обратной связи.
Он не должен превышать допустимого
Примем χ=0,2.
Выберем сопротивление R7 (МЛТ – 0,125) 10 кОм. Величина R7 должна быть много меньше Rвх.оу (как минимум на два порядка) для того, чтобы входные токи ОУ не влияли на работы схемы. R8 определяется из выражения
Выберем из типового ряда E192 R8=39,7 кОм (С2-29В – 0,125).
Сумма сопротивлений R7 и R8 должна быть больше Rн.мин, чтобы подключение цепи ПОС к выходу ОУ не вывело его из строя.
Рассчитываем времязадающую R-C цепь.
Задаемся емкостью конденсатора С3=4,7 нФ (К78П-6) .
Выберем из типового ряда Е96 R6=20 кОм (МЛТ-0,125).
После расчета сопротивлений схемы производится проверка ОУ по допустимому выходному току. Для безаварийной работы необходимо выполнения условия
где IOOC – ток отрицательной обратной связи;
IПOC – ток положительной обратной связи;
IВЫХ.ОУ - максимальный выходной ток ОУ.
Следовательно условие выполняется.
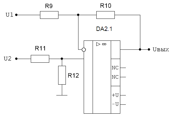
Сумматор. Схема сумматора представлена на рисунке 6.7.
Рисунок 6.7 – Схема сумматора
При выполнении соотношения R12R9 = R10R11
UВЫХ = (U1 - U2)R10 / R9
Выберем отношение R10 / R9 =2 тогда R10=20 кОм, а R9=10 кОм следовательно R11=10 кОм, а R12=20 кОм.
Выберем сопротивления из типового ряда Е96 (С2-29В – 0,125) 10 кОм и 20 кОм соответственно [3].
Таким образом разностный сигнал усиливается в два раза.
Выбираем ОУ типа LM833N. Параметры ОУ представлены в таблице 6.5
Таблица 6.5 - Параметры ОУ LM833N
| Наименование параметра | Значение |
| Напряжение питания Eпит, В | ±15 |
| Максимальное выходное напряжение Uвыхmax, В | 11,5 |
| Скорость нарастания выходного напряжения v, В/мкс | 7 |
| Минимальное сопротивление нагрузки Rн.min, кОм | 2 |
| Входное дифференциальное напряжение Uвх.диф, В | ±30 |
| Выходное сопротивление Rвыхоу, не более , Ом | 150 |
| Входное сопротивление Rвхоу, не менее, МОм | 4 |
| Ток потребления Iпот, мА | 8 |
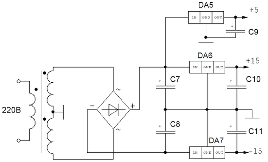
Блок питания. Принципиальная схема блока питания представлена
на рисунке 6.8.
Рисунок 6.8 – Принципиальная схема блока питания
Рассчитаем токи потребляемые микросхемами.
Токи операционных усилителей и датчиков питаемые напряжением 15 В.
Общий потребляемый ток от 15 В
Мощность(15В) : 0,805
15=12 Вт.
Токи потребляемые от источника 5 В не более 10-15 мА. Так как от него питаются 3 компаратора (с током не более 10 мА) и ТТЛ микросхема с током порядка 20 мкА.
Выберем понижающий трансформатор Штиль ОСМ Т 220/12-0,016-50 (ОСМ - однофазный, сухой, многоцелевого назначения) предназначен для использования в различной аппаратуре (источники питания, инверторы, фильтры и т.п.), характеристики приведены в таблице 6.6.
Таблица 6.6 - Характеристики трансформатора ОСМ Т 220/12-0,016-50
| Наименование параметра | Значение |
| Номинальная мощность: | 0,016 кВт |
| Номинальное напряжение первичной обмотки: | 220 В |
| Диапазон напряжений вторичной обмоток, В: | 12 В |
| Номинальная частота входной сети, Гц: | 50 Гц |
| Температура перегрева, не более: | 35 °С |
| Температура окружающей среды: | от +1 до +40 °С |
| Механические воздействия (ГОСТ 17516.1): | М13 |
| Габаритные размеры изделия (диаметр внешний и высота без | 65х35 мм |
| Масса, не более: | 0,35 кг |
Выбранные микросхемы и их параметры, приведены в таблице 6.7.
Таблица 6.7 – Параметры микросхем LM317L, LM317T, LM337T
| Наименование | Параметры | ||||
| Микросхема | Uвых, В | Iмакс, А | Pмакс, Вт | Включение | Корпус |
| LM317L | 5 | 0,1 | 0,625 | плюсовое | ТО-92 |
| LM317T | 15 | 1,5 | 15 | плюсовое | ТО-220 |
| LM337T | 15 | 1,5 | 15 | минусовое | ТО-220 |
Выберем емкости конденсаторов рекомендуемые производителем микросхем: LM317T, LM337T; С7=С8 не менее 20 мкФ (К50-12 25В 50 мкФ), С10=С11=1 мкФ (К50-12 25В 2 мкФ),
LM317L С9=0,02 мкФ (К77-1 200В – 0,022 мкФ).
7 ИССЛЕДОВАНИЕ РАБОТЫ СИСТЕМЫ АВТОМАТИЧЕСКОГО РЕГУЛИРОВАНИЯ ТРЕХФАЗНОГО НАПРЯЖЕНИЯ СИЛОВОГО ТРАНСФОРМАТОРА 6/0,4 кВ ПРОМЫШЛЕННОГО
ПРЕДПРИЯТИЯ С ПОМОЩЬЮ МАТЕМАТИЧЕСКОГО
МОДЕЛИРОВАНИЯ В СРЕДЕ МАТLAB И ЭКСПЕРИМЕНТА
7.1 МОДЕЛИРОВАНИЕ В СРЕДЕ МАТLAB
Модель системы автоматического регулирования трехфазного напряжения силового трансформатора в составе подстанций предприятия мощностью 1000 кВ.А и 630 кВ.А, напряжением 6/0,4 кВ приведена на рисунке 7.1. В ней применены IGBT- транзисторы с системой широтно-импульсного регулирования, модули трехфазного диодного моста и два трехфазных нагревательных элемента: основной (ЭН1) и дополнительный (ЭН2). Параметры трансформаторных блоков модели определены по паспортным данным на эти трансформаторы. Расчеты физических процессов в режимах вольтоприбавления и вольтовычитания выполнялись при номинальной R-L нагрузке.
Для исследования квазистационарных процессов были получены напряжения и токи на различных элементах схемы при сигналах управления 0,5 (частичное вольтоприбавление) и -0,5 (частичное вольтовычитание), которые сравнивались с двухполярным треугольным опорным напряжением, имеющим амплитуду равную 1.















