ВКР (1231544), страница 2
Текст из файла (страница 2)
Изменение напряжения относительно номинального значения Uном оказывает неблагоприятное влияние на режимы работы, производительность и технико-экономические показатели всех элементов электрической системы.
Зависимости активной и реактивной нагрузок от напряжения при постоянной частоте называют статическими характеристиками нагрузки по напряжению, рисунки 1.1 - 1.4. Статические характеристики отражают свойство нагрузки изменять потребляемую активную и реактивную мощность при изменении подводимого напряжения.
Рисунок 1.1 - Статические характеристики осветительной лампы.
Для ламп снижение напряжения вызывает резкое уменьшение светового потока F: снижение напряжения на 5% вызывает снижение светового потока на 10%, а при снижении напряжения на 10% световой поток снижается более чем на 30% [5]. Это вызывает ухудшение зрения, снижение производительности труда, повышает вероятность травматизма.
Повышение напряжения на 10% увеличивает световой поток примерно на 30%, но срок службы ламп T снижается в 3 раза, что, естественно, ведет к материальным и трудовым затратам на замену ламп. Потребляемая лампами мощность сильно зависит от напряжения:
Асинхронные и синхронные двигатели при изменении подводимого напряжения изменяют скорость вращения n, это приводит к изменению производительности механизмов, приводимых в движение двигателями, рисунок 1.2. Изменение напряжения от –5 до +10% вызывает изменение скорости примерно на 2,5%, это сказывается на качестве технологических процессов. От подводимого напряжения зависят вращающий момент на валу двигателя и потребляемая активная мощность [5]:
Рисунок - 1.2. Статические характеристики асинхронного двигателя
Потребляемая асинхронным двигателем реактивная мощность намагничивания Qµ и рассеяния Qs также зависят от напряжения, соответственно суммарная потребляемая реактивная мощность Q имеет сложную зависимость от напряжения, рисунок 1.3.
Рисунок 1.3 - Статическая характеристика реактивной мощности асинхронного двигателя
При повышении подводимого напряжения возрастает ток статора, что вызывает нежелательную перегрузку обмотки и увеличение потребления из сети реактивной мощности за счет роста Qµ. Понижение напряжения ниже Uкр приводит к снижению вращающего момента, недостаточного для вращения механизмов, скольжение растет и двигатель тормозится. При этом возрастает потребление реактивной мощности за счет роста Qs, это может стать причиной массовой аварии, называемой лавиной напряжения. Для электропечей и электролизных установок снижение напряжения приводит к увеличению длительности технологических процессов, что связано с убытками. Показанные на рисунке 1.4 статические характеристики комплексного узла нагрузки, содержащего различные потребители, среди которых 60-80% составляют электродвигатели, которые и определяют поведение всей нагрузки, показывают, что активная нагрузка обладает положительным регулирующим эффектом, т.е. при снижении напряжения активная нагрузка снижается, а при повышении возрастает:
Рисунок 1.4 - Статические характеристики узла нагрузки по напряжению
Значение критического напряжения составляет для разных узлов нагрузки Uкр=(0,6-0,85)Uном, и если напряжение на шинах нагрузки снижается до такого значения (на рисунке 1.5 точка а), то появляются условия для возникновения лавины напряжения, т.е. лавинообразного снижения напряжения вследствие нарастающего дефицита реактивной мощности. В таком случае рост потребляемой реактивной мощности приводит к увеличению потери напряжения в сети, к которой подключена нагрузка, и напряжение снова снижается. Если в течение нескольких секунд не повысить напряжение в центре питания, то двигатели начинают тормозиться и отключаться (саморазгрузка), после чего напряжение повышается (точка б
Рисунок 1.5 - Предотвращение лавины напряжения
В отличие от лавины частоты, которая возникает в местной или даже в объединенной энергосистеме, лавина напряжения может возникнуть в отдельной части энергосистемы. Для предотвращения этого явления в электрических системах применяются меры по регулированию напряжения, и если все возможности регулирования и средства устранения дефицита реактивной мощности исчерпаны, то используют автоматическую разгрузку по напряжению (АРН), т.е. отключение наименее ответственных потребителей. Чтобы избежать лишних отключений, разгрузка выполняется в виде нескольких очередей, первая очередь срабатывает при минимально допустимом напряжении: U ≤ Umin доп с выдержкой времени ∆t, чтобы отстроиться от возможных колебаний напряжения.
Напряжение оказывает влияние не только на работу потребителей, но и на элементы самой электрической системы. В линиях электропередачи с возрастанием напряжения увеличиваются потери на корону и зарядная мощность (и снижаются нагрузочные потери активной и реактивной мощности. В трансформаторах повышение напряжения нежелательно, т.к. с ростом напряжения растет ток намагничивания, это приводит к искривлению кривой тока намагничивания и появлению токов высших гармоник. Они вызывают увеличение потерь активной мощности в сердечнике и его дополнительный нагрев. В то же время повышение напряжения способствует снижению нагрузочных потерь. Снижение напряжения приводит к повышению токов в обмотках трансформатора и в ряде случаев, если трансформатор сильно загружен, может вызвать его перегрузку [5].
-
АНАЛИЗ СУЩЕСТВУЮЩИХ СИСТЕМ РЕГУЛИРОВАНИЯ ТРЕХФАЗНОГО НАПРЯЖЕНИЯ В СИЛОВЫХ
ТРАНСФОРМАТОРАХ
Регулирование напряжения трансформаторов осуществляется изменением числа витков первичной или вторичной обмотки путем переключения контактными или бесконтактными устройствами регулировочных ответвлений обмоток. Силовые трансформаторы оснащаются различными устройствами регулирования: простейшими, для использования которых необходимо отключение трансформатора от электрической цепи, или более сложными, обеспечивающие регулирование под нагрузкой. Наряду с контактными переключающими устройствами широкое применение получает использование мощных полупроводниковых приборов, включаемых последовательно с обмотками, позволяющих получать практически безынерционную стабилизацию напряжения при питании различных электротехнических устройств.
Приведенный в данном разделе материал подготовлен при помощи книги Сергеенков, Б.Н. Электрические машины: Трансформаторы [1].
Наиболее простой способ – переключение без возбуждения, (ПБВ) на рисунке 1.6.
Рисунок 1.6 - Схемы выполнения ответвлений в обмотке высшего
напряжения при регулировании способом переключения без возбуждения а – схема без симметрирования по высоте обмотки; б – с симметрированием по высоте переключаемых витков в многослойных цилиндрических обмотках; в, г - с симметрированием по высоте переключаемых витков в непрерывных обмотках
При данном способе удобнее переключение числа витков обмотки высшего напряжения (ВН), так как при меньшем токе устройство регулирования получается намного экономичнее по сравнению с устройством переключения на стороне низкого напряжения (НН).
Такой тип регулирования, несмотря на широкое распространение, в весьма незначительной степени решает задачу обеспечения требуемого качества напряжения прежде всего из-за недостаточной мобильности, связанной с необходимостью отключения трансформаторов от сети для перестановки позиции переключателя. Поэтому все большее распространение сегодня получает регулирование под нагрузкой (РПН), без отключения трансформаторов от сети. На рисунке 1.7 показана схема регулятора напряжения.
Механические устройства РПН имеют ограниченную износостойкость контактных элементов из-за электроэрозийного износа под воздействием электрической дуги в моменты переключений.
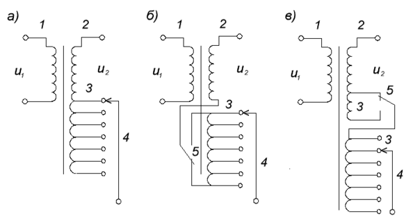
Рисунок 1.7 - Схема обмоток трансформатора с устройством РПН.
1 – первичная обмотка; 2 – вторичная обмотка; 3 – регулировочная обмотка с ответвлениями; 4 – переключающее устройство; 5 – предизбиратель
а – схема без реверсирования регулировочной обмотки;
б – с реверсированием; в – со ступенью грубой регулировки
В связи с этим, а также в связи с замедленным действием механической системы, особенно в тех случаях, когда требуется изменение коэффициента трансформации, соответствующее нескольким ступеням регулирования, эксплуатационные характеристики устройств РПН традиционно вызывают нарекания. Установлено, что 35 – 60 % повреждений трансформаторов вызваны аварийными неисправностями, возникающими в РПН. Одним из выходов из этой ситуации является применение бесконтактных устройств, например, применение регулируемых трансформаторов с подмагничиванием.
Такие трансформаторы занимают значительное место среди современных бесконтактных плавно регулируемых трансформаторов благодаря высокой надежности, относительно меньшей себестоимости и трудоемкости. Однако большая материалоемкость и худшие по сравнению с полупроводниковыми системами энергетические показатели ограничивают перспективы их применения и развития.
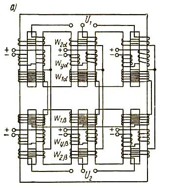
Из подмагничиваемых трансформаторов широкое применение имеют ТРПН (АТРПН) – трансформаторы и автотрансформаторы, регулируемые перераспределением напряжения – рисунок 1.8.
Рисунок 1.8 – Принципиальная конструктивная схема
автотрансформатор регулируемый перераспределением напряжения
В последнее время получили эффективное применение тиристорные переключающие устройства с вольтодобавочным трансформатором (ТПУ с ВДТ) в системах внутризаводского снабжения электроэнергией для трансформаторов (6-10) / 0,4 кВ (рисунок 1.9).
Рисунок 1.9 – Схема тиристорного переключающего устройства с вольтодобавочным трансформатором
Применение дополнительных вольтодобавочных трансформаторов позволяет повысить надежность работы и улучшить использование тиристоров в переключающих устройствах, особенно при создании многофазных систем коммутации с бестоковым переключением регулировочных отводов путем введения противо – ЭДС, равной уровню напряжения между соседними отводами регулировочной обмотки. Но данная схема обладает и существенными недостатками.
Надежность работы и защищенность тиристоров от аварийных режимов достигаются довольно дорогой ценой - приходится применять так называемые «промежуточные режимы» работы тиристоров при их переключении – схема усложняется, увеличивается число тиристоров. Для безаварийной работы схемы приходится применять сглаживающие дроссели. В итоге система получается громоздкой и дорогой.
Кроме того, большое количество тиристоров означает сложность системы управлениями ими, а чем сложнее система управления, тем вероятнее сбои в ее работе.















