ВКР (1231544), страница 3
Текст из файла (страница 3)
1.3 СРАВНЕНИЕ С АНАЛОГАМИ ПО КЛЮЧЕВЫМ ПАРАМЕТРАМ. ВЫВОДЫ О НАЛИЧИИ ПРЕИМУЩЕСТВ И НЕДОСТАТКОВ ПРОЕКТА ПО СРАВНЕНИЮ С АНАЛОГАМИ
По сравнению с аналогами представленное устройство обладает более высокими энергетическими, массогабаритными и ценовыми показателями за счет того, что стабилизация напряжения достигается двумя полупроводниковыми ключами (IGBT – транзисторы) с простой системой управления СУ.
Отличительной особенностью системы автоматического регулирования трехфазного напряжения силового трансформатора 6/0,4 кВ в составе предприятия является точная стабилизация напряжения на входе и выходе трансформаторных подстанций, улучшенные массогабаритные показатели и быстродействие. Кроме этого, применение вольтодобавочного трансформатора с транзисторным управлением позволяет регулировать не всю энергию подстанции, а только ее часть, пропорциональную диапазону регулирования. В связи с этим, предлагаемое устройство выполняется не на полную мощность подстанции, а только на указанную часть. Это позволяет улучшить массогабаритные показатели при снижении стоимости устройства. Наконец, преимуществами предполагаемого устройства являются высокое быстродействие, улучшенная форма входного тока и выходного напряжения.
Принцип действия представленного в проекте устройства основан на чередовании режима вольтоприбавления с дроссельным режимом, при этом при переходе из одного режима в другой наблюдается эффект плавно меняющейся глубины модуляции, что улучшает гармонический состав выходного напряжения по сравнению с известными способами импульсного регулирования переменного напряжения.
В устройстве применены блоки коррекции тока в силовых трансформаторах и в сети и напряжения у потребителей. В процессе стабилизации напряжения эти блоки создает антиискажения, которые обеспечивают синусоидальность форм кривых тока и напряжения на входе трансформаторной подстанции.
2 РАЗРАБОТКА ФУНКЦИОНАЛЬНОЙ СХЕМЫ СИСТЕМЫ АВТОМАТИЧЕСКОГО РЕГУЛИРОВАНИЯ ТРЕХФАЗНОГО НАПРЯЖЕНИЯ СИЛОВОГО ТРАНСФОРМАТОРА 6/0,4 кВ
ПРОМЫШЛЕННОГО ПРЕДПРИЯТИЯ
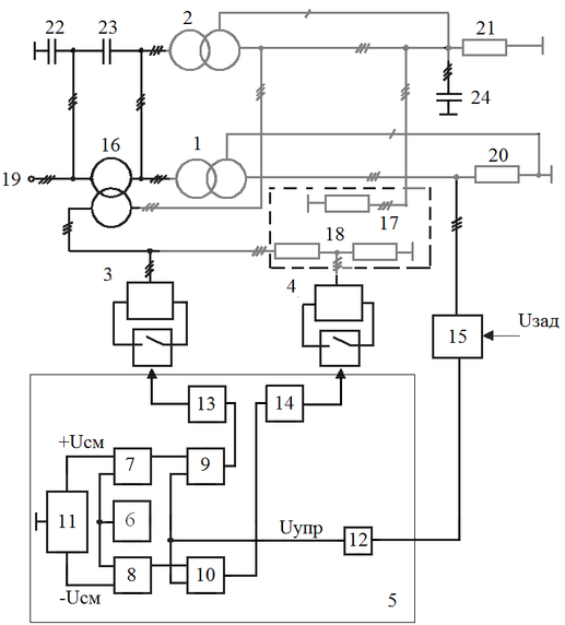
Сущность предлагаемого технического решения поясняется нижеследующим описанием и прилагаемой к нему схемой, где на рисунке – 2.1 представлена функциональная схема устройства.
Рисунок 2.1 - Функциональная схема системы автоматического регулирования трехфазного напряжения силовых трансформаторов 6/0,4 кВ в составе предприятия.
Предприятие имеет силовой трансформатор 1 основной подстанции, силовой трансформатор 2 дополнительной подстанции, предназначенной, например, для собственных нужд, основной 17 и дополнительный 18 электронагреватели, нагрузку 20 основной подстанции, к которой относятся наиболее критичные к качеству напряжению потребители, нагрузку 21 дополнительной подстанции, имеющая менее критичные к качеству напряжения потребители, сеть 19 (выделено серым цветом).
Устройство содержит вольтодобавочный трансформатор 16, первый 3 и второй 4 трехфазные диодные мосты, в диагональ которых включены ключи с системой управления 5, датчик отклонения напряжения 15 нагрузки. Также в состав устройства входит блок конденсаторов фильтра (БФК) 22 пофазно параллельно подключен к первичной обмотке вольтодобавочного трансформатора 16, блок компенсирующих конденсаторов (БКК) 23 подключен к сети, а блок фильтро-компенсирующих конденсаторов (БФКК) 24 подключен к нагрузке силового трансформатора 2 дополнительной подстанции.
Работу системы управления с двухподдиапазонным широтно-импульсным регулированием поясняет рисунок - 2.2. Здесь 1 – опорное треугольное напряжение, 2 – треугольное напряжение с положительным смещением, 3 – треугольное напряжение с отрицательным смещением, 4 – импульсы управления для первого транзистора, 5 – импульсы управления для второго транзистора, Uу – напряжение управления, которое в первом поддиапазоне I положительное Uу1>0, а во втором поддиапазоне II отрицательное Uу2<0 (рисунок 2.2). При сигнале управления равном нулю Uу0=0 первый транзистор полностью выключен, а второй транзистор полностью включен (режим номинального напряжения).
I – первый поддиапазон при Uу1>0
II – второй поддиапазон при Uу2<0
Рисунок 2.2 - Временные диаграммы системы управления
Положительное и отрицательное напряжение смещения Uсм с двухполярного источника напряжения смещения 11 (Рисунок 2.1) складывается с высокочастотным треугольным напряжением при помощи сумматоров 7 и 8, при этом величина напряжения смещения задается не меньше амплитуды переменного треугольного напряжения высокочастотного генератора, создавая, тем самым, два треугольных напряжения - положительное и отрицательное.
На первом компараторе 9 положительное треугольное напряжение, а на втором компараторе 10 отрицательное треугольное напряжение сравниваются с общим напряжением управления Uу, которое через интегратор 12 подается с выхода датчика отклонения напряжения 15. На выходах первого и второго однополярных компараторов 9 и 10 формируются широкие однополярные импульсы управления, которые через выходные каскады с усилителями мощности и элементами гальванической развязки подаются соответственно на первый и второй трехфазные ключи 3 и 4.
Два поддиапазона регулирования расположены между следующими уровнями напряжения:
- максимальная вольтодобавка. Этот уровень напряжения задается коэффициентом трансформации ВДТ и при минимальном напряжении в сети и номинальной нагрузке силовых трансформаторов и обеспечивает номинальное напряжение у потребителей предприятия. Уровень максимальной вольтодобавки задается при непрерывно включенном первом трехфазном ключе;
- промежуточный (номинальный) уровень напряжения. Задается сопротивлением первого электронагревательного элемента дополнительного электронагревателя 18 (Рис. 1) и характеризуется тем, что при номинальном напряжении в сети и номинальной нагрузке и обеспечивает номинальное напряжение у потребителей предприятия. Он задается при полностью выключенном первом трехфазном ключе и непрерывно включенном втором трехфазном ключе;
- максимальная вольтоотбавка. Задается суммарным сопротивлением первого и второго электронагревательных элементов дополнительного электронагревателя 18 и при максимальном напряжении в сети и номинальной нагрузке и обеспечивает номинальное напряжение у потребителей предприятия. Уровень максимальной вольтоотбавки задается при полностью выключенных первом и втором трехфазных ключах.
При максимально пониженном напряжении в сети система управления СУ подает непрерывные управляющие импульсы на первый и второй трехфазные ключи, включается только первый ключ и ВДТ повышает напряжение на входе силовых трансформаторов и на их нагрузках до заданного, например номинального, уровня за счет наведения на первичной обмотке ВДТ ЭДС, синфазную с напряжением нагрузки. В этом режиме дополнительный электронагреватель 18, его элементы и второй трехфазный ключ закорочены первым трехфазным ключом и обесточены, т.е. отключены.
При повышении напряжения в сети от максимально пониженного до номинального устройство уменьшает длительность проводящего состояния первого трехфазного ключа от периода коммутации до нуля и на интервалах его бестоковых пауз включается второй трехфазный ключ, вводя в цепь вторичной обмотки вольтодобавочного трансформатора ВДТ сопротивление первого электронагревательного элемента дополнительного электронагревателя. При таком способе реостатно-импульсного регулирования в первом поддиапазоне происходит плавное уменьшение напряжения вольтодобавки от максимального до промежуточного (номинального) уровня.
При дальнейшем повышении напряжения в сети от номинального до максимально повышенного уровня устройство, при выключенном первом трехфазном ключе, уменьшает длительность проводящего состояния второго трехфазного ключа от периода коммутации до нуля и на интервалах его бестоковых пауз вводит в цепь вторичной обмотки ВДТ суммарное сопротивление первого и второго электронагревательных элементов дополнительного электронагревателя. Таким образом, в цепи вторичной обмотки ВДТ с частотой коммутации чередуется включение то одного, то двух сопротивлений. При этом способе во втором поддиапазоне происходит плавное уменьшение напряжения вольтодобавки от промежуточного (номинального) до минимального уровня.
Дополнительный нагревательный элемент 18 в режиме полной вольтоотбавки устраняет дроссельный режим вольтодобавочного трансформатора ВДТ и выполняет роль защиты трехфазных ключей от перенапряжений.
3 РАЗРАБОТКА ПРИНЦИПИАЛЬНОЙ СИЛОВОЙ СХЕМЫ СИСТЕМЫ АВТОМАТИЧЕСКОГО РЕГУЛИРОВАНИЯ
ТРЕХФАЗНОГО НАПРЯЖЕНИЯ СИЛОВОГО
ТРАНСФОРМАТОРА 6/0,4 Кв
Опираясь на функциональную схему устройства (рисунок - 2.1) была разработана принципиальная трехфазная схема.
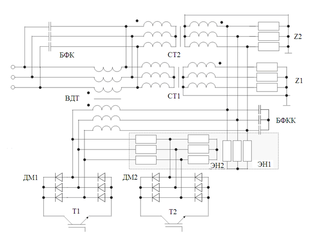
На рисунке 3.1 представлена принципиальная силовая схема устройства в составе двух трансформаторов предприятия.
Рисунок 3.1 - Принципиальная силовая схема устройства в составе двух трансформаторов предприятия
На рисунке отмечены СТ1 - силовой трансформатор основной подстанции, СТ2 - силовой трансформатор дополнительной подстанции, Z1 - наиболее критичные к качеству напряжения потребители, Z2 - менее критичные к качеству напряжения потребители, ЭН1 - основной электронагреватель, ЭН2 - дополнительный электронагреватель, ДМ1 и ДМ2 - диодные мосты, T1 и T2 - транзисторы ключи, ВДТ - вольтодобавочный трансформатор, БФК - блок фильтрующих конденсаторов, БФКК - блок фильтрокомпенсирующих конденсаторов.
4 РАСЧЕТ И ВЫБОР ЭЛЕМЕНТОВ ПРИНЦИПИАЛЬНОЙ СИЛОВОЙ СХЕМЫ СИСТЕМЫ АВТОМАТИЧЕСКОГО РЕГУЛИРОВАНИЯ РЕХФАЗНОГО НАПРЯЖЕНИЯ СИЛОВЫХ ТРАНСФОРМАТОРОВ 6/0,4 кВ
Приведем расчет элементов устройства. Эти параметры потребуются в дальнейшем при моделировании.
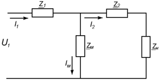
Т-образная схема замещения трансформатора изображена на рисунке 4.1. Для силового трансформатора главной подстанции параметры имеют индекс ‘г’, для силового трансформатора дополнительной подстанции параметры имеют индекс ‘д’, для вольтодобавочного трансформатора - ‘в’.
Рисунок 4.1 – Т-образная схема замещения трансформатора
Мощность силового трансформатора главной подстанции должна быть равной 1000 кВА. В качестве его выбираем трансформатор ТМВ-1000/10-90Y1, со следующими параметрами:
- линейное номинальное напряжение первичной обмотки UГ1Н, кВ 6
- линейное номинальное напряжение вторичной обмотки UГ2Н, В 400
- потери холостого хода РГХ, кВт 1,5
- потери короткого замыкания РГК, кВт 10,5 - напряжение короткого замыкания uГК, % 5,5
- ток холостого хода iГХ, % 3;
- полная номинальная входная мощность SГН, МВА 1
Коэффициент трансформации
Полная фазная мощность
Первичное фазное напряжение
Вторичное фазное напряжение
Первичный фазный ток
Вторичный фазный ток
Фазная мощность холостого хода
Фазная мощность короткого замыкания
Для определения сопротивления обмоток трансформатора ZГ1, ZГ2 проводят опыт короткого замыкания.
Фазное напряжение короткого замыкания
Сопротивление короткого замыкания
Сопротивление первичной обмотки
Сопротивление вторичной обмотки















