диплом (1230997), страница 2
Текст из файла (страница 2)
Принцип компенсации при помощи емкостного тока поясняет векторная диаграмма на рисунке 1.1.4.
Рисунок 1.1.4 - Принцип компенсации реактивного тока намагничивания: а – схема до компенсации; б – схема с компенсацией.
Емкость конденсатора С, подключенного параллельно нагрузке, содержащей R и L, подбирают такой, чтобы ток IC , проходящий через конденсатор, был по возможности близок по абсолютной величине к намагничивающему току IL , потребляемому индуктивностью L. Из векторной диаграммы видно, что подключение конденсатора С дало возможность уменьшить угол сдвига фаз между током и напряжением нагрузки с величины i1 до величины i2 и соответственно повысить коэффициент мощности нагрузки. Увеличивая емкость, можно полностью скомпенсировать реактивную мощность нагрузки, когда i = 0.
Компенсация реактивной мощности, как всякое важное техническое мероприятие, может применяться для нескольких различных целей. Во-первых, компенсация реактивной мощности необходима по условию баланса реактивной мощности. Во-вторых, установка компенсирующих устройств применяется для снижения потерь электрической энергии в сети. И, наконец, в-третьих, компенсирующие устройства применяются для регулирования напряжения.
Устройство для компенсации реактивной мощности может использоваться на электроподвижном составе переменного тока для повышения коэффициента мощности электровоза, что является техническим результатом. Устройство для компенсации реактивной мощности компенсирует реактивную мощность при синусоидальной и несинусоидальной форме питающего напряжения и тока, а также при различных режимах работы электровоза за счет как улучшения формы входного тока, так и за счет компенсации реактивной составляющей входного тока в режимах работы, отличающийся от номинальных. Устройство для компенсации реактивной мощности содержит нагрузку, источник реактивной мощности, состоящий из последовательно соединенных индуктивности, емкости и двух встречно-параллельно включенных тиристоров, датчик режима сети, включающий в себя трансформатор напряжения и трансформатор тока, блок синхронизирующих импульсов, при этом нагрузка подключена к питающей сети через датчик режима сети и параллельно источнику реактивной мощности, первый выход датчика режима сети подключен к входу блока синхронизирующих импульсов. Новым является то, что в него дополнительно введены устройство вычисления заданного тока, вычитатель, блок управления четырехквадрантным преобразователем, четырехквадрантный преобразователь, источник постоянного напряжения, устройство управления ключевым элементом, при этом первый выход датчика режима сети соединен с первыми входами устройства вычисления заданного тока и устройства управления ключевым элементом, второй выход датчика режима сети связан со вторым входом устройства вычисления заданного тока и первым входом вычитателя, выход устройства вычисления заданного тока соединен со вторым входом вычитателя, выход которого связан с первым входом блока управления четырехквадрантного преобразователя, второй вход которого соединен с выходом блока синхронизирующих импульсов, источник постоянного напряжения через четырехквадрантный преобразователь, вход которого соединен с выходом блока управления четырехквадрантного преобразователя, подключен параллельно нагрузке, второй вход устройства управления ключевым элементом подключен параллельно конденсатору источника реактивной мощности, а его выход связан с ключевым элементом. Испытания устройства для компенсации реактивной мощности на электровозе ВЛ65 показали снижение расхода электроэнергии на 5-7%.
Устройство относится к электротехнике и предназначено для повышения коэффициента мощности потребителей, в частности электроподвижного состава переменного тока с тиристорными преобразователями.
Одним из недостатков эксплуатируемых в настоящее время электровозов переменного тока с плавным регулированием напряжения (ВЛ65, ВЛ85) является низкий коэффициент мощности, достигающий в лучшем случае 0,84. Коэффициент мощности является одним из основных энергетических показателей электровоза, определяющий потребление им непроизводительной реактивной мощности. Работа электровоза с низким значением коэффициента мощности приводит к существенным потерям электроэнергии.
При несинусоидальной форме напряжения и тока коэффициент мощности Км электровоза определяется по формуле
Kм = cos φv, (1.1)
где φ - угол сдвига между током и напряжением; v - коэффициент искажения.
Последний коэффициент характеризует степень искажения входного тока и определяется отношением первой гармоники тока к его действующему значению:
v =
, (1.2)
При расчете по формуле (1) учитываются высшие гармонические составляющие, характерные для несинусоидальных токов и напряжений. Это соотношение справедливо и для синусоидальных токов, поскольку при v=1 выражение (1.1) принимает вид:
Kм= cos φ (1.3)
Таким образом, коэффициент мощности Км характеризуется степенью потребления электровозом активной и соответственно реактивной мощности, т.е. увеличение Kм способствует повышению активной мощности и одновременному уменьшению реактивной.
Для повышения коэффициента мощности за счет cos φ применяют компенсирующие установки в виде LC-контуров, расположенные на электровозе и подключенные непосредственно к вторичной обмотке его тягового трансформатора. Компенсирующее устройство увеличивает коэффициент мощности путем создания емкостной нагрузки и смещения первичного тока электровоза в сторону опережения питающего напряжения.
Известно устройство для управления компенсированным выпрямительно-инверторным преобразователем электроподвижного состава, которое компенсирует реактивную мощность, потребляемую нагрузкой при синусоидальном и несинусоидальном питающем напряжении. Компенсация осуществляется за счет подключения к вторичной обмотке трансформатора электровоза индуктивно-емкостного LC-компенсатора с фиксированными параметрами индуктивности и емкости. При индуктивном характере нагрузки это вызывает появление емкостной составляющей тока, компенсирующей индуктивную составляющую В этом случае фаза потребляемого тока приближается к питающему напряжению, способствуя повышению коэффициента мощности электровоза.
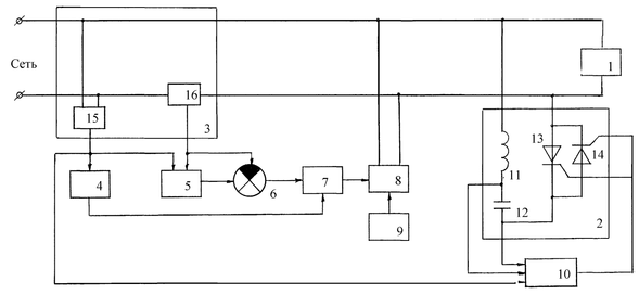
Рисунок 1.1.5 - Схема устройства для компенсации реактивной мощности.
Устройство для компенсации реактивной мощности содержит RL-нагрузку 1, источник реактивной мощности 2, датчик режима сети 3, блок синхронизирующих импульсов 4, устройство вычисления заданного тока 5, вычитатель 6, блок управления четырехквадрантным преобразователем 7, четырехквадрантный преобразователь 8, источник постоянного напряжения 9, устройство управления ключевым элементом 10. Источник реактивной мощности 2 состоит из последовательно соединенных индуктивности 11, емкости 12 и двух встречно-параллельно соединенных тиристоров 13, 14. Датчик режима сети 3 включает в себя трансформатор напряжения 15 и трансформатор тока 16.
RL-нагрузка 1 подключена к сети через трансформатор тока 16 и параллельно цепи из последовательно включенных индуктивности 11, емкости 12 и встречно-параллельно включенных тиристоров 13, 14. Трансформатор напряжения 15 подключен параллельно сети, а его выход связан с входом блока синхронизирующих импульсов 4 и с первыми входами устройства вычисления заданного тока 5 и устройства управления ключевым элементом 10. Выход трансформатора тока 16 связан со вторым входом устройства вычисления заданного тока 5 и первым входом вычитателя 6. Выход устройства вычисления заданного тока 5 соединен со вторым входом вычитателя 6, выход которого связан с первым входом блока управления четырехквадрантного преобразователя 7, второй вход которого соединен с выходом блока синхронизирующих импульсов 4. Источник постоянного напряжения 9 через четырехквадрантный преобразователь 8, вход которого соединен с выходом блока управления четырехквадрантного преобразователя 7, подключен параллельно RL-нагрузке 1. Второй вход устройства управления ключевым элементом 10 подключен параллельно конденсатору 12 источника реактивной мощности 2, а его выход связан с тиристорами 13, 14 ключевого элемента.
С помощью цепи из последовательно соединенных индуктивности 11 и емкости 12, настроенных на частоту третьей гармоники питающего напряжения, происходит компенсация реактивной составляющей входного тока электровоза в номинальном режиме его работы. Кроме этого LС-цепь подавляет пульсацию третьей гармоники входного тока, улучшая его форму. Тиристоры 13, 14 и устройство управления ключевым элементом 10 предназначены для включения и выключения LC-компенсатора при равенстве напряжения на конденсаторе 12 и напряжения сети, измеряемого на выходе трансформатора напряжения 15. На выходе трансформатора напряжения 15 и тока 16 формируется напряжение, пропорциональное мгновенным значениям питающего напряжения и потребляемого тока. На выходе устройства вычисления заданного тока 5 формируется сигнал синусоидальной формы, значение которого определяется активной составляющей входного тока. С помощью вычитателя 6 определяется разностный сигнал, пропорциональный искажениям входного тока, связанными с высшими гармониками, а также реактивной составляющей входного тока. По величине этого сигнала блок управления четырехквадрантного преобразователя 7 формирует напряжение управления ключевыми элементами четырехквадрантного преобразователя. Для синхронной работы блока управления четырехквадрантного преобразователя с питающей сетью предназначен блок синхронизирующих импульсов 4. За счет энергии источника постоянного напряжения 9 на выходе четырехквадрантного преобразователя генерируется ток, противофазный току высших гармоник и реактивной составляющей входного тока.
Так происходит компенсация реактивной составляющей входного тока и повышение cos φ как за счет улучшения формы входного тока, так и за счет компенсации реактивной составляющей входного тока в режимах работы, отличающихся от номинального.
-
Структура системы управления гибридным КРМ.
Пассивную и активную части гибридного фильтра можно рассматривать как автономные устройства, каждое из которых осуществляет компенсацию определенных составляющих потребляемой электровозом реактивной мощности (соответственно мощности основной частоты и высших гармонических составляющих). Пассивная часть гибридного фильтра является нерегулируемой, поэтому управление гибридным фильтром сводится к определению принципов управления ключевыми элементами четырехквадрантного преобразователя активного фильтра.
Для уяснения принципа активной фильтрации, определяющего алгоритм управления активным фильтром, рассмотрим вначале базовую схему подключения активного фильтра (рисунок 1.2.1), предназначенного для формирования синусоидального по форме и совпадающего по фазе с питающим напряжением входного тока управляемого выпрямителя i.
При выполнении этих условий значение cosφ, коэффициента искажения v и, соответственно, км равно единице, что обеспечивает наилучшие энергетические показатели потребителя. Активный фильтр, состоящий из элементов V1-V8 обеспечивает формирование на своем выходе тока iа, компенсирующего отклонение формы тока нагрузки iн от желаемой синусоидальной формы i* , обеспечивающей значение км=1.
Рисунок 1.2.1 - Схема подключения активного фильтра.
При синусоидальном питающем напряжении u1=Umsinωt для тока i можно записать: i=Imsinωt. По первому закону Кирхгофа для узла 1 схемы (рисунок 1.2.1) справедливо выражение:
ia(t) = Imsin ωt – iн(t).
Амплитудное значение Im потребляемого тока определяется активной мощностью Рн, потребляемой нагрузкой, т.е. при полной компенсации реактивной мощности из сети потребляется синусоидальный ток с амплитудой Im, совпадающей по фазе с питающим напряжением. Величина высших гармонических составляющих в токе i, связанная с работой 4qS-преобразователя, определяется параметром индуктивности Lа, играющей роль согласующего элемента. Эта индуктивность воспринимает разность напряжений u11 на выходе четырехквадрантного преобразователя и питающим напряжением u1. Для уменьшения пульсаций входного тока, вызванных переключениями в схеме 4qS- преобразователя, можно повысить частоту переключений его транзисторов. Современные силовые IGBT- транзисторы могут коммутировать токи на частотах 1,5-2,5 кГц, что обеспечивает компенсацию гармоник тока нагрузки до 19-ой включительно.














