ПЗ (1230990), страница 6
Текст из файла (страница 6)
Выходной сигнал компаратора момента может принимать значения 1, 0, – 1, так как требования к ошибке управления моментом гораздо выше, чем при управлении потокосцеплением:
Знак сигнала ошибки соответствует знаку требуемого приращения величины. На основании этих сигналов можно выбрать необходимую комбинацию включения ключей
–
. При этом будет сформирован базовый вектор напряжения, поддерживающий допустимые отклонения
и
. Выбор базового вектора, минимизирующего ошибку регулирования, выполняют в зависимости от текущего сектора расположения вектора
(таблица 1.3).
Таблица 1.3 – Таблица формирования базовых векторов напряжения
В отличие от системы трансвекторного управления асинхронным двигателем, система прямого управления моментом не требует преобразования координат для описания его электромагнитных процессов [1].
2 МАТЕМАТИЧЕСКОЕ ОПИСАНИЕ ТРАНСВЕКТОРНОГО УПРАВЛЕНИЯ С ФОРМИРОВАНИЕМ ТОКА СТАТОРА
При построении систем трансвекторного управления в той или иной форме используются математические модели асинхронных двигателей, позволяющие создать независимые каналы управления переменными, формирующими вращающий момент.
Система управления, формирующая частоту, амплитуду и фазу токов статора двигателя – называется системой токового управления. Для упрощения выражений ограничимся двухфазным представлением машины, так как отличие его от трехфазного заключается в несущественном для нашей задачи преобразовании числа фаз с помощью умножения на постоянные коэффициенты.
Регулирование электромагнитного момента асинхронного двигателя может осуществляться двумя сигналами: потокосцеплением
и частотой ротора
или поперечной составляющей тока статора
. Остановимся вначале на системе управления с сигналами
и
показанными на рисунке 2.1
Рисунок 2.1 – Структурная схема системы токового управления
Сигналы задания координат тока
и
можно представить как:
где
– электромагнитная постоянная времени ротора;
– взаимоиндуктивность между ротором и статором;
– обозначены параметры, определенные экспериментальным или расчетным путем.
Ротатор
осуществляет преобразование координат тока из синхроной системы
в неподвижную
с текущими значениями угла
где
– частота вращения ротора, определяемая по сигналу датчика скорости вращения
;
Если скорость вращения определяется без погрешности и
, то
и
То есть преобразование координат ротаторами в этом случае соответствует единичной передаточной функции и производится без погрешности.
С учетом (2.3) также следует, что
Таким образом, при соблюдении условий соответствия электромагнитных параметров асинхронного двигателя и коэффициентов элементов устройства управления, а также точного определения скорости вращения и выполнения математических операций, заданные значения
и
будут в точности соответствовать потокосцеплению и частоте ротора двигателя. Причём, управление этими величинами будет происходить независимо, то есть так, как если бы в структуре асинхронного двигателя были устранены перекрёстные связи. Поэтому блок устройства управления, реализующий эту функцию называется блоком развязки координат (БР на рисунке 2.1).
В случае постоянства потокосцепления ротора (
) структурная схема асинхронного двигателя преобразуется к виду рисунок 2.2, а, соответствующему передаточным функциям
где
– электромеханическая постоянная времени.
Рисунок 2.2 – Эквивалентные структурные схемы асинхронного привода при трансвекторном управлении с различными входными сигналами
Если в качестве входных сигналов устройства управления использовать
и
, то его структура и модель двигателя будут иметь вид рисунок 2.3 и 2.4
Рисунок 2.3 – Устройство управления с поперечной составляющей тока в качестве входного сигнала
Рисунок 2.4 – Структурная схема асинхронного двигателя при токовом управлении
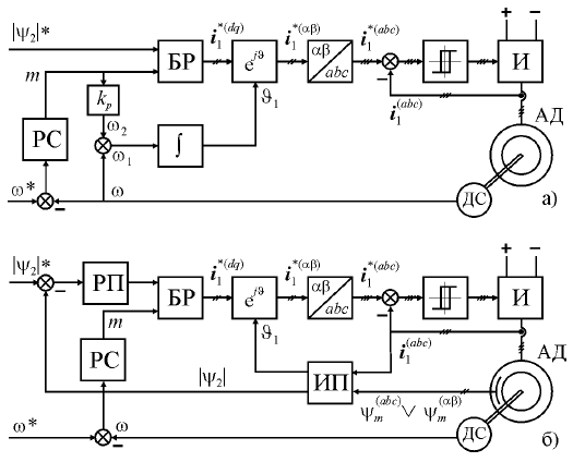
В статическом режиме асинхронный двигатель в системе токового управления имеет абсолютно мягкую механическую характеристику и для получения этих характеристик требуется обратная связь по скорости вращения. Принципиально возможно построение таких систем с одной или двумя об-ратными связями. Обратная связь по скорости вращения с помощью регулятора (РС) формирует на входе блока развязки координат (БР) сигнал задания момента
. При отсутствии контура регулирования потокосцепления ротора (рисунок 2.5, а) угловое положение системы координат
определяется интегрированием суммы
где
– пропорциональный коэффициент регулятора.
После определения вектора тока задания в неподвижной ортогональной системе координат
и преобразования в фазную систему
, его координаты сравниваются со значениями реальных фазных токов (
), а затем с помощью релейных регуляторов и инвертора (И) в обмотках статора формируются токи с отклонением от заданных значений, определяемым величиной гистерезиса регулятора [1].
В системах управления на рисунке 2.1 и 2.5, а, положение системы координат определяется сигналом задания частоты ротора и скоростью вращения без учёта реального положения потокосцепления ротора в пространстве. Это приводит к статическим и динамическим ошибкам регулирования, и снижению энергетических показателей привода, так как системы координат устройства управления и двигателя в общем случае рассогласованны.
В приводах высокого качества модуль и положение потокосцепления ротора определяется (идентифицируется) с помощью датчиков, расположенных в зазоре машины (рисунок 2.5, б). Обычно это датчики Холла, но иногда используют измерительные витки, уложенные на клиньях пазов пакета статора, в которых переменный поток наводит электродвижущую силу, пропорциональную его величины и скорости изменения. Если датчики установлены на осях двух фазных обмоток статора, то их выходные сигналы соответствуют представлению вектора основного потокосцепления в фазных координатах
. Если же они установлены на ортогональных осях, ориентированных по оси обмотки фазы
, то выходные сигналы соответствуют представлению вектора в координатах
. Измерение основного магнитного потока позволяет вычислить координаты вектора потокосцепления ротора и ориентировать по нему систему координат управления, а также создать соответствующий контур регулирования.
Рисунок 2.5 – Функциональные схемы систем токового управления асинхронного двигателя
Потокосцепление ротора можно определить по координатам основного потокосцепления и тока статора. Из уравнения потокосцепления статора в неподвижной системе координат
с учетом того, что
можно получить искомое уравнение
и вычислить амплитуду и угловое положение потокосцепления ротора
На рисунке 2.5, б, показана система векторного управления с устройством идентификации потокосцепления (ИП). Система координат в ней ориентирована по сигналу
, вычисленному по сигналам датчиком магнитного потока. Контур регулирования скорости вращения в ней дополнен контуром регулирования модуля потокосцепления
. Такая система при условии отсутствия ошибок идентификации и последующих вычислений при преобразованиях координат позволяет полностью реализовать принцип трансвекторного управления [1].
Недостатком устройств с датчиками магнитного потока является то, что, их выходной сигнал обычно сильно зашумлён и при низких скоростях вращения из него практически невозможно выделить полезную информацию. Поэтому потокосцепление ротора часто вычисляется с помощью динамической модели асинхронного двигателя. Для этого можно использовать уравнение ротора в неподвижной системе координат















