ПЗ (1230990), страница 2
Текст из файла (страница 2)
Рисунок 1.4 – Схематическая реализация трехуровневого инвертора
со связью со средней точкой через диоды
Трехуровневый инвертор на IGBT-модулях со связью со средней точкой через диоды (рисунок 1.4) имеет в своем составе десять полупроводников: четыре IGBT (
–
), по два в верхнем и нижнем плече; четыре диода (
–
) для гашения выбросов напряжения, по одному параллельно IGBT; два подтягивающих диода
,
, ток через которые может течь из линии
в нагрузку или из нагрузки в линию
. Для подключения к линиям питания и нагрузке модуль имеет четыре силовых контакта: три входа и один выход.
Рисунок 1.5 – Схематическая реализация трехуровневого инвертора
с Т-образным мостом
Трехуровневый инвертор на IGBT-модулях с Т-образным мостом (рисунок 1.5) имеет в своем составе только восемь полупроводников: четыре IGBT (
–
) и четыре диода (
–
). Так же, как и модуль со связью со средней точкой через диоды, модуль с Т-образным мостом имеет четыре силовых контакта, три из которых – входы, предназначенные для подключения к напряжению питания минус
,
, плюс
, и выход. Разница между двумя конструкциями в том, что в модуле с Т-образным мостом линия питания
соединяется с выходом модуля транзисторами. Это дает большую гибкость при реализации широтно-импульсной модуляции, а возможность закрыть одновременно все ключи, соединяющие линии питания с нагрузкой, полезна для аварийного отключения. Конструкция IGBT-модуля с Т-образным мостом позволяет использовать полупроводники с различными максимальными рабочими напряжениями. Максимальное напряжение, которое при работе модуля может быть приложено к каждому из транзисторов
и
, вдвое меньше напряжения, которое может быть приложено к транзисторам
,
.
Управление трехуровневым инвертором на IGBT-модулях сложнее, чем двухуровневым. В двухуровневом два ключа, то есть четыре возможных состояния: оба ключа открыты, оба закрыты, открыт только верхний, открыт только нижний. Допустимыми являются только три из них: когда ключи окажутся открытыми одновременно, произойдет короткое замыкание. Если не считать режима, когда оба ключа закрыты, то есть модуль просто выключен, управление двухуровневым инвертором сводится к тому, что в каждый момент времени должен быть открыт либо верхний, либо нижний ключ. В трехуровневых инверторах четыре ключа, то есть шестнадцать возможных состояний. Моменты времени, в которые следует открывать ключи
и
, соединяющие выход модуля с уровнем
питающего напряжения, рассчитываются исходя из фазы переменного напряжения на выходе [1].
В таблице 1.1 представлены возможные состояния ключей для трехуровневых инверторов со связью со средней точкой через диоды.
Таблица 1.1 – Возможные состояния ключей для трехуровневых инверторов со связью со средней точкой через диоды
| Состояния | Безопасные | Потенциально опасные | Недопустимые | |||||||||||||
| Т1 | 0 | 0 | 0 | 1 | 0 | 0 | 1 | 0 | 1 | 1 | 0 | 1 | 1 | 1 | 0 | 1 |
| Т2 | 0 | 1 | 0 | 1 | 1 | 0 | 0 | 0 | 0 | 0 | 1 | 1 | 1 | 0 | 1 | 1 |
| Т3 | 0 | 0 | 1 | 0 | 1 | 1 | 0 | 0 | 0 | 1 | 0 | 1 | 0 | 1 | 1 | 1 |
| Т4 | 0 | 0 | 0 | 0 | 0 | 1 | 0 | 1 | 1 | 0 | 1 | 0 | 1 | 1 | 1 | 1 |
Безопасные состояния:
- все ключи закрыты, модуль выключен;
- одновременно открыта любая пара ключей (
–
,
–
,
–
).
Потенциально опасные состояния:
- открыт один из ключей
,
либо оба одновременно;
- открыта одна из пар ключей (
–
,
–
).
Недопустимые состояния:
- Одновременно открыта любая тройка ключей:
,
,
;
,
,
. В первом случае происходит короткое замыкание линии плюс
на
, во втором – короткое замыкание линии
на минус
.
- Одновременно открыта любая тройка ключей:
,
,
;
,
,
.
В первом случае напряжение с размахом плюс
и минус
оказывается приложено к ключу
, во втором – к
.
- Одновременно открыты все четыре ключа. Происходит короткое замыкание.
В таблице 1.2 приведены возможные состояния ключей для трехуровневых инверторов с Т-образным мостом.
Таблица 1.2 – Возможные состояния ключей для трехуровневых инверторов с Т-образным мостом
| Состояния | Безопасные | Недопустимые | ||||||||||||||
| Т1 | 0 | 1 | 0 | 0 | 0 | 1 | 0 | 0 | 1 | 0 | 1 | 0 | 1 | 1 | 1 | 1 |
| Т2 | 0 | 0 | 1 | 0 | 0 | 1 | 1 | 0 | 0 | 1 | 0 | 1 | 0 | 1 | 1 | 1 |
| Т3 | 0 | 0 | 0 | 1 | 0 | 0 | 1 | 1 | 1 | 0 | 0 | 1 | 1 | 0 | 1 | 1 |
| Т4 | 0 | 0 | 0 | 0 | 1 | 0 | 0 | 1 | 0 | 1 | 1 | 1 | 1 | 1 | 0 | 1 |
Безопасные состояния:
- все ключи закрыты, модуль выключен;
- открыт любой из четырех ключей;
- одновременно открыта любая пара ключей (
–
,
–
,
–
).
Недопустимые состояния:
- Одновременно открыта любая пара ключей:
–
;
–
;
–
. Происходит короткое замыкание в первом случае линии плюс
на
, во втором – линии
на минус
, в третьем – плюс
на минус
.
- Одновременно открыты все четыре ключа, происходит короткое замыкание.
В работе трехуровневого инвертора на IGBT-модулях можно выделить ряд закономерностей. В модуле с Т-образным мостом ток вовремя широтно-импульсной модуляции поочередно течет то через два последовательно соединенных полупроводника, то через один. В модуле со связью со средней точкой через диод ток всегда течет через два последовательно соединенных полупроводника. По этой причине потери энергии в первом случае несколько меньше. А во втором случае при переключении ток пропадает/появляется лишь в одной паре полупроводников, если выходные ток и напряжение одного знака. Если же работа модуля происходит в области, где ток и напряжение имеют разный знак, при каждом переключении появление/исчезновение тока затрагивает четыре полупроводника.
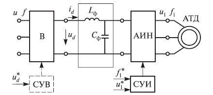
В настоящее время наибольшее распространение имеют двухзвенные преобразователи частоты со звеном постоянного тока. На рисунке 1.6 представлена схема двухзвенного преобразователя частоты на основе автономного инвертора напряжения [1].
Рисунок 1.6 – Принципиальная схема двухзвенного преобразователя частоты на основе автономного инвертора напряжения
Первое звено преобразователя представляет собой неуправляемый выпрямитель с фильтром на выходе, а второе – автономный инвертор. Между выпрямителем и инвертором в преобразователе частоты обязательно устанавливают конденсатор
. Конденсатор необходим, потому что энергия постоянного тока чисто активная, а для формирования магнитных полей в двигателе нужен обмен реактивной энергией с источником питания, что и обеспечивает конденсатор.















