Explanatory_note_(ДП_23.05.03.16.152_ПЗ) (1228617), страница 8
Текст из файла (страница 8)
Рисунок 5.23 – Принципиальная схема модуля одноразрядного семисегментного индикатора
Проект печатной платы модуля, разработанного в программном пакете Sprint-layout приведен на рисунке 5.24.
Рисунок 5.24 – Печатная плата модуля одноразрядного семисегментного индикатора (вид сверху)
Внеший вид печатной платы со стороны деталей приведен на рисунке 5.25 а, а со стороны печатных проводников на рисунке 5.25 б.
Рисунок 5.25 – Внеший вид модуля одноразрядного семисегментного индикатора: а – со
стороны деталей; б – со стороны дорожек
5.2.8 Четырехразрядный семисегментный индикатор
Модуль четырехзрядного семисегментного индикатора предназначен для получения студентом базовых навыков по работе с регистрами микроконтроллера, связанными с выведением числовой информации на индикатор. Если в одноразрядном семисегментном индикаторе есть возможность получить одну цифру или букву, те четырехразрядный индикатор уже позволяет вывести некоторое число, или строку из простых букв. В модуле индикатора каждый сегмент мультиплексирован, т.е. он разделяет одну анодную точку соединения с другими сегментами своего разряда. И так каждый из четырех разрядов в модуле имеет с общим катодом собственную точку подключения. Это позволяет каждую цифру включать или выключать независимо. Кроме того, такой метод мультиплексирования позволяет микроконтроллеру использовать только одиннадцать или двенадцать выводов вместо тридцати двух. А сам принцип, основанный на чередовании включения и выключения разрядов индикатора называется динамической индикацией. Каждый вывод портов микроконтороллера может отдавать в нагрузку максимум 40 мА, а если включить все сегменты разряда и вывести на индикатор цифру «8» с точкой, то потребляемый ток превысит этот предел. Для ограничения тока на каждый вывод сегмента подключается токоограничивающий резистор номиналом 470 Ом. А для обеспечения дополнительного тока общие аноды каждого разряда подключены через транзисторы.
Модуль выполнен в виде платы размером 39 мм в длину и 26 мм в ширину. В основу платы легли семисегментный одноразрядный индикатор с общим анодом типа ULF-5461BG производства Zhongsan Jewelly Optoelectronic Tecnology Co. Ltd (Китай), а также низкоомные резисторы для поверхностного монтажа (SMD) типоразмера 1206 и выводные транзисторы малой мощности. Печатная плата разработана для установки в макетное поле в горизонтальном положении.
Перечень использованных в модуле радиоэлементов приведен в таблице 5.1
Таблица 5.1 - перечень использованных радиоэлементов
Элемент | Наименование | Общее Количество |
HG1 | Индикатор семисегментный четырехразрядный ULF-5461BG | 1 |
R1–R8 | Резистор SMD 1206 470 Ом | 8 |
R9–R12 | Резистор SMD 1206 1 кОм | 4 |
XP2, XP3, XP4 | Контактная линейка PLS-40 | 1 |
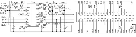
На рисунке 5.26 показана принципиальная схема модуля четырехразрядного семисегментного индикатора с применением транзисторов и токоограничивающих резисторов.
Рисунок 5.26 - Принципиальная схема модуля одноразрядного семисегментного индикатора.
Проект печатной платы модуля, разработанного в программном пакете Sprint-layout приведен на рисунке 5.27.
Рисунок 5.27 – Печатная плата модуля четырехразрядного семисегментного индикатора (вид сверху)
Внеший вид печатной платы со стороны деталей приведен на рисунке 5.28, а со стороны печатных проводников на рисунке 5.29.
Рисунок 5.28 – Внеший вид блока потенциометра со стороны деталей
Рисунок 5.29 – Внеший вид блока потенциометра со стороны дорожек
5.2.9 Копия прогамматора PICkit 2
Данная копия программатора основанна на схемотехнике оригинального PICkit-2. От оригинального PICkit-2 унаследованы следующие функции: программирование МК с напряжением питания 5 вольт, USB-UART преобразователь, часть функций логического анализатора, расчет калибровочной константы встроенного RC-генератора для соответствующих типов МК, обновление операционной системы программатора в режиме bootloader. Отдельно рассмотрим несложную доработку в схеме разрабатываемого устройства с возможностью программирования МК с напряжением питания менее 5 вольт. Принципиальную схему программатора видно на рисунке 5.30.
Рисунок 5.30 – Принципиальная схема программатора PICkit 2
Розетка XS1 служит для подключения стандартного USB-кабеля между программатором и компьютером. Это розетка типа «В», на компьютере стоит розетка типа «А». Перепутать гнезда включения кабеля физически невозможно.
Светодиоды HL1 и HL2 любого типа, например, АЛ307. HL1 горит, когда на программатор подается питание; HL2 загорается, когда между ПК и программатором идет обмен данными. Перемычка XT1 используется для активации в устройстве режима bootloader (загрузчик) для обновления программного обеспечения (прошивки) программатора через интерфейс USB.
Основой программатора является микроконтроллер PIC18F2550, имеющий прямой выход на шину USB. МК тактируется кварцевым резонатором ZQ1 и работает на частоте 20 МГц. Программатор питается напряжением +5 В, поступающим с USB порта компьютера через разъем XS1.
Напряжение высоковольтного программирования Vpp в диапазоне плюс 8,5–14 В формируется ключевым стабилизатором на элементах R4, VT1, L1, VD1, C4, R10, R11. Импульсы ШИМ поступают с вывода 12 МК, обратная связь реализована через с делитель, выполненный на резисторах R10, R11. Транзисторы VT2, VT3, VT4 служат ключами, подающими установленное напряжение Vpp к линиям программирования МК. Информация о наличии питания снимается с резистора R9. Диод Шотки VD2 является барьером для обратного напряжения с линий программирования в случае использования программатора в режиме внутрисхемного программирования ICSP (In-Circuit Serial Programming), USB-UART преобразователя, логического анализатора. Диод VD2 должен иметь падение напряжения не более 0,45 В. Если предполагается использовать этот программатор исключительно для программирования МК вне устройства, т.е. с использованием соответствующих адаптеров, панелей и переходников, то на месте диода VD2 можно впаять перемычку. Использован унифицированный дроссель L1 с индуктивностью 680 мкГн типов CECL или EC24 «гантелька».Список использованных радиокомпонентов при изготовлении одного программатора приведен в таблице 5.8.
Таблица 5.8 – Список радиокомпонентов для сборки одного программатора
| Элемент | Наименование | Общее Количество |
| DD1 | Микроконтроллер PIC18F2550 | 1 |
| Q1 | Кварцевый резонатор 20 МГц | 1 |
| VT1-VT3 | Транзистор КТ3102Г | 3 |
| VT4 | Транзистор КТ361Г | 1 |
| VD1 | Диод Шоттки 1N5817 | 1 |
| VD2 | Диод КД522 (1N4148) | 1 |
| HL1 | Светодиод круглый 5 мм, зеленый | 1 |
| HL2 | Светодиод круглый 5 мм, красный | 1 |
| L1 | Катушка индуктивности 680 мкГн 250 мА | 1 |
| С1 | Конденсатор электролитический 100 мкФ 16В. | 1 |
| С2 | Конденсатор керамический 0,1 мкФ 50 В. | 1 |
| С3 | Конденсатор керамический 0,47 мкФ 50 В. | 1 |
| С4 | Конденсатор электролитический 47 мкФ 16 В, | 1 |
| R1, R2 | Резистор МЛТ-0,25 330 Ом | 2 |
| R3 | Резистор МЛТ-0,25 22 кОм | 1 |
| R4 | Резистор МЛТ-0,25 1 кОм | 1 |
| R5, R6, R12, R17–R20 | Резистор МЛТ-0,25 10 кОм | 6 |
| R7, R8, R14 | Резистор МЛТ-0,25 100 Ом | 3 |
| R9, R10, R15, R16 | Резистор МЛТ-0,25 4,7 кОм | 4 |
| R11 | Резистор МЛТ-0,25 2,7 кОм | 1 |
| R13 | Резистор МЛТ-0,25 100 кОм | 1 |
| XP1, XT1 | Контактная линейка однорядная PLS-40, шаг 2,54 мм | 2 |
| XS1 | USB розетка тип B | 1 |
| XS2 | Панель ZIF (40 выводов) | 1 |
При первом подключении изготовленного программатора с правильно запрограммированным МК DD1 к компьютеру, операционная система найдет новое устройство «PICkit 2 Microcontroller Programmer» и автоматически установит для него драйвера. На рисунке 5.31 представлен скриншот окна операционной системы с определившимся программатором.
Рисунок 5.31 – Программатор PICkit 2, определенный операционной системой
В списке диспетчера устройств появится новое USB HID-совместимое устройство. HID (Human Interface Devices), согласно спецификации USB, – это устройства связи с пользователем, для которых в операционных системах Windows 98/2000/XP имеются встроенные HID-драйверы. В связи с этим необходимость в специальном драйвере отпадает. На рисунке 5.32 показано окно диспетчера устройств Windows, с установленными драйверами на программатор.
Рисунок 5.32 – Программатор PICkit 2, появившийся в диспетчере устройств
Правильно собранный программатор в налаживании не нуждается и начинает исправно работать. Если программатор не работает, то прежде всего, следует убедиться в отсутствии ошибок монтажа,а также отсутствии обрывов и замыканий на его плате.
Для программирования микроконтроллеров в DIP корпусах очень удобно использовать адаптер с ZIF-панелью (Zero Insertion Force – с нулевым усилием на выводы микросхемы при ее установке). Перед установкой МК в панель обязательно убедитесь, что указанное расположение выводов соответствует выбранному вами МК. Для этого, обратитесь к официальной документации Data Sheets и Programming Specifications на соответствующий МК [7].
Программатор и адаптер собраны на общей печатной плате. При желании программатор и адаптер можно сделать на раздельных платах, рисунок печатной платы позволяет это безболезненно сделать. На плате предусмотрена 5-ти контактная однорядная вилка для подключения шнура внутрисхемного программирования ICSP.
Проект печатной платы программатора, разработанного в программном пакете Sprint-layout приведен на рисунке 5.33.















