1) ВКР - Исаев А.В. - 2016 (1228491), страница 6
Текст из файла (страница 6)
Для решения данной задачи была разработана подпрограмма (SubVI),
рисунок 2.20. При помощи которой, происходит задержка подачи управляющего значения напряжения в модель двигателя, на 0,001 секунды.
Рисунок 2.20 – Блок диаграмма SubVI, задержки подачи сигнала
Подпрограмма получила название «Задержка подачи сигнала», которая была размещена, непосредственно перед входом в блок «Multisim Design», рисунок 2.21. На рисунке 2.21, маркером выделен участок, где располагается блок «Задержка подачи сигнала», ко входу «input simulation time», рисунок 2.20, необходимо присоединить инструмент из модуля CDS «Simulation Time», который в свою очередь отвечает за управлением времени моделирования, непосредственно внутри цикла «Control and Simulation Loop».
Рисунок 2.21 – Блок диаграмма программы, «Построение скоростной характеристики двигателей НВА-55 и НВА-22»
В результате внесенных изменений в цикл «Control and Simulation Loop», отображение графика значительно было улучшено, рисунок 2.22.
Рисунок 2.22 – Скоростная характеристика асинхронных двигателей НВА-55 и НВА-22
3 ПОЛУЧЕНИЕ ХАРАКТЕРИСТИК С ИСПОЛЬЗОВАНИЕМ
ВИРТУАЛЬНОГО ЛАБОРАТОРНОГО КОМПЛЕКСА
3.1 Лабораторный работы комплекса
Рисунок 3.1 – Лабораторная работа № 1
На тему: «Изучение принципов моделирования в продуктах компании National Instruments»
Рисунок 3.2 – Лабораторная работа № 2
На тему: «Построение скоростной характеристики асинхронных двигателей НВА-22 и НВА-55»
Рисунок 3.3 – Лабораторная работа № 3
На тему: «Построение механических характеристик асинхронных машин
АЭ92-402, НВА-55 и НВА-22»
Рисунок 3.4 – Лабораторная работа № 4
На тему: «Исследование зависимости скорости вращения вала двигателя НБ-418 от времени»
Рисунок 3.5 – Лабораторная работа № 5
На тему: «Скоростная характеристика тяговой электрической машины НБ-514»
3.2 Построение скоростной характеристики асинхронных электрических машин НВА-55 и НВА-22
В результате выполнения программы, рисунок 3.6, интерфейс которой представлен на рисунке 3.2, воздействуем на скорость вращения вала двигателя при помощи нагрузки.
На рисунке 3.6 представлена блок диаграмма приложения написанного в среде программирования NI LabVIEW. В главном цикле «While Loop» имеется сценарий работы приложения «Flat Sequence Structure». После того, как произведен запуск приложения, в первом цикле производиться запуск моделирования. Во втором цикле производиться моделирование работы двигателя, программа NI LabVIEW обращается через модуль CDs, рисунок 3.7.
Рисунок 3.6 – Блок диаграмма лабораторной работы № 2
Рисунок 3.7 – Цикл Control and Simulation Loop лабораторной работы № 2
В модель электродвигателя НВА-55 и НВА-22 подается синусоидальный сигнал со смещением фаз на 1200, рисунке 3.8. Тем самым мы можем предотвратить искажения моделируемого сигнала, воздействуя на него задержкой подачи сигнала, ранее описанной в пункте 2.4.1.
Рисунок 3.8 – Окно настройки подаваемого сигнала в модель двигателя
Рисунок 3.9 – Алгоритм выполнения задержки подачи сигнала
Для определения, как влияет момент прикладываемый на вал двигателя
НВА-55, на скорость разгона до номинального паспортного значения, выполним четыре контрольных запуска двигателя.
Данные о моделировании, сохраняются в соответствующем формате *.tdms, с возможностью последующей обработки в MS Office Excel 2014 [4].
Результаты испытаний представим в виде таблице 3.1, и по полученным данным, построим зависимость скорости вращения вала двигателя от времени, рисунок 3.9. А так же построим зависимость прикладываемой нагрузки от времени разгона двигателя, рисунок 3.10.
Таблица 3.1 – Результаты воздействия нагрузки на длительность разгона электродвигателя НВА-55.
| Время,c | Двигатель НВА-55 | ||||
| Скорость вращения вала двигателя при различных нагрузках, об/мин | |||||
| Т=0, Нм | 200, Нм | 400, Нм | 600, Нм | 800, H | |
| 0,00 | 0,0 | 0,0 | 0,0 | 0,0 | 0,0 |
| 0,05 | 331,0 | 229,1 | 137,4 | 50,3 | -28,8 |
| 0,10 | 783,4 | 514,8 | 327,8 | 194,6 | 84,6 |
| 0,15 | 1471,1 | 1081,3 | 623,8 | 254,9 | -12,7 |
| 0,20 | 1474,6 | 1503,8 | 1106,1 | 388,9 | 71,9 |
| 0,25 | 1489,7 | 1470,7 | 1478,2 | 657,6 | 15,6 |
| 0,30 | 1489,0 | 1471,8 | 1454,4 | 1070,5 | 74,1 |
| 0,35 | 1488,6 | 1472,8 | 1455,9 | 1446,2 | 51,1 |
| 0,40 | 1488,6 | 1472,7 | 1456,6 | 1434,9 | 93,6 |
| 0,45 | 1488,6 | 1472,7 | 1456,5 | 1438,6 | 113,6 |
| 0,50 | 1488,6 | 1472,7 | 1456,5 | 1438,6 | 148,9 |
| 0,55 | 1488,6 | 1472,7 | 1456,5 | 1438,6 | 208,6 |
| 0,60 | 1488,6 | 1472,7 | 1456,5 | 1438,6 | 267,7 |
| 0,65 | 1488,6 | 1472,7 | 1456,5 | 1438,6 | 369,4 |
| 0,70 | 1488,6 | 1472,7 | 1456,5 | 1438,6 | 510,5 |
| 0,75 | 1488,6 | 1472,7 | 1456,5 | 1438,6 | 731,5 |
| 0,80 | 1488,6 | 1472,7 | 1456,5 | 1438,6 | 1081,0 |
| 0,85 | 1488,6 | 1472,7 | 1456,5 | 1438,6 | 1409,0 |
| 0,90 | 1488,6 | 1472,7 | 1456,5 | 1438,6 | 1416,9 |
| 1,00 | 1488,6 | 1472,7 | 1456,5 | 1438,6 | 1416,9 |
| 1,10 | 1488,6 | 1472,7 | 1456,5 | 1438,6 | 1416,9 |
| 1,20 | 1488,6 | 1472,7 | 1456,5 | 1438,6 | 1416,9 |
| 1,30 | 1488,6 | 1472,7 | 1456,5 | 1438,6 | 1416,9 |
Таблица 3.2 – Значение момента и времени достижения номинального значения скорости вращения вала электродвигателя НВА-55
| Значение момента | Время достижения номинального значения скорости вращения вала, с |
| 0 | 0,15 |
| 200 | 0,25 |
| 400 | 0,3 |
| 600 | 0,35 |
| 800 | 0,85 |
Рисунок 3.9 – Скоростная характеристика электродвигателя НВА55
Рисунок 3.10 – Влияние прикладываемого момента на длительность разгона
электродвигателя НВА-55
3.3 Построение механических характеристик асинхронных машин
АЭ92-402, НВА-55, НВА-22
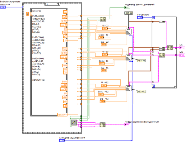
На рисунке 3.11 представлена блок диаграмма лабораторной работы № 3, по построению механических характеристик электродвигателей АЭ92-402, НВА-22, НВА55.
В ходе разработки программы, использовались подпрограммы, для улучшения восприятия программного кода, и упрощения поиска ошибок выполнения алгоритма. На основе этого принципа, были разработаны программы-анализаторы для каждого двигателя, рисунок 3.13, и объединенные в одну, большую, подпрограмму, рисунок 3.12. В результате, мы получили взаимозаменяемую структуру программы, благодаря чему можно добавить электродвигатель в систему или убрать из главной программы.
Рисунок 3.11 – Блок диаграмма лабораторной работы № 3
Важную роль играет в процессе построения отладка данных, в процессе моделирования работы электродвигателя.
Рисунок 3.12 – Блок диаграмма анализа данных моделирования
Рисунок 3.13 – Блок диаграмма анализа данных моделирования
электродвигателя НВА-22
Подпрограмма, занимающаяся сглаживанием данных в первую очередь необходима для наилучшего восприятия строящегося графика на панели интерфейс пользователя, в результате чего, используя стандартные средства, среды графического языка программирования NI LabVIEW, была выполнена подпрограмма, рисунок 3.14.
Рисунок 3.14 – Подпрограмма интерполяции данных моделирования
Для наилучшего понимания алгоритма третьей лабораторной работы по построению механических характеристик электродвигателей АЭ92-402, НВА-22, НВА-55, представлена на рисунке 3.15, вертикаль иерархии главной программы.














