10 ПЗ РАЗРАБОТКА АВТОМАТИЧЕСКОЙ СИСТЕМЫ УПРАВЛЕНИЯ УЗЛОМ ПОДОГРЕВА ГАЗА НА ГАЗОРАСПРЕДЕЛИТЕЛЬНОЙ СТАНЦИИ (1228391), страница 5
Текст из файла (страница 5)
(5.3)
В AVR микроконтроллерах источником опорного напряжения может служить внешний источник на выводе AREF, напряжение питание и внутренний источник на 2.56 В. Опорное напряжение является эталонной величиной по отношению, к которому будет происходить преобразование в АЦП. В нашей схеме принято использовать в качестве опорного источника - напряжение питания микроконтроллера 5 В. Измеряемое напряжение будет лежать в пределах от 0 до 5, определим шаг квантования K:
(5.4)
С шагом 0,0048в АЦП будет измерять входное напряжение, для решения поставленной нами задачи данной величины достаточно[28].
5.2 ПОДБОР АВТОМАТИЧЕСКИХ ЗАДВИЖЕК
Автоматические задвижки принято было встраивать на базе неполноповоротных электроприводов AUMA, предназначенных для управления промышленной арматурой, в том числе и заслонками для входного и выходного потока циркулирующей жидкости котла.
Из всех вариантов требуемых для закрытия и открытия клапанов, для нужных нам параметров технологической карты подходит неполноповоротный электропривод AUMASG03.3. Техническая характеристика показана в таблице 5.1.
Таблица 5.1 Технические характеристики AUMASG03.3
| Режим ( согласно IEC 34-1) | S2 – 15 мин |
| Двигатель | Переменного тока, KMSB1010 200 Вт. |
| Класс изоляции | F, тропикостойкий |
| Защита двигателя | Термовыключатель( термистор ) |
| Обратная связь по положению | Прецизионный выключатель |
| Путевое выключение | Ограничитель конечных положений, Закрыто/Открыто |
| Угол поворота | 90 0 |
На рисунке 5.1 изображен внешний вид автоматической задвижки AUMASG03.3, помимо автоматического блока управления имеется дублирование с ручным поворотом задвижки.
Рисунок 5.6 Автоматическая задвижка AUMASG03.3
Питание подаётся на трёхфазный асинхронный двигатель, в нормально состоянии питание на задвижке будет отсутствовать, задвижка находится в положении ЗАКРЫТО, при подаче питания задвижка переходит в положение ОТКРЫТО, открывая путь для циркуляции теплоносителя.
Одной из главных особенностей, автоматической задвижки является наличие собственной системы управления с электромагнитным пускателем в своём составе, что облегчает процесс запуска привода.
5.3 ПОДБОР ИСТОЧНИКА ВТОРИЧНОГО ЭЛЕКТРОПИТАНИЯ ДЛЯ НУЖД АВТОМАТИКИ ЗАДВИЖЕК И
ЭЛЕКТРОМАГНИТНЫХ ПУСКАТЕЛЕЙ
Согласно технической документации каждый электропривод задвижки, имеющий в своём составе автоматику управления с максимальным током потребления I = 25 мА при напряжении питания 24 В. Подберем блок питания. Исходя и технических характеристик мощность каждого блока автоматики электропривода рассчитывается по формуле 5.5.
(5.5)
Для 7 автоматических задвижек требуемое мощностью питания 15 Вт, выберем блок питания с запасом мощности превышающим расчетные значения в 3 раза, то есть 45 Вт. По нужным нам параметрам подходит блок питания фирмы MeanWellEnterprisesNES-100-24. Технические характеристики представлены в таблице 5.2.
Таблица 5.2 Технические характеристики БП NES-100-24
| Тип преобразователя | AD-DC |
| Входное напряжение | DC 248-373 В |
| Выходная мощность | 100 Вт |
| Выходное напряжение | 24 В |
| КПД | 86 % |
На рисунке 5.7 представлено изображение данного блока питания.
Рисунок 5.7 Блок питания NES-100-24
5.4 ПОДБОР ИЗМЕРИТЕЛЬНОЙ АППАРАТУРЫ, ДАТЧИКОВ
ДАВЛЕНИЯ И ТЕМПЕРАТУРЫ
Для измерения физических величин, котлового агрегата, а именно: температура нагретого и охлажденного теплоносителя требуется подобрать соответствующие датчики.
В соответствии с режимной картой работы котла, температура нагретой жидкости составляет 85 0С, охлажденной 60 0 С. Разница температур по условию не должна превышать 25 0 С. Для данных параметров подходит термосопротивлениеFlukeТРК 4, внешний вид устройства изображен на рисунке 5.8
Рисунок 5.8–ТермосопротивлениеFlukeТРК 4
Диапазон температур лежит в пределах от -55 0С до 600 0 С, погрешность измерения 2.2 0 С или ± 0.75 %
Диапазон измеряемого давления лежит в пределах 1.8-3 бар, для данного диапазона с запасом 70 % подходит датчик давления MotorolaMPX5500DP, он так же подходит нам с точки зрения согласования выходного сигнала. Требуемые 0-5 В для аналогово-цифрового преобразователя непосредственно поступают с выводов датчика, что упрощает схемотехнические решения. Его технические характеристики приведены в таблице 5.3.
Таблица 5.3 Технические характеристики MotorolaMPX5500DP
| Максимальное рабочее давление | 500 кПа |
| Максимальное доп. давление | 2000 кПа |
| Диапазон выходного напряжения | 4500 мВ |
| Чувствительность | 9 мВ/кПа |
| Температурная компенсация | В наличии |
Внешний вид датчика изображен на рисунке 5.9.
Рисунок 5.9 Датчик давления MotorolaMPX5500DP
5.5 ПОДБОР ЭЛЕМЕНТОВ СОГЛАСОВАНИЯ СИГНАЛОВ
УПРАВЛЕНИЯ МИКРОКОНТРОЛЛЕРА С РЕЛЕ НАПРЯЖЕНИЯ
Микроконтроллер ATMEGA16-16PU имеет ограничение по суммарному току, протекающему через любой вывод питания, составляющей 300мА. Максимальный ток через любой другой вывод не должен превышать 40мА. При этом максимальное напряжение выводимое через любой вывод портов не может превышать 5В.
Так как выбраные ранее реле имеет ток срабатывания 7.5 мА при 24 В требуется согласование мощности нагрузки в виде катушки реле с сигналами управления микроконтроллера.
Для гальванической развязки и согласования мощности выходного сигнала принято решение использовать четырехканальную микросхему оптопарToshibaTLP-521-4 в корпусе DIP-16. Фототранзисторные оптопары расположенные внутри микросхемы TLP521-4 состоят из фототранзисторов, оптически соединенных внутри корпуса через арсенид галия с инфракрасным диодом, который испускает свечение. Микросхема обеспечивает четыре изолированных независимых канала.
Технические характеристики TLP521-4 представлены в таблице 5.4
Таблица 5.4 Технические характеристики ToshibaTLP521-4
| Тип оптопары | Фототранзистор |
| Напряжение изоляции | 2.5 кВ |
| Максимальный прямой ток | 50 мА |
| Максимальное прямое напряжение | 55 В |
| Время включения/отключения | 3 нс |
| Тип корпуса | DIP16 |
Для обеспечения стабилизированного напряжения положительной полярности 5 V(при токе до 1 А) на плате размещен линейный стабилизатор напряжения на чипе LM780. Стабилизатор предназначен для обеспечения напряжения +5V, чтобы запитать как внутреннюю часть схемы управления, а именно микроконтроллер, так и сами микросхемы оптопар.
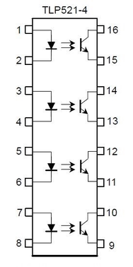
На рисунке 5.9 показана схема расположения выводов TLP521-4.
Рисунок 5.9 Схема расположения выводов TLP521-4
Оптопара имеет следующую конфигурацию: 1, 3 5, 7 – анод; 2, 4, 6, 8 – катод; 9,11,13,15 – эмиттер; 10, 12, 14, 16 –коллектор.
В системе управления так же применяются одноканальные оптопары фирмы Sharp серииPC817, технические характеристики представлены в таблице 5.5.
Таблица 5.5 Технические характеристики оптопар
| Тип оптопары | Фототранзистор |
| Напряжение изоляции | 2.5 кВ |
| Максимальный прямой ток | 50 мА |
| Максимальное прямое напряжение | 35 В |
| Время включения/отключения | 3 нс |
| Тип корпуса | DIP4 |
5.6 ПОДБОР ЖИДКОКРИСТАЛЛИЧЕСКОГО ИНДИКАТОРА
Основными требованиями к жидкокристаллическому индикатору – это работа в темное время суток и максимальное количество информативного пространства для размещения нужной информации.
Все вышеизложенным требованиям соответствует жидкокристаллический символьный индикатор WH1602A-AGH-CTK#. ЖКИ имеет двухрядный шестнадцати символьный размер экрана. Готовая плата с дисплеем приведена на рисунке 5.14.
Рисунок 5.14 Экран с платой управления. Внешний вид
Данный тип дисплея основан на микропроцессорной системе HD44780. HD44780 контроллер монохромных жидкокристаллических знакосинтезирующих дисплеев с параллельным 4- или 8-битным интерфейсом. Разработан в фирме Hitachi. Типовой 14-пиновый интерфейс дисплеев на HD44780:
- Земля, общий провод, GND;
- Напряжение питания, Vcc (+5V);
- Настройка контрастности (Vo);
- Выбор регистра (R/S для HD44780, A0 для KS0066);
- Чтение/запись (R/W);
- Строб по спаду (Enable);
- Bit 0 (младший для 8-битного интерфейса);
- Bit 1;
- Bit 2;
- Bit 3;
- Bit 4 (младший для 4-битного интерфейса);
- Bit 5;
- Bit 6;
- Bit 7 (старший для 8-(4-)битного интерфейса);
- Питание подсветки для дисплеев с подсветкой (анод);
- Питание подсветки для дисплеев с подсветкой (катод).
Подача питания подсветки может различаться от модели к модели в зависимости от её типа. Обычно подсветка питается от 5 вольт, для ограничения тока устанавливается резистор (50-100 Ом).
Дисплей может работать в 4- или 8-битном режимах. В первом случае ножки с седьмой по десятую не используются, а данные передаются через 11-14 ножки, по четыре бита за такт (старший полубайт, затем младший полубайт).В ПЗУ контроллера отведено место, достаточное для хранения 240 символов, каждый из которых представляет собой матрицу 5х8 точек, также предусмотрена возможность загрузить 8 определяемых пользователем символов в знакогенератор. Как правило, знакогенератор содержал символы латиницы и одного из национальных алфавитов. При покупке дисплея следует уточнить, поддерживается ли нужный алфавит.
5.7 ПОДБОР НАСОСА ПОДДЕРЖИВАЮЩЕГО ДАВЛЕНИЕ
Для поддержания рабочего давления циркулирующей жидкостинеобходим подкачивающий насос, отвечающий определенным требованиям к работе системы циркуляции.
Прежде всего, рабочее давление должно быть в пределах от 0 до 4 бар, система управления данного насоса должна быть подстроена по имеющуюся систему управления с нужными режимами работы.












